- 您的位置:
- 标准下载网 >>
- 标准分类 >>
- 粮食行业标准(LS) >>
- NY/T 341-2012 剑麻加工机械 制绳机
- 标准号: - NY/T 341-2012
- 标准名称: - 剑麻加工机械 制绳机
- 标准类别: - 粮食行业标准(LS)
- 标准状态: 现行
- 出版语种: 简体中文
- 下载格式: .rar .pdf
- 下载大小: 
 标准内容
标准内容部分标准内容:
					
					ICS 65.060.99
中华人民共和国农业行业标准
NY/T341—2012
代替NY/T341—1998
剑麻加工机械
制绳机
Machinery for sisal hemp processing-Rope layer2012-06-06发布
2012-09-01实施
中华人民共和国农业部发布
本标推按照GB/T1.1—2009给出的规则起草,本标准代替NY/T341-1998《剑麻加工机械制绳机》。本标准与NY/T3111998相比,主要变化如下:增加和删除了部分用标准(见第2章,1998版第2章);-增与修改了部分术语和定义(见第3章,1998版第2竞):-对技术要求重新进行了分类、修改和补充(见第5章,1998版第5章);一增加了使用可靠性、接地电阻等指标(见5.1.3和5.7.4);NY/T341—2012
二一增加了安全警示标志和产品使用说明书中应有安全操作注意事项和维护保养方面的安全内容等规定(见5.7.1和5.7.2);
一一增加了生\率、使用可靠性、尺寸公差、形位公差、硬度等指标具休测定方法(见6.3);修改了型式检验项目,主要是增了安全警示标志、使用可靠性、撑杆质量等指标,取消零部件结合表面尺小等检验项目(见7.2.5,1998版7.2.3),增加了对产品运输和贮存的要求(见第8章)。木标准由中华人民共和国农业部农垦局提出,木标准山农业部热带作物及制品标滩化技术委员会妇口。本标准起草单位:中国热带农业科学院农业机械研究所、农业部热带作物机械质量监督检验测试中心、广东省湛江农垦第一机械厂,本标准主要起草人:李明、王金丽、黄贵国、郑勇、卢敏铭。本标准所代替标准的厉次版本发布情况为:-. NY/T 341—1998.
1范围
剑麻加工机械制绳机
NY/T341—2012
本标准规定了剑麻加工机械制绳机的术语和定义、型号规格和主要技术鑫效、技术要求、试验方法、检验规则及标志、包装、运输与贮存要求本标准适用于剑制绳机,也适用于其他纤维制绳机。2规范性引用文件
下列文件对于本文件的应用是必不可少的。凡是注日期的引用文件,仅注日期的版本适用本文件。凡是不注日期的引用文件,其最新版本(包括所有的修改单)适用于本文竹。GB/T230.1金属洛氏硬度试验第1部分:试验方法(A、B、C、D、E、F、G、H、K、N、T标尺)(B/T1184形状和位置公差未注公差值GB/T1800.2产品站几何技术规范(GPS)极限与配合第2部分:标准公差等级和孔、轴极限偏差农
GB/T1958产品几何量技术规范(GPS)形状和位置公差检测规定GB/T2828.1计数抽样检验程序第1部分:按接收质量限AQL)检索的遂批检验抽样计划GB/T3177产品儿何技术规范((GPS)光滑工件尺小的检验GB/T3768市学声压法测定噪声源声功率级反射面上方采用包络测量表面的简易法GB/T5226.1机械电气安全机械电气设备第1部分:通用技术条件GB/T8196机械安全防护装置固定式和活动式防护装置设计与制造一般要求GB/T10089圆柱蜗杆、蜗轮精度
GB10396农林拖拉机和机械、草坪和园艺动力机械安全标志和危险图形总则GB/T'15029剑麻棕绳
GB/T15032—2008制绳机械设备通用技术条件GB/Z18620.2—2008圆柱齿轮检验实施规范第2部分:径向综合偏差、径向跳动、齿厚和侧隙的检验
JB/T9832.2农林拖拉机及机其漆膜附养力性能测法压圳法
NY/T_407一2000剑嘛加工机械产品质量分等NY/T1036—2006热带作物机械术语3术语和定义
下列术语和定义适用于本文件。3.1
加抢tuisting
使麻条、纱条、股条或绳索沿轴向作同一方向回转的操作。TNY/T 1036- -2006,定义 3. 1. 3]3.2
捻度(wist
纱条、股条或绳案沿轴向单位长度的捻回数,[VY/T 10362006,定义 3.1,5-
NY/T 341—2012
正捻S twist
S型 Stwist
纱条、股条或绳索的倾斜方向与字母“S\的中部相-致的抢向,「NY/T 1036—2006,定义3.1.8.3.4免费标准bzxz.net
反捻Ztwist
Z 型 Z. twist
纱条、股条或绳索的倾斜方问与字母“Z\的中部柑--致的捻向。[NY/T 1036—2006,定义 3. 1. 93.5
制绳机ropelayingmachinc
将数根定规格的股条以股条相反的捻问加捻成绳索或将一定规格、相同数望的2捻与S捻股条按照一定规则缩织成绳索的机械。[NY/T 1036-- 2006,定义 3.2. 15]3.6
stationary spindlc ropc layer恒锭制绳机
在加捻过程中,股饼架(摇蓝)不随机器主轴转动的制绳机。_NY/T1036—2006,定义3.2.18
转锭制绳机rotaryspindleropelayingmachine在加过程中,股饼架除绕自身轴心线旋转外,还跟随框架轮绕机器土轴转动的制绳机,[NY/T 1036—2006,定义3.1.19]4型号规格和主要技术参数
4.1型号规格的编制方法
产品型号规格的编制应符合Gt3/T15032--2008中4.1的规定。4.2型号规格表示方法
结构特唑:H
谢绳机
示例:
·股数
恒锭;Z—转链
3SI15表示5号3股恒锭制绳机.3为股数.5为绳径代号,其约径范围为6mm~14mm,4.3绳径代号及范围
绳径代号及范围如表1
表1绳径代号及范围
径范围,mm
11·-22
34-~15
18--64
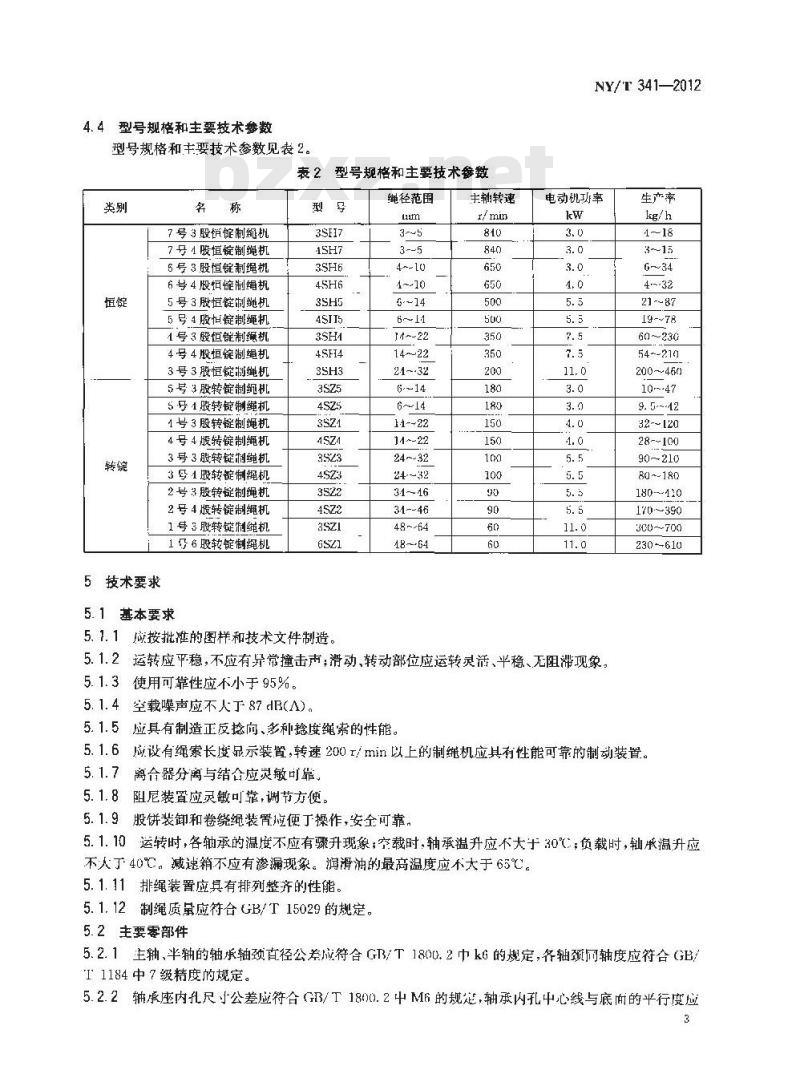
4.4型号规格和主要技术参数
型号规格和主要技术参数见表2。表2型号规格和主要技术参数
5技术要求
7号3股慎制颈机
7号4股恒链制绳机
6 号 3 股恒链制绳机
6号4股短锭制绳机
5号3股恒链制继机
5号4股恒锭制绳机
1号3 股恒链制缓机
4号4股恒锭制绳机
3号3股恒链制绳机
5号3股转锭制纫机
5号1股转锭制绳机
1号3股转链制绳机
4号4股转锭制绳机
3号3股转链剂绳机
3号1股转锭制绳机
2号3股转锭制绳机
2号4转锭制绳机
1号3股转链制绳机
1号6股转锭制绳机
5.1基本要求
5.1.1应按批准的图样和技术文件制造。绳径范围
14~-22
24~-32
11~-22
24~-32
341-~16
31--46
48~-64
48--64
主转速
NY/T341—2012
电动机功率
5.1.2运转应平稳,不应有异常撞击声,滑动、转动部位应运转灵活、平稳、无阻滞现象。5.1.3使用可靠性应不小于95%。5.1. 4 空载噪声应不人于87 dB(A)。5.1.5应具有制造正反捻向、多种捻度绳索的性能。生产率
21-~87
19-~78
60~230
54~-210
200-46n
10--47
32-~[20
28~100
90~210
180--110
170390
3C0--700
230--610
5.1.6应设有绳索长度显示装置,转速200/min以上的制绳机应具有性能可靠的制动装置。5. 1. 7
离合器分离与结合应灵敏可靠、5.1.8阻尼装置应灵敏可靠,调节方便。5.1.9股饼装卸和卷绕绳装置垃便丁操作,安全可靠,5.1.10运转时,各轴承的温度不应有骤升现象;空载时,轴承温升应不大于30%;负载时,轴承温升应不人于40℃。减速箱不应有渗漏现象。润滑油的最高温度应不大于65℃。5.1.11排绳装置应具有排列整济的性能。5.1.12制绳质量应符合GB/T15029的规定。5.2主要零部件
5.2.1主轴、半轴的轴承轴颈直径公差成符合GB/T1800.2巾kG的规定,轴颈网轴度应符合GB/T1184中7级精度的规定。
5.2.2轴承座内孔尺寸公差应符合GB/T1800.2中M6的规定,轴承内孔中心线与底而的平行度应3
NY/T341—2012
符合GB/T 1184中9级的规定。
5.2.3齿轮齿而硬度:转速低于1000r/min的应为24HRC~28IIRC,转速高J1000T/min的应为40 HRC~~50 HRCu
5.2.4撑杆直线度应符合GB/T11848级的规定,撑杆长度偏差应符合G/T1800.2中js7的规定。
5.3装配
5.3.1外购件、协作件应有合格证.所有零部件应检验合格。5.3.2齿轮接触斑点,沿齿高方向应不小于30%,沿齿宽方向应不小于40%。5.3.3齿轮副最小侧应符合GB/218620.22008中附录A的规定。5.3.4蜗轮副侧隙成符合GB/T10089中8级的规定。5.3.5齿轮副轴向错位应不大于1.5nr1,5.3.6制动法兰径向圆跳动公差应符合GB/T1181.2中级的规定。5.4外观和涂漆
5.4.1表面不应有明品的凸起、陷、粗糙不平和损伤等缺陷。5.4.2涂层采用喷漆方法,色泽应均匀,平整光滑。5.4.3漆膜附着力应符合JB/T9832.2中2级3处的规定,5.5铸件
铸件应按GB/T15032200845.5的规定。5.6焊接件
焊接件应按GB/T15032—2008中5.6的规定。5.7安全防护
5.7.1在醒目部位固定安全警示标志,安全警示标志成符合GB10396的要求。5.7.2产品使用说明书中应有安全操作注意事项和维护保养方面的安全内容。5.7.3外露转动部件成装有安全防装置,且应符个GB/T8196的规定。5.7.4应有可靠的接地保护装置,接地电阻应不大于10 Q。5.7.5电气设备应符合GB/T522%.1的规定,5.7.6机器切断电源后,制动装置的制动时问成小于10s6试验方法
6.1空载试验
6. 1. 1 试验应在总装检验合格后进行。6.1.2连续运转时间成不少于2 h6.1.3试验项目、方法和要求见表3,表3空载试验项目、方法和要求
试验项
工作稳性及声
离台器工作可靠性
轴承温升.减速箱油温及参漏油情况制动装置工作可革性
空载渠声
测定方法
测温仪器、目测
测定切断电源后制动时间
按GE/T376%的规定
标准要求
符合 5. 1. 2 的规定
符含 5. 1. 7 的规定
符合3.1.10的规定
符合 5.7. 6 的规定
符合 5. 1. 4 的规定
6.2负载试验
6.2.1试验应在空载试验合格后进行。6.2.2连续运转时间应不少于2h
6.2.3试验项「1方法和要求见表4。表4负载试验项目、方法和要求
试验项目
工作平稳性及声响
离合器工作可靠性
轴承溢升、感速鞘油温及渗漏油情况制动装置工作可靠性
阻尼,股蚀装卸和卷绕绷等装置工作可辑性安全著示标志
接地电阻
制绳质量
生产率
6.3其他指标测定方法
测方法
测温仪器、日测
测定切断电源后制动时间
接地电阳测试仪器
按 GB/T 15029的规是
按NY/T-4072000的现定
NY/T 341—2012
标准要求
符合 5. 1. 2 的规定
符合 5. 1. 7 的规定
符合5.1.10的规定
符合 5. 7. 6 的规定
符合 5. 1. 8 和 5. 1. 9 的规定符合5.7.1的规定
符合5.7.4的规定
符合GB/T15029和4.4的规定
符合4.4的规定
使用可靠性的测定应接NY/T4072000中4.3规定的方法执行。洛氏硬度的测定应按GB/T230.1规定的方法执行。6. 3.2
6.3.3八寸公差的测定应按GB/T3177规定的力法执行。6.3.4形位公差的测定应按(GB/T1958规定的方法执行。6.3.5漆膜附者力的测定应按JB/T9832.2规定的方法执行。7检验规则
7.1出厂检验
7.1.1出检验应实行全检,产品均需经制造质检部门检验合格,并签发\产品合格证”后才能旧厂。7.1.2出」检验项及要求:
外观和涂漆质量应符合5.4的规定;装配质量应符合5.3的规定;
—安全防护应符合5.7的规定;
-空载试验应符合6.1的规定。
7.1.3用户有要求时,叫逊行负载试验,负载试验应符合6.2的规定。7.2型式检验
7.2.1有下列情况之一时,成进行型式检验:新产品生产或产品转厂生产;
正式生产后,结构、材料、工艺等有较大改变,可能影响产品性能;一正常牛产时,定期或周期性抽查检验;-产品长期停产后恢复生产;
-出厂检验发现与上次型式检验有较大差异;一质量监督机构提出进行型式检验要求,7.2.2型式检验应采用随机抽样抽样方法按GB/T2828.1中正常检查次抽样方案确定,7.2.3样本应在24个月内生产的产品中随机抽取。抽样检查批量应不少于3台,样本大小为2台。应在生产企业成品库或销售部门抽取,零部件在零部件成品库或装配线上已检验合格的零部件中抽取,5
NY/T341—2012
也可在样机上拆取,
7.2.4型式检验项11、不合格分类见表5,表 5型式检验项目、不合格分类不合格
检验项目
1.生产率及制绳质量
2.安全防扩及安全警示标志
3.使用可靠性
1.空载噪声
2.齿轮齿面硬度
13.轴温升、油温和渗漏油
4.齿轮副最小衡隙、接融斑点和轴向错位1.轴承与孔,轴配合精度
2、撑杆质量
3.漆膜附者力
1、外观质量
5.标志和技术义件
样本数
项目数
注:AQL为合格质量水平,Ac为合格判定数,Re 为不合格划定数检查
拜本大
小字码
7.2.5判定规则:评定时,采而逐项检验考核。A,13、C 各类的不合格总数小于等于 Ac 为合格,大于等于Re为不合格,A、B、C各类合格时,该批泛品为合格品,否则为不合格品。8标志、包装、运输和贮存
应符合G3/T150322008中第8章的规定。6
小提示:此标准内容仅展示完整标准里的部分截取内容,若需要完整标准请到上方自行免费下载完整标准文档。
	 
	        
	      中华人民共和国农业行业标准
NY/T341—2012
代替NY/T341—1998
剑麻加工机械
制绳机
Machinery for sisal hemp processing-Rope layer2012-06-06发布
2012-09-01实施
中华人民共和国农业部发布
本标推按照GB/T1.1—2009给出的规则起草,本标准代替NY/T341-1998《剑麻加工机械制绳机》。本标准与NY/T3111998相比,主要变化如下:增加和删除了部分用标准(见第2章,1998版第2章);-增与修改了部分术语和定义(见第3章,1998版第2竞):-对技术要求重新进行了分类、修改和补充(见第5章,1998版第5章);一增加了使用可靠性、接地电阻等指标(见5.1.3和5.7.4);NY/T341—2012
二一增加了安全警示标志和产品使用说明书中应有安全操作注意事项和维护保养方面的安全内容等规定(见5.7.1和5.7.2);
一一增加了生\率、使用可靠性、尺寸公差、形位公差、硬度等指标具休测定方法(见6.3);修改了型式检验项目,主要是增了安全警示标志、使用可靠性、撑杆质量等指标,取消零部件结合表面尺小等检验项目(见7.2.5,1998版7.2.3),增加了对产品运输和贮存的要求(见第8章)。木标准由中华人民共和国农业部农垦局提出,木标准山农业部热带作物及制品标滩化技术委员会妇口。本标准起草单位:中国热带农业科学院农业机械研究所、农业部热带作物机械质量监督检验测试中心、广东省湛江农垦第一机械厂,本标准主要起草人:李明、王金丽、黄贵国、郑勇、卢敏铭。本标准所代替标准的厉次版本发布情况为:-. NY/T 341—1998.
1范围
剑麻加工机械制绳机
NY/T341—2012
本标准规定了剑麻加工机械制绳机的术语和定义、型号规格和主要技术鑫效、技术要求、试验方法、检验规则及标志、包装、运输与贮存要求本标准适用于剑制绳机,也适用于其他纤维制绳机。2规范性引用文件
下列文件对于本文件的应用是必不可少的。凡是注日期的引用文件,仅注日期的版本适用本文件。凡是不注日期的引用文件,其最新版本(包括所有的修改单)适用于本文竹。GB/T230.1金属洛氏硬度试验第1部分:试验方法(A、B、C、D、E、F、G、H、K、N、T标尺)(B/T1184形状和位置公差未注公差值GB/T1800.2产品站几何技术规范(GPS)极限与配合第2部分:标准公差等级和孔、轴极限偏差农
GB/T1958产品几何量技术规范(GPS)形状和位置公差检测规定GB/T2828.1计数抽样检验程序第1部分:按接收质量限AQL)检索的遂批检验抽样计划GB/T3177产品儿何技术规范((GPS)光滑工件尺小的检验GB/T3768市学声压法测定噪声源声功率级反射面上方采用包络测量表面的简易法GB/T5226.1机械电气安全机械电气设备第1部分:通用技术条件GB/T8196机械安全防护装置固定式和活动式防护装置设计与制造一般要求GB/T10089圆柱蜗杆、蜗轮精度
GB10396农林拖拉机和机械、草坪和园艺动力机械安全标志和危险图形总则GB/T'15029剑麻棕绳
GB/T15032—2008制绳机械设备通用技术条件GB/Z18620.2—2008圆柱齿轮检验实施规范第2部分:径向综合偏差、径向跳动、齿厚和侧隙的检验
JB/T9832.2农林拖拉机及机其漆膜附养力性能测法压圳法
NY/T_407一2000剑嘛加工机械产品质量分等NY/T1036—2006热带作物机械术语3术语和定义
下列术语和定义适用于本文件。3.1
加抢tuisting
使麻条、纱条、股条或绳索沿轴向作同一方向回转的操作。TNY/T 1036- -2006,定义 3. 1. 3]3.2
捻度(wist
纱条、股条或绳案沿轴向单位长度的捻回数,[VY/T 10362006,定义 3.1,5-
NY/T 341—2012
正捻S twist
S型 Stwist
纱条、股条或绳索的倾斜方向与字母“S\的中部相-致的抢向,「NY/T 1036—2006,定义3.1.8.3.4免费标准bzxz.net
反捻Ztwist
Z 型 Z. twist
纱条、股条或绳索的倾斜方问与字母“Z\的中部柑--致的捻向。[NY/T 1036—2006,定义 3. 1. 93.5
制绳机ropelayingmachinc
将数根定规格的股条以股条相反的捻问加捻成绳索或将一定规格、相同数望的2捻与S捻股条按照一定规则缩织成绳索的机械。[NY/T 1036-- 2006,定义 3.2. 15]3.6
stationary spindlc ropc layer恒锭制绳机
在加捻过程中,股饼架(摇蓝)不随机器主轴转动的制绳机。_NY/T1036—2006,定义3.2.18
转锭制绳机rotaryspindleropelayingmachine在加过程中,股饼架除绕自身轴心线旋转外,还跟随框架轮绕机器土轴转动的制绳机,[NY/T 1036—2006,定义3.1.19]4型号规格和主要技术参数
4.1型号规格的编制方法
产品型号规格的编制应符合Gt3/T15032--2008中4.1的规定。4.2型号规格表示方法
结构特唑:H
谢绳机
示例:
·股数
恒锭;Z—转链
3SI15表示5号3股恒锭制绳机.3为股数.5为绳径代号,其约径范围为6mm~14mm,4.3绳径代号及范围
绳径代号及范围如表1
表1绳径代号及范围
径范围,mm
11·-22
34-~15
18--64
4.4型号规格和主要技术参数
型号规格和主要技术参数见表2。表2型号规格和主要技术参数
5技术要求
7号3股慎制颈机
7号4股恒链制绳机
6 号 3 股恒链制绳机
6号4股短锭制绳机
5号3股恒链制继机
5号4股恒锭制绳机
1号3 股恒链制缓机
4号4股恒锭制绳机
3号3股恒链制绳机
5号3股转锭制纫机
5号1股转锭制绳机
1号3股转链制绳机
4号4股转锭制绳机
3号3股转链剂绳机
3号1股转锭制绳机
2号3股转锭制绳机
2号4转锭制绳机
1号3股转链制绳机
1号6股转锭制绳机
5.1基本要求
5.1.1应按批准的图样和技术文件制造。绳径范围
14~-22
24~-32
11~-22
24~-32
341-~16
31--46
48~-64
48--64
主转速
NY/T341—2012
电动机功率
5.1.2运转应平稳,不应有异常撞击声,滑动、转动部位应运转灵活、平稳、无阻滞现象。5.1.3使用可靠性应不小于95%。5.1. 4 空载噪声应不人于87 dB(A)。5.1.5应具有制造正反捻向、多种捻度绳索的性能。生产率
21-~87
19-~78
60~230
54~-210
200-46n
10--47
32-~[20
28~100
90~210
180--110
170390
3C0--700
230--610
5.1.6应设有绳索长度显示装置,转速200/min以上的制绳机应具有性能可靠的制动装置。5. 1. 7
离合器分离与结合应灵敏可靠、5.1.8阻尼装置应灵敏可靠,调节方便。5.1.9股饼装卸和卷绕绳装置垃便丁操作,安全可靠,5.1.10运转时,各轴承的温度不应有骤升现象;空载时,轴承温升应不大于30%;负载时,轴承温升应不人于40℃。减速箱不应有渗漏现象。润滑油的最高温度应不大于65℃。5.1.11排绳装置应具有排列整济的性能。5.1.12制绳质量应符合GB/T15029的规定。5.2主要零部件
5.2.1主轴、半轴的轴承轴颈直径公差成符合GB/T1800.2巾kG的规定,轴颈网轴度应符合GB/T1184中7级精度的规定。
5.2.2轴承座内孔尺寸公差应符合GB/T1800.2中M6的规定,轴承内孔中心线与底而的平行度应3
NY/T341—2012
符合GB/T 1184中9级的规定。
5.2.3齿轮齿而硬度:转速低于1000r/min的应为24HRC~28IIRC,转速高J1000T/min的应为40 HRC~~50 HRCu
5.2.4撑杆直线度应符合GB/T11848级的规定,撑杆长度偏差应符合G/T1800.2中js7的规定。
5.3装配
5.3.1外购件、协作件应有合格证.所有零部件应检验合格。5.3.2齿轮接触斑点,沿齿高方向应不小于30%,沿齿宽方向应不小于40%。5.3.3齿轮副最小侧应符合GB/218620.22008中附录A的规定。5.3.4蜗轮副侧隙成符合GB/T10089中8级的规定。5.3.5齿轮副轴向错位应不大于1.5nr1,5.3.6制动法兰径向圆跳动公差应符合GB/T1181.2中级的规定。5.4外观和涂漆
5.4.1表面不应有明品的凸起、陷、粗糙不平和损伤等缺陷。5.4.2涂层采用喷漆方法,色泽应均匀,平整光滑。5.4.3漆膜附着力应符合JB/T9832.2中2级3处的规定,5.5铸件
铸件应按GB/T15032200845.5的规定。5.6焊接件
焊接件应按GB/T15032—2008中5.6的规定。5.7安全防护
5.7.1在醒目部位固定安全警示标志,安全警示标志成符合GB10396的要求。5.7.2产品使用说明书中应有安全操作注意事项和维护保养方面的安全内容。5.7.3外露转动部件成装有安全防装置,且应符个GB/T8196的规定。5.7.4应有可靠的接地保护装置,接地电阻应不大于10 Q。5.7.5电气设备应符合GB/T522%.1的规定,5.7.6机器切断电源后,制动装置的制动时问成小于10s6试验方法
6.1空载试验
6. 1. 1 试验应在总装检验合格后进行。6.1.2连续运转时间成不少于2 h6.1.3试验项目、方法和要求见表3,表3空载试验项目、方法和要求
试验项
工作稳性及声
离台器工作可靠性
轴承温升.减速箱油温及参漏油情况制动装置工作可革性
空载渠声
测定方法
测温仪器、目测
测定切断电源后制动时间
按GE/T376%的规定
标准要求
符合 5. 1. 2 的规定
符含 5. 1. 7 的规定
符合3.1.10的规定
符合 5.7. 6 的规定
符合 5. 1. 4 的规定
6.2负载试验
6.2.1试验应在空载试验合格后进行。6.2.2连续运转时间应不少于2h
6.2.3试验项「1方法和要求见表4。表4负载试验项目、方法和要求
试验项目
工作平稳性及声响
离合器工作可靠性
轴承溢升、感速鞘油温及渗漏油情况制动装置工作可靠性
阻尼,股蚀装卸和卷绕绷等装置工作可辑性安全著示标志
接地电阻
制绳质量
生产率
6.3其他指标测定方法
测方法
测温仪器、日测
测定切断电源后制动时间
接地电阳测试仪器
按 GB/T 15029的规是
按NY/T-4072000的现定
NY/T 341—2012
标准要求
符合 5. 1. 2 的规定
符合 5. 1. 7 的规定
符合5.1.10的规定
符合 5. 7. 6 的规定
符合 5. 1. 8 和 5. 1. 9 的规定符合5.7.1的规定
符合5.7.4的规定
符合GB/T15029和4.4的规定
符合4.4的规定
使用可靠性的测定应接NY/T4072000中4.3规定的方法执行。洛氏硬度的测定应按GB/T230.1规定的方法执行。6. 3.2
6.3.3八寸公差的测定应按GB/T3177规定的力法执行。6.3.4形位公差的测定应按(GB/T1958规定的方法执行。6.3.5漆膜附者力的测定应按JB/T9832.2规定的方法执行。7检验规则
7.1出厂检验
7.1.1出检验应实行全检,产品均需经制造质检部门检验合格,并签发\产品合格证”后才能旧厂。7.1.2出」检验项及要求:
外观和涂漆质量应符合5.4的规定;装配质量应符合5.3的规定;
—安全防护应符合5.7的规定;
-空载试验应符合6.1的规定。
7.1.3用户有要求时,叫逊行负载试验,负载试验应符合6.2的规定。7.2型式检验
7.2.1有下列情况之一时,成进行型式检验:新产品生产或产品转厂生产;
正式生产后,结构、材料、工艺等有较大改变,可能影响产品性能;一正常牛产时,定期或周期性抽查检验;-产品长期停产后恢复生产;
-出厂检验发现与上次型式检验有较大差异;一质量监督机构提出进行型式检验要求,7.2.2型式检验应采用随机抽样抽样方法按GB/T2828.1中正常检查次抽样方案确定,7.2.3样本应在24个月内生产的产品中随机抽取。抽样检查批量应不少于3台,样本大小为2台。应在生产企业成品库或销售部门抽取,零部件在零部件成品库或装配线上已检验合格的零部件中抽取,5
NY/T341—2012
也可在样机上拆取,
7.2.4型式检验项11、不合格分类见表5,表 5型式检验项目、不合格分类不合格
检验项目
1.生产率及制绳质量
2.安全防扩及安全警示标志
3.使用可靠性
1.空载噪声
2.齿轮齿面硬度
13.轴温升、油温和渗漏油
4.齿轮副最小衡隙、接融斑点和轴向错位1.轴承与孔,轴配合精度
2、撑杆质量
3.漆膜附者力
1、外观质量
5.标志和技术义件
样本数
项目数
注:AQL为合格质量水平,Ac为合格判定数,Re 为不合格划定数检查
拜本大
小字码
7.2.5判定规则:评定时,采而逐项检验考核。A,13、C 各类的不合格总数小于等于 Ac 为合格,大于等于Re为不合格,A、B、C各类合格时,该批泛品为合格品,否则为不合格品。8标志、包装、运输和贮存
应符合G3/T150322008中第8章的规定。6
小提示:此标准内容仅展示完整标准里的部分截取内容,若需要完整标准请到上方自行免费下载完整标准文档。
 标准图片预览
标准图片预览 标准图片预览:





- 其它标准
- 热门标准
- 行业标准
- LS/T8011-2017 散粮接收发放设施设计技术规程
- LS/T3705-2010 水浸悬浮法水分快速测定仪技术条件与试验方法
- LS/T3221-1994 可可豆
- LS/T3303-2014 方便玉米粉
- LS/T3308-2017 盐肤木果饼(粕)
- LS/T3309-2017 玉米胚芽粕
- NY2267-2012 缓释肥料 登记要求
- LS∕T1817-2018 粮仓远程视频监控系统技术规范
- LS/T6116-2017 大米粒型分类判定
- LS/T1101-1988 粮油仓储设备名词术语
- LS/T1704.2-2004 粮食信息分类与编码 粮食检验 第2部分:质量标准分类与代码
- NY2268-2012 农业用改性硝酸铵
- LS/T1811-2017 粮油储藏 粮情测控软件技术要求
- LS∕T1714-2018 粮油仓储设施标识编码规则
- LS/T3501.1-1993 粮油加工机械通用技术条件 基本技术要求
- 行业新闻
请牢记:“bzxz.net”即是“标准下载”四个汉字汉语拼音首字母与国际顶级域名“.net”的组合。 ©2025 标准下载网 www.bzxz.net 本站邮件:bzxznet@163.com
网站备案号:湘ICP备2025141790号-2
网站备案号:湘ICP备2025141790号-2
