- 您的位置:
- 标准下载网 >>
- 标准分类 >>
- 通信行业标准(YD) >>
- YD/T 2320-2011 通信用铜包铝电源线
标准号:
YD/T 2320-2011
标准名称:
通信用铜包铝电源线
标准类别:
通信行业标准(YD)
标准状态:
现行出版语种:
简体中文下载格式:
.rar .pdf下载大小:
部分标准内容:
ICs33.120.20
中华人民共和国通信行业标准
YD/T 2320-2011
通信用铜包铝电源线
Copper clad aluminum power wires for communications2011-06-01发布
2011-06-01实施
中华人民共和国工业和信息化部发布前言·
1范围·
规范性引用文件
分类与命名-
要求·
试验方法
检验规则
包装、运输和贮存
附录A规范性附录)电缆组成材料禁用物质含画要求次
TKNYKAcA
YD/T2320-2011
YD/T2320-2011
本标准参考了SJ/T11223-2000《铜包铝线》、ASTMB566:1993《铜包铝线》,GB/T5023--200名额定电压450/50V及以下率乙烯绝缘电缆、YD/T1173-2001通猎电源用阻燃耐火软电缆”等。本标准按照GB/T1.1一2009给出的规则进行超草。本标准由中国通信标准化协会提出并归口。本标准起草单位:华为技术有限公司、中利科技集团股份有限公司、北京通和实益电信科学技术研究所有限公司、江苏亨通光电股份有限公司、广东省广州番禹电缆厂有限公司。本标准主要起草人:邓庆龙、钱俊、宋志佗、吴重阳、涂修宇、杨祖民、钱丽葬、卢广业。TTKANYKAcA
1范围
通信用铜包铝电源线
YD/T 2320-2011
本标准规定了交流额定电压600/1000V及以下通信用铜包铝电源线(以下简称电缆)的分类与命名、要求、试验方法、检验规则、标志、包装、运输和贮存。本标准适用于通信局(站)、建筑物等电源输、配电系统中的通信用包铝电源线。2规范性引用文件
下列文件中的条献通过本标准的引用而成为本标准的案款。凡是注日期的弓用文件,其随后所有的修故单(不包括勘误的内容)或修订版均不适用于本标准。然而,鼓励根据本标准达成协议的各方研究是否可使用这些文件的最新版本。凡是不注甘期的引用文件,其最新版本适用于本标准。GB/T2406塑料燃烧性能试验方法氧指数法GB/T2951.11电缆和光缆绝缘和护套材料通用试验方法第11部分:通用试验方法一厚度和外形尺寸测量一机械性能试验(IEC 60811-1-1:2001,IDT)GB/T29S1.12电缆和光缆绝缘和护套材料通用试验方法第12部分:通用试验方法一热老化试验方法(EC60811-1-2:1985,IDT)
GB/T2951.14电缆和光缆绝缘和护套材料通用试验方法第14部分:通用试验方法一低温试验(IEC60811-1-4:1985,IDT)
GB/T2951.31电缆和光缆绝缘和护材料通用试验方法第31部分1聚氯乙烯混合料专用试验方法一高温压力试验一抗开裂试验(IEC60811-3-1:1985,IDT)GB/2951.32电缆和光缆绝缘和护套材料通用试验方法第32部分:聚氢乙烯混合料专用试验方法一失重试验一热稳定性试验(EC6081J-3-2:1985IDT)GBT3048.4电线电缆电性能试验方法第4部分:导体直流电阻试验GB/T3048.5电线电缆电性能试验方法第5部分:绝缘电阻试验GBT3048.8电线电缆电性能试验方法第8部分:交流电压试验(IEC·60060-1:1989,NEQ)GB/T3048.9电线电缆电性能试验方法第9部分:绝缘线芯火花试验GB/T4909.2裸电线试验方法尺寸测量GBT6995.1电线电缆识别标志方法第1部分:一般规定GB/T6995.3电线电缆识别标志方法第3部分:电线电缆识别标志GB/T 17650.1-1998取自电缆或光缆的材料燃烧时释出气体的试验方法第1部分卤酸气体总量的测定(idtIEC60754-1:1991)
GB/T17650.2-1998取自电缆或光缆的材料燃烧时释放气体的试验方法第2部分:用测量PH值和电导率来测定气体的酸度(idtIEC60754-2:1991)GB/T17651.2-1998电缆或光缆在特定条件下燃烧的烟密魔测定第2部分:试验步骤和要求(idtIEC61034-2:1997)
TTIKANYKACA
YD/T2320-2011
GB/T18380.33电缆和光缆火焰条件下的燃烧试验第33部分:垂直安装的成束电线电缆火焰垂直蔓延试验 A类
YD/T1113光缆护套用低烟无卤阻燃材料特性JB/T8137电线电缆交货盘
SJ/T11223-2000铜包铝线
SJ/T11363-2006电子信息产品中有毒有害物质的限量要求SJ/T11365~2006电子信息产品中有毒有害物质的检测方法3分类与命名
3.1电缆型号
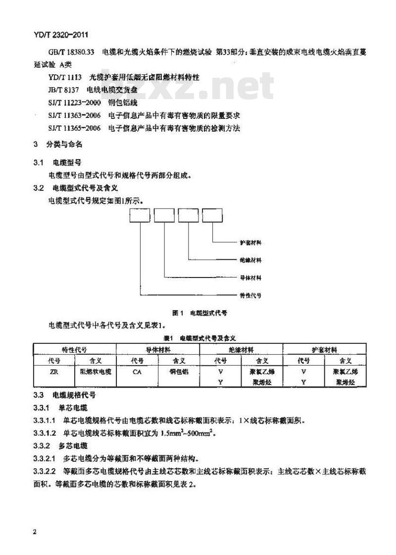
电缆型号由型式代号和规格代号两部分组成。3.2电缆型式代号及含义
电缆型式代号规定姻图1所示,
护套村料
胞续材料
学体材料
特性代号
图1电缆型式代号
电缆型式代号中各代号及含义见表1。囊1
特性代号
阻燃软电缆
3.3电缆规格代号
3.3.1单芯电缆
导体村料
电缆型式代号及含义
绝缘材料
焖包锅
聚斯乙烯
聚烯烃
单芯电缆规格代号由电缆芯数和线芯标称截面积表示:1×线芯标称裁面积。3.3.1.1
3.3.1.2单芯电缆线芯标称截面积宜为1,5mm2~500mmm23.3.2多芯电缆
3.3.2.1多芯电缆分为等截面和不等裁面两种结构,护套材料
聚氟乙烯
聚烯烃
3.3.2.2等裁面多芯电缆规格代号由主线芯芯数和主线芯标称截面积表示:主线芯芯数×主线芯标称截面积。等截面多芯电缆的芯和标称裁面积见表2。2
TTTKANTKACA
2、3、4wwW.bzxz.Net
注:线芯截面积规格划分同裹4
事2等凝面多芯电填芯数和标称被面积标称截面积
10mm2~400mm2
3.3.2.3不等截面多芯电缆的主线芯芯数和辅助线芯芯数的对应关系见表3.表3不等截面多芯电继的芯数对应关系主战芯芯数
辅助线芯芯数
小、2
YD/T2320-2011
3.3.2.4不等截面多芯电缆的主线芯标称截面积和辅助线芯标称截面积的对应关系见表4.表4不等截面多芯电膜的标称截面积对应关系主线芯截面积
3.4电缆适用场合
电缆适用于管道、室内、电缆沟或、设备内安装。3.5产品标记
电缆标记由电缆型号、额定电压和本标准号组成。示例:
辅助线芯截面积
(mm)
铜包铝导体聚烯烃绝练聚烃护套阻燃软电源线,额定电压600/1000V,3+1芯,主线芯标称截面积240mm,辅助线芯标称裁面积120mm2,其产品标记为:ZRCAYY3×240+1×120600/1000VYD/T2320-2011。4要求
4.t导体
4.1.1导体应采用符合SJ/T11223一2000规定的铜层体积比为15%的铜包铝线4.1.2导体应进行绞合,不允许整股接头,股线中的单线允许接头,但相邻两个接头的间距应不小于300mm
4.1.3导体中单线的最大直径应符合表5规定。3
TTTKNTKACA
YD/T2320-2011
导体20C时的直流电阻应不大于表5中规定的最大值。4.1.4
表5电境导体构
标称面积
隔离层
导体单线最大直径
电导体表面允许有非吸湿性材料的隔离。绝练
4.3.1绝缴材料应采用骤氟艺烯或桑烯烃材料20记时导体最大直流电阻
4.3.2绝缘的标称厚度应符合表6规定,绝缘层的平均厚度应不小于标称厚度,最薄处厚度应不小于标称厚度的85%。
4.3.3绝缴应连续紧密地挤包在导体上,并与导体具有良好的可剩离性能。绝缘的横断面上应无自力可
见的气孔或砂眼等缺陷。
4.3.4绝缘应经受GB/T3048.9规定的工频火花试验,所用试验电压符合表7规定。表B 绝埠标称厚度及结蜂电阻
标称满面积
无护套电缆
标称厚度(mm)
TTTKANTKACA
有护套电缆
70C量小绝缘电阻
标称截面积
绝缘标称厚度《mm)
0.3≤1.0
1.0≤1.5
.1.5<≤2.0
2.08≤2,5
无护套电缆
表6(续)
标称厚度(mm)
有护套电缆
绝糖工频火花试骏电压
试验电压《kvV)
优选额色标志应符合表8规定。
绝缘线越应采用颜色识别探志,衰8绝蜂线芯优选颜色标志
主线芯
红、浅蓝
红、黄、舔
红、黄、豫
红、黄、绿、浅蓝
红、黄、绿、浅蓝
红、黄、绿
绝缘线芯颜色标志
YD/T2320-2011
70℃最小绝缘电阻
(Mr-km)
辅助线芯
浅、熙
从成品电缆上取下的绝续的机械物理性能应符合表9规定,素9绝炼机械物理性能
抗拉强度和断裂伸长率
老化前性能
抗张强度
断裂伸长率
TTTKAONKACA
聚氨艺烯
性能要求
聚烯烃
YD/T 2320-2011
著化后性能
老化温度
老化时间
抗张强度
抗张强度变化率
断伸长率
断裂神长率变化事
热失重试验
处理温度
处理时间
试验结果
高溢压力试验
处理温度
压爽深度
抗开裂试验
处理温度
持续时间
试验结果
低温卷烧试验
处理温度
持续时间
试验结果
低温冲击试验
处理溢度
试验结果
低温拉伸试验
处理温度
试验结果
热稳定性试验
处理溢度
热稳定时间
氧指数
4.4成缆
糖9(续)
4.4.1两芯及以上电缆的绝缘线芯应进行绞合成缆。想乙烯
100±2
热±30
≤±30
性能要求
100±2
150±2
不开裂
不开裂
-20±2
不开裂
-20±2
聚烯烃
100±2
4.4.2统芯表面应有挤包或绕包的加固层,当采用绕包时,应采用阻燃带重叠绕包。缆芯间隙应用阻燃材料填充完整。
4.5护查
4.5.1护套材料应采用骤氧乙烯或桑烯烃材料。4.5.2护套标称厚度应符合表10规定,任一最薄处的厚度应不小于标称厚度的85%。6
TTTKANTKACA
标弥截面积
表10 护套库度
有护套电缆(mm)
护套颜色为黑色。根据用户需要也可采用其他颜色护套的机械物理性能应符合表11规定。4.5.4
表11护套机提物理性能
抗拉强度和断裂神长率
老化前性能
抗张强度
断翠伸长率
老化后性能
老化温度
老化时间
抗张强度
抗张强度变化率
断樱偏长率
断致伸长率变化率
热失重试验
处理温度
处理时间
试验绪果
高温压力试验
处理温度
压痕深度
抗开裂试验
处理温度
持续时间
试验结果
3+1芯
亲氧乙烯
TTTKAONYKACA
100±2
YD/T 2320-2011
4+1芯
性能要求
100±2
热50%
150±2
不开裂
3+2芯
藻烯烃
100±2
YD/T2320-2011
低温卷绕试验
处理温度
持续时间
试验结果
低溢冲击试验
处理温度
试验结果
低温拉悼试验
处理温度
试验结果
热稳定性试验
处理温度
热稳定时间
高温誉娩试验(一)
处理温度
持续时间
试验结果
高温誉统试验(二)
妊理温度
持续时间
试验结果
氧指数
囊11 (缺)
注:高温番统试验(一)和高温卷统试验(二)两者均需要傲4,6长度误差
聚氯乙烯
电缆长度计量标志误差应在±0.5%范围内,并按式(1)验证:8==L0×100%
式中?
表示电缆长度标志误差。
工表示电缆标志长度,单位为牵米。一L表示电缆测其长度,单位为毫米。4.7成品电地
4.7.1工作特性
4.7.1.1单芯电缆额定工作电压为:无护套电缆为450/750V:
有护套电缴为600/1000V。
4.7.1.2多芯电缆额定工作电压为600/1000V。4.7.1.3电级导体最高长期工作温度为70℃。8
性能要求
—20±2
不开裂
不开製
130±2
不开裂
不开裂
聚烯烃
4.7.1.4电缆数设时环境温度应不低于一10℃4.7.1.5电缆最小弯曲半径应不大于电缆外径的6倍。4.7.2
电气性能
成品电缆应能经受表12规定的电压而不击穿12耐电压
电揽芯数
试验方法
漫水 1h
试样长度
制造长度
制造长度
电压(V)
额定电压
450/50
600/1000
试验电压
YD/T 2320-201:
持续时间
成品电缆按表13要求进行试验后,其绝缘电阻测试值经换算后应符合表6规定。表13 绝峰电阻
试样长度
漫水时间
4.7.2.3成品电缆的导体直流电阻应符合本标准中4.1.4条规定。4.7.3燃烧性能
4.7.3.1阻燃性能
成品电缆应经受GB/T18380.33中A类成束燃烧试验4.7,3.,2 PH 值和电导率
豪烯烃绝续和/或护套的成品电缆经试验后的PH值应不小于4.3,电导率应不大于10js/mm。4.7.3.3烟密度
聚烯烃绝缘和/或护套的成品电颂经烟密度试验的透光率应不小于60%。4.7.3.4酸性气体总量
案烯烃绝缘和/或护套的成品电缆经试验后的酸性气体总量应不大于5mgg4.7.4环保性能
环保性能应符合附录A要求
5试验方法
5.1一般说明
除非另有规定,所有试验应在下述条件下进行)温度:(15~35)C:
b)相对湿度:(45~75%
5.2结构尺寸
5.2.1导件结构
按GB/T4909.2的规定进行测
5.2.2绝续厚魔
按GB/T2951.11的规定进行量。
5.2.3护套厚座
按GB/T2951.11的规定进行测量。
小提示:此标准内容仅展示完整标准里的部分截取内容,若需要完整标准请到上方自行免费下载完整标准文档。
中华人民共和国通信行业标准
YD/T 2320-2011
通信用铜包铝电源线
Copper clad aluminum power wires for communications2011-06-01发布
2011-06-01实施
中华人民共和国工业和信息化部发布前言·
1范围·
规范性引用文件
分类与命名-
要求·
试验方法
检验规则
包装、运输和贮存
附录A规范性附录)电缆组成材料禁用物质含画要求次
TKNYKAcA
YD/T2320-2011
YD/T2320-2011
本标准参考了SJ/T11223-2000《铜包铝线》、ASTMB566:1993《铜包铝线》,GB/T5023--200名额定电压450/50V及以下率乙烯绝缘电缆、YD/T1173-2001通猎电源用阻燃耐火软电缆”等。本标准按照GB/T1.1一2009给出的规则进行超草。本标准由中国通信标准化协会提出并归口。本标准起草单位:华为技术有限公司、中利科技集团股份有限公司、北京通和实益电信科学技术研究所有限公司、江苏亨通光电股份有限公司、广东省广州番禹电缆厂有限公司。本标准主要起草人:邓庆龙、钱俊、宋志佗、吴重阳、涂修宇、杨祖民、钱丽葬、卢广业。TTKANYKAcA
1范围
通信用铜包铝电源线
YD/T 2320-2011
本标准规定了交流额定电压600/1000V及以下通信用铜包铝电源线(以下简称电缆)的分类与命名、要求、试验方法、检验规则、标志、包装、运输和贮存。本标准适用于通信局(站)、建筑物等电源输、配电系统中的通信用包铝电源线。2规范性引用文件
下列文件中的条献通过本标准的引用而成为本标准的案款。凡是注日期的弓用文件,其随后所有的修故单(不包括勘误的内容)或修订版均不适用于本标准。然而,鼓励根据本标准达成协议的各方研究是否可使用这些文件的最新版本。凡是不注甘期的引用文件,其最新版本适用于本标准。GB/T2406塑料燃烧性能试验方法氧指数法GB/T2951.11电缆和光缆绝缘和护套材料通用试验方法第11部分:通用试验方法一厚度和外形尺寸测量一机械性能试验(IEC 60811-1-1:2001,IDT)GB/T29S1.12电缆和光缆绝缘和护套材料通用试验方法第12部分:通用试验方法一热老化试验方法(EC60811-1-2:1985,IDT)
GB/T2951.14电缆和光缆绝缘和护套材料通用试验方法第14部分:通用试验方法一低温试验(IEC60811-1-4:1985,IDT)
GB/T2951.31电缆和光缆绝缘和护材料通用试验方法第31部分1聚氯乙烯混合料专用试验方法一高温压力试验一抗开裂试验(IEC60811-3-1:1985,IDT)GB/2951.32电缆和光缆绝缘和护套材料通用试验方法第32部分:聚氢乙烯混合料专用试验方法一失重试验一热稳定性试验(EC6081J-3-2:1985IDT)GBT3048.4电线电缆电性能试验方法第4部分:导体直流电阻试验GB/T3048.5电线电缆电性能试验方法第5部分:绝缘电阻试验GBT3048.8电线电缆电性能试验方法第8部分:交流电压试验(IEC·60060-1:1989,NEQ)GB/T3048.9电线电缆电性能试验方法第9部分:绝缘线芯火花试验GB/T4909.2裸电线试验方法尺寸测量GBT6995.1电线电缆识别标志方法第1部分:一般规定GB/T6995.3电线电缆识别标志方法第3部分:电线电缆识别标志GB/T 17650.1-1998取自电缆或光缆的材料燃烧时释出气体的试验方法第1部分卤酸气体总量的测定(idtIEC60754-1:1991)
GB/T17650.2-1998取自电缆或光缆的材料燃烧时释放气体的试验方法第2部分:用测量PH值和电导率来测定气体的酸度(idtIEC60754-2:1991)GB/T17651.2-1998电缆或光缆在特定条件下燃烧的烟密魔测定第2部分:试验步骤和要求(idtIEC61034-2:1997)
TTIKANYKACA
YD/T2320-2011
GB/T18380.33电缆和光缆火焰条件下的燃烧试验第33部分:垂直安装的成束电线电缆火焰垂直蔓延试验 A类
YD/T1113光缆护套用低烟无卤阻燃材料特性JB/T8137电线电缆交货盘
SJ/T11223-2000铜包铝线
SJ/T11363-2006电子信息产品中有毒有害物质的限量要求SJ/T11365~2006电子信息产品中有毒有害物质的检测方法3分类与命名
3.1电缆型号
电缆型号由型式代号和规格代号两部分组成。3.2电缆型式代号及含义
电缆型式代号规定姻图1所示,
护套村料
胞续材料
学体材料
特性代号
图1电缆型式代号
电缆型式代号中各代号及含义见表1。囊1
特性代号
阻燃软电缆
3.3电缆规格代号
3.3.1单芯电缆
导体村料
电缆型式代号及含义
绝缘材料
焖包锅
聚斯乙烯
聚烯烃
单芯电缆规格代号由电缆芯数和线芯标称截面积表示:1×线芯标称裁面积。3.3.1.1
3.3.1.2单芯电缆线芯标称截面积宜为1,5mm2~500mmm23.3.2多芯电缆
3.3.2.1多芯电缆分为等截面和不等裁面两种结构,护套材料
聚氟乙烯
聚烯烃
3.3.2.2等裁面多芯电缆规格代号由主线芯芯数和主线芯标称截面积表示:主线芯芯数×主线芯标称截面积。等截面多芯电缆的芯和标称裁面积见表2。2
TTTKANTKACA
2、3、4wwW.bzxz.Net
注:线芯截面积规格划分同裹4
事2等凝面多芯电填芯数和标称被面积标称截面积
10mm2~400mm2
3.3.2.3不等截面多芯电缆的主线芯芯数和辅助线芯芯数的对应关系见表3.表3不等截面多芯电继的芯数对应关系主战芯芯数
辅助线芯芯数
小、2
YD/T2320-2011
3.3.2.4不等截面多芯电缆的主线芯标称截面积和辅助线芯标称截面积的对应关系见表4.表4不等截面多芯电膜的标称截面积对应关系主线芯截面积
3.4电缆适用场合
电缆适用于管道、室内、电缆沟或、设备内安装。3.5产品标记
电缆标记由电缆型号、额定电压和本标准号组成。示例:
辅助线芯截面积
(mm)
铜包铝导体聚烯烃绝练聚烃护套阻燃软电源线,额定电压600/1000V,3+1芯,主线芯标称截面积240mm,辅助线芯标称裁面积120mm2,其产品标记为:ZRCAYY3×240+1×120600/1000VYD/T2320-2011。4要求
4.t导体
4.1.1导体应采用符合SJ/T11223一2000规定的铜层体积比为15%的铜包铝线4.1.2导体应进行绞合,不允许整股接头,股线中的单线允许接头,但相邻两个接头的间距应不小于300mm
4.1.3导体中单线的最大直径应符合表5规定。3
TTTKNTKACA
YD/T2320-2011
导体20C时的直流电阻应不大于表5中规定的最大值。4.1.4
表5电境导体构
标称面积
隔离层
导体单线最大直径
电导体表面允许有非吸湿性材料的隔离。绝练
4.3.1绝缴材料应采用骤氟艺烯或桑烯烃材料20记时导体最大直流电阻
4.3.2绝缘的标称厚度应符合表6规定,绝缘层的平均厚度应不小于标称厚度,最薄处厚度应不小于标称厚度的85%。
4.3.3绝缴应连续紧密地挤包在导体上,并与导体具有良好的可剩离性能。绝缘的横断面上应无自力可
见的气孔或砂眼等缺陷。
4.3.4绝缘应经受GB/T3048.9规定的工频火花试验,所用试验电压符合表7规定。表B 绝埠标称厚度及结蜂电阻
标称满面积
无护套电缆
标称厚度(mm)
TTTKANTKACA
有护套电缆
70C量小绝缘电阻
标称截面积
绝缘标称厚度《mm)
0.3≤1.0
1.0≤1.5
.1.5<≤2.0
2.08≤2,5
无护套电缆
表6(续)
标称厚度(mm)
有护套电缆
绝糖工频火花试骏电压
试验电压《kvV)
优选额色标志应符合表8规定。
绝缘线越应采用颜色识别探志,衰8绝蜂线芯优选颜色标志
主线芯
红、浅蓝
红、黄、舔
红、黄、豫
红、黄、绿、浅蓝
红、黄、绿、浅蓝
红、黄、绿
绝缘线芯颜色标志
YD/T2320-2011
70℃最小绝缘电阻
(Mr-km)
辅助线芯
浅、熙
从成品电缆上取下的绝续的机械物理性能应符合表9规定,素9绝炼机械物理性能
抗拉强度和断裂伸长率
老化前性能
抗张强度
断裂伸长率
TTTKAONKACA
聚氨艺烯
性能要求
聚烯烃
YD/T 2320-2011
著化后性能
老化温度
老化时间
抗张强度
抗张强度变化率
断伸长率
断裂神长率变化事
热失重试验
处理温度
处理时间
试验结果
高溢压力试验
处理温度
压爽深度
抗开裂试验
处理温度
持续时间
试验结果
低温卷烧试验
处理温度
持续时间
试验结果
低温冲击试验
处理溢度
试验结果
低温拉伸试验
处理温度
试验结果
热稳定性试验
处理溢度
热稳定时间
氧指数
4.4成缆
糖9(续)
4.4.1两芯及以上电缆的绝缘线芯应进行绞合成缆。想乙烯
100±2
热±30
≤±30
性能要求
100±2
150±2
不开裂
不开裂
-20±2
不开裂
-20±2
聚烯烃
100±2
4.4.2统芯表面应有挤包或绕包的加固层,当采用绕包时,应采用阻燃带重叠绕包。缆芯间隙应用阻燃材料填充完整。
4.5护查
4.5.1护套材料应采用骤氧乙烯或桑烯烃材料。4.5.2护套标称厚度应符合表10规定,任一最薄处的厚度应不小于标称厚度的85%。6
TTTKANTKACA
标弥截面积
表10 护套库度
有护套电缆(mm)
护套颜色为黑色。根据用户需要也可采用其他颜色护套的机械物理性能应符合表11规定。4.5.4
表11护套机提物理性能
抗拉强度和断裂神长率
老化前性能
抗张强度
断翠伸长率
老化后性能
老化温度
老化时间
抗张强度
抗张强度变化率
断樱偏长率
断致伸长率变化率
热失重试验
处理温度
处理时间
试验绪果
高温压力试验
处理温度
压痕深度
抗开裂试验
处理温度
持续时间
试验结果
3+1芯
亲氧乙烯
TTTKAONYKACA
100±2
YD/T 2320-2011
4+1芯
性能要求
100±2
热50%
150±2
不开裂
3+2芯
藻烯烃
100±2
YD/T2320-2011
低温卷绕试验
处理温度
持续时间
试验结果
低溢冲击试验
处理温度
试验结果
低温拉悼试验
处理温度
试验结果
热稳定性试验
处理温度
热稳定时间
高温誉娩试验(一)
处理温度
持续时间
试验结果
高温誉统试验(二)
妊理温度
持续时间
试验结果
氧指数
囊11 (缺)
注:高温番统试验(一)和高温卷统试验(二)两者均需要傲4,6长度误差
聚氯乙烯
电缆长度计量标志误差应在±0.5%范围内,并按式(1)验证:8==L0×100%
式中?
表示电缆长度标志误差。
工表示电缆标志长度,单位为牵米。一L表示电缆测其长度,单位为毫米。4.7成品电地
4.7.1工作特性
4.7.1.1单芯电缆额定工作电压为:无护套电缆为450/750V:
有护套电缴为600/1000V。
4.7.1.2多芯电缆额定工作电压为600/1000V。4.7.1.3电级导体最高长期工作温度为70℃。8
性能要求
—20±2
不开裂
不开製
130±2
不开裂
不开裂
聚烯烃
4.7.1.4电缆数设时环境温度应不低于一10℃4.7.1.5电缆最小弯曲半径应不大于电缆外径的6倍。4.7.2
电气性能
成品电缆应能经受表12规定的电压而不击穿12耐电压
电揽芯数
试验方法
漫水 1h
试样长度
制造长度
制造长度
电压(V)
额定电压
450/50
600/1000
试验电压
YD/T 2320-201:
持续时间
成品电缆按表13要求进行试验后,其绝缘电阻测试值经换算后应符合表6规定。表13 绝峰电阻
试样长度
漫水时间
4.7.2.3成品电缆的导体直流电阻应符合本标准中4.1.4条规定。4.7.3燃烧性能
4.7.3.1阻燃性能
成品电缆应经受GB/T18380.33中A类成束燃烧试验4.7,3.,2 PH 值和电导率
豪烯烃绝续和/或护套的成品电缆经试验后的PH值应不小于4.3,电导率应不大于10js/mm。4.7.3.3烟密度
聚烯烃绝缘和/或护套的成品电颂经烟密度试验的透光率应不小于60%。4.7.3.4酸性气体总量
案烯烃绝缘和/或护套的成品电缆经试验后的酸性气体总量应不大于5mgg4.7.4环保性能
环保性能应符合附录A要求
5试验方法
5.1一般说明
除非另有规定,所有试验应在下述条件下进行)温度:(15~35)C:
b)相对湿度:(45~75%
5.2结构尺寸
5.2.1导件结构
按GB/T4909.2的规定进行测
5.2.2绝续厚魔
按GB/T2951.11的规定进行量。
5.2.3护套厚座
按GB/T2951.11的规定进行测量。
小提示:此标准内容仅展示完整标准里的部分截取内容,若需要完整标准请到上方自行免费下载完整标准文档。
标准图片预览:





- 热门标准
- 行业标准
- YDC029-2003 电信设备和系统的高低频电磁兼容性改善技术要求
- YD/T1344-2005 IPv6 地址结构协议 —— IPv6 无状态地址自动配置
- YD/T1319-2004 通信电缆 —— 无线通信用 50Ω 泡沫聚乙烯绝缘编织外导体射频同轴电缆
- YD/T1374.7-2007 2GHz TD-SCDMA/WCDMA 数字蜂窝移动通信网 lu 接口技术要求(第二阶段) 第7部分:服务区广播协议(SABP)
- YD/T1875-2009 800MHz/2GHz cdma2000 数字蜂窝移动通信网设备测试方法传统终端域(LMSD)移动交换子系统
- YD/T5174-2008 2GHz TD-SCDMA 数字蜂窝移动通信网工程验收暂行规定
- YD/T901-2001 核心网用光缆层绞式通信用室外光缆
- YD/T1049-2000 800MHz CDMA 数字蜂窝移动通信网设备总测试规范:交换子系统部分
- YD/T1061-2000 同步数字体系(SDH)上传送 IP 的 LAPS 技术要求
- YD/T1456.2-2006 900/1800MHz TDMA 数字蜂窝移动通信网业务交换点(SSP)设备测试方法(CAMEL3) 第2部分分组域(PS)
- YD/T1688.3-2011 xPON 光收发合一模块技术条件 第3部分:用于 GPON 光线路终端/光网络单元(OLT/ONU)的光收发合一模块
- YD/T2510-2013 2GHz TD-SCDMA数字蜂窝移动通信网 增强型高速分组接入(HSPA+) 无线接入子系统设备测试方法
- YD/T1970.6-2009 通信局(站)电源系统维护技术要求 第6部分:发电机组系统
- YD/T1551-2007 2GHz WCDMA 数字蜂窝移动通信网 lub 接口测试方法(第一阶段)
- YD/T5032-2005 会议电视系统工程设计规范
- 行业新闻
请牢记:“bzxz.net”即是“标准下载”四个汉字汉语拼音首字母与国际顶级域名“.net”的组合。 ©2025 标准下载网 www.bzxz.net 本站邮件:bzxznet@163.com
网站备案号:湘ICP备2025141790号-2
网站备案号:湘ICP备2025141790号-2