- 您的位置:
- 标准下载网 >>
- 标准分类 >>
- 煤炭行业标准(MT) >>
- MT 285-1992 缝管锚杆
标准号:
MT 285-1992
标准名称:
缝管锚杆
标准类别:
煤炭行业标准(MT)
标准状态:
现行-
发布日期:
1992-02-24 -
实施日期:
1992-06-01 出版语种:
简体中文下载格式:
.rar.pdf下载大小:
151.12 KB
起草人:
郑重远、张伯琪、丁全录、徐征农起草单位:
煤炭科学研究总院北京建井研究所、苏州煤矿支护专用设备厂归口单位:
煤炭科学研究总院北京建井研究所提出单位:
煤炭科学研究总院发布部门:
中华人民共和国能源部相关标签:
锚杆
点击下载
标准简介:
标准下载解压密码:www.bzxz.net
本标准规定了缝管锚杆的产品分类、技术要求、试验方法、检验规则、标志、包装及贮存。本标准适用于煤矿及其他工程支护用的缝管锚杆。 MT 285-1992 缝管锚杆 MT285-1992
部分标准内容:
中华人民共和国煤炭行业标准
缝管锚杆
主题内容与适用范围
MT 285—92wwW.bzxz.Net
本标准规定了缝管锚杆的产品分类、技术要求、试验方法、检验规则、标志、包装及贮存。本标准适用于煤矿及其他工程支护用的缝管锚杆。2引用标准
金属拉伸试验方法
碳素结构钢
GB1591
低合金结构钢
GB2651
焊接接头拉伸试验方法
GB2828逐批检查计数抽样程序及抽样表(适用于连续批的检查)GBJ86锚杆喷射混凝土支护技术规范3术语
3.1缝管锚杆:经特殊加工成纵向开缝的钢管及其附件。3.2杆体极限抗拉力:沿缝管锚杆体轴向拉断时的载荷。3.3挡环焊缝拉脱力:挡环与管壁焊接处拉脱时的载荷。3.4初锚力:缝管锚杆安装后,杆体立即从岩孔中被拉动时的载荷。3.5托盘承载力:托盘受压变形达到规定值前的最大载荷。4产品分类
4.1产品规格尺寸应符合图1、表1的规定:1
1一杆体,2—托盘;3一挡环
中华人民共和国能源部1992-02-24批准170
1992-06-01实施
外径d
长度L
缝宽6
头梢长度1
头端直径d2
尺寸aXa
高度h
孔径d
推荐钻孔直径
挡环距尾端距离1
注:①所推荐的钻孔直径仅供参考。10
MT 285-92
1400;
2.2~2.5(16 Mn 钢);
2.5~3.0(Q235A级冷轧钢)
120×120
②根据用户的特殊需要,制造厂可生产其他规格的杆体。4.2型号及其表示方法应符合以下规定:M
外径,mm/长度,mm
缝管式
示例:MF45/1600表示缝管锚杆,其外径为45mm,长度为1600mm5技术要求
150×150
5.1缝管锚杆应符合本标准的规定,并按经规定程序批准的图样与技术文件制造。5.2杆体材料优先选用符合GB1591规定的16Mn钢或机械性能相当于16Mn的其他低合金结构钢;在符合表3规定的条件下,也可选用符合GB700规定的Q235A级冷轧钢板。5.3杆体应采用冷卷成型法加工。5.4将直径为6.5mm的圆钢弯成挡环。焊接时,挡环平面与杆体相垂直,并应焊满焊平。5.5外观质量:
5.5.1缝管锚杆表面应平整,无严重拉伤、锈蚀。5.5.2焊缝应无裂纹、无气孔夹渣,不允许烧穿管壁。5.5.3挡环接口与管缝开口相互错位以170°~190°为宜。5.5.4托盘在杆体上应能自由移动。5.6尺寸公差见表2:
MT285—92
当d35时
当di>35时
杆体直线度
5.7挡环焊缝拉脱力、杆体极限抗拉力、初锚力、托盘承载力应符合表3之规定。表3
杆体外径,mm
dj=35~46
挡环焊缝拉脱力,kN
杆体极限抗拉力,kN
初锚力,kN/m
托盘承载力,kN
5.8钻孔直径与杆体外径差,应根据岩石具体条件,按GBJ86第3.3.4条选用;对直径为30mm的杆体,径差更应从严掌握,并加强施工监督与检测。5.9当用户对产品有防腐要求时,制造厂应对缝管锚杆进行防腐处理。6试验方法
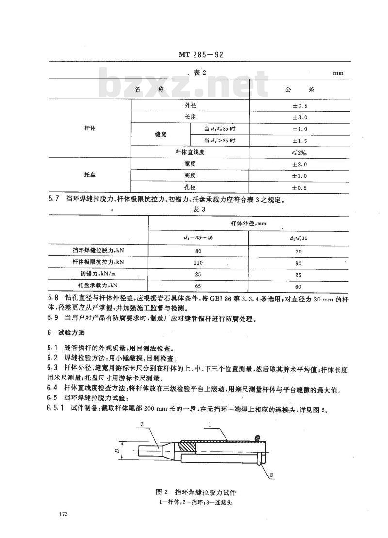
6.1缝管锚杆的外观质量,用目测法检查。6.2焊缝检验方法:用小锤敲探,目测检查。6.3杆体外径、缝宽用游标卡尺分别在杆体的上、中、下三个位置测量,然后取其算术平均值;杆体长度用米尺测量,托盘尺寸用游标卡尺测量。6.4杆体直线度检查方法:将杆体放在三级检验平台上滚动,用塞尺测量杆体与平台缝隙的最大值。6.5挡环焊缝拉脱力试验:
6.5.1试件制备:截取杆体尾部200mm长的一段,在无挡环端焊上相应的连接头,详见图2。3
图2挡环焊缝拉脱力试件
1杆体;2-挡环,3一连接头
MT 285—92
连接头大端直径D=d—28为壁厚)。6.5.2挡环段卡在特制的拉力架上(如图3所示),试件连接头夹在材料试验机的钳口中。图3特制拉力架
6.5.3按GB2651规定的方法,测量拉脱力值。出厂检验允许采用锚杆拉力计代替材料试验机进行试验。
6.6杆体极限抗拉力试验:
6.6.1试件制备:任意截取杆体中部300mm长管段,两端均焊上相应的连接头。6.6.2试验方法按GB228中有关规定进行。6.7初锚力试验;
把缝管锚杆安装在单轴抗压强度不小于40MPa的岩块或混凝土的钻孔中,杆体外径比孔径大2mm(杆体外径为30mm的缝管锚杆,杆体外径比孔径大1mm),用锚杆拉力计进行拉拔试验,测量杆体拉出位移不超过10mm时的最大拉拔力。初锚力也可在井下相应的岩石顶板中直接测试。6.8托盘承载力试验:
在托盘上方安置模拟挡环装置(如图4所示),置于材料试验机上逐渐加压,测量托盘高度被压缩2/3前的最大载荷。
图4模拟挡环装置
7检验规则
7.1产品检验分出厂检验与型式检验。出厂检验由制造厂质量检验部门进行,型式检验由产品质量监督检测机构或主管部门指定的单位进行。出检验和型式检验项目见表4。173
7.2出厂检验:
检测项目
外观质量
尺寸规格
环焊缝拉脱力
杆体极限抗拉力
初锚力
托盘承载力
MT 285--92
技术要求
检验方法
6.1、6.2
6.3、6.4
7.2.1每批产品应按GB2828的规定进行出厂检验,每500根为一批。检验类别
7.2.2对产品外观质量及尺寸规格的检验,按缺陷分类分为A类不合格和B类不合格a.A类不合格:包括外径尺寸与托盘孔径。B类不合格:包括外观及一般尺寸偏差。b.
7.2.3采用一般检查水平I抽样方案,A类不合格AQL=0.65,B类不合格AQL=2.5,样本大小、合格判定数 A.和不合格判定数R。应符合表5规定。表5
As,R含格质量水平
样本大小
A类不合格AQL=0.65
B类不合格AQL=2.5
7.2.4对产品挡环焊缝拉脱力、初锚力和托盘承载力进行破坏性检测,采用特殊检查水平S一1抽样方案,AQL一4.0,样本大小、合格判定数A。和不合格判定数R。应符合表6规定。表6
A,R.合格质量水平
样本大小
型式检验:
7.3.1有下列情况之一时,产品应进行型式检验:a.
试制的新产品或老产品转厂生产的产品定型鉴定;正式生产后,如结构、材料、工艺有较大改变,可能影响产品性能时,正常生产,每半年应进行一次型式检验,年产量超过40万根时,每季度应进行一次型式检验;产品停产一年后,恢复生产时;产品质量监督机构提出要求时。型式检验应在制造厂成品库或用户购进的产品中抽样。型式检验每次抽样本10套,全部进行外观与尺寸规格检验;再从中抽查三套进行挡环焊缝拉脱7.3.3
力、杆体极限抗拉力与托盘承载力试验,抽查两根进行初锚力试验。7.3.4第一次抽查有一项不合格,再加倍抽样进行第二次检验,若第二次还不合格,则判定产品为不合格。
8标志、包装与贮存
8.1标志
MT 285—92
每件包装应在包装的垫木或捆扎带上,钉上或挂上出厂标牌与产品合格证,标牌内容应包括产品名称、型号规格、数量、总重量、生产厂家与生产日期。8.2包装
锚杆采用打件包装时,每件锚杆体200根,托板200块,用垫木和螺栓紧固;也可采用捆扎包装,杆体10根捆扎成一组,托盘也为10块捆扎成一组。或根据订货合同要求进行包装。包装均需牢固可靠,保证装运过程中不松散。
8.3贮存
缝管锚杆贮存时应注意防水、防腐蚀。附加说明:
本标准由煤炭科学研究总院提出。本标准由煤炭科学研究总院北京建井研究所与苏州煤矿支护专用设备厂共同起草。本标准起草人郑重远、张伯琪、丁全录、徐征农,本标准委托煤炭科学研究总院北京建井研究所负责解释。175
小提示:此标准内容仅展示完整标准里的部分截取内容,若需要完整标准请到上方自行免费下载完整标准文档。
缝管锚杆
主题内容与适用范围
MT 285—92wwW.bzxz.Net
本标准规定了缝管锚杆的产品分类、技术要求、试验方法、检验规则、标志、包装及贮存。本标准适用于煤矿及其他工程支护用的缝管锚杆。2引用标准
金属拉伸试验方法
碳素结构钢
GB1591
低合金结构钢
GB2651
焊接接头拉伸试验方法
GB2828逐批检查计数抽样程序及抽样表(适用于连续批的检查)GBJ86锚杆喷射混凝土支护技术规范3术语
3.1缝管锚杆:经特殊加工成纵向开缝的钢管及其附件。3.2杆体极限抗拉力:沿缝管锚杆体轴向拉断时的载荷。3.3挡环焊缝拉脱力:挡环与管壁焊接处拉脱时的载荷。3.4初锚力:缝管锚杆安装后,杆体立即从岩孔中被拉动时的载荷。3.5托盘承载力:托盘受压变形达到规定值前的最大载荷。4产品分类
4.1产品规格尺寸应符合图1、表1的规定:1
1一杆体,2—托盘;3一挡环
中华人民共和国能源部1992-02-24批准170
1992-06-01实施
外径d
长度L
缝宽6
头梢长度1
头端直径d2
尺寸aXa
高度h
孔径d
推荐钻孔直径
挡环距尾端距离1
注:①所推荐的钻孔直径仅供参考。10
MT 285-92
1400;
2.2~2.5(16 Mn 钢);
2.5~3.0(Q235A级冷轧钢)
120×120
②根据用户的特殊需要,制造厂可生产其他规格的杆体。4.2型号及其表示方法应符合以下规定:M
外径,mm/长度,mm
缝管式
示例:MF45/1600表示缝管锚杆,其外径为45mm,长度为1600mm5技术要求
150×150
5.1缝管锚杆应符合本标准的规定,并按经规定程序批准的图样与技术文件制造。5.2杆体材料优先选用符合GB1591规定的16Mn钢或机械性能相当于16Mn的其他低合金结构钢;在符合表3规定的条件下,也可选用符合GB700规定的Q235A级冷轧钢板。5.3杆体应采用冷卷成型法加工。5.4将直径为6.5mm的圆钢弯成挡环。焊接时,挡环平面与杆体相垂直,并应焊满焊平。5.5外观质量:
5.5.1缝管锚杆表面应平整,无严重拉伤、锈蚀。5.5.2焊缝应无裂纹、无气孔夹渣,不允许烧穿管壁。5.5.3挡环接口与管缝开口相互错位以170°~190°为宜。5.5.4托盘在杆体上应能自由移动。5.6尺寸公差见表2:
MT285—92
当d35时
当di>35时
杆体直线度
5.7挡环焊缝拉脱力、杆体极限抗拉力、初锚力、托盘承载力应符合表3之规定。表3
杆体外径,mm
dj=35~46
挡环焊缝拉脱力,kN
杆体极限抗拉力,kN
初锚力,kN/m
托盘承载力,kN
5.8钻孔直径与杆体外径差,应根据岩石具体条件,按GBJ86第3.3.4条选用;对直径为30mm的杆体,径差更应从严掌握,并加强施工监督与检测。5.9当用户对产品有防腐要求时,制造厂应对缝管锚杆进行防腐处理。6试验方法
6.1缝管锚杆的外观质量,用目测法检查。6.2焊缝检验方法:用小锤敲探,目测检查。6.3杆体外径、缝宽用游标卡尺分别在杆体的上、中、下三个位置测量,然后取其算术平均值;杆体长度用米尺测量,托盘尺寸用游标卡尺测量。6.4杆体直线度检查方法:将杆体放在三级检验平台上滚动,用塞尺测量杆体与平台缝隙的最大值。6.5挡环焊缝拉脱力试验:
6.5.1试件制备:截取杆体尾部200mm长的一段,在无挡环端焊上相应的连接头,详见图2。3
图2挡环焊缝拉脱力试件
1杆体;2-挡环,3一连接头
MT 285—92
连接头大端直径D=d—28为壁厚)。6.5.2挡环段卡在特制的拉力架上(如图3所示),试件连接头夹在材料试验机的钳口中。图3特制拉力架
6.5.3按GB2651规定的方法,测量拉脱力值。出厂检验允许采用锚杆拉力计代替材料试验机进行试验。
6.6杆体极限抗拉力试验:
6.6.1试件制备:任意截取杆体中部300mm长管段,两端均焊上相应的连接头。6.6.2试验方法按GB228中有关规定进行。6.7初锚力试验;
把缝管锚杆安装在单轴抗压强度不小于40MPa的岩块或混凝土的钻孔中,杆体外径比孔径大2mm(杆体外径为30mm的缝管锚杆,杆体外径比孔径大1mm),用锚杆拉力计进行拉拔试验,测量杆体拉出位移不超过10mm时的最大拉拔力。初锚力也可在井下相应的岩石顶板中直接测试。6.8托盘承载力试验:
在托盘上方安置模拟挡环装置(如图4所示),置于材料试验机上逐渐加压,测量托盘高度被压缩2/3前的最大载荷。
图4模拟挡环装置
7检验规则
7.1产品检验分出厂检验与型式检验。出厂检验由制造厂质量检验部门进行,型式检验由产品质量监督检测机构或主管部门指定的单位进行。出检验和型式检验项目见表4。173
7.2出厂检验:
检测项目
外观质量
尺寸规格
环焊缝拉脱力
杆体极限抗拉力
初锚力
托盘承载力
MT 285--92
技术要求
检验方法
6.1、6.2
6.3、6.4
7.2.1每批产品应按GB2828的规定进行出厂检验,每500根为一批。检验类别
7.2.2对产品外观质量及尺寸规格的检验,按缺陷分类分为A类不合格和B类不合格a.A类不合格:包括外径尺寸与托盘孔径。B类不合格:包括外观及一般尺寸偏差。b.
7.2.3采用一般检查水平I抽样方案,A类不合格AQL=0.65,B类不合格AQL=2.5,样本大小、合格判定数 A.和不合格判定数R。应符合表5规定。表5
As,R含格质量水平
样本大小
A类不合格AQL=0.65
B类不合格AQL=2.5
7.2.4对产品挡环焊缝拉脱力、初锚力和托盘承载力进行破坏性检测,采用特殊检查水平S一1抽样方案,AQL一4.0,样本大小、合格判定数A。和不合格判定数R。应符合表6规定。表6
A,R.合格质量水平
样本大小
型式检验:
7.3.1有下列情况之一时,产品应进行型式检验:a.
试制的新产品或老产品转厂生产的产品定型鉴定;正式生产后,如结构、材料、工艺有较大改变,可能影响产品性能时,正常生产,每半年应进行一次型式检验,年产量超过40万根时,每季度应进行一次型式检验;产品停产一年后,恢复生产时;产品质量监督机构提出要求时。型式检验应在制造厂成品库或用户购进的产品中抽样。型式检验每次抽样本10套,全部进行外观与尺寸规格检验;再从中抽查三套进行挡环焊缝拉脱7.3.3
力、杆体极限抗拉力与托盘承载力试验,抽查两根进行初锚力试验。7.3.4第一次抽查有一项不合格,再加倍抽样进行第二次检验,若第二次还不合格,则判定产品为不合格。
8标志、包装与贮存
8.1标志
MT 285—92
每件包装应在包装的垫木或捆扎带上,钉上或挂上出厂标牌与产品合格证,标牌内容应包括产品名称、型号规格、数量、总重量、生产厂家与生产日期。8.2包装
锚杆采用打件包装时,每件锚杆体200根,托板200块,用垫木和螺栓紧固;也可采用捆扎包装,杆体10根捆扎成一组,托盘也为10块捆扎成一组。或根据订货合同要求进行包装。包装均需牢固可靠,保证装运过程中不松散。
8.3贮存
缝管锚杆贮存时应注意防水、防腐蚀。附加说明:
本标准由煤炭科学研究总院提出。本标准由煤炭科学研究总院北京建井研究所与苏州煤矿支护专用设备厂共同起草。本标准起草人郑重远、张伯琪、丁全录、徐征农,本标准委托煤炭科学研究总院北京建井研究所负责解释。175
小提示:此标准内容仅展示完整标准里的部分截取内容,若需要完整标准请到上方自行免费下载完整标准文档。
标准图片预览:





- 其它标准
- 热门标准
- 煤炭行业标准(MT)
- MZ/T149-2020 行政区域界桩数据交换格式
- MT/T765-1997 液压支架用自动喷雾控制阀通用技术条件
- MT157-1996 煤矿用隔爆水槽和隔爆水袋通用技术条件
- MT/T467-1996 煤矿用带式输送机设计计算
- MT/T1170-2019 煤矿带式输送监控系统通用技术条件
- MT754-2005 小型煤矿地面用抽出式轴流通风机技术条件
- MZ/T150-2020 行政区域界线数据交换格式
- MT/T311-1992 采煤机牵引液压系统滤油器型式和基本参数
- MT717-1997 煤矿重要用途在用钢丝绳性能测定方法及判定规则
- MT/T1105-2009 锚杆钻机用玻璃钢支腿
- MT/T659-1997 GXS细粒分级筛
- MT/T341.1-1994 冶金焦用大屯煤电公司煤技术条件
- MT990-2006 矿用防爆柴油机通用技术条件
- MT/T1010-2006 矿井生产检查煤样采取方法
- MT298.1-1992 水泥回转窑用水城矿务局煤技术条件
- 行业新闻
请牢记:“bzxz.net”即是“标准下载”四个汉字汉语拼音首字母与国际顶级域名“.net”的组合。 ©2025 标准下载网 www.bzxz.net 本站邮件:bzxznet@163.com
网站备案号:湘ICP备2025141790号-2
网站备案号:湘ICP备2025141790号-2