- 您的位置:
- 标准下载网 >>
- 标准分类 >>
- 煤炭行业标准(MT) >>
- MT/T 204-1995 煤矿水中碱度的测定
标准号:
MT/T 204-1995
标准名称:
煤矿水中碱度的测定
标准类别:
煤炭行业标准(MT)
标准状态:
现行-
发布日期:
1995-11-06 -
实施日期:
1996-03-01 出版语种:
简体中文下载格式:
.rar.pdf下载大小:
150.50 KB
中标分类号:
环境保护>>环境保护采样、分析测试方法>>Z16水环境有毒物质分析方法
替代情况:
MT 204-89
点击下载
标准简介:
标准下载解压密码:www.bzxz.net
本标准规定了酸滴定法测定水的碱度。本标准适用于煤矿水碱度的测定。 MT/T 204-1995 煤矿水中碱度的测定 MT/T204-1995
部分标准内容:
中华人民共和国煤炭行业标准
煤矿水碱度的测定方法
1主题内容与适用范围
本标准规定了酸滴定法测定水的碱度。本标准适用子煤矿水碱度的测定。2方法提要bzxZ.net
MT/T204—1995
代替MT204---89
水中各种碱度的组分与标准酸溶液反应,其反应终点(pH=8.3和pH=4.5)用pH指示剂或pH计确定。
3试剂
3.1水:无二氧化碳蒸馏水。
3.2碳酸钠标准溶液:c(1/2Na2CO)=0.0400mol/L,称取2.1198±0.0002g、已在150~180℃F燥约3h的优级纯无水碳酸钠(GB/T1255),溶于100mL水中,转入1000mL容量瓶内,用水稀释至刻度,摇匀。
3.3盐酸标准溶液:c(HCI)=0.04mol/L,吸取3.4mL盐酸(GB/T622),移入磨口玻璃瓶中,用水稀释至1000ml,摇匀。
盐酸标准溶液的标定:用移液管吸取20ml碳酸钠标准溶液(3.2),移入250mL锥形瓶中,用水稀释至约80mL,加入2滴甲基橙指示剂溶液(3.6),用盐酸标准溶液滴定至接近终点时,煮沸、排除二氧化碳,冷却后继续滴定至黄色变为橙红色即为终点,记下用量。标定3份,取其用量的算术平均值,并按式(1)计盐酸标准溶液浓度:
0.0400×20
式中:(i—盐酸标准溶液的浓度,mol/l;V盐酸标准溶液用量的算术平均值,ml。(1
3.4酚酞指示剂溶液:称取0.5g酚酞(GB/T10729),溶于50mL、95%乙醇(GB/T679)中,再加50 ml水,混匀。
3.5溴甲酚绿-甲基红混合指示剂溶液:称取0.04g甲基红(HG/T3-958)和0.2g溴甲酚绿(HG/T 3—1220),溶于100 mL、95%Z乙醇(GB/T 679)中。3.6用基橙指示剂溶液:称取0.1g甲基橙,溶于100ml.水中。4仪器
4.1pH计:测量范围0~14,最小分度值0.01pH单位。4.2分析天平:感量0.1mg。
4.3滴定管:25ml,最小分度值0.1ml。4.4移液管:20ml,准确度为士0.04ml.;中华人民共和国煤炭工业部1995-11-06批准570
1996-03-01实施
MT/T204-1995
50mL,准确度为±0.08mL。
4.5刻度吸管:5mL,最小分度值0.05ml。5测定步骤
酚酞碱度的滴定:用移液管吸取50mL水样,移入250mL锥形瓶中,加入5滴酚酞指示剂溶液(3.4),若溶液呈粉红色,则用盐酸标准溶液(3.3)滴定至红色消失即为终点(pH一8.3)。记录盐酸用量为Vp。
总碱度的滴定:用移液管吸取50mL水样,移入250mL锥形瓶中,加入5~7滴混合指示剂溶液(3.5)或2滴甲基橙指示剂溶液(3.6),用盐酸标准溶液(3.3)滴定至终点(pH一4.5),混合指示剂由绿色变至红色、甲基橙指示剂由黄色变为橙红色。然后煮沸溶液2~3min驱尽二氧化碳,冷却至室温,如颜色改变,再滴定至终点。记录盐酸用量为V.。如果水样存在酚酞碱度,则可在滴定酚酸碱度后的水样中加入2滴甲基橙指示剂溶液(3.6),再用盐酸标准溶液(3.3)滴定至橙红色(pH一4.5),这部分盐酸标准溶液用量为Vm。Vm加上V.即为V.。有些水样带色、浑浊或含有氧化剂使指示剂脱色。这些水样应在250mL烧杯中滴定,滴定终点(pH8.3和pH=4.5)必须用pH计确定。6测定结果的表述
水样总碱度按式(2)计算:
TA 1 000V/ci× 50. 04
c:TA水样中总碱度的含量(以CacO:计),mg/L;V--滴定总碱度消耗的盐酸标准溶液体积,mLCi-一盐酸标准溶液的浓度,mol/L;50.04-碳酸钙(1/2CaCO,)的摩尔质量,g/mol;Vr
-试验水样的体积,mL。
如果水样碱度的基本组分为重碳酸根、碳酸根和氢氧根离子,其含量可根据滴定结果V,和V.,由表1查得某组分消耗标准酸的体积,代入下列相应公式计算:表1OH-、CO和HCO;在水中的关系滴定结果
V,s.1/2V.
OH-消耗
标准酸体积,ml
CO”消耗
标准酸体积.ml.
2(V,--V,)
1 000c,V2 × 61. 02
1 000c,V3 X 30. 01
HCO:消耗
标准酸体积,ml
·(3)
式中:HCO,-
MT/T 204---1995
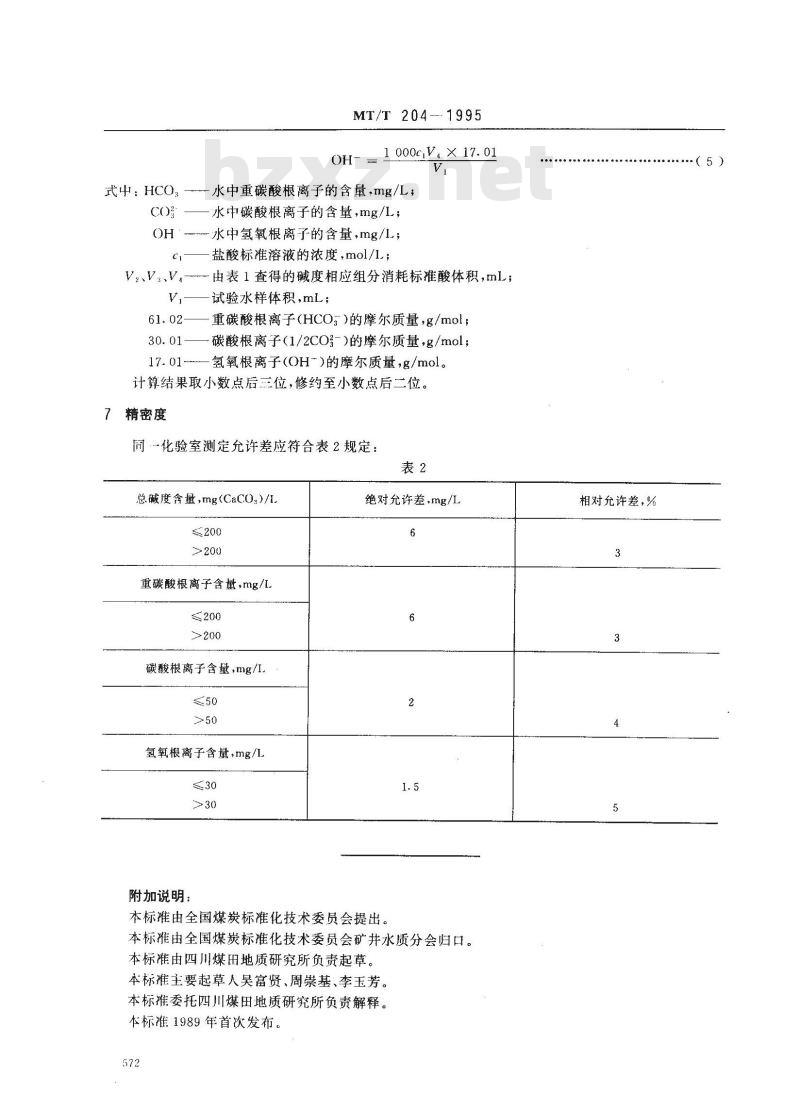
1 000cV. × 17. 01
水中重碳酸根离子的含量,mg/L;一水中碳酸根离子的含量,mg/L;OH水中氢氧根离子的含量,mg/L;Cr
V2.V..V,--
盐酸标准溶液的浓度,mol/l;
由表1查得的碱度相应组分消耗标准酸体积,mL试验水样体积,mL;
重碳酸根离子(HCO:)的摩尔质量,g/mol;碳酸根离子(1/2CO-)的摩尔质量,g/mol;氢氧根离子(OH~)的摩尔质量,g/mol。计算结果取小数点后三位,修约至小数点后二位。7精密度
同化验室测定允许差应符合表2规定:表2
总碱度含量,mg(CaCO:)/L
重碳酸根离子含量,mg/L
碳酸根离子含量,mg/L.
氢氧根离子含量,mg/L
附加说明:
绝对允许差,mg/L
本标准由全国煤炭标准化技术委员会提出。本标准由全国煤炭标准化技术委员会矿井水质分会归口。本标准由四川煤田地质研究所负责起草。本标准主要起草人吴富贤、周崇基、李玉芳。本标准委托四川煤田地质研究所负责解释。本标准1989年首次发布。
相对允许差,%
(5)
煤矿水中碱度的测定方法
(MT/T2041995)修订说明
(四川煤田地质研究所)
水的碱度是指它与强酸定量反应至--定H值的能力,是水的综合特性的一种量度,只有当水样的化学组成已知时,方能解释为具体的物质。水的碱度对于地表水、地下水的使用和处理具有重要的意义。由于绝大多数的地表水和地下水中,构成碱度的一些次要组分,如硫氢根(HS\)、硅酸氢根(HSiO,)、磷酸氧根(HF()\),以及其他弱无机酸和有机酸即使存在,其含量也是很少的。因此,在上述前提下,水中碱度的主要成分重碳酸根、碳酸根和氢氧根离子的含量,可经测定通过化学计算方法而求得。此次修订,为了使标准的内容完善,将标准的标题更改为煤矿水中碱度的测定方法,过测定,计算碱度、重碳酸根、碳酸根和氢氧根离子含量。标准按照GB1.4-88的规定进行编写,并参阅了国外同类标准,对原标准(MT204---89)部分条目的内容进行了修订、补充。1标准修订的要点
a)补充了试剂部分的条目和仪器部分的精度。b)补充了水中总碱度含量的计算和氢氧根离子含量的计算。)对同化验室测定的允许差作了修订。2修订的部分条文说明
2.1在标准第三章中,补充了3.2条碳酸钠标准溶液;3.4条酚酸指示剂溶液;3.6条甲基橙指示剂溶液。原标准未列人试剂条目,只是在操作过程中列出和使用。在第四章仪器部分中,对滴定管、移液管和刻度吸管的分度值和精度的要求作了补充。2.2在标准第五章分析步骤中,将原标准的一段改写为两段,标明了分段滴定时终点的pH值。第段为酚酞碱度的滴定,这是指当水样的pH>8.3时才存在的酚碱度。水样用标准酸溶液滴定至终点(pH一8.3),此时全部氢氧根离子和碳酸根离子的一半反应完毕。第段为总碱度的滴定,这是指pH>4.5的水样,用标准酸滴定至终点(pH一4.5),此时水样中全部氢氧根、碳酸根和重碳酸根离子与酸反应完毕。实质上总碱度的测定(当其他可能构成碱度的次要成分含量很少,可忽略不计时)是上述三种碱度总量的测定。2.3在标准第六章分析结果的表述中,补充了水中总碱度含量的计算公式。总碱度的毫克(碳酸钙)每升表示,以往是以毫克当量每升计。现在的表示方法与国际上同类标准相一致。标准中补列了氢氧根、碳酸根和重碳酸根离子在水中的关系表,以便于计算这些离子的含量。原标准不计算氢氧根离子,这次修订时作了补充,因为在有的高碱度煤矿地下水中可能含有氢氧根离子,需要计算它的含。
2.4在标准第七章中,对测定的允许差作了修订和补充。将原标准同一~化验室平行测定的允许差,改为间·-化验室测定允许差。并将允许差规定为;总碱性≤200mg/L时,绝对允许差6mg/L;>200mg/L时,相对允许差3%。重碳酸根离子≤200mg/l,时,绝对允许差6mg/L;>200mg/1时,相对允许差3%。碳酸根离子≤50mg/L时,绝对允许差2mg/L;>50mg/L时,相对允许差4%。氢氧根离子≤30mg/l,时,绝对允许差1.5mg/l.;>30mg/L时,相对允许差5%。660
小提示:此标准内容仅展示完整标准里的部分截取内容,若需要完整标准请到上方自行免费下载完整标准文档。
煤矿水碱度的测定方法
1主题内容与适用范围
本标准规定了酸滴定法测定水的碱度。本标准适用子煤矿水碱度的测定。2方法提要bzxZ.net
MT/T204—1995
代替MT204---89
水中各种碱度的组分与标准酸溶液反应,其反应终点(pH=8.3和pH=4.5)用pH指示剂或pH计确定。
3试剂
3.1水:无二氧化碳蒸馏水。
3.2碳酸钠标准溶液:c(1/2Na2CO)=0.0400mol/L,称取2.1198±0.0002g、已在150~180℃F燥约3h的优级纯无水碳酸钠(GB/T1255),溶于100mL水中,转入1000mL容量瓶内,用水稀释至刻度,摇匀。
3.3盐酸标准溶液:c(HCI)=0.04mol/L,吸取3.4mL盐酸(GB/T622),移入磨口玻璃瓶中,用水稀释至1000ml,摇匀。
盐酸标准溶液的标定:用移液管吸取20ml碳酸钠标准溶液(3.2),移入250mL锥形瓶中,用水稀释至约80mL,加入2滴甲基橙指示剂溶液(3.6),用盐酸标准溶液滴定至接近终点时,煮沸、排除二氧化碳,冷却后继续滴定至黄色变为橙红色即为终点,记下用量。标定3份,取其用量的算术平均值,并按式(1)计盐酸标准溶液浓度:
0.0400×20
式中:(i—盐酸标准溶液的浓度,mol/l;V盐酸标准溶液用量的算术平均值,ml。(1
3.4酚酞指示剂溶液:称取0.5g酚酞(GB/T10729),溶于50mL、95%乙醇(GB/T679)中,再加50 ml水,混匀。
3.5溴甲酚绿-甲基红混合指示剂溶液:称取0.04g甲基红(HG/T3-958)和0.2g溴甲酚绿(HG/T 3—1220),溶于100 mL、95%Z乙醇(GB/T 679)中。3.6用基橙指示剂溶液:称取0.1g甲基橙,溶于100ml.水中。4仪器
4.1pH计:测量范围0~14,最小分度值0.01pH单位。4.2分析天平:感量0.1mg。
4.3滴定管:25ml,最小分度值0.1ml。4.4移液管:20ml,准确度为士0.04ml.;中华人民共和国煤炭工业部1995-11-06批准570
1996-03-01实施
MT/T204-1995
50mL,准确度为±0.08mL。
4.5刻度吸管:5mL,最小分度值0.05ml。5测定步骤
酚酞碱度的滴定:用移液管吸取50mL水样,移入250mL锥形瓶中,加入5滴酚酞指示剂溶液(3.4),若溶液呈粉红色,则用盐酸标准溶液(3.3)滴定至红色消失即为终点(pH一8.3)。记录盐酸用量为Vp。
总碱度的滴定:用移液管吸取50mL水样,移入250mL锥形瓶中,加入5~7滴混合指示剂溶液(3.5)或2滴甲基橙指示剂溶液(3.6),用盐酸标准溶液(3.3)滴定至终点(pH一4.5),混合指示剂由绿色变至红色、甲基橙指示剂由黄色变为橙红色。然后煮沸溶液2~3min驱尽二氧化碳,冷却至室温,如颜色改变,再滴定至终点。记录盐酸用量为V.。如果水样存在酚酞碱度,则可在滴定酚酸碱度后的水样中加入2滴甲基橙指示剂溶液(3.6),再用盐酸标准溶液(3.3)滴定至橙红色(pH一4.5),这部分盐酸标准溶液用量为Vm。Vm加上V.即为V.。有些水样带色、浑浊或含有氧化剂使指示剂脱色。这些水样应在250mL烧杯中滴定,滴定终点(pH8.3和pH=4.5)必须用pH计确定。6测定结果的表述
水样总碱度按式(2)计算:
TA 1 000V/ci× 50. 04
c:TA水样中总碱度的含量(以CacO:计),mg/L;V--滴定总碱度消耗的盐酸标准溶液体积,mLCi-一盐酸标准溶液的浓度,mol/L;50.04-碳酸钙(1/2CaCO,)的摩尔质量,g/mol;Vr
-试验水样的体积,mL。
如果水样碱度的基本组分为重碳酸根、碳酸根和氢氧根离子,其含量可根据滴定结果V,和V.,由表1查得某组分消耗标准酸的体积,代入下列相应公式计算:表1OH-、CO和HCO;在水中的关系滴定结果
V,s.1/2V.
OH-消耗
标准酸体积,ml
CO”消耗
标准酸体积.ml.
2(V,--V,)
1 000c,V2 × 61. 02
1 000c,V3 X 30. 01
HCO:消耗
标准酸体积,ml
·(3)
式中:HCO,-
MT/T 204---1995
1 000cV. × 17. 01
水中重碳酸根离子的含量,mg/L;一水中碳酸根离子的含量,mg/L;OH水中氢氧根离子的含量,mg/L;Cr
V2.V..V,--
盐酸标准溶液的浓度,mol/l;
由表1查得的碱度相应组分消耗标准酸体积,mL试验水样体积,mL;
重碳酸根离子(HCO:)的摩尔质量,g/mol;碳酸根离子(1/2CO-)的摩尔质量,g/mol;氢氧根离子(OH~)的摩尔质量,g/mol。计算结果取小数点后三位,修约至小数点后二位。7精密度
同化验室测定允许差应符合表2规定:表2
总碱度含量,mg(CaCO:)/L
重碳酸根离子含量,mg/L
碳酸根离子含量,mg/L.
氢氧根离子含量,mg/L
附加说明:
绝对允许差,mg/L
本标准由全国煤炭标准化技术委员会提出。本标准由全国煤炭标准化技术委员会矿井水质分会归口。本标准由四川煤田地质研究所负责起草。本标准主要起草人吴富贤、周崇基、李玉芳。本标准委托四川煤田地质研究所负责解释。本标准1989年首次发布。
相对允许差,%
(5)
煤矿水中碱度的测定方法
(MT/T2041995)修订说明
(四川煤田地质研究所)
水的碱度是指它与强酸定量反应至--定H值的能力,是水的综合特性的一种量度,只有当水样的化学组成已知时,方能解释为具体的物质。水的碱度对于地表水、地下水的使用和处理具有重要的意义。由于绝大多数的地表水和地下水中,构成碱度的一些次要组分,如硫氢根(HS\)、硅酸氢根(HSiO,)、磷酸氧根(HF()\),以及其他弱无机酸和有机酸即使存在,其含量也是很少的。因此,在上述前提下,水中碱度的主要成分重碳酸根、碳酸根和氢氧根离子的含量,可经测定通过化学计算方法而求得。此次修订,为了使标准的内容完善,将标准的标题更改为煤矿水中碱度的测定方法,过测定,计算碱度、重碳酸根、碳酸根和氢氧根离子含量。标准按照GB1.4-88的规定进行编写,并参阅了国外同类标准,对原标准(MT204---89)部分条目的内容进行了修订、补充。1标准修订的要点
a)补充了试剂部分的条目和仪器部分的精度。b)补充了水中总碱度含量的计算和氢氧根离子含量的计算。)对同化验室测定的允许差作了修订。2修订的部分条文说明
2.1在标准第三章中,补充了3.2条碳酸钠标准溶液;3.4条酚酸指示剂溶液;3.6条甲基橙指示剂溶液。原标准未列人试剂条目,只是在操作过程中列出和使用。在第四章仪器部分中,对滴定管、移液管和刻度吸管的分度值和精度的要求作了补充。2.2在标准第五章分析步骤中,将原标准的一段改写为两段,标明了分段滴定时终点的pH值。第段为酚酞碱度的滴定,这是指当水样的pH>8.3时才存在的酚碱度。水样用标准酸溶液滴定至终点(pH一8.3),此时全部氢氧根离子和碳酸根离子的一半反应完毕。第段为总碱度的滴定,这是指pH>4.5的水样,用标准酸滴定至终点(pH一4.5),此时水样中全部氢氧根、碳酸根和重碳酸根离子与酸反应完毕。实质上总碱度的测定(当其他可能构成碱度的次要成分含量很少,可忽略不计时)是上述三种碱度总量的测定。2.3在标准第六章分析结果的表述中,补充了水中总碱度含量的计算公式。总碱度的毫克(碳酸钙)每升表示,以往是以毫克当量每升计。现在的表示方法与国际上同类标准相一致。标准中补列了氢氧根、碳酸根和重碳酸根离子在水中的关系表,以便于计算这些离子的含量。原标准不计算氢氧根离子,这次修订时作了补充,因为在有的高碱度煤矿地下水中可能含有氢氧根离子,需要计算它的含。
2.4在标准第七章中,对测定的允许差作了修订和补充。将原标准同一~化验室平行测定的允许差,改为间·-化验室测定允许差。并将允许差规定为;总碱性≤200mg/L时,绝对允许差6mg/L;>200mg/L时,相对允许差3%。重碳酸根离子≤200mg/l,时,绝对允许差6mg/L;>200mg/1时,相对允许差3%。碳酸根离子≤50mg/L时,绝对允许差2mg/L;>50mg/L时,相对允许差4%。氢氧根离子≤30mg/l,时,绝对允许差1.5mg/l.;>30mg/L时,相对允许差5%。660
小提示:此标准内容仅展示完整标准里的部分截取内容,若需要完整标准请到上方自行免费下载完整标准文档。
标准图片预览:




- 其它标准
- 热门标准
- 煤炭行业标准(MT)
- MZ/T149-2020 行政区域界桩数据交换格式
- MT754-2005 小型煤矿地面用抽出式轴流通风机技术条件
- MT/T311-1992 采煤机牵引液压系统滤油器型式和基本参数
- MT/T510.2-1995 冶金焦用乌达矿务局煤技术条件
- MT/T1105-2009 锚杆钻机用玻璃钢支腿
- MT/T107.5-1995 冶金焦用永荣矿务局煤技术条件
- MT/T659-1997 GXS细粒分级筛
- MT292.1-1992 冶金焦用抚顺矿务局煤技术条件
- MT/T341.1-1994 冶金焦用大屯煤电公司煤技术条件
- MT295.1-1992 冶金焦用沈阳矿务局煤技术条件
- MT/T608.1-1996 冶金焦用兖州矿务局煤技术条件
- MT/T1063-2007 煤矿带式输送机滚筒技术条件
- MT/T1010-2006 矿井生产检查煤样采取方法
- MT/T187.10-1996 刮板输送机紧固件 E型螺栓
- MT298.1-1992 水泥回转窑用水城矿务局煤技术条件
- 行业新闻
请牢记:“bzxz.net”即是“标准下载”四个汉字汉语拼音首字母与国际顶级域名“.net”的组合。 ©2025 标准下载网 www.bzxz.net 本站邮件:bzxznet@163.com
网站备案号:湘ICP备2025141790号-2
网站备案号:湘ICP备2025141790号-2