- 您的位置:
- 标准下载网 >>
- 标准分类 >>
- 煤炭行业标准(MT) >>
- MT/T 790-1998 煤矿坑道勘探用钻机
标准号:
MT/T 790-1998
标准名称:
煤矿坑道勘探用钻机
标准类别:
煤炭行业标准(MT)
标准状态:
已作废-
发布日期:
1998-11-10 -
实施日期:
1999-04-01 -
作废日期:
2006-12-01 出版语种:
简体中文下载格式:
.rar.pdf下载大小:
248.42 KB
替代情况:
被MT/T 790-2006代替
部分标准内容:
MT/T790—1998
本标准由国家煤炭工业局行业管理司提出。言
本标准由煤炭工业煤矿专用设备标准化技术委员会归口。本标准由煤炭科学研究总院西安分院负责起草。本标准主要起草人:胡少韵、牟肇华、支恒。本标准委托煤炭科学研究总院西安分院负责解释。88
1范圃
中华人民共和国煤炭行业标准
煤矿坑道勘探用钻机
Drill for exploring in coal mine galleryMT/T 790-1998
本标准规定了煤矿坑道勘探用钻机(以下简称钻机)的型式与参数、技术要求、试验方法、检验规则、标志、包装、运输和贮存。
本标准适用于煤矿井下以地质勘探为主要用途的钻机。2引用标准
下列标准所包含的条文,通过在本标准中引用而构成为本标准的条文。本标准出版时,所示版本均为有效。所有标准都会被修订,使用本标准的各方应探讨使用下列标准最新版本的可能性。GB3836.1-1983爆炸性环境用防爆电气设备通用要求GB3836.2—1983爆炸性环境用防爆电气设备隔爆型电气设备“d”GB3836.4-1983爆炸性环境用防爆电气设备本质安全型电路和电气设备\”GB/T13264—1991不合格率的小批计数抽样检查程序及抽样表MT/T154.1—1992煤矿机电产品型号的编制导则和管理办法3型式与参数
3.1型式
3.1.1钻机按回转器的结构特征分为两种基本型式,即动力头式和立轴式,其中动力头式包括全液压动力头式和机械动力头式。
3.1.2钻机由电动机驱动。
3.2型号
3.2.1钻机型号的编制应符合MT/T154.1的规定。3.2.2钻机型号的组成和排列方式为:修改序号
补充特征代号
一主参数或顺序号
第二待征代号
第一特征代号
-产品类型代号
国家煤炭工业局1998-11-10批准1999-04-01实施
MT/T790—1998
3.2.3钻机型号的各组成部分按下列规则确定:a)产品类型代号律用大写字母Z,表示钻机”;b)第一特征代号用大写字母D或L。前者表示“动力头式”,后者表示“立轴式”;c)主参数或顺序号用阿拉伯数字表示,同一系列钻机的型号应采用主参数或顺序号中的一种表示方法;
d)第二特征代号和补充特征代号用于在必要时突出钻机的性能特点或区别类似产品,各用一个大写汉语拼音字母(I1、O除外)表示,此两项也可空缺;e)修改序号用加括号的大写字母(A)、(B)、(C)、表示设计出现的先后。对于首次提出的设计、此项可空缺。
3.2.4示例
例1:
系列序号为3
动力头式
例2:
钻进深度为75m
立轴式
3.2.5钻机型号后面加上钻机的名称为钻机的全称,在正式文件中第-一次出现时必须写全称,以后在不致引起误解的前题下可以用简称来代替全称。3.2.6钻机型号的管理由煤矿专用设备标准化技术委员会煤田探设备分会承担。新设计的钻机,应按MT/T154.1的规定申报钻机型号,并在钻机鉴定后,办理确认手续。3.3主参数
3.3.1钻机的基本参数包括钻进深度、终孔直径、钻杆直径和主轴最高转速,其中钻进深度为主参数。3.3.2钻机使用两种或两种以上直径的钻杆或终孔直径有较大变化时,其相应的钻进深度应分别列出。
3.3.3钻机的钻进深度应符合表1的规定。表1
4技术要求
一般技术要求
进深度
MT/T790-1998
4.1.1钻机应按经规定程序批准的图样和技术文件制造。4.1.2钻机应能适应钻进各种倾角钻孔的需要。钻进深度在300m以上的全液压动力头式钻机应设置调整机身倾角的液压机构。
4.1.3当钻进深度大于或等于300m时,钻机应能应用绳索取心方法。4.1.4钻进深度在150m以上的全液压动力头式钻机应具备卡盘、夹持器和给进油缸之间的联动功能。
4.1.5钻机配用的电动机及其他电器应符合GB3836.1、GB3836.2、GB3836.4的规定,并具有国家指定单位颁发的防爆检验合格证和安全标志。4.1.6钴机工作中容易引起人身伤害的运动部位应设置安全防护装置或作出醒目标志。4.1.7钻机各仪表和控制手把的位置应使操作者易于观察和安全操作。4.1.8钻机经常拆卸的液压管路管口应带防护盖。4.1.9自制件、外协件应检验合格,外购件应具有合格证方可使用。4.1.10机件组装前必须彻底清理或清洗,不得有粘砂、焊渣、铁屑、油污和其他脏物。4.1.11本标准未规定的技术要求及制造钻机所用的材料、铸件、铆焊件、外购件应符合有关国家标准、行业标准的规定。
4.2外观要求
4.2.1钻机外露表面不得有飞边、毛刺、损伤等缺陷,非加工不平滑表面均应涂腻子抹平,并打磨平整。4.2.2钻机外露表面应采取防锈措施,除铜管、胶管表面外,其他不涂漆的部位应根据需要作电镀、发黑处理或涂防锈油。
4.2.3钻机涂漆应均匀牢固,不得有锈斑、皱皮、剥落、裂纹、流挂、气泡等缺陷。4.2.4钻机有转动方向要求的部位应清晰标明正确方向。4.3性能要求
4.3.1空载运转
4.3.1.1冷却水系统应无漏水、串水现象。4.3.1.2传动机构应动作正常、协调,运转平稳,无导常声响和冲击、振动。4.3.1.3
操作手把应灵活,定位正确、可靠。4.3.1.4液压卡盘和夹持器的卡瓦应开合灵活,均匀,打开时应可便标准尺寸的钻杆顺利通过。5液压系统背压、运动机构空载运动阻力应符合有关技术文件的要求。4.3. 1.5
4.3.1.6各紧固件应无松动现象。4.3.2负载运转
4.3.2.1回转器主轴实测转速和扭矩不得小于额定值。4.3.2.2给进机构实测最大给进力和起拔力与额定值的误差不得大于0.5kN,实测最大给进速度和起拔速度不得小于额定值。
4.3.2.3绳索绞车和升降机的实测最大提升能力不得小于额定值,制动装置应工作可靠。4.3.2.4各密封处不得有渗漏液现象。4.3.3过载运转
4.3.3.1回转器应运转平稳,无异常声响,液压卡盘卡紧钻杆时无相对滑动现象。4.3.3.2应无机件损坏和渗漏液现象。4.3.4温升
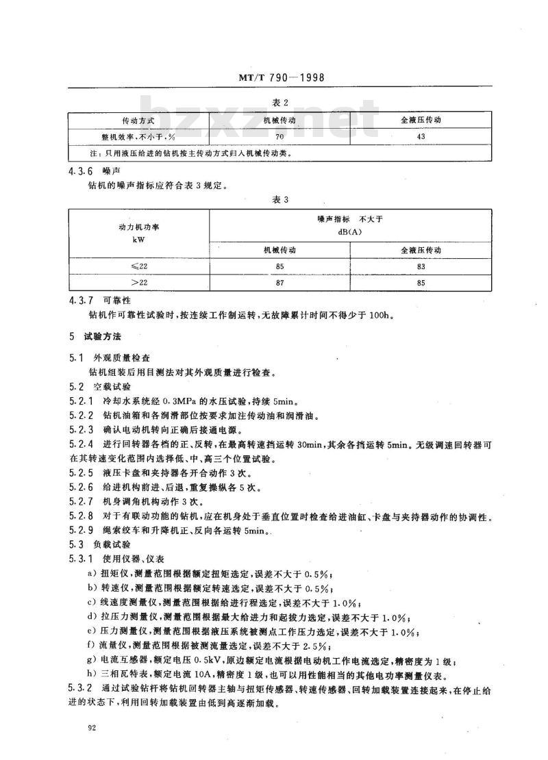
钻机运转到热平衡状态时,油泵、油马达和变速箱外表面的温升不得超过40℃,最高温度不得超过75℃,油箱中液压油的最高温度不得超过60℃。4.3.5整机效率
钻机在额定工作状态下的整机效率应符合表2的规定。91
传动方式
整机效率、不小于,%
MT/T 790-1998
机械传动
注:只用液压给进的钻机按主传动方式归入机械传动类。4.3.6噪声
钻机的噪声指标应符合表3规定。表3
动力机功率
4.3.7可靠性
机械传动
噪声指标不大于
钻机作可靠性试验时,按连续工作制运转,无故障累计时间不得少于100h。5试验方法
5.1外观质量检查
钻机组装后用目测法对其外观质量进行检查。5.2空载试验
5.2.1冷却水系统经0.3MPa的水压试验,持续5min。5.2.2钻机油箱和各润滑部位按要求加注传动油和润滑油。5.2.3确认电动机转向正确后接通电源。全液压传动
全液压传动此内容来自标准下载网
5.2.4进行回转器各档的正、反转,在最高转速挡运转30min,其余各挡运转5min。无级调速回转器可在其转速变化范围内选择低、中、高三个位置试验。5.2.5液压卡盘和夹持器各开合动作3次。5.2.6给进机构前进、后退,重复操纵各5次。5.2.7机身调角机构动作3次。
5.2.8对于有联动功能的钻机,应在机身处于垂直位置时检查给进油缸、卡盘与夹持器动作的协调性。5.2.9绳索绞车和升降机正、反向各运转5min。5.3负载试验
5.3.1使用仪器、仪表
a)扭矩仪,量范围根据额定扭矩选定,误差不大于0.5%,b)转速仪,测量范围根据额定转速选定,误差不大于0.5%;c)线速度测量仪,测量范围根据给进行程选定,误差不大于1.0%;d)拉压力测量仪,测量范围根据最大给进力和起拔力选定,误差不大于1.0%;e)压力测量仪,测量范围根据液压系统被测点工作压力选定,误差不大于1.0%;f)流量仪,测量范围根据被测流量选定,误差不大于2.5%;g)电流互感器,额定电压0.5kV,原边额定电流根据电动机工作电流选定,精密度为1级;h)三相瓦特表,额定电流10A,精密度1级,也可以用性能相当的其他电功率测量仪表。5.3.2通过试验钻杆将钻机回转器主轴与扭矩传感器、转速传感器、回转加载装置连接起来,在停止给进的状态下,利用回转加载装置由低到高逐渐加载。92
MT/T 790—1998
5.3.3用电流互感器和三相瓦特表测量电动机的输人功率P1。5.3.4用扭矩传感器和转速传感器测量回转器主轴的输出转速和扭矩。5.3.5将回转器主轴连接在拉压力测量装置上,用拉压力测量仪测量给进机构在移动状态下的给进力和起拔力,同时用线速度测量仪测量给进速度和起拔速度。5.3.6在钢丝绳和重物之间串接拉压力测量仪,以慢速提升重物3次,测量绳索绞车或升降机单绳提升能力。
5.3.7升降机按单绳一速提起重量为最大额定负荷50%的重物到3m以上高度后,松开抱闸,待重物下落行程不小于1m时快速制动,重物应能迅速停止下落。重复进行3次。5.3.8用流量仪和压力测量仪监测液压系统的工作状况。5.4过载试验
5.4.1使用仪器、仪表同5.3.1。5.4.2钻机液压系统采用变量泵时将泵量调整到50%额定值,用定量泵时,按额定排量运转。5.4.3使回转器在低速挡运转,由低到高逐渐加载,使输出扭矩达到额定值的120%(对全液压动力头式钻机可调整系统压力至125%额定值),持续运转5min,检查回转器运转情况及卡盘卡紧能力。5.4.4在系统压力为125%额定值的情况下,进行给进、起拔动作,给进装置在极限位置持续5min,检查各密封处有无泄漏。
5.5温升的测定
5.5.1使用测量范围为0~150℃,最小分度值1℃的温度计。5.5.2将几个温度计分别置于泵站油箱中及油泵、油马达、变速箱外壳靠近轴承处,钻机在额定条件下持续运转,每5min记录一次温度,直至达到热平衡为止。有冷却水系统的钻机在通水冷却状态下测定温升。
5.5.3记录环境温度,计算各测点温升值。5.6整机效率的测定
5.6.1使用仪器、仪表同5.3.1。5.6.2试验条件:
a)电动机供电电压波动不大于5%额定值;b)钻机给进机构不工作,但向液压给进机构供油的油泵应维持空转;c)立轴式钻机的升降机应维持空转。5.6.3试验程序同5.3.2至5.3.4。5.6.4钻机回转器主轴输出功率按式(1)计算:P\n.M
式中:P —回转器主轴输出功率,kW;n——回转器主轴转器,r/min,M-—回转器主轴扭矩,kN·m。
5.6.5电动机额定输人功率P1.n,按下这两种情况分别测定:a)对机械传动钻机,当回转器主轴输出扭矩达到额定值时,b)对全液压传动钻机,当系统压力和油泵排量都达到额定值时。(1)
5.6.6在电动机输人功率达到P1.时,测量相应的回转器主轴输出功率P2.n,按式(2)计算钻机整机效率:
5.6.7对有级调速的钻机,分别测出回转器在各转速挡时的整机效率,然后取算术平均值。对无级调速钻机,只在中间转速时测定。
5.7噪声的测定
5.7.1使用精密度为1级的声级计5.7.2试验条件:
MT/T 790--1998
a)回转器取高速挡,钻机作空载运转;b)对立轴式钻机,其立轴应处于最低位置,并使升降机空转;c)背景噪声应低于70dB(A)。
5.7.3声级计的微音器离地面1.2m,离钻机最大轮哪线1m,在钻机四周测得一组值后取算术平均值。5.7.4对整体式钻机,在其四周取4个测点;对分体式钻机,则在各部分(如主机、泵站、操纵台等)的周围各取4个测点。
5.8可靠性试验
5.8.1钻机在额定输人功率下运转,相对各挡转速施加额定负载,各挡运转累计时间之和作为钻机的累计运转时间。
5.8.2试验期间不得更换零件,调整累计时间不得超过1h。6检验规则
6.1出厂检验
6.1.1钻机由制造厂检验部门检验,检验合格并签发合格证后方可出厂每台钻机出广前应按表4所列出厂检验项目进行检验。6. 1.2
检验项目
一般技术要求
外观要求
空载试验
负载试验
过载试验
可靠性
注:“”表示必检项目。
6.2型式检验
6.2.1有下列情况之一者,应进行型式检验:出厂检验
a)新产品或老产品转厂生产的试制定型鉴定,b)正式生产后,如结构、材料、工艺有较大改变,可能影响钻机性能时;c)正常生产时每3年进行一次,d)停产2年后,恢复生产时,
e)出厂检验结果与上次型式检验有较大差异时;f)国家产品质量监督机构提出进行型式检验时。6.2.2型式检验按表4规定的项目进行。6.2.3抽样及判定规则
型式检验
6.2.3.1型式检验的样品应从出厂检验合格的产品中随机抽取。6.2.3.2抽样按GB/T13264中的一次抽样方案执行,合格质量P。=1.2,极限质量P,=42。94
MT/T 790—1998
6.2.3.3抽样检验后,按下列规定进行判定:a)在一般技术要求中,4.1.5、4.1.6、4.1.9中有一项不合格时判为不合格,其余各项有两项不合格时判为不合格;
b)在外观要求中,有二项不合格时判为不合格;c)在性能要求中,有一项不合格应加倍抽样检验该项,若仍有一项不合时判为不合格。6.2.3.4钻机抽样检验过程中,不得调整、更换零部件。7标志、包装、运输、贮存
7.1标志
7.1.1铭牌应固定在机身的醒目位置,字迹清晰、耐久。7.1.2铭牌应包括下列内容:
a)制道厂名称;
b)钻机名称和型号,
c)主要技术参数;
d)制造日期和出厂编号。
7.1.3外购件铭牌不应去掉、损坏、涂改和遮挡。7.2包装、运输、贮存
7.2.1包装要牢固并符合运输的规定。7.2.2钻机封箱前应覆盖防潮油毡或塑料薄膜。7.2.3钻机各整体部件应固定在包装箱的底座上,散装件应用包装材料包捆,并可靠固定在包装箱内,防止运输中受损。
7.2.4随机技术文件应封装在防潮袋内,再放入包装箱。7.2.5随机文件包括:
a)检验合格证;
b)使用说明书;
c)装箱单。
7.2.6包装箱外壁的文字和标记应清楚整齐,并注明下列内容,a)发货站和制造厂名称;
b)收货站和收货单位名称;
c)钻机名称和型号;
d)毛重、净重和包装箱外形尺寸;e)防护要求和起吊位置标志。
7.2.7钻机应放在通风良好的地点。7.2.8钻机运输和贮存时要防雨、防暂。95
小提示:此标准内容仅展示完整标准里的部分截取内容,若需要完整标准请到上方自行免费下载完整标准文档。
本标准由国家煤炭工业局行业管理司提出。言
本标准由煤炭工业煤矿专用设备标准化技术委员会归口。本标准由煤炭科学研究总院西安分院负责起草。本标准主要起草人:胡少韵、牟肇华、支恒。本标准委托煤炭科学研究总院西安分院负责解释。88
1范圃
中华人民共和国煤炭行业标准
煤矿坑道勘探用钻机
Drill for exploring in coal mine galleryMT/T 790-1998
本标准规定了煤矿坑道勘探用钻机(以下简称钻机)的型式与参数、技术要求、试验方法、检验规则、标志、包装、运输和贮存。
本标准适用于煤矿井下以地质勘探为主要用途的钻机。2引用标准
下列标准所包含的条文,通过在本标准中引用而构成为本标准的条文。本标准出版时,所示版本均为有效。所有标准都会被修订,使用本标准的各方应探讨使用下列标准最新版本的可能性。GB3836.1-1983爆炸性环境用防爆电气设备通用要求GB3836.2—1983爆炸性环境用防爆电气设备隔爆型电气设备“d”GB3836.4-1983爆炸性环境用防爆电气设备本质安全型电路和电气设备\”GB/T13264—1991不合格率的小批计数抽样检查程序及抽样表MT/T154.1—1992煤矿机电产品型号的编制导则和管理办法3型式与参数
3.1型式
3.1.1钻机按回转器的结构特征分为两种基本型式,即动力头式和立轴式,其中动力头式包括全液压动力头式和机械动力头式。
3.1.2钻机由电动机驱动。
3.2型号
3.2.1钻机型号的编制应符合MT/T154.1的规定。3.2.2钻机型号的组成和排列方式为:修改序号
补充特征代号
一主参数或顺序号
第二待征代号
第一特征代号
-产品类型代号
国家煤炭工业局1998-11-10批准1999-04-01实施
MT/T790—1998
3.2.3钻机型号的各组成部分按下列规则确定:a)产品类型代号律用大写字母Z,表示钻机”;b)第一特征代号用大写字母D或L。前者表示“动力头式”,后者表示“立轴式”;c)主参数或顺序号用阿拉伯数字表示,同一系列钻机的型号应采用主参数或顺序号中的一种表示方法;
d)第二特征代号和补充特征代号用于在必要时突出钻机的性能特点或区别类似产品,各用一个大写汉语拼音字母(I1、O除外)表示,此两项也可空缺;e)修改序号用加括号的大写字母(A)、(B)、(C)、表示设计出现的先后。对于首次提出的设计、此项可空缺。
3.2.4示例
例1:
系列序号为3
动力头式
例2:
钻进深度为75m
立轴式
3.2.5钻机型号后面加上钻机的名称为钻机的全称,在正式文件中第-一次出现时必须写全称,以后在不致引起误解的前题下可以用简称来代替全称。3.2.6钻机型号的管理由煤矿专用设备标准化技术委员会煤田探设备分会承担。新设计的钻机,应按MT/T154.1的规定申报钻机型号,并在钻机鉴定后,办理确认手续。3.3主参数
3.3.1钻机的基本参数包括钻进深度、终孔直径、钻杆直径和主轴最高转速,其中钻进深度为主参数。3.3.2钻机使用两种或两种以上直径的钻杆或终孔直径有较大变化时,其相应的钻进深度应分别列出。
3.3.3钻机的钻进深度应符合表1的规定。表1
4技术要求
一般技术要求
进深度
MT/T790-1998
4.1.1钻机应按经规定程序批准的图样和技术文件制造。4.1.2钻机应能适应钻进各种倾角钻孔的需要。钻进深度在300m以上的全液压动力头式钻机应设置调整机身倾角的液压机构。
4.1.3当钻进深度大于或等于300m时,钻机应能应用绳索取心方法。4.1.4钻进深度在150m以上的全液压动力头式钻机应具备卡盘、夹持器和给进油缸之间的联动功能。
4.1.5钻机配用的电动机及其他电器应符合GB3836.1、GB3836.2、GB3836.4的规定,并具有国家指定单位颁发的防爆检验合格证和安全标志。4.1.6钴机工作中容易引起人身伤害的运动部位应设置安全防护装置或作出醒目标志。4.1.7钻机各仪表和控制手把的位置应使操作者易于观察和安全操作。4.1.8钻机经常拆卸的液压管路管口应带防护盖。4.1.9自制件、外协件应检验合格,外购件应具有合格证方可使用。4.1.10机件组装前必须彻底清理或清洗,不得有粘砂、焊渣、铁屑、油污和其他脏物。4.1.11本标准未规定的技术要求及制造钻机所用的材料、铸件、铆焊件、外购件应符合有关国家标准、行业标准的规定。
4.2外观要求
4.2.1钻机外露表面不得有飞边、毛刺、损伤等缺陷,非加工不平滑表面均应涂腻子抹平,并打磨平整。4.2.2钻机外露表面应采取防锈措施,除铜管、胶管表面外,其他不涂漆的部位应根据需要作电镀、发黑处理或涂防锈油。
4.2.3钻机涂漆应均匀牢固,不得有锈斑、皱皮、剥落、裂纹、流挂、气泡等缺陷。4.2.4钻机有转动方向要求的部位应清晰标明正确方向。4.3性能要求
4.3.1空载运转
4.3.1.1冷却水系统应无漏水、串水现象。4.3.1.2传动机构应动作正常、协调,运转平稳,无导常声响和冲击、振动。4.3.1.3
操作手把应灵活,定位正确、可靠。4.3.1.4液压卡盘和夹持器的卡瓦应开合灵活,均匀,打开时应可便标准尺寸的钻杆顺利通过。5液压系统背压、运动机构空载运动阻力应符合有关技术文件的要求。4.3. 1.5
4.3.1.6各紧固件应无松动现象。4.3.2负载运转
4.3.2.1回转器主轴实测转速和扭矩不得小于额定值。4.3.2.2给进机构实测最大给进力和起拔力与额定值的误差不得大于0.5kN,实测最大给进速度和起拔速度不得小于额定值。
4.3.2.3绳索绞车和升降机的实测最大提升能力不得小于额定值,制动装置应工作可靠。4.3.2.4各密封处不得有渗漏液现象。4.3.3过载运转
4.3.3.1回转器应运转平稳,无异常声响,液压卡盘卡紧钻杆时无相对滑动现象。4.3.3.2应无机件损坏和渗漏液现象。4.3.4温升
钻机运转到热平衡状态时,油泵、油马达和变速箱外表面的温升不得超过40℃,最高温度不得超过75℃,油箱中液压油的最高温度不得超过60℃。4.3.5整机效率
钻机在额定工作状态下的整机效率应符合表2的规定。91
传动方式
整机效率、不小于,%
MT/T 790-1998
机械传动
注:只用液压给进的钻机按主传动方式归入机械传动类。4.3.6噪声
钻机的噪声指标应符合表3规定。表3
动力机功率
4.3.7可靠性
机械传动
噪声指标不大于
钻机作可靠性试验时,按连续工作制运转,无故障累计时间不得少于100h。5试验方法
5.1外观质量检查
钻机组装后用目测法对其外观质量进行检查。5.2空载试验
5.2.1冷却水系统经0.3MPa的水压试验,持续5min。5.2.2钻机油箱和各润滑部位按要求加注传动油和润滑油。5.2.3确认电动机转向正确后接通电源。全液压传动
全液压传动此内容来自标准下载网
5.2.4进行回转器各档的正、反转,在最高转速挡运转30min,其余各挡运转5min。无级调速回转器可在其转速变化范围内选择低、中、高三个位置试验。5.2.5液压卡盘和夹持器各开合动作3次。5.2.6给进机构前进、后退,重复操纵各5次。5.2.7机身调角机构动作3次。
5.2.8对于有联动功能的钻机,应在机身处于垂直位置时检查给进油缸、卡盘与夹持器动作的协调性。5.2.9绳索绞车和升降机正、反向各运转5min。5.3负载试验
5.3.1使用仪器、仪表
a)扭矩仪,量范围根据额定扭矩选定,误差不大于0.5%,b)转速仪,测量范围根据额定转速选定,误差不大于0.5%;c)线速度测量仪,测量范围根据给进行程选定,误差不大于1.0%;d)拉压力测量仪,测量范围根据最大给进力和起拔力选定,误差不大于1.0%;e)压力测量仪,测量范围根据液压系统被测点工作压力选定,误差不大于1.0%;f)流量仪,测量范围根据被测流量选定,误差不大于2.5%;g)电流互感器,额定电压0.5kV,原边额定电流根据电动机工作电流选定,精密度为1级;h)三相瓦特表,额定电流10A,精密度1级,也可以用性能相当的其他电功率测量仪表。5.3.2通过试验钻杆将钻机回转器主轴与扭矩传感器、转速传感器、回转加载装置连接起来,在停止给进的状态下,利用回转加载装置由低到高逐渐加载。92
MT/T 790—1998
5.3.3用电流互感器和三相瓦特表测量电动机的输人功率P1。5.3.4用扭矩传感器和转速传感器测量回转器主轴的输出转速和扭矩。5.3.5将回转器主轴连接在拉压力测量装置上,用拉压力测量仪测量给进机构在移动状态下的给进力和起拔力,同时用线速度测量仪测量给进速度和起拔速度。5.3.6在钢丝绳和重物之间串接拉压力测量仪,以慢速提升重物3次,测量绳索绞车或升降机单绳提升能力。
5.3.7升降机按单绳一速提起重量为最大额定负荷50%的重物到3m以上高度后,松开抱闸,待重物下落行程不小于1m时快速制动,重物应能迅速停止下落。重复进行3次。5.3.8用流量仪和压力测量仪监测液压系统的工作状况。5.4过载试验
5.4.1使用仪器、仪表同5.3.1。5.4.2钻机液压系统采用变量泵时将泵量调整到50%额定值,用定量泵时,按额定排量运转。5.4.3使回转器在低速挡运转,由低到高逐渐加载,使输出扭矩达到额定值的120%(对全液压动力头式钻机可调整系统压力至125%额定值),持续运转5min,检查回转器运转情况及卡盘卡紧能力。5.4.4在系统压力为125%额定值的情况下,进行给进、起拔动作,给进装置在极限位置持续5min,检查各密封处有无泄漏。
5.5温升的测定
5.5.1使用测量范围为0~150℃,最小分度值1℃的温度计。5.5.2将几个温度计分别置于泵站油箱中及油泵、油马达、变速箱外壳靠近轴承处,钻机在额定条件下持续运转,每5min记录一次温度,直至达到热平衡为止。有冷却水系统的钻机在通水冷却状态下测定温升。
5.5.3记录环境温度,计算各测点温升值。5.6整机效率的测定
5.6.1使用仪器、仪表同5.3.1。5.6.2试验条件:
a)电动机供电电压波动不大于5%额定值;b)钻机给进机构不工作,但向液压给进机构供油的油泵应维持空转;c)立轴式钻机的升降机应维持空转。5.6.3试验程序同5.3.2至5.3.4。5.6.4钻机回转器主轴输出功率按式(1)计算:P\n.M
式中:P —回转器主轴输出功率,kW;n——回转器主轴转器,r/min,M-—回转器主轴扭矩,kN·m。
5.6.5电动机额定输人功率P1.n,按下这两种情况分别测定:a)对机械传动钻机,当回转器主轴输出扭矩达到额定值时,b)对全液压传动钻机,当系统压力和油泵排量都达到额定值时。(1)
5.6.6在电动机输人功率达到P1.时,测量相应的回转器主轴输出功率P2.n,按式(2)计算钻机整机效率:
5.6.7对有级调速的钻机,分别测出回转器在各转速挡时的整机效率,然后取算术平均值。对无级调速钻机,只在中间转速时测定。
5.7噪声的测定
5.7.1使用精密度为1级的声级计5.7.2试验条件:
MT/T 790--1998
a)回转器取高速挡,钻机作空载运转;b)对立轴式钻机,其立轴应处于最低位置,并使升降机空转;c)背景噪声应低于70dB(A)。
5.7.3声级计的微音器离地面1.2m,离钻机最大轮哪线1m,在钻机四周测得一组值后取算术平均值。5.7.4对整体式钻机,在其四周取4个测点;对分体式钻机,则在各部分(如主机、泵站、操纵台等)的周围各取4个测点。
5.8可靠性试验
5.8.1钻机在额定输人功率下运转,相对各挡转速施加额定负载,各挡运转累计时间之和作为钻机的累计运转时间。
5.8.2试验期间不得更换零件,调整累计时间不得超过1h。6检验规则
6.1出厂检验
6.1.1钻机由制造厂检验部门检验,检验合格并签发合格证后方可出厂每台钻机出广前应按表4所列出厂检验项目进行检验。6. 1.2
检验项目
一般技术要求
外观要求
空载试验
负载试验
过载试验
可靠性
注:“”表示必检项目。
6.2型式检验
6.2.1有下列情况之一者,应进行型式检验:出厂检验
a)新产品或老产品转厂生产的试制定型鉴定,b)正式生产后,如结构、材料、工艺有较大改变,可能影响钻机性能时;c)正常生产时每3年进行一次,d)停产2年后,恢复生产时,
e)出厂检验结果与上次型式检验有较大差异时;f)国家产品质量监督机构提出进行型式检验时。6.2.2型式检验按表4规定的项目进行。6.2.3抽样及判定规则
型式检验
6.2.3.1型式检验的样品应从出厂检验合格的产品中随机抽取。6.2.3.2抽样按GB/T13264中的一次抽样方案执行,合格质量P。=1.2,极限质量P,=42。94
MT/T 790—1998
6.2.3.3抽样检验后,按下列规定进行判定:a)在一般技术要求中,4.1.5、4.1.6、4.1.9中有一项不合格时判为不合格,其余各项有两项不合格时判为不合格;
b)在外观要求中,有二项不合格时判为不合格;c)在性能要求中,有一项不合格应加倍抽样检验该项,若仍有一项不合时判为不合格。6.2.3.4钻机抽样检验过程中,不得调整、更换零部件。7标志、包装、运输、贮存
7.1标志
7.1.1铭牌应固定在机身的醒目位置,字迹清晰、耐久。7.1.2铭牌应包括下列内容:
a)制道厂名称;
b)钻机名称和型号,
c)主要技术参数;
d)制造日期和出厂编号。
7.1.3外购件铭牌不应去掉、损坏、涂改和遮挡。7.2包装、运输、贮存
7.2.1包装要牢固并符合运输的规定。7.2.2钻机封箱前应覆盖防潮油毡或塑料薄膜。7.2.3钻机各整体部件应固定在包装箱的底座上,散装件应用包装材料包捆,并可靠固定在包装箱内,防止运输中受损。
7.2.4随机技术文件应封装在防潮袋内,再放入包装箱。7.2.5随机文件包括:
a)检验合格证;
b)使用说明书;
c)装箱单。
7.2.6包装箱外壁的文字和标记应清楚整齐,并注明下列内容,a)发货站和制造厂名称;
b)收货站和收货单位名称;
c)钻机名称和型号;
d)毛重、净重和包装箱外形尺寸;e)防护要求和起吊位置标志。
7.2.7钻机应放在通风良好的地点。7.2.8钻机运输和贮存时要防雨、防暂。95
小提示:此标准内容仅展示完整标准里的部分截取内容,若需要完整标准请到上方自行免费下载完整标准文档。
标准图片预览:





- 其它标准
- 热门标准
- 煤炭行业标准(MT)
- MT429-1995 煤矿用隔爆型低压电缆接线盒
- MT/T411-1995 YBI系列装岩机用隔爆型三相异步电动机
- MT/T963-2005 煤中汞含量分级
- MT/T510.2-1995 冶金焦用乌达矿务局煤技术条件
- MT/T934-2005 煤矿许用炸药煤尘—可燃气安全度试验方法及判定
- MT/T522-2004 矿用高强度圆环链检验规范
- MT234-1991 3吨矿车 立井多绳罐笼
- MT284-1994 立井提升容器楔型连接装置技术条件
- MT/T516.2-1995 煤矿液压凿岩机用钎具 钎头
- MT159-1995 矿用除尘器
- MT21-1990 立井箕斗计量装载设备
- MT/T883-2000 柴油机单轨吊车
- MT292.3-1992 蒸汽机车用抚顺矿务局煤技术条件
- MT299.3-1992 冶金焦用鹤岗矿务局煤技术条件
- MT/T743.1-1997 煤矿水中总磷的测定方法
- 行业新闻
请牢记:“bzxz.net”即是“标准下载”四个汉字汉语拼音首字母与国际顶级域名“.net”的组合。 ©2025 标准下载网 www.bzxz.net 本站邮件:bzxznet@163.com
网站备案号:湘ICP备2025141790号-2
网站备案号:湘ICP备2025141790号-2