- 您的位置:
- 标准下载网 >>
- 标准分类 >>
- 国家标准(GB) >>
- GB/T 16155-1996 家用炊事 水暖煤炉热性能试验方法
标准号:
GB/T 16155-1996
标准名称:
家用炊事 水暖煤炉热性能试验方法
标准类别:
国家标准(GB)
标准状态:
已作废-
发布日期:
1996-01-22 -
实施日期:
1996-06-01 -
作废日期:
2005-11-01 出版语种:
简体中文下载格式:
.rar.pdf下载大小:
183.89 KB
标准ICS号:
家用和商用设备、文娱、体育>>厨房设备>>97.040.20炉灶、工作台、烤箱和类似器具中标分类号:
轻工、文化与生活用品>>五金制品>>Y71建筑五金
替代情况:
被GB 16155-2005代替
点击下载
标准简介:
标准下载解压密码:www.bzxz.net
本标准规定了家用炊事水暖煤炉的热性能试验方法。本标准适用于以煤为燃料的家用炊事水暖煤炉、家用水暖煤炉。 GB/T 16155-1996 家用炊事 水暖煤炉热性能试验方法 GB/T16155-1996
部分标准内容:
中华人民共和国国家标准
家用炊事水暖煤炉热
性能试验方法
Testing method for thermal performance of domesticcooking-water heating coal stoves1主题内容与适用范围
本标准规定了家用炊事水煤炉的热性能试验方法。GB/T 16155--1996
本标准适用于以煤(蜂窝煤或散煤)为燃料的家用炊事水暖煤炉、家用水暖煤炉。2引用标准
GB213煤的发热量测定方法
GB5186生物质燃料发热量测试方法GB6412家庭用煤及炉具试验方法3术语
3.1家用事水暖煤炉
以水(在常压状态下)为传热介质,额定供热量小于16kW,兼有炊事和采暖供热能力的煤炉。3.2家用水暖煤炉
以水(在常压状态下)为传热介质,额定供热量小于16kW,只有采暖供热能力的煤炉。3.3上火速度
从炉内引火物起燃到温度为25℃的水升至沸点期间内,单位时间锅水温度升高的度数,表明煤炉的炊事起动性能。
3.4炊事火力强度
锅水蒸发阶段,单位时间锅水蒸发的热量,表明煤炉的炊事供热能力。3.5采暖火力强度
采暖稳定供热期间,单位时间水套水升温吸收的热量,表煤炉的采暖供热能力。3.6额定供热量
规定的煤炉采暖火力强度。
3.7热效率
锅水升温和蒸发吸收的热量及水套水升温吸收的热量之和与投入炉内燃料产生热量的比值,表明煤炉的热利用程度。
3.8封火后上火速度
连续封火10h后重新起动,从起动时刻至温度为25℃的锅水升至沸点期间内,单位时间锅水温度升高的度数,表明煤炉的封火性能。3.9烟气中一氧化碳的平均浓度
国家技术监督局1996-01-22批准298
1996-06-01实施
GB/T16155--1996
炊事火力强度和采暖火力强度试验期间内,烟气中一氧化碳浓度的平均值,表明煤炉在稳定供热状态下,一氧化碳对环境的污染程度。4试验仪器、设备
蒸发铝锅(见表1):一个。
额定供热量
>3. 5~7. 0
>7. 0~16. 0
水桶:容量0.01m,二个。
>10~23
台秤:测量范围0~10kg,感量0.005kg,一台。磅秤:测量范围0~~50kg,感量0.02kg,一台。4.5日
时钟:日差小于2min,一个。
温度计:测量范围0~100℃,分度值0.2℃,四支。4.7干湿球温度计:一支。
4.8风速计:测量范围0~10m/s,精度0.5m/s,-个。4.9烟气取样器:一个。
一氧化碳快速检定管:比长式二、三型,五支。4.10
初始锅水量 Gc1
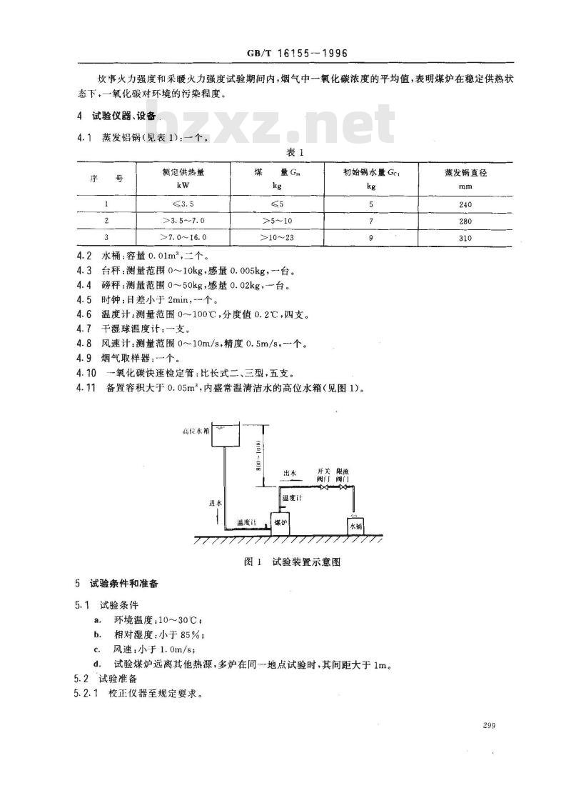
备置容积大于0.05m内盛常温清洁水的高位水箱(见图1)。高依水箱
温度计
温度计
开关美限流
阀门阀门
图1试验装置示意图
5试验条件和准备
5.1试验条件
环境温度:10~30℃;
相对湿度:小于85%;
风速:小于1.0m/s;
试验煤炉远离其他热源,多炉在同一地点试验时,其间距大于1m。d.
5.2试验准备
5.2.1校正仪器至规定要求。
蒸发锅直径
GB/T 16155—1996
5.2.2按GB213和GB5186规定测定自然风干的引火柴、引火煤和煤的低位发热量。5.2.3在水套进、出水管处安装温度计,温度计与炉体的距离应小于三倍的水管径。5.2.4根据煤炉的额定供热量,确定试验用煤量Gm,初始锅水量Gc,和蒸发锅大小(见表1),其中煤量应保证约4h的额定供热量。对多孔煤炉的初始锅水量Gc,和蒸发锅大小,按单孔额定供热量确定。5.2.5称取并记录煤(Gm)、引火煤量(Gm)和引火柴量(Gm2)。5.2.6将温度计通过锅盖中心孔插入锅中,用温度计支架使感温点距离锅底约10mm处。6试验程序
6.1将水箱内的水充满水套,并记录进水温度ti。6.2在蒸发锅内,盛温度为25C的初始锅水量(Gc),盖上锅盖。6.3点火并记下引火物起燃时刻T1,坐上蒸发锅,开始试验。6.4水套水温度升至75℃时,开启开关阀门向水桶内放水。同时,观察出水温度变化情况,调节限流阀门,控制出水温度在75~80℃。当出水温度低于75℃时,关闭开关阀门停止放水。放水期间,每隔2min记一次出水温度,计量此次出水量和平均出水温度。重复这一过程。6.5采暖试验期间,每隔10min记录一次进水温度。6.6锅水温度升至沸点时,打开锅盖并记下此时刻T,和锅水温度,开始炊事火力强度试验。6.7锅水蒸发期间,每隔5min记录一次锅水温度,并计算平均温度值。锅水蒸发1h后,盖上锅盖,并立即称量剩余锅水量Gca,结束炊事火力强度试验。6.8将煤炉和锅具调整至采暖稳定供热状态,按6.4、6.5过程,开始进行90min的采暖火力强度试验(试验10min后,不允许再进行任何调整)。计算此阶段总出水量Gn2、平均出水温度tn2和平均进水温度ti2,结束采暖火力强度试验。下载标准就来标准下载网
6.9重复6.4、6.5过程,当水套水温度在10min内不能回升至75℃时,结束采暖部分试验。计算全过程的总出水量Gns、平均出水温度tn3和平均进水温度ti3。6.10结束采暖试验时测量水套的容水量Gn及其温度tn。6.11对有鼓风机的煤炉需记录用电量E。6.12封火性能试验
6.12.1调整煤炉,使其进入封火状态。6.12.2连续封火10h后,对煤炉进行调整,允许加煤,不允许加引火柴、引火煤,6.12.3对家用炊事水暖煤炉,坐上盛有初始锅水量(Gc1),瘟度为25℃水的蒸发锅,并记下此时刻T3。6.12.4锅水温度升至沸点时,记下此时刻T,和锅水温度tcz,结束封火性能试验。封火性能试验期间,采暖部分按6.4过程进行。
6.12.5对家用水暖煤炉,达到额定供热量后,结束封火性能试验。6.13烟气中一氧化碳浓度测定
6.13.1按GB6412规定,用烟气取样器于烟窗直线段(孔前直线段不小于三倍烟窗直径,孔后直线段不小于两倍烟窗直径),在炊事火力强度和采暖火力强度试验期间,每间隔30min抽取一次烟样,抽取总数不少于三次。
6.13.2用比长式-氧化碳快速检定管测定各次一氧化碳的浓度。6.14熄灭明火,整理现场,待炉温冷却至环境温度后,按上述方法复测一次。7试验结果的计算和评定
7.1上火速度
(1)
式中:Vi
上火速度,C/min;
锅水升至沸点的温度,C;
锅水初始温度,C;
引火物起燃时刻,h:min;
GB/T16155 -- 1996
T2—锅水温度升至沸点时刻,hmin。7.2炊事火力强度
式中:Pc---
炊事火力强度,kW;
蒸发锅内初始水量,kg;
蒸发1h后剩余锅水量,kg;
(Gc1--Gc2)r
锅水在平均蒸发温度状态的平均汽化潜热,kJ/kg;锅水蒸发时间,s。
7.3采暖火力强度
式中:P,
采暖火力强度,kW;
Gn2(tn2 ti2)X4. 18
采暖火力强度试验期间总出水量,kg;平均进水温度,即采暖火力强度试验期间,每次进水温度的算术平均值,℃;ti
7.4热效率
平均出水温度,即采暖火力强度试验期间,每次出水温度的算术平均值,℃,水的比热容,kJ/kg·℃,
采暖火力强度试验时间,s。
4. 8 [G(ne) +Ga Cg-)+Geste-25))+ (Ge-Ge) ×10... ( 4 )G.. QBw+Gm1Qw+Gm2· QBw2
式中:n—热效率,%;
Gns—水套总出水量,kg;
总出水的平均温度,℃,
总进水的平均温度,℃;
水套容水重量,kg;
结束采暖时水套水的温度,℃;·试验开始时水套水的温度,℃;Gm--煤量,kg;
Qow—
一煤的应用基低位发热量,kJ/kg;Gml—引火煤量,kg;
引火煤的应用基低位发热量,kJ/kg;-引火柴量,kg;
Qw2-m—引火柴的应用基低位发热量,kJ/kg。7.5封火后上火速度
式中:Va
封火后上火速度,C/min;
tc2—25
(5)
tc2—封火后锅水沸点温度,℃;Ta-封火结束时刻,h:min;
GB/T 16155
T——锅水升至沸点时刻,h:min。7.6烟气中一氧化碳的平均浓度
式中:
Cco. +cco, +cco
-烟气中-氧化碳的平均浓度,mg/kgcco,--
cαo,cuo,vcco,一分别为三次烟气中氧化碳的平均浓度,mg/kg。(6)
当两次试验结果的热效率差值小于5%时,试验结果有效,并取其平均值填入试验报告,否则重新试验。
8试验报告
试验报告见附录B(参考件),其基本内容包括:说明
试验煤炉的名称、型号;
燃料的品种,规格;
生产(或研制)单位;
试验煤炉的用电量;
试验单位;
试验地点;
试验日期;
试验人员;
试验负责人。
试验目的和要求;
试验仪器和装置;
试验条件:环境温度、相对湿度及风速;试验原始记录,见附录A(参考件);煤炉用电量:
试验结果及评价意见。
试验次数
试验次数
试验次数
重量Gm
初水量
GB/T16155---1996
附录A
家庭炊事水暖煤炉试验记录表
(参考件)
试验燃料及用量
引火煤
发热量QDw
剩余水量
重量Gm
发热量QBw1
表A2炊事部分
起燃后沸点封火后沸点
采暖部分
水套的容水量及其温度
初水温
终水温
引火柴
重量Gm2
采暖火力强度试验期间
出水量
进水温度
发热量Qw2
起燃后沸点
封火结束
出水温度
用电量E
封火后沸点
采暖试验期间
出水量
进水温度
出水温度
煤炉名称、型号:
生产(或研制)单位:
试验目的和要求:
试验仪器和装置:
评价意见:
环境温度t,
试验单位:
试验人员:
附加说明:
上火速度
炊事火力强度
采暖火力强度
热效率
封火后上火速度
GB/T16155—1996
附录B
试验报告
(参考件)
燃料品种、规格:
烟气中一氧化碳的平均浓度
相对湿度中,%
本标准由农业部质量标准司、环能司共同提出。风速V,m/s
试验地点:
用电量E,kw·h
试验日期:
试验负责人:
本标准由中国农业工程研究设计院和东北农学院负责起草。本标准主要起草人安洪萍、崔远勃、陈荣耀、张鉴铭、肖明松、刘建禹、袁生龙。304
小提示:此标准内容仅展示完整标准里的部分截取内容,若需要完整标准请到上方自行免费下载完整标准文档。
家用炊事水暖煤炉热
性能试验方法
Testing method for thermal performance of domesticcooking-water heating coal stoves1主题内容与适用范围
本标准规定了家用炊事水煤炉的热性能试验方法。GB/T 16155--1996
本标准适用于以煤(蜂窝煤或散煤)为燃料的家用炊事水暖煤炉、家用水暖煤炉。2引用标准
GB213煤的发热量测定方法
GB5186生物质燃料发热量测试方法GB6412家庭用煤及炉具试验方法3术语
3.1家用事水暖煤炉
以水(在常压状态下)为传热介质,额定供热量小于16kW,兼有炊事和采暖供热能力的煤炉。3.2家用水暖煤炉
以水(在常压状态下)为传热介质,额定供热量小于16kW,只有采暖供热能力的煤炉。3.3上火速度
从炉内引火物起燃到温度为25℃的水升至沸点期间内,单位时间锅水温度升高的度数,表明煤炉的炊事起动性能。
3.4炊事火力强度
锅水蒸发阶段,单位时间锅水蒸发的热量,表明煤炉的炊事供热能力。3.5采暖火力强度
采暖稳定供热期间,单位时间水套水升温吸收的热量,表煤炉的采暖供热能力。3.6额定供热量
规定的煤炉采暖火力强度。
3.7热效率
锅水升温和蒸发吸收的热量及水套水升温吸收的热量之和与投入炉内燃料产生热量的比值,表明煤炉的热利用程度。
3.8封火后上火速度
连续封火10h后重新起动,从起动时刻至温度为25℃的锅水升至沸点期间内,单位时间锅水温度升高的度数,表明煤炉的封火性能。3.9烟气中一氧化碳的平均浓度
国家技术监督局1996-01-22批准298
1996-06-01实施
GB/T16155--1996
炊事火力强度和采暖火力强度试验期间内,烟气中一氧化碳浓度的平均值,表明煤炉在稳定供热状态下,一氧化碳对环境的污染程度。4试验仪器、设备
蒸发铝锅(见表1):一个。
额定供热量
>3. 5~7. 0
>7. 0~16. 0
水桶:容量0.01m,二个。
>10~23
台秤:测量范围0~10kg,感量0.005kg,一台。磅秤:测量范围0~~50kg,感量0.02kg,一台。4.5日
时钟:日差小于2min,一个。
温度计:测量范围0~100℃,分度值0.2℃,四支。4.7干湿球温度计:一支。
4.8风速计:测量范围0~10m/s,精度0.5m/s,-个。4.9烟气取样器:一个。
一氧化碳快速检定管:比长式二、三型,五支。4.10
初始锅水量 Gc1
备置容积大于0.05m内盛常温清洁水的高位水箱(见图1)。高依水箱
温度计
温度计
开关美限流
阀门阀门
图1试验装置示意图
5试验条件和准备
5.1试验条件
环境温度:10~30℃;
相对湿度:小于85%;
风速:小于1.0m/s;
试验煤炉远离其他热源,多炉在同一地点试验时,其间距大于1m。d.
5.2试验准备
5.2.1校正仪器至规定要求。
蒸发锅直径
GB/T 16155—1996
5.2.2按GB213和GB5186规定测定自然风干的引火柴、引火煤和煤的低位发热量。5.2.3在水套进、出水管处安装温度计,温度计与炉体的距离应小于三倍的水管径。5.2.4根据煤炉的额定供热量,确定试验用煤量Gm,初始锅水量Gc,和蒸发锅大小(见表1),其中煤量应保证约4h的额定供热量。对多孔煤炉的初始锅水量Gc,和蒸发锅大小,按单孔额定供热量确定。5.2.5称取并记录煤(Gm)、引火煤量(Gm)和引火柴量(Gm2)。5.2.6将温度计通过锅盖中心孔插入锅中,用温度计支架使感温点距离锅底约10mm处。6试验程序
6.1将水箱内的水充满水套,并记录进水温度ti。6.2在蒸发锅内,盛温度为25C的初始锅水量(Gc),盖上锅盖。6.3点火并记下引火物起燃时刻T1,坐上蒸发锅,开始试验。6.4水套水温度升至75℃时,开启开关阀门向水桶内放水。同时,观察出水温度变化情况,调节限流阀门,控制出水温度在75~80℃。当出水温度低于75℃时,关闭开关阀门停止放水。放水期间,每隔2min记一次出水温度,计量此次出水量和平均出水温度。重复这一过程。6.5采暖试验期间,每隔10min记录一次进水温度。6.6锅水温度升至沸点时,打开锅盖并记下此时刻T,和锅水温度,开始炊事火力强度试验。6.7锅水蒸发期间,每隔5min记录一次锅水温度,并计算平均温度值。锅水蒸发1h后,盖上锅盖,并立即称量剩余锅水量Gca,结束炊事火力强度试验。6.8将煤炉和锅具调整至采暖稳定供热状态,按6.4、6.5过程,开始进行90min的采暖火力强度试验(试验10min后,不允许再进行任何调整)。计算此阶段总出水量Gn2、平均出水温度tn2和平均进水温度ti2,结束采暖火力强度试验。下载标准就来标准下载网
6.9重复6.4、6.5过程,当水套水温度在10min内不能回升至75℃时,结束采暖部分试验。计算全过程的总出水量Gns、平均出水温度tn3和平均进水温度ti3。6.10结束采暖试验时测量水套的容水量Gn及其温度tn。6.11对有鼓风机的煤炉需记录用电量E。6.12封火性能试验
6.12.1调整煤炉,使其进入封火状态。6.12.2连续封火10h后,对煤炉进行调整,允许加煤,不允许加引火柴、引火煤,6.12.3对家用炊事水暖煤炉,坐上盛有初始锅水量(Gc1),瘟度为25℃水的蒸发锅,并记下此时刻T3。6.12.4锅水温度升至沸点时,记下此时刻T,和锅水温度tcz,结束封火性能试验。封火性能试验期间,采暖部分按6.4过程进行。
6.12.5对家用水暖煤炉,达到额定供热量后,结束封火性能试验。6.13烟气中一氧化碳浓度测定
6.13.1按GB6412规定,用烟气取样器于烟窗直线段(孔前直线段不小于三倍烟窗直径,孔后直线段不小于两倍烟窗直径),在炊事火力强度和采暖火力强度试验期间,每间隔30min抽取一次烟样,抽取总数不少于三次。
6.13.2用比长式-氧化碳快速检定管测定各次一氧化碳的浓度。6.14熄灭明火,整理现场,待炉温冷却至环境温度后,按上述方法复测一次。7试验结果的计算和评定
7.1上火速度
(1)
式中:Vi
上火速度,C/min;
锅水升至沸点的温度,C;
锅水初始温度,C;
引火物起燃时刻,h:min;
GB/T16155 -- 1996
T2—锅水温度升至沸点时刻,hmin。7.2炊事火力强度
式中:Pc---
炊事火力强度,kW;
蒸发锅内初始水量,kg;
蒸发1h后剩余锅水量,kg;
(Gc1--Gc2)r
锅水在平均蒸发温度状态的平均汽化潜热,kJ/kg;锅水蒸发时间,s。
7.3采暖火力强度
式中:P,
采暖火力强度,kW;
Gn2(tn2 ti2)X4. 18
采暖火力强度试验期间总出水量,kg;平均进水温度,即采暖火力强度试验期间,每次进水温度的算术平均值,℃;ti
7.4热效率
平均出水温度,即采暖火力强度试验期间,每次出水温度的算术平均值,℃,水的比热容,kJ/kg·℃,
采暖火力强度试验时间,s。
4. 8 [G(ne) +Ga Cg-)+Geste-25))+ (Ge-Ge) ×10... ( 4 )G.. QBw+Gm1Qw+Gm2· QBw2
式中:n—热效率,%;
Gns—水套总出水量,kg;
总出水的平均温度,℃,
总进水的平均温度,℃;
水套容水重量,kg;
结束采暖时水套水的温度,℃;·试验开始时水套水的温度,℃;Gm--煤量,kg;
Qow—
一煤的应用基低位发热量,kJ/kg;Gml—引火煤量,kg;
引火煤的应用基低位发热量,kJ/kg;-引火柴量,kg;
Qw2-m—引火柴的应用基低位发热量,kJ/kg。7.5封火后上火速度
式中:Va
封火后上火速度,C/min;
tc2—25
(5)
tc2—封火后锅水沸点温度,℃;Ta-封火结束时刻,h:min;
GB/T 16155
T——锅水升至沸点时刻,h:min。7.6烟气中一氧化碳的平均浓度
式中:
Cco. +cco, +cco
-烟气中-氧化碳的平均浓度,mg/kgcco,--
cαo,cuo,vcco,一分别为三次烟气中氧化碳的平均浓度,mg/kg。(6)
当两次试验结果的热效率差值小于5%时,试验结果有效,并取其平均值填入试验报告,否则重新试验。
8试验报告
试验报告见附录B(参考件),其基本内容包括:说明
试验煤炉的名称、型号;
燃料的品种,规格;
生产(或研制)单位;
试验煤炉的用电量;
试验单位;
试验地点;
试验日期;
试验人员;
试验负责人。
试验目的和要求;
试验仪器和装置;
试验条件:环境温度、相对湿度及风速;试验原始记录,见附录A(参考件);煤炉用电量:
试验结果及评价意见。
试验次数
试验次数
试验次数
重量Gm
初水量
GB/T16155---1996
附录A
家庭炊事水暖煤炉试验记录表
(参考件)
试验燃料及用量
引火煤
发热量QDw
剩余水量
重量Gm
发热量QBw1
表A2炊事部分
起燃后沸点封火后沸点
采暖部分
水套的容水量及其温度
初水温
终水温
引火柴
重量Gm2
采暖火力强度试验期间
出水量
进水温度
发热量Qw2
起燃后沸点
封火结束
出水温度
用电量E
封火后沸点
采暖试验期间
出水量
进水温度
出水温度
煤炉名称、型号:
生产(或研制)单位:
试验目的和要求:
试验仪器和装置:
评价意见:
环境温度t,
试验单位:
试验人员:
附加说明:
上火速度
炊事火力强度
采暖火力强度
热效率
封火后上火速度
GB/T16155—1996
附录B
试验报告
(参考件)
燃料品种、规格:
烟气中一氧化碳的平均浓度
相对湿度中,%
本标准由农业部质量标准司、环能司共同提出。风速V,m/s
试验地点:
用电量E,kw·h
试验日期:
试验负责人:
本标准由中国农业工程研究设计院和东北农学院负责起草。本标准主要起草人安洪萍、崔远勃、陈荣耀、张鉴铭、肖明松、刘建禹、袁生龙。304
小提示:此标准内容仅展示完整标准里的部分截取内容,若需要完整标准请到上方自行免费下载完整标准文档。
标准图片预览:





- 热门标准
- 国家标准(GB)
- GB/T7574-1987 信息处理交换用磁带标号和文卷结构
- GB5585.3-1985 电工用铜、铝及其合金母线 第3部分:铝母线
- GB/T18442.6-2011 固定式真空绝热深冷压力容器 第6部分:安全防护
- GB/Z18039.7-2011 电磁兼容 环境公用供电系统中的电压暂降、短时中断及其测量统计结果
- GB/T2828.1-2012 计数抽样检验程序 第1部分:按接收质量限(AQL)检索的逐批检验抽样计划
- GB/T12500-1990 信息处理系统 开放系统互连 面向连接的运输协议规范
- GB∕T33370-2016 铜及铜合金软化温度的测定方法
- GB/T283-2007 滚动轴承圆柱滚子轴承外形尺寸
- GB/T21242-2019 烟花爆竹 禁限用物质定性检测方法
- GB/T19673.2-2013 滚动轴承 套筒型直线球轴承附件第2部分:5系列外形尺寸和公差
- GB/T21666-2008 尿吸收辅助器具 评价的一般指南
- GB/T10006-2021 塑料 薄膜和薄片 摩擦系数的测定
- GB/T39088-2020 船舶和海上技术 声响接收系统
- GB/T27892-2011 船舶与海上技术 机舱易燃油料系统 易燃油料泄漏预防
- GB∕T67-2016 开槽盘头螺钉
- 行业新闻
请牢记:“bzxz.net”即是“标准下载”四个汉字汉语拼音首字母与国际顶级域名“.net”的组合。 ©2025 标准下载网 www.bzxz.net 本站邮件:bzxznet@163.com
网站备案号:湘ICP备2025141790号-2
网站备案号:湘ICP备2025141790号-2