- 您的位置:
- 标准下载网 >>
- 标准分类 >>
- 冶金行业标准(YB) >>
- YB/T 4208-2009 冶金用金属冷切圆锯片
标准号:
YB/T 4208-2009
标准名称:
冶金用金属冷切圆锯片
标准类别:
冶金行业标准(YB)
标准状态:
现行-
发布日期:
2009-12-04 出版语种:
简体中文下载格式:
.rar .pdf下载大小:
2.25 MB
手机扫码下载更方便
点击下载
标准简介:
标准下载解压密码:www.bzxz.net
本标准规定了冶金用金属冷切圆锯片的结构型式、基本参数及尺寸标记、技术要求、检验方法、检验规则、标志、包装、运输、储存、使用和维护。 本标准适用于在常温状态下锯切管材、型钢等钢材的金属冷切圆锯片。 YB/T 4208-2009 冶金用金属冷切圆锯片 YB/T4208-2009
部分标准内容:
ICS 77.180
中华人民共和国黑色冶金行业标准YB/T4208—2009
治金用金属冷切圆锯片
Metal cold-cutting circular saw blade for metallurgy2009-12-04发布
中华人民共和国工业和信息化部2010-06-01实施
本标准由中国钢铁工业协会提出,前言
本标准由冶金机电标准化技术委员会归口。本标准由唐山冶金锯片有限公司、北京科技大学负责起草。本标准主要起草人:郭继富、臧勇、张艳龙、宋浩、吴迪平。本标准为首次发布。
YB/T4208—2009
1范围
冶金用金属冷切圆锯片
YB/T4208—2009
本标准规定了冶金用金属冷切圆锯片的结构型式、基本参数及尺寸标记、技术要求、检验方法、检验规则、标志、包装、运输、储存、使用和维护。本标准适用于在常温状态下锯切管材、型钢等钢材的金属冷切圆锯片。2规范性引用文件
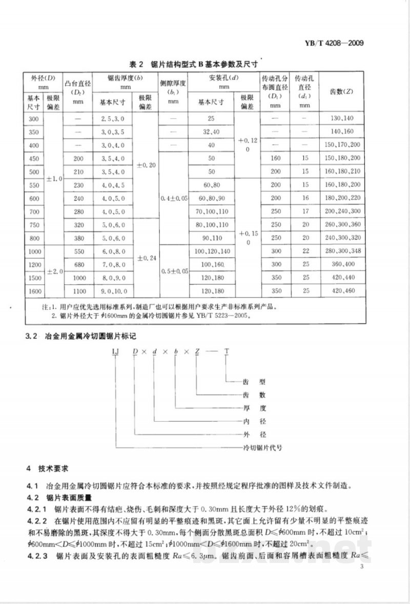
下列文件中的条款通过本标准的引用而成为本标准的条款。凡是注日期的引用文件,其随后所有的修改单(不包括勘误的内容)或修订版均不适用于本标准,然而,鼓励根据本标准达成协议的各方研究是否可使用这些文件的最新版本。凡是不注日期的引用文件,其最新版本适用于本标准。GB/T230.1金属洛氏硬度试验第1部分:试验方法(A、B、C、D、E、F、G、H、K、N、T标尺)(GB/T230.1--2004ISO6508-1:1999,MOD)GB/T1184--1996形状和位置公差未注公差值(eqvISO2768-2:1989)YB/T5223--2005金属热切圆锯片3结构型式、基本参数及尺寸标记3.1冶金用金属冷切圆锯片的结构型式应符合图1、图2、图3的规定,基本参数及尺寸应符合表1、表2的规定。
锯片结构型式A(通用型)
YB/T4208--2009
1型齿
外径(D)
图2锯片结构型式B(节能型)
II型齿
图3锯片齿型
表1锯片结构型式A基本参数及尺寸锯齿厚度(b)
基本尺寸
2.5、3.0
3.0、3.5
3.0、4.0
3.5、4.0
3.5、4.0
4.0、4.5
4.0、5.0
4.0、5.0
5.0、6.0
5.0、6.0
6.0、8.0
7.0、8.0
8.0、9.0
9.0、10.0
安装孔(d)
基本尺寸
32、40
60、80、90
70、100、110
80、100、110
90、110
100、120、140
100、160
120、180
120、180
传动孔分布
圆直径(D)
注:1.用户应优先选用标准系列,制造厂也可以根据用户要求生产非标准系列产品。2.锯片外径大于1600mm的金属冷切圆锯片参见YB/T5223一2005。2
III型齿
传动孔直径
齿数(Z)
130、140
140、160
150、170、200
150、180、200
160、180、210
160、180、200
180、200、220
200、240、300
260、300、360
240、300、320
280、300、348
360、400
420、440
420、460
外径(D)
基本极限
凸台直径
(D2)
表2锯片结构型式B基本参数及尺寸锯齿厚度(6)
基本尺寸
2.5、3.0
3.0、3.5
3.0、4.0
3.5、4.0
3.5、4.0
4.0、4.5
4.0、5.0
4.0、5.0
5.0、6.0
5.0、6.0
6.0、8.0
8.0、9.0
9.0、10.0
侧隙厚度
(b,)
0.4±0.05
0.5±0.05
安装孔(d)
基本尺寸
32、40
60、80
60、80、90
70、100、110
80、100、110
90、110
100、120、140
100、160.
120、180
120、180
传动孔分
布圆直径
注:1.用户应优先选用标准系列,制造厂也可以根据用户要求生产非标准系列产品。2.锯片外径大于1600mm的金属冷切圆锯片参见YB/T5223-2005。3.2:冶金用金属冷切圆锯片标记DX
冷切锯片代号
4技术要求
YB/T4208—2009
传动孔
齿数(2)
130、140
140、160
150、170、200
150、180、200
160、180、210
160、180、200
180、200、220
200、240、300
260、300、360
240、300、320
280、300、348
360、400
420、440
420、460
4.1冶金用金属冷切圆锯片应符合本标准的要求,并按照经规定程序批准的图样及技术文件制造。4.2锯片表面质
4.2.1锯片表面不得有结疤、烧伤、毛刺和深度大于0.30mm且长度大于外径12%的划痕。4.2.2在锯片使用范围内不应留有明显的平整痕迹和黑斑,其它面上允许留有少量不明显的平整痕迹和不易磨除的黑斑,其深度不得大于0.30mm,每个侧面分散黑斑总面积D<600mm时,不超过10cm2;600mmYB/T4208-2009
3.2μm。
4.3锯片不允许存在裂纹。
4.4锯片允许有2~4个工艺孔。
4.5锯片形状位置公差见表3。
径向圆跳动
端面圆跳动
片体平面度下载标准就来标准下载网
传动孔对安装孔的位置度
表3锯片形状位置公差
D≤000
单位为毫米
$1000按GB/T1184-1996附录B表B.4中的第9级公差等级≤0.60
注:锯片外径大于1600mm的金属冷切圆锯片,形状位置公差参见YB/T5223一2005的表2。锯片同片厚度差按表4控制。
表4锯片同片厚度差
同片厚度差
单位为毫米
1000≤D600
注:锯片外径大于1600mm的金属冷切圆锯片,同片厚度差参见YB/T5223--2005的表3。4.7锯片一般采用65Mn、75Crl、8CrV钢板或可保证使用性能的其它材料制造。钢板的化学成分和硬度见表5。
表5锯片原材料的化学成分及硬度化学成分(质量分数)/%
0.62~0.70
0.70~0.80
0.75~0.85
0.17~0.37
0.25~0.50
0.25~0.40
0.90~1.20
0.50~0.70
0.30~0.50
锯片应进行热处理,其整体硬度为45HRC~48HRC。其性能要求参见YB/T5223--2005的有关要求。5检验方法
5.1锯片表面粗糙度检验采用比较法。5.2锯片硬度检验应符合GB/T230.1的规定。S
0.25~0.55
0.40~0.70
0.15~0.25
(热轧状态)
≤260
≤290
≤290
锯片外径大于1600mm的金属冷切圆锯片,5.2.1测量片体硬度时,在板面上均分三个扇形区域,每个区域测量均布的三点硬度值,其值应符合4.8的要求。如其中一点不合格,应在距该点30mm~50mm的同圆周上补检均布的三点,若符合要求则判为合格。
5.3锯片形状位置公差
5.3.1径向圆跳动按图4所示方法在齿尖上测定。4
5.3.2端面圆跳动按图4所示方法在距离齿尖15mm~25mm任一圆周上测定。图4锯片的径向圆跳动和端面圆跳动测试方法YB/T4208—2009
5.3.3平面度检验可采用平台加塞尺的方法进行。用塞尺测量平台与锯片两面之间的最大间隙,其值即为平面度。
5.3.4传动孔对安装孔的位置度误差,用专用量具检测。5.4在锯片安装孔的孔边缘和外圆周分别均匀选取3个以上的检测点,用厚度干分尺测量其片体厚度,用最大值减去最小值即得到同片厚度差。6检验规则
锯片经检验合格后才能出厂。
锯片出厂检验应检查以下各项:a)
安装孔直径:
表面质量;
裂纹;
外径;
齿距;
锯片厚度及同片厚度差;
径向圆跳动;
端面圆跳动;
平面度;
片体硬度;
传动孔对安装孔的位置度。
7标志、包装、运输和储存
7.1标志
7.1.1每张锯片均应有清晰标志,内容包括:a)制造厂家、商标、合格标识;b)规格型号、材质;
c)制造日期及生产编号。
7.2包装
YB/T 4208—-2009
7.2.1锯片包装前须进行防锈处理。包装应具备防潮、防冲撞、易吊装等功能。7.2.2包装箱内应随附下列文件:a)
装箱单:注明产品名称、规格型号、数量、装箱日期;b)
有检验员签章的产品合格证。
包装箱外表面应标明:
产品名称、规格型号、数量;
装箱日期、毛重、净重;
制造厂名称、地址;
收货单位名称、地址。
7.3运输
可用公路、铁路运输。在运输过程中,文明装卸,保证包装完好。7.4储存
锯片应在通风良好、干燥防潮的库房内平放,高度不超过1m,片体表面在一年内不能产生锈蚀,禁止碰撞。
8使用与维护
8.1使用要求
8.1.1与锯片配套的锯机应具有良好的稳定性,锯片夹盘及进给导轨精度良好,锯片安装正确、夹持牢固,根据不同工件选择合理的锯切工艺参数。8.1.2锯片工作时应配备适当压力和流量的冷却介质。8.1.3被锯切工件应该处在稳固夹持的状态下,以免因异常窜动损伤锯片、产生危险。8.2修复要求
8.2.1当锯片使用一段时间后发现锯切声音明显变大、火花增多、工件切口质量下降时,要及时更换修复。
8.2.2为保证修磨质量,应使用专门的锯片刃磨机床修磨锯片。8.2.3锯片修复后,锯齿齿型、径向圆跳动和端面圆跳动应达到新锯片的形状和精度。8.2.4锯片出现变形后,须参照新锯片标准校正其平面度,必要时应交锯片生产厂家处理。8.3报废标准
直径小于原始直径的90%;
b)连续糊齿4个以上;
连续断齿3个以上;
径向裂纹向切向发展;
发现斜向裂纹;
f)1/4圆周内出现长度大于外径3%的径向裂纹3处以上;g)1/2圆周内出现长度大于外径4%的径向裂纹5处以上,或出现1条长度大于外径5%的径向裂纹;
h)片体出现明显的瓢曲变形。
中华人民共和国黑色冶金
行业标准
冶金用金属冷切圆锯片
YB/T4208—2009
冶金工业出版社出版发行
北京北河沿大街嵩祝院北巷39号邮政编码:100009
北京兴华印刷厂印刷
各地新华书店经销
开本880×1230
2010年3月第一版
印张0.75
字数18千字
2010年3月第一次印刷
统一书号:155024·290
定价:15.00元
中华人民共和国黑色冶金行业标准YB/T4208—2009
治金用金属冷切圆锯片
Metal cold-cutting circular saw blade for metallurgy2009-12-04发布
中华人民共和国工业和信息化部2010-06-01实施
本标准由中国钢铁工业协会提出,前言
本标准由冶金机电标准化技术委员会归口。本标准由唐山冶金锯片有限公司、北京科技大学负责起草。本标准主要起草人:郭继富、臧勇、张艳龙、宋浩、吴迪平。本标准为首次发布。
YB/T4208—2009
1范围
冶金用金属冷切圆锯片
YB/T4208—2009
本标准规定了冶金用金属冷切圆锯片的结构型式、基本参数及尺寸标记、技术要求、检验方法、检验规则、标志、包装、运输、储存、使用和维护。本标准适用于在常温状态下锯切管材、型钢等钢材的金属冷切圆锯片。2规范性引用文件
下列文件中的条款通过本标准的引用而成为本标准的条款。凡是注日期的引用文件,其随后所有的修改单(不包括勘误的内容)或修订版均不适用于本标准,然而,鼓励根据本标准达成协议的各方研究是否可使用这些文件的最新版本。凡是不注日期的引用文件,其最新版本适用于本标准。GB/T230.1金属洛氏硬度试验第1部分:试验方法(A、B、C、D、E、F、G、H、K、N、T标尺)(GB/T230.1--2004ISO6508-1:1999,MOD)GB/T1184--1996形状和位置公差未注公差值(eqvISO2768-2:1989)YB/T5223--2005金属热切圆锯片3结构型式、基本参数及尺寸标记3.1冶金用金属冷切圆锯片的结构型式应符合图1、图2、图3的规定,基本参数及尺寸应符合表1、表2的规定。
锯片结构型式A(通用型)
YB/T4208--2009
1型齿
外径(D)
图2锯片结构型式B(节能型)
II型齿
图3锯片齿型
表1锯片结构型式A基本参数及尺寸锯齿厚度(b)
基本尺寸
2.5、3.0
3.0、3.5
3.0、4.0
3.5、4.0
3.5、4.0
4.0、4.5
4.0、5.0
4.0、5.0
5.0、6.0
5.0、6.0
6.0、8.0
7.0、8.0
8.0、9.0
9.0、10.0
安装孔(d)
基本尺寸
32、40
60、80、90
70、100、110
80、100、110
90、110
100、120、140
100、160
120、180
120、180
传动孔分布
圆直径(D)
注:1.用户应优先选用标准系列,制造厂也可以根据用户要求生产非标准系列产品。2.锯片外径大于1600mm的金属冷切圆锯片参见YB/T5223一2005。2
III型齿
传动孔直径
齿数(Z)
130、140
140、160
150、170、200
150、180、200
160、180、210
160、180、200
180、200、220
200、240、300
260、300、360
240、300、320
280、300、348
360、400
420、440
420、460
外径(D)
基本极限
凸台直径
(D2)
表2锯片结构型式B基本参数及尺寸锯齿厚度(6)
基本尺寸
2.5、3.0
3.0、3.5
3.0、4.0
3.5、4.0
3.5、4.0
4.0、4.5
4.0、5.0
4.0、5.0
5.0、6.0
5.0、6.0
6.0、8.0
8.0、9.0
9.0、10.0
侧隙厚度
(b,)
0.4±0.05
0.5±0.05
安装孔(d)
基本尺寸
32、40
60、80
60、80、90
70、100、110
80、100、110
90、110
100、120、140
100、160.
120、180
120、180
传动孔分
布圆直径
注:1.用户应优先选用标准系列,制造厂也可以根据用户要求生产非标准系列产品。2.锯片外径大于1600mm的金属冷切圆锯片参见YB/T5223-2005。3.2:冶金用金属冷切圆锯片标记DX
冷切锯片代号
4技术要求
YB/T4208—2009
传动孔
齿数(2)
130、140
140、160
150、170、200
150、180、200
160、180、210
160、180、200
180、200、220
200、240、300
260、300、360
240、300、320
280、300、348
360、400
420、440
420、460
4.1冶金用金属冷切圆锯片应符合本标准的要求,并按照经规定程序批准的图样及技术文件制造。4.2锯片表面质
4.2.1锯片表面不得有结疤、烧伤、毛刺和深度大于0.30mm且长度大于外径12%的划痕。4.2.2在锯片使用范围内不应留有明显的平整痕迹和黑斑,其它面上允许留有少量不明显的平整痕迹和不易磨除的黑斑,其深度不得大于0.30mm,每个侧面分散黑斑总面积D<600mm时,不超过10cm2;600mm
3.2μm。
4.3锯片不允许存在裂纹。
4.4锯片允许有2~4个工艺孔。
4.5锯片形状位置公差见表3。
径向圆跳动
端面圆跳动
片体平面度下载标准就来标准下载网
传动孔对安装孔的位置度
表3锯片形状位置公差
D≤000
单位为毫米
$1000
注:锯片外径大于1600mm的金属冷切圆锯片,形状位置公差参见YB/T5223一2005的表2。锯片同片厚度差按表4控制。
表4锯片同片厚度差
同片厚度差
单位为毫米
1000≤D600
注:锯片外径大于1600mm的金属冷切圆锯片,同片厚度差参见YB/T5223--2005的表3。4.7锯片一般采用65Mn、75Crl、8CrV钢板或可保证使用性能的其它材料制造。钢板的化学成分和硬度见表5。
表5锯片原材料的化学成分及硬度化学成分(质量分数)/%
0.62~0.70
0.70~0.80
0.75~0.85
0.17~0.37
0.25~0.50
0.25~0.40
0.90~1.20
0.50~0.70
0.30~0.50
锯片应进行热处理,其整体硬度为45HRC~48HRC。其性能要求参见YB/T5223--2005的有关要求。5检验方法
5.1锯片表面粗糙度检验采用比较法。5.2锯片硬度检验应符合GB/T230.1的规定。S
0.25~0.55
0.40~0.70
0.15~0.25
(热轧状态)
≤260
≤290
≤290
锯片外径大于1600mm的金属冷切圆锯片,5.2.1测量片体硬度时,在板面上均分三个扇形区域,每个区域测量均布的三点硬度值,其值应符合4.8的要求。如其中一点不合格,应在距该点30mm~50mm的同圆周上补检均布的三点,若符合要求则判为合格。
5.3锯片形状位置公差
5.3.1径向圆跳动按图4所示方法在齿尖上测定。4
5.3.2端面圆跳动按图4所示方法在距离齿尖15mm~25mm任一圆周上测定。图4锯片的径向圆跳动和端面圆跳动测试方法YB/T4208—2009
5.3.3平面度检验可采用平台加塞尺的方法进行。用塞尺测量平台与锯片两面之间的最大间隙,其值即为平面度。
5.3.4传动孔对安装孔的位置度误差,用专用量具检测。5.4在锯片安装孔的孔边缘和外圆周分别均匀选取3个以上的检测点,用厚度干分尺测量其片体厚度,用最大值减去最小值即得到同片厚度差。6检验规则
锯片经检验合格后才能出厂。
锯片出厂检验应检查以下各项:a)
安装孔直径:
表面质量;
裂纹;
外径;
齿距;
锯片厚度及同片厚度差;
径向圆跳动;
端面圆跳动;
平面度;
片体硬度;
传动孔对安装孔的位置度。
7标志、包装、运输和储存
7.1标志
7.1.1每张锯片均应有清晰标志,内容包括:a)制造厂家、商标、合格标识;b)规格型号、材质;
c)制造日期及生产编号。
7.2包装
YB/T 4208—-2009
7.2.1锯片包装前须进行防锈处理。包装应具备防潮、防冲撞、易吊装等功能。7.2.2包装箱内应随附下列文件:a)
装箱单:注明产品名称、规格型号、数量、装箱日期;b)
有检验员签章的产品合格证。
包装箱外表面应标明:
产品名称、规格型号、数量;
装箱日期、毛重、净重;
制造厂名称、地址;
收货单位名称、地址。
7.3运输
可用公路、铁路运输。在运输过程中,文明装卸,保证包装完好。7.4储存
锯片应在通风良好、干燥防潮的库房内平放,高度不超过1m,片体表面在一年内不能产生锈蚀,禁止碰撞。
8使用与维护
8.1使用要求
8.1.1与锯片配套的锯机应具有良好的稳定性,锯片夹盘及进给导轨精度良好,锯片安装正确、夹持牢固,根据不同工件选择合理的锯切工艺参数。8.1.2锯片工作时应配备适当压力和流量的冷却介质。8.1.3被锯切工件应该处在稳固夹持的状态下,以免因异常窜动损伤锯片、产生危险。8.2修复要求
8.2.1当锯片使用一段时间后发现锯切声音明显变大、火花增多、工件切口质量下降时,要及时更换修复。
8.2.2为保证修磨质量,应使用专门的锯片刃磨机床修磨锯片。8.2.3锯片修复后,锯齿齿型、径向圆跳动和端面圆跳动应达到新锯片的形状和精度。8.2.4锯片出现变形后,须参照新锯片标准校正其平面度,必要时应交锯片生产厂家处理。8.3报废标准
直径小于原始直径的90%;
b)连续糊齿4个以上;
连续断齿3个以上;
径向裂纹向切向发展;
发现斜向裂纹;
f)1/4圆周内出现长度大于外径3%的径向裂纹3处以上;g)1/2圆周内出现长度大于外径4%的径向裂纹5处以上,或出现1条长度大于外径5%的径向裂纹;
h)片体出现明显的瓢曲变形。
中华人民共和国黑色冶金
行业标准
冶金用金属冷切圆锯片
YB/T4208—2009
冶金工业出版社出版发行
北京北河沿大街嵩祝院北巷39号邮政编码:100009
北京兴华印刷厂印刷
各地新华书店经销
开本880×1230
2010年3月第一版
印张0.75
字数18千字
2010年3月第一次印刷
统一书号:155024·290
定价:15.00元
小提示:此标准内容仅展示完整标准里的部分截取内容,若需要完整标准请到上方自行免费下载完整标准文档。
标准图片预览:





- 其它标准
- 热门标准
- 冶金行业标准(YB)
- YBJ219-1989 钢铁工业建(构)筑物可靠性鉴定规程
- YB/T5236-1993 杜美丝芯合金4J43技术条件
- YB/T5231-1993 铁镍钴玻封合金4J29和4J44技术条件
- YB9070-2014 冶金行业压力容器设计管理规定
- YB/T140-2009 钢渣化学分析方法
- YBJ217-1988 冶金电气设备安装工程施工及验收规范
- YB/T804-2009 钢铁渣及处理利用术语
- YB4104-2000 高层建筑结构用钢板
- YB/T5126-2003 钢筋混凝土用钢筋弯曲和反向弯曲试验方法
- YB/T4075-1991 锆质定径水口砖
- YBB0029-2002 硼硅玻璃管制注射剂瓶(试行)(附起草说明)
- YB/T5238-1993 线纹尺合金4J58技术条件
- YB/T104-2005 电熔莫来石
- YB/T9033-1998 供水水文地质勘察和供水管井工程检查、验收和质量评定标准(附条文说明)
- YBJ218-1989 冶金矿山井巷工程质量检验评定标准
- 行业新闻
请牢记:“bzxz.net”即是“标准下载”四个汉字汉语拼音首字母与国际顶级域名“.net”的组合。 ©2025 标准下载网 www.bzxz.net 本站邮件:wymp4wang@gmail.com