- 您的位置:
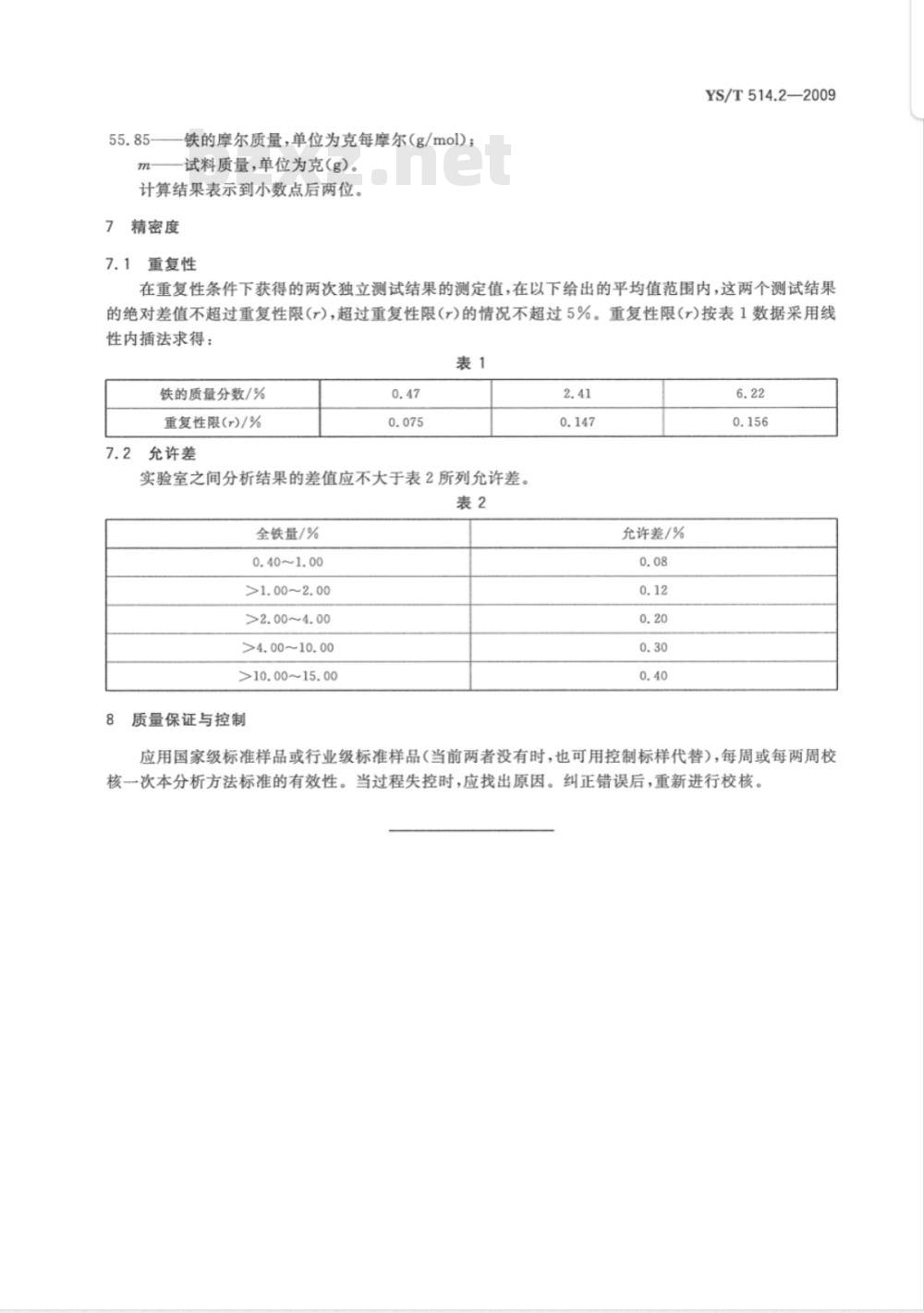
- 标准下载网 >>
- 标准分类 >>
- 有色金属行业标准(YS) >>
- YS/T 514.2-2009 高钛渣、金红石化学分析方法 第2部分:全铁量的测定 重铬酸钾滴定法
【有色金属行业标准(YS)】 高钛渣、金红石化学分析方法 第2部分:全铁量的测定 重铬酸钾滴定法
本网站 发布时间:
2024-09-27 03:02:57
- YS/T514.2-2009
- 现行
- 点击下载此标准
标准号:
YS/T 514.2-2009
标准名称:
高钛渣、金红石化学分析方法 第2部分:全铁量的测定 重铬酸钾滴定法
标准类别:
有色金属行业标准(YS)
标准状态:
现行-
发布日期:
2009-12-04 出版语种:
简体中文下载格式:
.rar .pdf下载大小:
2.06 MB
替代情况:
替代YS/T 514.2-2006
点击下载
标准简介:
标准下载解压密码:www.bzxz.net
本部分规定了高钛渣、金红石中全铁量的测定。本部分适用于高钛渣、金红石中全铁量的测定。测定范围:0.40%~15.00%。本部分不适用于含铜量大于1.5%的试样中全铁量的测定。 YS/T 514.2-2009 高钛渣、金红石化学分析方法 第2部分:全铁量的测定 重铬酸钾滴定法 YS/T514.2-2009
标准图片预览:





- 热门标准
- 有色金属行业标准(YS)
- YS/T539.6-2006 镍基合金粉化学分析方法三氯化钛-重铬酸钾滴定法测定铁量
- YS/T539.11-2009 镍基合金粉化学分析方法 第11部分:钨量的测定 辛可宁称量法
- YS/T420-2000 铝合金韦氏硬度试验方法
- YS/T240.6-2007 铋精矿化学分析方法 铁量的测定 重铬酸钾滴定法
- YS/T636-2007 铅及铅锑合金棒和线材
- YS/T555.10-2009 钼精矿化学分析方法 铼量的测定 硫氰酸盐分光光度法
- YS/T102.2-2003 铅、锌冶炼企业产品能耗 第二部分:锌冶炼企业产品能耗
- YS/T484-2005 金属氢化物 镍电池负极用储氢合金比容量的测定
- YS/T240.9-2007 铋精矿化学分析方法 铜量的测定 碘量法和火焰原子吸收光谱法
- YS/T244.3-1994 高纯铝化学分析方法 二安替吡啉甲烷-硫氰酸盐光度法测定钛量
- YS/T335-1994 电真空器件用无氧铜含氧量金相检验法
- YS/T911-2013 铜及铜合金U型管
- YS/T351-1994 钛铁矿(砂矿)精矿
- YS/T211.3-1994 锑化学分析方法 双硫腙光度法测定镉
- YS/T553-2006 重型刀具用硬质合金刀片毛坯
- 行业新闻
请牢记:“bzxz.net”即是“标准下载”四个汉字汉语拼音首字母与国际顶级域名“.net”的组合。 ©2025 标准下载网 www.bzxz.net 本站邮件:bzxznet@163.com
网站备案号:湘ICP备2025141790号-2
网站备案号:湘ICP备2025141790号-2