- 您的位置:
- 标准下载网 >>
- 标准分类 >>
- 电子行业标准(SJ) >>
- SJ 50597.50-1997 半导体集成电路 JT54F74型FTTL双上升沿D触发器详细规范
标准号:
SJ 50597.50-1997
标准名称:
半导体集成电路 JT54F74型FTTL双上升沿D触发器详细规范
标准类别:
电子行业标准(SJ)
标准状态:
现行出版语种:
简体中文下载格式:
.rar .pdf下载大小:
506.50 KB
点击下载
标准简介:
标准下载解压密码:www.bzxz.net
SJ 50597.50-1997 半导体集成电路 JT54F74型FTTL双上升沿D触发器详细规范 SJ50597.50-1997
部分标准内容:
中华人民共和国电子行业军用标准FL5962
SJ 50597/50-97
半导体集成电路
JT54F74型FTTL双上升沿D
触发器详细规范
Semiconductor integrated cicuitsDetail specification for type JT54F74 FTTL dual Dpositive edge-triggered flip-flops1997-06-17发布
1997-10-01实施
中华人民共和国电子工业部批准中华人民共和国电子行业军用标准半导体集成电路
JT54F74型FTTL双_上升沿D
触发器详细规范
Semicondaictor Integrated circuitsDetatl specirication for type JT54F74 FTTL dual Dpositive edge-triggered flip-flops1范围
1.1古题内容
SJ50597/5097
本规范规定了半导体集成电路JTS4F74型FTTL双上升沿D触发器(以下简称器件)的详细要求。
1.2适用范围
本规范适用手器件的研制、生产和采购。1.3分类
本规范给出的器件按器件等级和封装形式分类。1.3.1器件编号
器件编号应按GJB 597A(半导体集成电路总规范)3.6.2的规定。1.3.1.1器件等级
器件等级应为 GIB 597 中 3,4 规定的 B级和 B1 级,1.3.1.2封装形式
封装形式应按GB/T7092(半导休集成电路外形尺山)的规定。封装形式如下:
封装形式
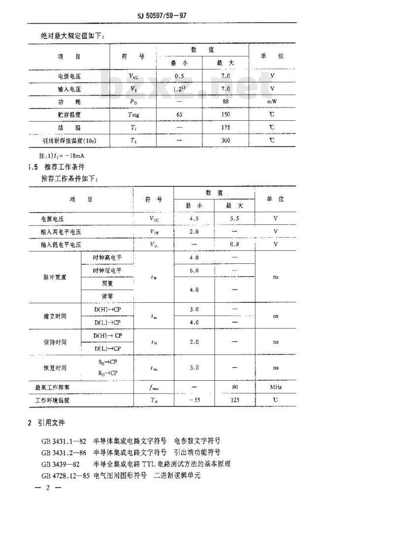
绝对最大额定值
中华人民共和国电子工业部1997-06.17发布外形代号
1997.10-01实施
TYKAONKACa-
绝对最大额定值如下,
电源电压
输入电压
贮存温度
引线耐焊接温度(10s))
注:1)[= -18mA
1.5 推荐工作条件
推荐工作条件如下:
电源电压
输入高电平电压
输入低电平电压
SJ50597/50-97
时钟商电
脉冲宽度
建立时间
保持时间
恢复时间
最高工作颖率
工作环境温度
2引用文件
时钟低电平
D(H)-CP
n(t)--cp
D(H)- CP
L)-→CF
GB3431.1—82半导体集成电路文字符号电参数文字符号半导体集成电路文字符号引出端功能符号GB 3431.2--86
GB 343982
半导全集成电路TTL电路测试方法的基本原理GB4728.12—85电气图用图形符号二进制逻辑单元-2
SJ50597/50-97
GB/T7092—93半导体集成电路外形尺寸GIB 548A—96
GIB 597A—96
3要求
3.1详细要求
微电子器件试验方法和程序
半导体集成电路总规范
各项要求应按GIB597A和本规范的规定。3.2设计、结构和外形尺寸
设计、结构和外形尺寸应符合GJB597A和本规范的规定。3.2.1逻辑符号、逻辑图和引出端排列邀辑符号、逻辑图和引出端排列应符合图1的规定。引出端排列为俯视图。逻辑符号符合GB 4728.12的规定。
逻辑符号
150(4)
ICP(3)
tD (2)
1RD(1)
2SD(10)r
2P(11)
2RD(13)
(6)0
(8)20
引出端排列
逻辑图(1/2)
TYKAOIKAca-
D、F、H、I型
SJ50597/50-97
IDIRDV2RD
15 吨
9 10:11 12 13
1G GND 20 20
图逻辑符号、逻辑图和引出端排列3.2.2功能表
功能裘如下:
注:①H—高电平;
L-—低电平1
-低到高电平跳变;x—任意;
1)当S和R都变为H时,出状态不稳定。2)Q稳态输入条件建立前Q的电平。D
s———稳态输入条件建立前的的电平或Qo的补码。3.2.3电路图
承制方在鉴定前应将电路图提交给鉴定机构存档备查。3.2.4封装形式
封装形式应符合本规范1.3.1.2的规定。3.3引线材料和镀涂
引线材料和镀涂应按GJB597A的3.5.6的规定。3.4电特性
电特性应符合本规范表1的规定。4
输出高平电压
输出低电平电压
输入钳位电压
输入高电平电流
输入低电平电流
电源电流
输出短路电流!
输出驱动电流
最高工作预率
传输延退时间
SJ 50597/50—97
表1电特性
(若无其他规定,-55C≤)T125tVce = 4.5V,
Vh= 2.0V.
IoH= -1.OmA
Vce= 4.5V.
Vih=2.0V.
ar=20mA
Vcc=4.5V, Ir= -18mA
Vc:= 5.5V
D,CP 为测试端
Ro.Sa为测试端www.bzxz.net
Vcc = 5.5V, Vu.= (V
Vcc=5.5V, Vo=0V
Vec-4.5V, V,- 5.5V, Va -2.5VCP-Q
Vax= 5.0V
Ci. - 50pF± 10%
Ci.*50pF±10%
CP接2.7V
Cr = 50pF = 10%
CF接OV
注:1)每次只能一个输出短路。3.5电试验要求
Sp—Q
规范值
器的电试验要求应为本规范表2所规定的有关分组,各个分组的电测试按本规范表3的规定:
TKAONKAa-
中间(老炼前)电测试
中间(老炼后)电测试
最终电凝试
A 组检验电测试
C组终点电测试
C组检验增加的电测试分组
D组终点电测试
SJ 50597/5097
表2电试验要求
B级器件
A2、A3、A7、A9
AI、A2、A3、A7、A8、
A9、A10、A11
A1.A2、A3
AI、A2、A3
注:1)该分组要求PDA计算(见本规范4.3)。表3电测试
引用标准
GB3439
【若无其规定,TA-25
Vec=4.5V,
Vir.= 0. 8V,
Vcc =4.5V,
Vrl.=0.8V
I(H- -1.0mA
lol.=20mA
I,= m18mA
Vcc-4.5V,
V-=-5.5V, V, - 2.7V
Ve: =5.5v, VI+7.0V
Vit -0.5V
D, CP 为测试端
Rp.S,测试端
Ve\ 5.sv. V'n.= 0v
Vα- 5.5V, Vo=0V
V(x=4.5v, V - 5.5V, Vo=2.5V
TA=125t除Vik不测外.其作参数、条件、规范值同表1。T,=-55C除Vx不测务,其余参数、条件、规范值同表1。组见裘3)
B1级器件
A2、A3.A7、A9
A1、A2、A3.
A7、A8、A9
Al、A2、A3
AlOAll
AI、AZ、A3
规范值
先在Vc:4.5V,后在Vcc=5.5V下分别行功能测试。功能测试按本规范3.2.2。TA=125℃
TA= - 55℃
光在Vcc=4.5V.后在VceS.5V下分别进行功能测试,功能测试按本规范3.2.2。
引用标准
GB3439
SJ50597/50-97
续表3
(若无其他规定,TA=25
C, = 50pF ±10%
RpSp 接 2, 7V
(见图4)
CL= 50pF = 10%
CP接2.7V
(见图3)
Cr, = 50nF= 10%
CP接OV
(见图3)
TA=125C,所有开关参数,条件同A9分组,规范值按表1。T= -55℃,所有开关参数、条件同 A9 分组,规范值按表 1。Ve- sy
图2开关测试原理图
注:R=4990±10%:C,=50mF±10%(包括探头电容与夹具电容)规范值
TKAONKAa-
SDRD输入
Q-0出
SJ50597/50-97
图3预置和清零开关时间测试波形图1.5V
·sU注:0)1=10≤2.5ns。
图4开关时间波形测试图
@摘人含号特性:f以表1为基准,1=50±10%。当测试了m时,输出额率应为输人叛率的一半。8
3.6标志
标志应接GJB597A3.6的规定。
4质量保证规定
4.1抽样和检验
SJ50597/50-97
除本规范另有规定外,抽样和检验程序应按GJB597A和GJB548A方法S005A的规定。鉴定和质量一致性检验中,承制方可采用GJB597A附录C结构相似性程序,但需经监定机构批准。
4.2筛选
在鉴定检验和质量一致性检验之前,全部器件应按 GIB 548A方法 5004A和本规范表 4的规定进行筛选。
表4筛选
若无其他规定,表中采用的方法系指GJB548A的试验方法。条件和要求
筛选项目
内部月检
(封装前)
稳定性烘焙
【不要求终点
电测试)
温度循环
恒定加速度
中闻(老炼前)
电測试
中问(老炼后)
电测试
充许不合格
品率(PDA)
及其计算
B级器件
试验条件B
试验条件 C
温度:150℃
时间:24h
试验条件C
试验条 E
Y1方向
本规范A1
试验条件
温度:125C
时间:160h
本规范 Al
5%,本规范
Al分笙,当
不合格品案
超过20%时
B1级器件
试验条件B
试验条件C
温度:150℃
时间24h
试验条件 C
试验条件 D
YI方向
本规范 AL
试验条件 D
温度:125℃
时间:160h
本规范 Al
10%,本规
范A分组
当不合格品
率超过20%
可用方法 1011A 试
验条件 A 替代。
试验后进行目检,
引线断落,外壳破
裂,封益脱落为失效。
电承制方选择是否
进行。
按本规范图6电路
或等效电路。
若老炼前未进行中
间电测试,则老炼
启中间电测试 A1 分
组的失效数也应计
TTKAONKAa-
筛选项目
练电测试
粗检漏
外部目
监定或质量一
致性检验试验
样品的选取
— 10 —
SJ 50597/50-97
续表4
条件和要求
B级器件
可量新提交
老炼,担只
充许一次。
本规范 A2
A3,A7,A9分组
试验条件:
A1 或 A2 方法
C1方法
BI级器件
时,可重新
交老炼,
但只允许一次
本规范A2
A3,A7,A9分组
试验条件,
A1或A2方法
C1方法
6老炼和寿命试验电路图
入 PDA 内。
本项筛选后,若改变
器件的引线镀途或者
返工,则应再进行 Af
分组测试。
可在发货前按批进行
注;① 输入信号特性:
SJ 50597/50 -97
fA=100kHz±50%,J=50kHz±50%,占空比g=50±15%VH=2.0~5.5V,Vz=0.5~0.8V
图R,= 2400± 5%,
R=$10±5%
R,=1kn±5%
?Vα和 R,值的选择应使老炼器件 Vα端至少为5.5V4.3鉴定检验
鉴定检验应按 GJB 597A 中 4.4的规定。所进行的检验应符合 GIB 548A 方法 5005A 和本规范A、B、C、和D组检验(见本规范4.4.1-4.4.4)的规定。静电放电敏感度(ESDS)等级鉴定应在筛选之前按GJB597A中3.4.1.4规定进行。4.4质量一致性检验
质量一致性检验应按GJB597A中4.5的规定和本规范的规定。所进行的检验应按GJB548A 方法 500SA 和本规范 A、B、C租 D组检验(见本规范4.4, 1~4,4,4)的规定,4.4.1A组检验
A组检验要求按本规范表S的规。电试验要求应按本规范表2的规定,各分组的电测试按本规范表3的规定。各分组的测试可用同一个样本进行。当所要求的样本大小超过批的大小时,允许100%检验。各分组测试可按任意顺序进行。合格判定数(C)最大为2。表 5A组检验
Al分组
A2分组
A3分组
A7分组
A8分组
A9分组
Al0分组
Al1分组
25℃下静态测试
125℃下静态测试
-55下静态测试
25℃下功能测试
125C下功能测试
-55℃下功能测试
25℃下开关测试
125℃下开关测试
~55下开关测试
4.4.2B组检验
B组检验应按本规范表6的规定。B级器件
B1一B5 分组可用同检验批中电性能不合格的器件作为样本。LTPD
B1级器件
TYKAOKAca-
小提示:此标准内容仅展示完整标准里的部分截取内容,若需要完整标准请到上方自行免费下载完整标准文档。
SJ 50597/50-97
半导体集成电路
JT54F74型FTTL双上升沿D
触发器详细规范
Semiconductor integrated cicuitsDetail specification for type JT54F74 FTTL dual Dpositive edge-triggered flip-flops1997-06-17发布
1997-10-01实施
中华人民共和国电子工业部批准中华人民共和国电子行业军用标准半导体集成电路
JT54F74型FTTL双_上升沿D
触发器详细规范
Semicondaictor Integrated circuitsDetatl specirication for type JT54F74 FTTL dual Dpositive edge-triggered flip-flops1范围
1.1古题内容
SJ50597/5097
本规范规定了半导体集成电路JTS4F74型FTTL双上升沿D触发器(以下简称器件)的详细要求。
1.2适用范围
本规范适用手器件的研制、生产和采购。1.3分类
本规范给出的器件按器件等级和封装形式分类。1.3.1器件编号
器件编号应按GJB 597A(半导体集成电路总规范)3.6.2的规定。1.3.1.1器件等级
器件等级应为 GIB 597 中 3,4 规定的 B级和 B1 级,1.3.1.2封装形式
封装形式应按GB/T7092(半导休集成电路外形尺山)的规定。封装形式如下:
封装形式
绝对最大额定值
中华人民共和国电子工业部1997-06.17发布外形代号
1997.10-01实施
TYKAONKACa-
绝对最大额定值如下,
电源电压
输入电压
贮存温度
引线耐焊接温度(10s))
注:1)[= -18mA
1.5 推荐工作条件
推荐工作条件如下:
电源电压
输入高电平电压
输入低电平电压
SJ50597/50-97
时钟商电
脉冲宽度
建立时间
保持时间
恢复时间
最高工作颖率
工作环境温度
2引用文件
时钟低电平
D(H)-CP
n(t)--cp
D(H)- CP
L)-→CF
GB3431.1—82半导体集成电路文字符号电参数文字符号半导体集成电路文字符号引出端功能符号GB 3431.2--86
GB 343982
半导全集成电路TTL电路测试方法的基本原理GB4728.12—85电气图用图形符号二进制逻辑单元-2
SJ50597/50-97
GB/T7092—93半导体集成电路外形尺寸GIB 548A—96
GIB 597A—96
3要求
3.1详细要求
微电子器件试验方法和程序
半导体集成电路总规范
各项要求应按GIB597A和本规范的规定。3.2设计、结构和外形尺寸
设计、结构和外形尺寸应符合GJB597A和本规范的规定。3.2.1逻辑符号、逻辑图和引出端排列邀辑符号、逻辑图和引出端排列应符合图1的规定。引出端排列为俯视图。逻辑符号符合GB 4728.12的规定。
逻辑符号
150(4)
ICP(3)
tD (2)
1RD(1)
2SD(10)r
2P(11)
2RD(13)
(6)0
(8)20
引出端排列
逻辑图(1/2)
TYKAOIKAca-
D、F、H、I型
SJ50597/50-97
IDIRDV2RD
15 吨
9 10:11 12 13
1G GND 20 20
图逻辑符号、逻辑图和引出端排列3.2.2功能表
功能裘如下:
注:①H—高电平;
L-—低电平1
-低到高电平跳变;x—任意;
1)当S和R都变为H时,出状态不稳定。2)Q稳态输入条件建立前Q的电平。D
s———稳态输入条件建立前的的电平或Qo的补码。3.2.3电路图
承制方在鉴定前应将电路图提交给鉴定机构存档备查。3.2.4封装形式
封装形式应符合本规范1.3.1.2的规定。3.3引线材料和镀涂
引线材料和镀涂应按GJB597A的3.5.6的规定。3.4电特性
电特性应符合本规范表1的规定。4
输出高平电压
输出低电平电压
输入钳位电压
输入高电平电流
输入低电平电流
电源电流
输出短路电流!
输出驱动电流
最高工作预率
传输延退时间
SJ 50597/50—97
表1电特性
(若无其他规定,-55C≤)T125tVce = 4.5V,
Vh= 2.0V.
IoH= -1.OmA
Vce= 4.5V.
Vih=2.0V.
ar=20mA
Vcc=4.5V, Ir= -18mA
Vc:= 5.5V
D,CP 为测试端
Ro.Sa为测试端www.bzxz.net
Vcc = 5.5V, Vu.= (V
Vcc=5.5V, Vo=0V
Vec-4.5V, V,- 5.5V, Va -2.5VCP-Q
Vax= 5.0V
Ci. - 50pF± 10%
Ci.*50pF±10%
CP接2.7V
Cr = 50pF = 10%
CF接OV
注:1)每次只能一个输出短路。3.5电试验要求
Sp—Q
规范值
器的电试验要求应为本规范表2所规定的有关分组,各个分组的电测试按本规范表3的规定:
TKAONKAa-
中间(老炼前)电测试
中间(老炼后)电测试
最终电凝试
A 组检验电测试
C组终点电测试
C组检验增加的电测试分组
D组终点电测试
SJ 50597/5097
表2电试验要求
B级器件
A2、A3、A7、A9
AI、A2、A3、A7、A8、
A9、A10、A11
A1.A2、A3
AI、A2、A3
注:1)该分组要求PDA计算(见本规范4.3)。表3电测试
引用标准
GB3439
【若无其规定,TA-25
Vec=4.5V,
Vir.= 0. 8V,
Vcc =4.5V,
Vrl.=0.8V
I(H- -1.0mA
lol.=20mA
I,= m18mA
Vcc-4.5V,
V-=-5.5V, V, - 2.7V
Ve: =5.5v, VI+7.0V
Vit -0.5V
D, CP 为测试端
Rp.S,测试端
Ve\ 5.sv. V'n.= 0v
Vα- 5.5V, Vo=0V
V(x=4.5v, V - 5.5V, Vo=2.5V
TA=125t除Vik不测外.其作参数、条件、规范值同表1。T,=-55C除Vx不测务,其余参数、条件、规范值同表1。组见裘3)
B1级器件
A2、A3.A7、A9
A1、A2、A3.
A7、A8、A9
Al、A2、A3
AlOAll
AI、AZ、A3
规范值
先在Vc:4.5V,后在Vcc=5.5V下分别行功能测试。功能测试按本规范3.2.2。TA=125℃
TA= - 55℃
光在Vcc=4.5V.后在VceS.5V下分别进行功能测试,功能测试按本规范3.2.2。
引用标准
GB3439
SJ50597/50-97
续表3
(若无其他规定,TA=25
C, = 50pF ±10%
RpSp 接 2, 7V
(见图4)
CL= 50pF = 10%
CP接2.7V
(见图3)
Cr, = 50nF= 10%
CP接OV
(见图3)
TA=125C,所有开关参数,条件同A9分组,规范值按表1。T= -55℃,所有开关参数、条件同 A9 分组,规范值按表 1。Ve- sy
图2开关测试原理图
注:R=4990±10%:C,=50mF±10%(包括探头电容与夹具电容)规范值
TKAONKAa-
SDRD输入
Q-0出
SJ50597/50-97
图3预置和清零开关时间测试波形图1.5V
·sU
图4开关时间波形测试图
@摘人含号特性:f以表1为基准,1=50±10%。当测试了m时,输出额率应为输人叛率的一半。8
3.6标志
标志应接GJB597A3.6的规定。
4质量保证规定
4.1抽样和检验
SJ50597/50-97
除本规范另有规定外,抽样和检验程序应按GJB597A和GJB548A方法S005A的规定。鉴定和质量一致性检验中,承制方可采用GJB597A附录C结构相似性程序,但需经监定机构批准。
4.2筛选
在鉴定检验和质量一致性检验之前,全部器件应按 GIB 548A方法 5004A和本规范表 4的规定进行筛选。
表4筛选
若无其他规定,表中采用的方法系指GJB548A的试验方法。条件和要求
筛选项目
内部月检
(封装前)
稳定性烘焙
【不要求终点
电测试)
温度循环
恒定加速度
中闻(老炼前)
电測试
中问(老炼后)
电测试
充许不合格
品率(PDA)
及其计算
B级器件
试验条件B
试验条件 C
温度:150℃
时间:24h
试验条件C
试验条 E
Y1方向
本规范A1
试验条件
温度:125C
时间:160h
本规范 Al
5%,本规范
Al分笙,当
不合格品案
超过20%时
B1级器件
试验条件B
试验条件C
温度:150℃
时间24h
试验条件 C
试验条件 D
YI方向
本规范 AL
试验条件 D
温度:125℃
时间:160h
本规范 Al
10%,本规
范A分组
当不合格品
率超过20%
可用方法 1011A 试
验条件 A 替代。
试验后进行目检,
引线断落,外壳破
裂,封益脱落为失效。
电承制方选择是否
进行。
按本规范图6电路
或等效电路。
若老炼前未进行中
间电测试,则老炼
启中间电测试 A1 分
组的失效数也应计
TTKAONKAa-
筛选项目
练电测试
粗检漏
外部目
监定或质量一
致性检验试验
样品的选取
— 10 —
SJ 50597/50-97
续表4
条件和要求
B级器件
可量新提交
老炼,担只
充许一次。
本规范 A2
A3,A7,A9分组
试验条件:
A1 或 A2 方法
C1方法
BI级器件
时,可重新
交老炼,
但只允许一次
本规范A2
A3,A7,A9分组
试验条件,
A1或A2方法
C1方法
6老炼和寿命试验电路图
入 PDA 内。
本项筛选后,若改变
器件的引线镀途或者
返工,则应再进行 Af
分组测试。
可在发货前按批进行
注;① 输入信号特性:
SJ 50597/50 -97
fA=100kHz±50%,J=50kHz±50%,占空比g=50±15%VH=2.0~5.5V,Vz=0.5~0.8V
图R,= 2400± 5%,
R=$10±5%
R,=1kn±5%
?Vα和 R,值的选择应使老炼器件 Vα端至少为5.5V4.3鉴定检验
鉴定检验应按 GJB 597A 中 4.4的规定。所进行的检验应符合 GIB 548A 方法 5005A 和本规范A、B、C、和D组检验(见本规范4.4.1-4.4.4)的规定。静电放电敏感度(ESDS)等级鉴定应在筛选之前按GJB597A中3.4.1.4规定进行。4.4质量一致性检验
质量一致性检验应按GJB597A中4.5的规定和本规范的规定。所进行的检验应按GJB548A 方法 500SA 和本规范 A、B、C租 D组检验(见本规范4.4, 1~4,4,4)的规定,4.4.1A组检验
A组检验要求按本规范表S的规。电试验要求应按本规范表2的规定,各分组的电测试按本规范表3的规定。各分组的测试可用同一个样本进行。当所要求的样本大小超过批的大小时,允许100%检验。各分组测试可按任意顺序进行。合格判定数(C)最大为2。表 5A组检验
Al分组
A2分组
A3分组
A7分组
A8分组
A9分组
Al0分组
Al1分组
25℃下静态测试
125℃下静态测试
-55下静态测试
25℃下功能测试
125C下功能测试
-55℃下功能测试
25℃下开关测试
125℃下开关测试
~55下开关测试
4.4.2B组检验
B组检验应按本规范表6的规定。B级器件
B1一B5 分组可用同检验批中电性能不合格的器件作为样本。LTPD
B1级器件
TYKAOKAca-
小提示:此标准内容仅展示完整标准里的部分截取内容,若需要完整标准请到上方自行免费下载完整标准文档。
标准图片预览:





- 热门标准
- 行业标准
- SJ20794/2-2007 RNK5085型有可靠性指标的表面安装膜固定电阻网络详细规范
- SJ/T11396-2009 氮化镓基发光二极管蓝宝石衬底片
- SJ/T31421-1994 双推板式电热隧道窑完好要求和检查评定方法
- SJ50065/12-2004 JRW-220M型有可靠性指标的TO-5密封直流电磁继电器详细规范
- SJ/T31424-1994 室式淬火热处理炉完好要求和检查评定方法
- SJ/T31422-1994 可控气氛炉完好要求和检查评定方法
- SJ1185-1977 彩色电视测量测试卡(CT752卡)
- SJ/T31127-1994 MP010型多功能可焊性测试设备完好要求和检查评定方法
- SJ905-1974 RX70型精密线绕电阻器
- SJ/T10608-1994 电子设备用机电开关 第五部分:按钮开关分规范 第一篇 空白详细规范
- SJ/T31129-1994 高低温测试设备完好要求和检查评定方法
- SJ50600.1-1994 JY3452型后松压接接触件盒式安装螺纹连接圆形固定电连接器详细规
- SJ1522-1979 KN1型钮子开关
- SJ450-1973 高压整流管阳极耗散功率的测试方法
- SJ1382-1978 FU-822F金属陶瓷发射四极管
- 行业新闻
请牢记:“bzxz.net”即是“标准下载”四个汉字汉语拼音首字母与国际顶级域名“.net”的组合。 ©2025 标准下载网 www.bzxz.net 本站邮件:bzxznet@163.com
网站备案号:湘ICP备2025141790号-2
网站备案号:湘ICP备2025141790号-2