- 您的位置:
- 标准下载网 >>
- 标准分类 >>
- 国家标准(GB) >>
- GB/T 15724.1-1995 实验室玻璃仪器 烧杯
标准号:
GB/T 15724.1-1995
标准名称:
实验室玻璃仪器 烧杯
标准类别:
国家标准(GB)
标准状态:
已作废-
发布日期:
1995-10-24 -
实施日期:
1996-07-01 -
作废日期:
2009-05-01 出版语种:
简体中文下载格式:
.rar.pdf下载大小:
200.06 KB
标准ICS号:
化工技术>>分析化学>>71.040.20实验室器皿和有中标分类号:
仪器、仪表>>实验室仪器与真空仪器>>N64实验室用玻璃、陶瓷、塑料器皿
替代情况:
被GB/T 15724-2008代替采标情况:
NEQ ISO 3819-85
部分标准内容:
ICS1.048.20
中华人民共和国国家标准
G1/T 15724. 1~15724.2—1995bzxZ.net
实验室玻璃仪器
Laboratory glassware-Beaker
1995-10-24发布
1996-07-01施
国家技术监督局发布
标准技技网
标维行业资科免费下教
中华人民共和国国家标准
实验室玻璃仪器
Laboratory lassware Beaker
本标准非等效来用巨际际准15038191S25实验室乾戒仪器主题内容与适用范围
GD/T1724.1955
烧坏。
本标准规定整总的产品争券、技代要,追鉴连,控整视则、标击包装、运前和产球本标痛适用干实验室月玻还。
2 引用标准
包装情运示标定
渗批抢查计数抽样我序及市栏志(适于连续批的检查)GB2828
GE 6S8F
实岭牢玻璃仪器热也击试验方法玻璃附社离泥个减水距液没性的试险方法和分级GU 6FS2
基瑞在S(耐水救粒式验方法和级G312213支术制玻玻器具表示法
C=/15726变瑞仪器内应力控验方法门15728鼓璃而积盐酸浸蚀性的更量试整方法和分Q1?器装聘制外测缺陷术语
2口30002玻两平学线热联非系数测试方运3产品分装
3.1说机类
分与低型烧杆和高型烧坏两类,3.2规格系列
3.2.1低生晓杆
低烧的规格系列:5.1C.2550,cc,150.55,400.500,603.800.1339.2cc0.3(0cEu
3.2.2成型好杯
高型的教落系为:50.100,1:0.250,193.300,00800.1c33.2000.30ccm3.3容体
必求效交量装合下的邦典
烧坏的满寸窄基序超逆标种窄量拍16%究存的满口窄量和标射等量的两够面宜乐不应小1mn,并应采用容盘差直牧大的种。注:烧杯不留丁计量器其,窄量系近必侦,内无相物趋定块程.不标CML,3.4结构开式和尺寸
国家挂术监局1955-10-24批准
快17ha壁道
1996-0701实施
种舒整葡精销
标准技技网W各实标准行业资科克费下载该县慧
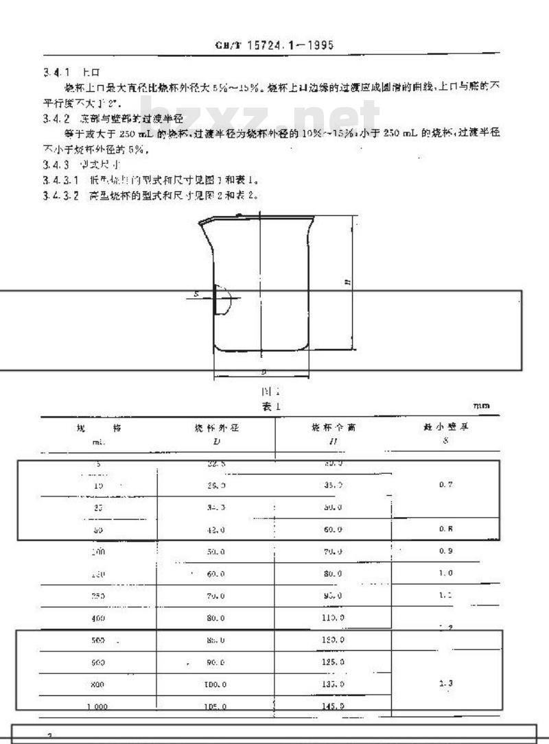
3.4.1上口
CH/15724.1-1995
杯上口最大直径比燃杯外径大5给~15%。烧杯上边缘的过源应成困措的曲线,上口与磨的不平行度大」2*.
3.4.2来部与整部关过渡半径
等于或大于250mL的协板,过遗半径为烧杯外径的10-15%,小于250mL的烧杯,过渡半径不小于烧杯外径括5%,
3.4. 3小
3.4.3.1诉开,统!!间型式尺寸见图1和表1。3.2.3.2高型杯的型式利尺见图2和表2。表
烧杯外足
标准技技网W
烧杯个商
标准行业资科免费载
注,外径和全高的公茎为士5%
B,T 15724.1:-1995
续装1
挖杯外空
150, 0
培好径
外风和全高的公营为主594
快1h壁猪
统杯金高
猪杯全高
最小牛
最小里酒
甜红督道面
标雅摄网
各实标准行业资科兑费下教
W.
4技术要求
4.7好质
GA/T 15724.1 :1995
境还应有适当的化学修实性和装稳定性的硼硅胶获咳璃制法,受好采用3.3通硅玻理。4. 1.1f化性能
板璃的理化性能应符合步3药患求表3
金20-30nC克州内最炫的腺胀系数。引求·能
剂醛·-除
:实为券系持然规节及举厚烧杯的时热击在5:,可拟按CB6579进行式监4.1.2我消色
司造姚托的龄应无色透呢,充许带有要摘本牙的变点绿色,4.2内度力
双折导的光库养值不画超证130nm/cm。4.3外观密求
烧式故牢不起施转或摇具
4. 3. 2存量
5.$×1*K-
当人标称容量的水生外低倒时,水成形最一束细流从流出,烧杯外整应无水滴,汁满水的烧放在片上继续烂水吃,水感馈流当来,两不是其他部位流出来,433元润
博度范,我一池不价许季在,将关9.5mm能日洲的气泡学10mmx10mm积内不多于。.:am的气泡不得密过表4括规定,表4
5n-- sc
250--500
G09- 3
: 1---. 5
U. 3-1. U
.1~1.6
1, J~3. U
标维技搜网
W.
.5-1.0
1. = -- 3. 0
3. : ~ 5. 4h
3. 5-5. n
标维行业资科兑费下载
2 ~ nGo
t. 5~.1. 5
1. : ~-3.0
GB/15724.1—1995
续表4
法:底前证括底部与受部议游区的班形面。4.3.4节瘤
5. 5~-3. n
8. 1 - 8. 1
.1~13. U
长0.=raml能日副的症,在 10 ram×10 mm面积内不多于 2个,20.5mm的节猫不得过表6的现定。
:0~t50
2505G:1
4. 3.5结
. F -- .. 0
G. 5 ~-2. n
2. 1~3. 1
G.5--3. 3
3. - --4. 0
D. 5~ k. 0
结不0.3m能日测的,在10cm×10mm面积内不得多于!个时不得超过表的即定袁
53--156
25.0--500
559~1000
2 000--5Jco
社:范的间物要5GMm.
快hen给壁殖
标雅技技网
W.
1. 1~·2. n
轴红客
身书蓝
各实标准行业资科免费下载
4.3.6划伤和换伤
GB/T 15724. 1
不许有严重内划恢和操伤.轻微笔妞据将的长度不得超过表?的规定。表7
划擦伤
税倍.mL
5C--150
25~50c
60C--1 c20
2 )~ 4X:
4.3.7茶纹
不许有严重的条数存在(封性比较)。4.3.8钛诱、蚊屑
天在许存在
4.3.9口边玻满
单个民按mm
口边综应熔光(包括25ml)较滴高不大于3mm累计长患
4.3.1025ml.以下的烧标一股用答材制作,不允许有用肉眼观察到的严重外观快陷。5试验方法
用精度为 U. 02 mm 的游标卡尺测量5.2材质
5.2.1膨胀系数
按ZBQ3CD32规定.
5. 2. 2 耐水性能
接B6588规定
5.2.3对酸性能
按GB/T1=728规定
5. 2. 4耐骤性能
技GB-6580现号
5.3内应力
放GB/T1572G规定
5.4外观要求
用日创,测范T其用精度为0.02加m游标卡尺及10倍该数放人镜,薄皮气淤以人头针刺避的方法来检临,被刺破的火薄皮气湘。格解规测
6.1检验类别
产品检验分为出厂检龄和型式检验两类.6.2出厂检验(或交收检验)
6.2.1检验础月利要求
标准技技网W
杯还准业资科免费教
GB/T 15724.1--1995
产显日!时应按表B规定约项日杆要求进行检验,检验合格的产品准于户!产略出于时要有会
按验项目
绪控下
或要来
6.2. 2批量
试验行题
问一时回所交付的同·整种现塔的产品为一批,6.2.3抽检方法
董GB-2828 进行检。
性样方案炎型变一次批样与案。6.2.5检查水*
按一般检查水平!
6.2.5个格质最水平
资合合格质量水平AQI.)为5.
6.3型式检验
6.3.1检验项日和要求
出厂趋致
型式资验
型式检验的项已更3.4系和示要求的全部项其。用第5章的试验方法进行试验时,序益合要求,6.3.2有下列请况之一时,进行型式检验;新产战或老产品驶广生产的设可定型宝定b.
正式生产后,妇结构,料、二艺有较人改变,可能影润产易性能时正常生产时,定期或积累定产圾尼,应用性进行一次登恰。型式检鉴年年品少进行一次:产品保产半年以上,恢复生产时:出!检验结果与上次型式检验有校大差计时,国家质量监者视性标出进行型式的验的费求时633抽样与继批规
所有推超沟应在个格样量十推取,推样按6.2.4系执行。4.1条的检验拍样,按5.2茶差样与要求单油制备,
6.4判定观则
按规定项日进行检验,各顶均符合要求村,划该批产品合格标志、包装、运输、贮存
7.1标志
7.1.1烧杯标言
板身外部可以印刷近似容量分度表,见附录A(专件);a.
标你容臣:布tomt或1o0”
制造广名或法册尚标
快1hn给壁猪
甜红客道解面
标准技技网WW.bzsosO.cOm各实标准行业资科免费下载音装
GB/T 15724:1—1995
制虑权范材压不晶魏认时.应标明材质:d
杆身应有一处宜用封范敢标记的地方,7.1.2他装箱标志
外包装应符合GR191的有关规定
产品名称,本标准综号,规格数些,净重毛重、体积:制造厂名,注册标,生产日期:d厂、电话报。
7.2包装
7.2.1内包装
内包装用纸盒.两头立有标签(品名、规格,数量.但装数量应是十的倍数。大得使用纸屑、沫兜料等或充物。
7.2.2外包装
外包装用级箱,长,宽,高的总和不要超过1.b而要长方飛)。包装外选要封口,包装带打成#车形包装要符会运辅的观定。
7.3运输
本产品气用性何送物工其送整,装知不得扰,运辅要有的用雪施,7.4贮存
产品包率石应在室内保存,堆码高度不要妞边十层,严禁与强酸、强减,双化物接触,标准技技网
各实标准行业资科究费下教
附加说明:
GB/T 15724.1—1995
附录A
烧杯的容量分度查
考件)
本标准出中国轻工总会提局
本标准由金国破码仪器标准化找术类员争归口:最商分度线
最人细分度
木标难十北京装端仅器厂黄责起草,由大津玻璃仪器厂,上海点术支璃公以牵川玻剪仪器厂协作起节。
本际江主要起草人刘家骏.郑利梅、陈廷珍、國展林、千秀亭。醋
恢17h壁道号
轴经静销
标准技技网WWbzsosO.com各实标准行业资科免费下载装
小提示:此标准内容仅展示完整标准里的部分截取内容,若需要完整标准请到上方自行免费下载完整标准文档。
中华人民共和国国家标准
G1/T 15724. 1~15724.2—1995bzxZ.net
实验室玻璃仪器
Laboratory glassware-Beaker
1995-10-24发布
1996-07-01施
国家技术监督局发布
标准技技网
标维行业资科免费下教
中华人民共和国国家标准
实验室玻璃仪器
Laboratory lassware Beaker
本标准非等效来用巨际际准15038191S25实验室乾戒仪器主题内容与适用范围
GD/T1724.1955
烧坏。
本标准规定整总的产品争券、技代要,追鉴连,控整视则、标击包装、运前和产球本标痛适用干实验室月玻还。
2 引用标准
包装情运示标定
渗批抢查计数抽样我序及市栏志(适于连续批的检查)GB2828
GE 6S8F
实岭牢玻璃仪器热也击试验方法玻璃附社离泥个减水距液没性的试险方法和分级GU 6FS2
基瑞在S(耐水救粒式验方法和级G312213支术制玻玻器具表示法
C=/15726变瑞仪器内应力控验方法门15728鼓璃而积盐酸浸蚀性的更量试整方法和分Q1?器装聘制外测缺陷术语
2口30002玻两平学线热联非系数测试方运3产品分装
3.1说机类
分与低型烧杆和高型烧坏两类,3.2规格系列
3.2.1低生晓杆
低烧的规格系列:5.1C.2550,cc,150.55,400.500,603.800.1339.2cc0.3(0cEu
3.2.2成型好杯
高型的教落系为:50.100,1:0.250,193.300,00800.1c33.2000.30ccm3.3容体
必求效交量装合下的邦典
烧坏的满寸窄基序超逆标种窄量拍16%究存的满口窄量和标射等量的两够面宜乐不应小1mn,并应采用容盘差直牧大的种。注:烧杯不留丁计量器其,窄量系近必侦,内无相物趋定块程.不标CML,3.4结构开式和尺寸
国家挂术监局1955-10-24批准
快17ha壁道
1996-0701实施
种舒整葡精销
标准技技网W各实标准行业资科克费下载该县慧
3.4.1上口
CH/15724.1-1995
杯上口最大直径比燃杯外径大5给~15%。烧杯上边缘的过源应成困措的曲线,上口与磨的不平行度大」2*.
3.4.2来部与整部关过渡半径
等于或大于250mL的协板,过遗半径为烧杯外径的10-15%,小于250mL的烧杯,过渡半径不小于烧杯外径括5%,
3.4. 3小
3.4.3.1诉开,统!!间型式尺寸见图1和表1。3.2.3.2高型杯的型式利尺见图2和表2。表
烧杯外足
标准技技网W
烧杯个商
标准行业资科免费载
注,外径和全高的公茎为士5%
B,T 15724.1:-1995
续装1
挖杯外空
150, 0
培好径
外风和全高的公营为主594
快1h壁猪
统杯金高
猪杯全高
最小牛
最小里酒
甜红督道面
标雅摄网
各实标准行业资科兑费下教
W.
4技术要求
4.7好质
GA/T 15724.1 :1995
境还应有适当的化学修实性和装稳定性的硼硅胶获咳璃制法,受好采用3.3通硅玻理。4. 1.1f化性能
板璃的理化性能应符合步3药患求表3
金20-30nC克州内最炫的腺胀系数。引求·能
剂醛·-除
:实为券系持然规节及举厚烧杯的时热击在5:,可拟按CB6579进行式监4.1.2我消色
司造姚托的龄应无色透呢,充许带有要摘本牙的变点绿色,4.2内度力
双折导的光库养值不画超证130nm/cm。4.3外观密求
烧式故牢不起施转或摇具
4. 3. 2存量
5.$×1*K-
当人标称容量的水生外低倒时,水成形最一束细流从流出,烧杯外整应无水滴,汁满水的烧放在片上继续烂水吃,水感馈流当来,两不是其他部位流出来,433元润
博度范,我一池不价许季在,将关9.5mm能日洲的气泡学10mmx10mm积内不多于。.:am的气泡不得密过表4括规定,表4
5n-- sc
250--500
G09- 3
: 1---. 5
U. 3-1. U
.1~1.6
1, J~3. U
标维技搜网
W.
.5-1.0
1. = -- 3. 0
3. : ~ 5. 4h
3. 5-5. n
标维行业资科兑费下载
2 ~ nGo
t. 5~.1. 5
1. : ~-3.0
GB/15724.1—1995
续表4
法:底前证括底部与受部议游区的班形面。4.3.4节瘤
5. 5~-3. n
8. 1 - 8. 1
.1~13. U
长0.=raml能日副的症,在 10 ram×10 mm面积内不多于 2个,20.5mm的节猫不得过表6的现定。
:0~t50
2505G:1
4. 3.5结
. F -- .. 0
G. 5 ~-2. n
2. 1~3. 1
G.5--3. 3
3. - --4. 0
D. 5~ k. 0
结不0.3m能日测的,在10cm×10mm面积内不得多于!个时不得超过表的即定袁
53--156
25.0--500
559~1000
2 000--5Jco
社:范的间物要5GMm.
快hen给壁殖
标雅技技网
W.
1. 1~·2. n
轴红客
身书蓝
各实标准行业资科免费下载
4.3.6划伤和换伤
GB/T 15724. 1
不许有严重内划恢和操伤.轻微笔妞据将的长度不得超过表?的规定。表7
划擦伤
税倍.mL
5C--150
25~50c
60C--1 c20
2 )~ 4X:
4.3.7茶纹
不许有严重的条数存在(封性比较)。4.3.8钛诱、蚊屑
天在许存在
4.3.9口边玻满
单个民按mm
口边综应熔光(包括25ml)较滴高不大于3mm累计长患
4.3.1025ml.以下的烧标一股用答材制作,不允许有用肉眼观察到的严重外观快陷。5试验方法
用精度为 U. 02 mm 的游标卡尺测量5.2材质
5.2.1膨胀系数
按ZBQ3CD32规定.
5. 2. 2 耐水性能
接B6588规定
5.2.3对酸性能
按GB/T1=728规定
5. 2. 4耐骤性能
技GB-6580现号
5.3内应力
放GB/T1572G规定
5.4外观要求
用日创,测范T其用精度为0.02加m游标卡尺及10倍该数放人镜,薄皮气淤以人头针刺避的方法来检临,被刺破的火薄皮气湘。格解规测
6.1检验类别
产品检验分为出厂检龄和型式检验两类.6.2出厂检验(或交收检验)
6.2.1检验础月利要求
标准技技网W
杯还准业资科免费教
GB/T 15724.1--1995
产显日!时应按表B规定约项日杆要求进行检验,检验合格的产品准于户!产略出于时要有会
按验项目
绪控下
或要来
6.2. 2批量
试验行题
问一时回所交付的同·整种现塔的产品为一批,6.2.3抽检方法
董GB-2828 进行检。
性样方案炎型变一次批样与案。6.2.5检查水*
按一般检查水平!
6.2.5个格质最水平
资合合格质量水平AQI.)为5.
6.3型式检验
6.3.1检验项日和要求
出厂趋致
型式资验
型式检验的项已更3.4系和示要求的全部项其。用第5章的试验方法进行试验时,序益合要求,6.3.2有下列请况之一时,进行型式检验;新产战或老产品驶广生产的设可定型宝定b.
正式生产后,妇结构,料、二艺有较人改变,可能影润产易性能时正常生产时,定期或积累定产圾尼,应用性进行一次登恰。型式检鉴年年品少进行一次:产品保产半年以上,恢复生产时:出!检验结果与上次型式检验有校大差计时,国家质量监者视性标出进行型式的验的费求时633抽样与继批规
所有推超沟应在个格样量十推取,推样按6.2.4系执行。4.1条的检验拍样,按5.2茶差样与要求单油制备,
6.4判定观则
按规定项日进行检验,各顶均符合要求村,划该批产品合格标志、包装、运输、贮存
7.1标志
7.1.1烧杯标言
板身外部可以印刷近似容量分度表,见附录A(专件);a.
标你容臣:布tomt或1o0”
制造广名或法册尚标
快1hn给壁猪
甜红客道解面
标准技技网WW.bzsosO.cOm各实标准行业资科免费下载音装
GB/T 15724:1—1995
制虑权范材压不晶魏认时.应标明材质:d
杆身应有一处宜用封范敢标记的地方,7.1.2他装箱标志
外包装应符合GR191的有关规定
产品名称,本标准综号,规格数些,净重毛重、体积:制造厂名,注册标,生产日期:d厂、电话报。
7.2包装
7.2.1内包装
内包装用纸盒.两头立有标签(品名、规格,数量.但装数量应是十的倍数。大得使用纸屑、沫兜料等或充物。
7.2.2外包装
外包装用级箱,长,宽,高的总和不要超过1.b而要长方飛)。包装外选要封口,包装带打成#车形包装要符会运辅的观定。
7.3运输
本产品气用性何送物工其送整,装知不得扰,运辅要有的用雪施,7.4贮存
产品包率石应在室内保存,堆码高度不要妞边十层,严禁与强酸、强减,双化物接触,标准技技网
各实标准行业资科究费下教
附加说明:
GB/T 15724.1—1995
附录A
烧杯的容量分度查
考件)
本标准出中国轻工总会提局
本标准由金国破码仪器标准化找术类员争归口:最商分度线
最人细分度
木标难十北京装端仅器厂黄责起草,由大津玻璃仪器厂,上海点术支璃公以牵川玻剪仪器厂协作起节。
本际江主要起草人刘家骏.郑利梅、陈廷珍、國展林、千秀亭。醋
恢17h壁道号
轴经静销
标准技技网WWbzsosO.com各实标准行业资科免费下载装
小提示:此标准内容仅展示完整标准里的部分截取内容,若需要完整标准请到上方自行免费下载完整标准文档。
标准图片预览:





- 其它标准
- 热门标准
- 国家标准(GB)
- GB/T2828.1-2012 计数抽样检验程序 第1部分:按接收质量限(AQL)检索的逐批检验抽样计划
- GB50367-2013 混凝土结构加固设计规范
- GB/T18204.4-2000 公共场所毛巾、床上卧具微生物检验方法细菌总数测定
- GB/T3836.1-2021 爆炸性环境 第1部分:设备 通用要求
- GB5009.225-2023 食品安全国家标准 酒和食用酒精中乙醇浓度的测定
- GB/T11379-2008 金属覆盖层 工程用铬电镀层
- GB/T23892.3-2009 滑动轴承 稳态条件下流体动压可倾瓦块止推轴承 第3部分:可倾瓦块止推轴承计算的许用值
- GB/T18380.33-2022 电缆和光缆在火焰条件下的燃烧试验 第33部分:垂直安装的成束电线电缆火焰垂直蔓延试验 A类
- GB/T9145-2003 普通螺纹 中等精度、优选系列的极限尺寸
- GB/T9239-1988 刚性转子平衡品质 许用不平衡的确定
- GB/T15917.3-1995 金属镝及氧化镝化学分析方法 对氯苯基荧光酮--溴化十六烷基三甲基胺分光光度法测定钽量
- GB/T11839-1989 二氧化铀芯块中硼的测定 姜黄素萃取光度法
- GB/T6122.1-2002 圆角铣刀 第1部分:型式和尺寸
- GB/T7433-1987 对称电缆载波通信系统抗无线电广播和通信干扰的指标
- GB/T12053-1989 光学识别用字母数字字符集 第一部分:OCR-A字符集印刷图象的形状和尺寸
- 行业新闻
请牢记:“bzxz.net”即是“标准下载”四个汉字汉语拼音首字母与国际顶级域名“.net”的组合。 ©2025 标准下载网 www.bzxz.net 本站邮件:bzxznet@163.com
网站备案号:湘ICP备2025141790号-2
网站备案号:湘ICP备2025141790号-2