- 您的位置:
- 标准下载网 >>
- 标准分类 >>
- 国家标准(GB) >>
- GB/T 4309-2009 粉末冶金材料分类和牌号表示方法
标准号:
GB/T 4309-2009
标准名称:
粉末冶金材料分类和牌号表示方法
标准类别:
国家标准(GB)
标准状态:
现行-
发布日期:
2009-03-19 出版语种:
简体中文下载格式:
.rar .pdf下载大小:
2.17 MB
替代情况:
替代GB/T 4309-1984
点击下载
标准简介:
标准下载解压密码:www.bzxz.net
本标准规定了粉末冶金材料的分类和牌号表示方法。本标准适用于列入国家标准和行业标准的粉末冶金材料。 GB/T 4309-2009 粉末冶金材料分类和牌号表示方法 GB/T4309-2009
部分标准内容:
ICS77.160
中华人民共和国国家标准
GB/T4309—2009
代替GB/T4309—1984
粉未冶金材料分类和牌号表示方法Classification and designation for powder metallurgy materials2009-03-19发布
中华人民共和国国家质量监督检验检疫总局中国国家标准化管理委员会
2010-01-01实施
本标准代替GB/T4309-1984《粉末冶金材料分类和牌号表示方法》。本标准与GB/T43091984相比,主要有以下变动:--本标准增加了规范性引用文件部分内容;一本标准在分类中增加了牌号表示;本标准在牌号表示方法中,对原标准进行了修改;一本标准在摩擦材料和减磨材料类中增加了镍基摩擦材料和钨基摩擦材料;本标准在其他材料类中增加了储氢材料和复合材料。本标准由中国有色金属工业协会提出。本标准由全国有色金属标准化技术委员会归口。本标准由钢铁研究总院负责起草。本标准主要起草人:方建锋、朱黎冉、郑毅、姜振春。本标准所代替标准的历次版本发布情况为:GB/T4309--1984。
GB/T4309—--2009
1范围
粉未冶金材料分类和牌号表示方法本标准规定了粉末冶金材料的分类和牌号表示方法。本标准适用于列入国家标准和行业标准的粉末冶金材料。2规范性引用文件
GB/T4309—2009
下列文件中的条款通过本标准的引用而成为本标准的条款。凡是注日期的引用文件,其随后所有的修改单(不包括勘误的内容)或修订版均不适用于本标准,然而,鼓励根据本标准达成协议的各方研究是否可使用这些文件的最新版本。凡是不注日期的引用文件,其最新版本适用于本标准。GB/T18376.1
硬质合金牌号第1部分:切削工具用硬质合金牌号号第2部分:地质、矿山工具用硬质合金牌号GB/T18376.2
硬质合金牌号
GB/T18376.3
3分类
硬质合金牌号
第3部分:耐磨零件用硬质合金牌号3.1粉末冶金材料按用途和特征分为九大类3.1.1结构材料类(F0)。
摩擦材料类和减磨材料类(F1)。多孔材料类(F2)。
工具材料类(F3)。
难熔材料类(F4)。
耐蚀材料和耐热材料类(F5)。电工材料类(F6)。
磁性材料类(F7)。
其他材料类(F8)。
各大类粉末冶金材料按材质和用途分为以下小类结构材料类(FO)
铁及铁基合金(F00)。
碳素结构钢(F01)。
合金结构钢(F02)。
铜及铜合金(F06)。
铝合金(F07)。
摩擦材料和减磨材料类(F1)
铁基摩擦材料(F10)。
铜基摩擦材料(F11)。
镍基摩擦材料(F12)。
钨基摩擦材料(F13)。
铁基减磨材料(F15)。
铜基减磨材料(F16)。
铝基减磨材料(F17)。
多孔材料类(F2)
铁及铁基合金(F20)。
GB/T4309—2009
不锈钢(F21)。
铜及铜基合金(F22)
钛及钛合金(F23)。
镍及镍合金(F24)。
钨及鸽合金(F25)。
难熔化合物多孔材料(F26)。
3.2.4工具材料类(F3)
钢结硬质合金(F30)。
金属陶瓷和陶瓷(F36)。
工具钢(F37)。
3.2.5难熔材料类(F4)
钨及钨合金(F40)。
钼及钼合金(F42)。
钼及其合金(F44)。
锯及其合金(F45)。
锆及其合金(F46)。
铪及其合金(F47)。
耐蚀材料和耐热材料类(F5)
不锈钢和耐热钢(F50)。
高温合金(F52)。
钛及钛合金(F55)。
金属陶瓷(F58)。
电工材料类(F6)
钨基电触头材料(F60)。
钼基电触头材料(F61)。
铜基电触头材料(F62)。
银基电触头材料(F63)。
集电器材料(F65)。
电真空材料(F68)。
磁性材料类(F7)
软磁性铁氧体(F70)。
硬磁性铁氧体(F71)。
特殊磁性铁氧体(F72)。
软磁性金属和合金(F74)。
硬磁性合金(F75)。
特殊磁性合金(F77)。
其他材料类(F8)
铍材料(F80)。
储氢材料(F82)。
功能材料(F85)。
复合材料(F87)。
4牌号表示方法
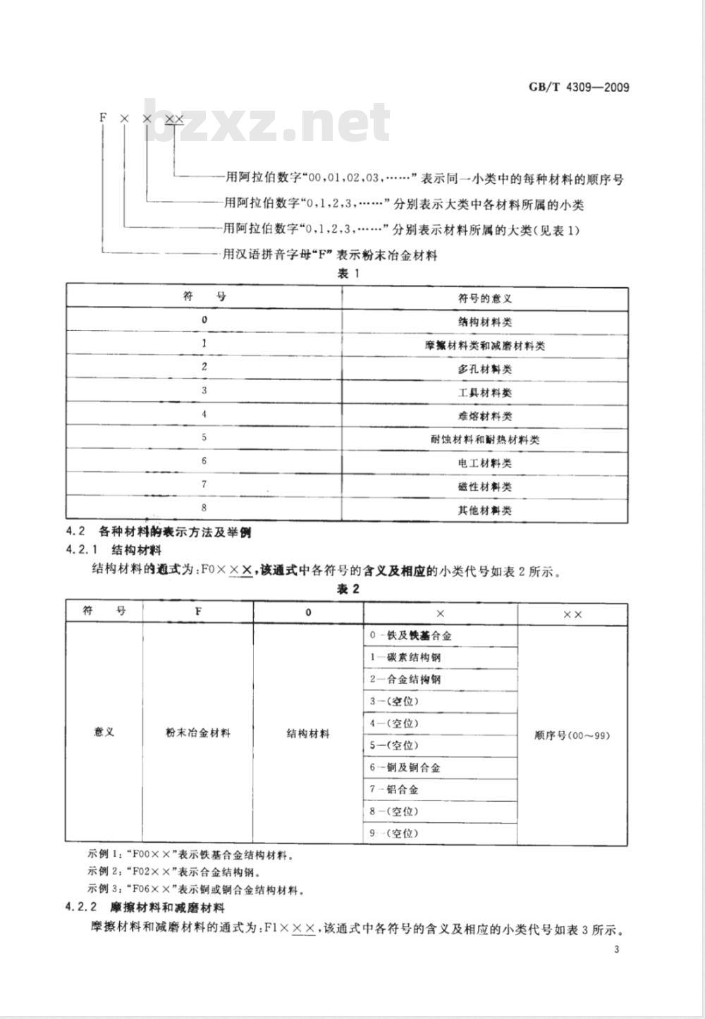
4.1表示方法
采用由汉语拼音字母和阿拉伯数字组成的五位符号体系表示材料的牌号。其通式及各符号的意义如下:2
GB/T4309—2009
用阿拉伯数字“00,01,02,03,..….”表示同一小类中的每种材料的顺序号用阿拉伯数字“0,1,2,3,...”分别表示大类中各材料所属的小类用阿拉伯数字“0,1,2,3,……..”分别表示材料所属的大类(见表1)用汉语拼音字母“F”表示粉末冶金材料表1
4.2各种材料的表示方法及举例
4.2.1结构材料
符号的意义
结构材料类
摩擦材料类和减磨材料类
多孔材料类
工具材料类
难熔材料类
耐蚀材料和耐热材料类
电工材料类
磁性材料类
其他材料类
结构材料的通式为:FO×××,该通式中各符号的含义及相应的小类代号如表2所示。表2
粉末冶金材料
结构材料
示例1:“F00××”表示铁基合金结构材料。示例2:“F02××”表示合金结构钢。示例3:“F06××”表示铜或铜合金结构材料。4.2.2摩擦材料和减磨材料
0-铁及铁基合金
1一碳素结构钢
2一合金结构钢
3-(空位)
4-(空位)
5-(空位)
6-铜及铜合金
7-铝合金
8-(空位)
9(空位)
顺序号(0099)
摩擦材料和减磨材料的通式为:F1×××,该通式中各符号的含义及相应的小类代号如表3所示。3
GB/T4309-—2009
粉末冶金材料
摩擦材料和减磨材料
示例1:“F10××”表示铁基摩擦材料。示例2:“F11××”表示铜基摩擦材料。示例3:“F16××”表示铜基减磨材料。4.2.3多孔材料
0·-铁基摩擦材料
1--铜基摩擦材料
2-镍基摩擦材料
3-钨基摩擦材料
4—(空位)
5一铁基减磨材料
6一铜基减磨材料
7-铝基减磨材料
8(空位)
9·-(空位)
顺序号(00~99)
多孔材料的通式为:F2×××,该通式中各符号的含义及相应的小类代号如表4所示。表4
粉末冶金材料
示例1:“F21××”表示不锈钢多孔材料,2
多孔材料
示例2:“F23××”表示钛及钛合金多孔材料。示例3:“F24××”表示镍及镍合金多孔材料。4.2.4工具材料
0-铁及铁基合金
1不锈钢
2-铜及铜基合金
3--钛及钛合金
4--镍及镍合金
5-钨及钨合金
6-难熔化合物多孔材料
7-(空位)
一(空位)
(空位)
顺序号(00~99)
工具材料的通式为:F3×××,该通式中各符号的含义及相应的小类代号如表5所示。硬质合金牌号、代号的表示方法按GB/T18376.1、GB/T18376.2和GB/T18376.3的规定进行分类和牌号表示。
粉末冶金材料
示例1:“F30××\表示钢结硬质合金。3
工具材料
示例2:“F36××”表示金属陶瓷和陶瓷工具材料。示例3:“F37××”表示工具钢材料。4.2.5难熔材料
0--钢结硬质合金
1(空位)
2--(空位)
3-·(空位)
4--(空位)
5--(空位)
6--金属陶瓷和陶瓷
7-·工具钢
8-(空位)
9(空位)
GB/T4309--2009
顺序号(00~99)
难熔材料的通式为:F4×××,该通式中各符号的含义及相应的小类代号如表6所示。表6
粉末冶金材料
示例1:“F40××”表示钨及钨合金。4.2.6耐蚀材料和耐热材料
难熔材料
0钨及钨合金
1一(空位)
2-钼及钼合金
3-(空位))
4-·钼及其合金
5一锯及其合金
6-锆及其合金
7一铪及其合金
8-(空位)
9-(空位)
顺序号(00~99)
耐蚀材料和耐热材料的通式为:F5X××,该通式中各符号的含义及相应的小类代号如表7所示。
GB/T4309—2009
粉末冶金材料
耐蚀材料和耐热材料
示例1:“F5C××”表示不锈钢或耐热钢。示例2:“F52××”表示粉末商温合金材料。示例3:“F58××”表示粉末金属陶瓷材料。4.2.7电工材料
0-不锈钢和耐热钢
(空位)
2-高温合金
·(空位)
4-(空位)
-钛及钛合金
6-(空位)
7-(空位)
8-金属陶瓷
9-(空位)
顺序号(00~99)
电工材料的通式为:F6×××,该通式中各符号的含义及相应的小类代号别如表8所示。表8bzxz.net
粉末冶金材料
示例1:“F50××”表示钨基电触头材料。示例2:“F33××”表示银基电触头材料。示例3:“F55××”表示集电器材料。4.2.8磁性材料
电工材料
0一钨基电触头材料
1一钼基电触头材料
2-铜基电触头材料
3-银基电触头材料
4—(空位)
5-集电器材料
6-(空位)
7—(空位)
8··电真空材料
9-(空位)
顺序号(00~99)
磁性材料的通式为:F7X××,该通式中各符号的含义及相应的小类代号如表9所示。6
粉末冶金材料
示例1:“F70××”表示软磁性铁氧体。磁性材料
示例2:“F75××”表示硬磁性金属和合金。9其他材料
0一软磁性铁氧体
硬磁性铁氧体
2一特殊磁性铁氧体
(空位)
4一软磁性金属和合金
5一硬磁性金属和合金
6(空位)
7一特殊磁性合金
8--(空位)
9—(空位)
GB/T4309—2009
顺序号(00~99)
其他材料的通式为:F8×××,该通式中各符号的含义及相应的小类代号如表10所示。表10
粉末冶金材料
示例1:“F80××”表示铍材料。8
其他材料
0·镀材料
1-(空位)
2-储氢材料
3--(空位)
4(空位)
5一功能材料
6(空位)
7---复合材料
8-(空位)
9--(空位)
顺序号(00~99)
GB/T4309-2009
打印H期:2010年3月17H
中华人民共和
国家标准
粉末冶金材料分类和牌号表示方法GB/T4309-2009
中国标准出版社出版发行
北京复兴门外三里河北街16号
邮政编码:100045
网址www.spc.net.cn
63517548
电话:68523946
中国标准出版社秦皇岛印刷厂印刷各地新华书店经销
开本880×12301/16
印张0.75
字数15千字
反2009年6月第一次印刷
2009年6月第-一版
5定价16.00元
书号:155066·1-37125
如有印装差错
由本社发行中心调换
版权专有侵权必究
举报电话:(010)68533533
小提示:此标准内容仅展示完整标准里的部分截取内容,若需要完整标准请到上方自行免费下载完整标准文档。
中华人民共和国国家标准
GB/T4309—2009
代替GB/T4309—1984
粉未冶金材料分类和牌号表示方法Classification and designation for powder metallurgy materials2009-03-19发布
中华人民共和国国家质量监督检验检疫总局中国国家标准化管理委员会
2010-01-01实施
本标准代替GB/T4309-1984《粉末冶金材料分类和牌号表示方法》。本标准与GB/T43091984相比,主要有以下变动:--本标准增加了规范性引用文件部分内容;一本标准在分类中增加了牌号表示;本标准在牌号表示方法中,对原标准进行了修改;一本标准在摩擦材料和减磨材料类中增加了镍基摩擦材料和钨基摩擦材料;本标准在其他材料类中增加了储氢材料和复合材料。本标准由中国有色金属工业协会提出。本标准由全国有色金属标准化技术委员会归口。本标准由钢铁研究总院负责起草。本标准主要起草人:方建锋、朱黎冉、郑毅、姜振春。本标准所代替标准的历次版本发布情况为:GB/T4309--1984。
GB/T4309—--2009
1范围
粉未冶金材料分类和牌号表示方法本标准规定了粉末冶金材料的分类和牌号表示方法。本标准适用于列入国家标准和行业标准的粉末冶金材料。2规范性引用文件
GB/T4309—2009
下列文件中的条款通过本标准的引用而成为本标准的条款。凡是注日期的引用文件,其随后所有的修改单(不包括勘误的内容)或修订版均不适用于本标准,然而,鼓励根据本标准达成协议的各方研究是否可使用这些文件的最新版本。凡是不注日期的引用文件,其最新版本适用于本标准。GB/T18376.1
硬质合金牌号第1部分:切削工具用硬质合金牌号号第2部分:地质、矿山工具用硬质合金牌号GB/T18376.2
硬质合金牌号
GB/T18376.3
3分类
硬质合金牌号
第3部分:耐磨零件用硬质合金牌号3.1粉末冶金材料按用途和特征分为九大类3.1.1结构材料类(F0)。
摩擦材料类和减磨材料类(F1)。多孔材料类(F2)。
工具材料类(F3)。
难熔材料类(F4)。
耐蚀材料和耐热材料类(F5)。电工材料类(F6)。
磁性材料类(F7)。
其他材料类(F8)。
各大类粉末冶金材料按材质和用途分为以下小类结构材料类(FO)
铁及铁基合金(F00)。
碳素结构钢(F01)。
合金结构钢(F02)。
铜及铜合金(F06)。
铝合金(F07)。
摩擦材料和减磨材料类(F1)
铁基摩擦材料(F10)。
铜基摩擦材料(F11)。
镍基摩擦材料(F12)。
钨基摩擦材料(F13)。
铁基减磨材料(F15)。
铜基减磨材料(F16)。
铝基减磨材料(F17)。
多孔材料类(F2)
铁及铁基合金(F20)。
GB/T4309—2009
不锈钢(F21)。
铜及铜基合金(F22)
钛及钛合金(F23)。
镍及镍合金(F24)。
钨及鸽合金(F25)。
难熔化合物多孔材料(F26)。
3.2.4工具材料类(F3)
钢结硬质合金(F30)。
金属陶瓷和陶瓷(F36)。
工具钢(F37)。
3.2.5难熔材料类(F4)
钨及钨合金(F40)。
钼及钼合金(F42)。
钼及其合金(F44)。
锯及其合金(F45)。
锆及其合金(F46)。
铪及其合金(F47)。
耐蚀材料和耐热材料类(F5)
不锈钢和耐热钢(F50)。
高温合金(F52)。
钛及钛合金(F55)。
金属陶瓷(F58)。
电工材料类(F6)
钨基电触头材料(F60)。
钼基电触头材料(F61)。
铜基电触头材料(F62)。
银基电触头材料(F63)。
集电器材料(F65)。
电真空材料(F68)。
磁性材料类(F7)
软磁性铁氧体(F70)。
硬磁性铁氧体(F71)。
特殊磁性铁氧体(F72)。
软磁性金属和合金(F74)。
硬磁性合金(F75)。
特殊磁性合金(F77)。
其他材料类(F8)
铍材料(F80)。
储氢材料(F82)。
功能材料(F85)。
复合材料(F87)。
4牌号表示方法
4.1表示方法
采用由汉语拼音字母和阿拉伯数字组成的五位符号体系表示材料的牌号。其通式及各符号的意义如下:2
GB/T4309—2009
用阿拉伯数字“00,01,02,03,..….”表示同一小类中的每种材料的顺序号用阿拉伯数字“0,1,2,3,...”分别表示大类中各材料所属的小类用阿拉伯数字“0,1,2,3,……..”分别表示材料所属的大类(见表1)用汉语拼音字母“F”表示粉末冶金材料表1
4.2各种材料的表示方法及举例
4.2.1结构材料
符号的意义
结构材料类
摩擦材料类和减磨材料类
多孔材料类
工具材料类
难熔材料类
耐蚀材料和耐热材料类
电工材料类
磁性材料类
其他材料类
结构材料的通式为:FO×××,该通式中各符号的含义及相应的小类代号如表2所示。表2
粉末冶金材料
结构材料
示例1:“F00××”表示铁基合金结构材料。示例2:“F02××”表示合金结构钢。示例3:“F06××”表示铜或铜合金结构材料。4.2.2摩擦材料和减磨材料
0-铁及铁基合金
1一碳素结构钢
2一合金结构钢
3-(空位)
4-(空位)
5-(空位)
6-铜及铜合金
7-铝合金
8-(空位)
9(空位)
顺序号(0099)
摩擦材料和减磨材料的通式为:F1×××,该通式中各符号的含义及相应的小类代号如表3所示。3
GB/T4309-—2009
粉末冶金材料
摩擦材料和减磨材料
示例1:“F10××”表示铁基摩擦材料。示例2:“F11××”表示铜基摩擦材料。示例3:“F16××”表示铜基减磨材料。4.2.3多孔材料
0·-铁基摩擦材料
1--铜基摩擦材料
2-镍基摩擦材料
3-钨基摩擦材料
4—(空位)
5一铁基减磨材料
6一铜基减磨材料
7-铝基减磨材料
8(空位)
9·-(空位)
顺序号(00~99)
多孔材料的通式为:F2×××,该通式中各符号的含义及相应的小类代号如表4所示。表4
粉末冶金材料
示例1:“F21××”表示不锈钢多孔材料,2
多孔材料
示例2:“F23××”表示钛及钛合金多孔材料。示例3:“F24××”表示镍及镍合金多孔材料。4.2.4工具材料
0-铁及铁基合金
1不锈钢
2-铜及铜基合金
3--钛及钛合金
4--镍及镍合金
5-钨及钨合金
6-难熔化合物多孔材料
7-(空位)
一(空位)
(空位)
顺序号(00~99)
工具材料的通式为:F3×××,该通式中各符号的含义及相应的小类代号如表5所示。硬质合金牌号、代号的表示方法按GB/T18376.1、GB/T18376.2和GB/T18376.3的规定进行分类和牌号表示。
粉末冶金材料
示例1:“F30××\表示钢结硬质合金。3
工具材料
示例2:“F36××”表示金属陶瓷和陶瓷工具材料。示例3:“F37××”表示工具钢材料。4.2.5难熔材料
0--钢结硬质合金
1(空位)
2--(空位)
3-·(空位)
4--(空位)
5--(空位)
6--金属陶瓷和陶瓷
7-·工具钢
8-(空位)
9(空位)
GB/T4309--2009
顺序号(00~99)
难熔材料的通式为:F4×××,该通式中各符号的含义及相应的小类代号如表6所示。表6
粉末冶金材料
示例1:“F40××”表示钨及钨合金。4.2.6耐蚀材料和耐热材料
难熔材料
0钨及钨合金
1一(空位)
2-钼及钼合金
3-(空位))
4-·钼及其合金
5一锯及其合金
6-锆及其合金
7一铪及其合金
8-(空位)
9-(空位)
顺序号(00~99)
耐蚀材料和耐热材料的通式为:F5X××,该通式中各符号的含义及相应的小类代号如表7所示。
GB/T4309—2009
粉末冶金材料
耐蚀材料和耐热材料
示例1:“F5C××”表示不锈钢或耐热钢。示例2:“F52××”表示粉末商温合金材料。示例3:“F58××”表示粉末金属陶瓷材料。4.2.7电工材料
0-不锈钢和耐热钢
(空位)
2-高温合金
·(空位)
4-(空位)
-钛及钛合金
6-(空位)
7-(空位)
8-金属陶瓷
9-(空位)
顺序号(00~99)
电工材料的通式为:F6×××,该通式中各符号的含义及相应的小类代号别如表8所示。表8bzxz.net
粉末冶金材料
示例1:“F50××”表示钨基电触头材料。示例2:“F33××”表示银基电触头材料。示例3:“F55××”表示集电器材料。4.2.8磁性材料
电工材料
0一钨基电触头材料
1一钼基电触头材料
2-铜基电触头材料
3-银基电触头材料
4—(空位)
5-集电器材料
6-(空位)
7—(空位)
8··电真空材料
9-(空位)
顺序号(00~99)
磁性材料的通式为:F7X××,该通式中各符号的含义及相应的小类代号如表9所示。6
粉末冶金材料
示例1:“F70××”表示软磁性铁氧体。磁性材料
示例2:“F75××”表示硬磁性金属和合金。9其他材料
0一软磁性铁氧体
硬磁性铁氧体
2一特殊磁性铁氧体
(空位)
4一软磁性金属和合金
5一硬磁性金属和合金
6(空位)
7一特殊磁性合金
8--(空位)
9—(空位)
GB/T4309—2009
顺序号(00~99)
其他材料的通式为:F8×××,该通式中各符号的含义及相应的小类代号如表10所示。表10
粉末冶金材料
示例1:“F80××”表示铍材料。8
其他材料
0·镀材料
1-(空位)
2-储氢材料
3--(空位)
4(空位)
5一功能材料
6(空位)
7---复合材料
8-(空位)
9--(空位)
顺序号(00~99)
GB/T4309-2009
打印H期:2010年3月17H
中华人民共和
国家标准
粉末冶金材料分类和牌号表示方法GB/T4309-2009
中国标准出版社出版发行
北京复兴门外三里河北街16号
邮政编码:100045
网址www.spc.net.cn
63517548
电话:68523946
中国标准出版社秦皇岛印刷厂印刷各地新华书店经销
开本880×12301/16
印张0.75
字数15千字
反2009年6月第一次印刷
2009年6月第-一版
5定价16.00元
书号:155066·1-37125
如有印装差错
由本社发行中心调换
版权专有侵权必究
举报电话:(010)68533533
小提示:此标准内容仅展示完整标准里的部分截取内容,若需要完整标准请到上方自行免费下载完整标准文档。
标准图片预览:





- 其它标准
- 热门标准
- 国家标准(GB)
- GB/T228.1-2021 金属材料 拉伸试验 第1部分:室温试验方法
- GB/T7534-1987 工业用挥发性有机液体沸程的测定
- GB/T4100-2015 陶瓷砖
- GB/T3836.1-2021 爆炸性环境 第1部分:设备 通用要求
- GB/T50772-2012 木结构工程施工规范
- GB/T10125-2021 人造气氛腐蚀试验 盐雾试验
- GB/T30835-2014 锂离子电池用炭复合磷酸铁锂正极材料
- GB5226.1-2019 机械电气安全 机械电气设备 第1部分:通用技术条件
- GB50666-2011 混凝土结构工程施工规范
- GB/T18204.4-2000 公共场所毛巾、床上卧具微生物检验方法细菌总数测定
- GB8552-1987 电子器件详细规范 低功率非线绕固定电阻器 RJ13型金属膜固定电阻器评定水平E(可供认证用)
- GB/T11379-2008 金属覆盖层 工程用铬电镀层
- GB/T23892.3-2009 滑动轴承 稳态条件下流体动压可倾瓦块止推轴承 第3部分:可倾瓦块止推轴承计算的许用值
- GB50303-2015 建筑电气工程施工质量验收规范
- GB/T20976-2023 软冰淇淋预拌粉质量要求
- 行业新闻
请牢记:“bzxz.net”即是“标准下载”四个汉字汉语拼音首字母与国际顶级域名“.net”的组合。 ©2025 标准下载网 www.bzxz.net 本站邮件:bzxznet@163.com
网站备案号:湘ICP备2025141790号-2
网站备案号:湘ICP备2025141790号-2