- 您的位置:
- 标准下载网 >>
- 标准分类 >>
- 国家标准(GB) >>
- GB/T 14978-1994 连续热浸镀铝锌硅合金镀层钢带和钢板
标准号:
GB/T 14978-1994
标准名称:
连续热浸镀铝锌硅合金镀层钢带和钢板
标准类别:
国家标准(GB)
英文名称:
Continuously hot-dip aluminum-zinc-silicon alloy coated steel strip and steel sheet标准状态:
已作废-
发布日期:
1994-04-05 -
实施日期:
1995-01-01 -
作废日期:
2009-05-01 出版语种:
简体中文下载格式:
.rar.pdf下载大小:
194.70 KB
替代情况:
被GB/T 14978-2008代替
点击下载
标准简介:
标准下载解压密码:www.bzxz.net
本标准规定了连续热浸镀铝锌硅合金镀层钢带和钢板的尺寸、外形、技术要求、试验方法、验收规则及包装、标志、质量证明书等。 本标准适用于公称厚度0.25~2.50mm,公称宽度150~750mm的钢带和钢板。钢板由钢带剪切而成。 GB/T 14978-1994 连续热浸镀铝锌硅合金镀层钢带和钢板 GB/T14978-1994
部分标准内容:
中华人民共和国国家标准
连续热浸镀铝锌硅合金镀层钢带和钢板Continual hat-dip aluminium zinc sillcenalloy coated steel strips and sheets1主题内容与适用范围
GB/T 14978—94
本标准规定了连续热浸镀铝锌硅合金镀层钢带和钢板(以下簡称钢带和钢板)的尺小、外形、技术要求、试验方法,验收规则及包装、标志质量证明书等。本标准适用于公称厚度0.25~~2.50mt1.公称宽度150~~750mtm的钢带和钢板。钢板由钢带剪切而成,
2引用标准
GB228金属拉伸试验方法
GB232金属弯曲试验方法
(B 247钢板和钢带验收、包装,标志及质量证明书的:般规定GB18398
镀锌钢扳(带)镀承量测定方法
GB2975钢材力学及工艺性能试验取样规定GB6397金属拉伸试验试样
3定义
3.1正常晶花:镀层在正常凝固条件下产生有规则的 A1、711、Si 合金品体表面结构。3.2铬酸钝化:对钢带和钢板表面进行酸钝化化学处理,以防止装运和贮存过程中产生白锈。铬酸钝化的防腐作用是有限的,如果装运或贮存过程中钢带或钢概受潮,应立即干燥或使用。3.3涂油:钢带和钢板可以涂油以减少白锈。当钢带和钢板进行钝化处理后,涂油将使产:白锈的危害性进一步减小。
4分类与代号
4.1产品的类别与代号按表1规定。表1
分类方法
按加T性能
国家技术监替局1994-06-13批准类
普通用途
机械咬合
1995-01-01实施
分类方法
楼表面结树
按表面处理
按尺寸精度
4.2标记举例
GB/T 14978 : 94
续表1
正带品花
铬酸钝化
铬酸钝化加涂油
商级稍度
普通稠度
镀层重量为200g/mAZ20),机械峻合(JY),表面铬酸纯化处理(1.),尺寸精度为B级、规格为0.50mm×320mm×1000mm板,或为0.50mm×320mm带,分别标记为:板Az200-Y-L-B-0.50×320X1 000-GB/T 14978—94 I;带 AZ200-JY-L-B-0. 50X 320-GB/T 14978—94 I5尺寸、外形及其充允许偏差
5.1尺寸及其允许偏差
5.1.1钢带和钢板的公称尺寸应符合表2规定。表2
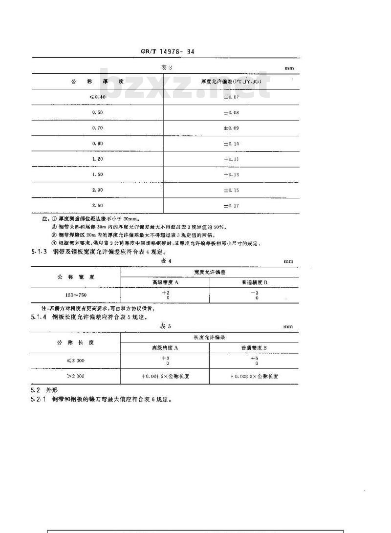
注:①需方有特殊要求时·按供需效为协议。②纵剪后内径要求可接供需双方协议。5. 1. 2 钢带和钢板的序度允许偏差应符合表 3 规定。公
0. 25 -~ 1. 00
老内径450
15~750
1. 00~2. 50
卷内径多01)
按订单娶求但个大于 6 000
注, D 厚度测量部位距边缘不小于 20mmGB/T14978-94
厚度允许偏差(IJY,JG)
②翎带头部和尾部30m内的厚度允许偏差最大不得超过表3规定值的50%③朗带焊键区20m内的厚境允许偏禁是大不得超过表3规定值的两恼,①根据需方要求,供应表3公称厚度中间规格钢带时,其厚度充许偏差按相邻小尺寸的规定。5.7.3钢带及钢板宽度充许偏差应符合表4规定。表4
公称宽度
150~750
高级精度 A
注,若需方对情度有更高要求,可由效方协议供货。5. 1.4钢板长度允许偏差应符合表 5 规定。表5
公称长度
高级精度A
5.2外形
+0. 001 5×公称长度
5.2.1钢带和钢板的镶刀弯最大值应符合表6规定。宽度充许确差
普通精度B
长度允许偏券
普酒精度B
+ 0.003 0×公称长度
GB/T14978—94
淼刀李最大值
0.003X公称长度
5.2.2钢板和钢带的不半度应符合表7规定。表?
公称宽度
150--750
高级精度A
0.70~1.20
源长度
公称长度
普通精度B
0. 70~-4.1, 20
5.2.3钢带不平度般不做测量。当需方对不平度有要求时,不平度指标可参照钢板指标,5.2.4钢板切斜度应不大于1%。
6技术要求
6.1钢基技术要求
6.1.1钢的牌号改化学成分
牌号及化学就分山供方选择。需方有要求时,需方也可指定牌号或提供化学成分。6. 1.2性能
钢基为冷轧制带。钢基性能应符合表8规定。表8免费标准下载网bzxz
180\冷弯试验
加I性能
α,湾心直径
a-试摔厚度
抗拉强度
270~500
注:①钢其冷·试样弯曲处不允许出现寰效、裂缝、断裂及起层。②拉伸试验,试样的标距一8(m,宽度%一20mm。6.2镀层技术要求
6.2.1镀层重域
镀层重谢应符合表9规定。
组服点。.
延伸率
GB/T 14978-94
三点试验平均值
(双面)不小于
法:需方对镀层重量无具体要求,按照A7.150供货。6.2.2镀层弯山
键层弯曲应符合表 10 规定。
三点试验量低值
180°弯曲试验
d弯心直径试样序
注:距试样边部5mm以外不允许出现镶层脱落,但允许表面出现不露钢些的裂纹。6.2.3镀层表面质带
钢带和钢板的装面应光滑平格,晶花均匀,允许存在轻微的划伤、压痕和钝化斑点。钢带允许存在小的锌粒和结疤以及因原钢带锈点而产生的轻微麻点。钢板不允许存在漏镀点。
6.2.4镀层表面结树
镀层表面结构均为正常晶花:
6-2.5镀层表面处理
需方可在下列表面处理方法中任选一种:A骼酸钝化;
B涂油;
C铬酸钝化加涂油。
若需方无要求时,按铬酸钝化处理。7试验方法
7.1尺少,外形及其允许偏差的测量方法单
7.1.1钢带和钢板的煤度在热浸镀后用于分尺测量。宽度、长度、镰刀弯、不平度、切划斜度用样板、卡尺或直尺测量。
7.1.2钢带和钢板的镰刀弯测量方法按图1所示。F有联游
CB/T 14978—94
测量长度
7.1.3板不平度测量方法,将钢板放在平台上,测垦钢板下表面与平台之间的最人赔离。锯带的不平度参照钢板不平度测查方法进行测量。7.1.4钢板切斜度测量方法按图2所示。事
切解度-鲁× 100%
7.2钢带和钢板力学性能及.T.艺性能的检验应符合表11规定。表11
检验珊目
拉伸试验
冷李试题
健量试险
镀县弯曲试验
糖忌表面质量
取样力法
GI 2975,GB 6397
GB 2975,G 6397
GR 2975,GB 6397
试验有法
CrH1839
G13232
除镀县后试验
去除塘层后试验
试拌面积50:m
注,①层重景试验取样方法中,若钢书觉度大于等于250mm1,在带钢宽度方向1:等距离取三快试样,若钢-斑度小下250mm,在带钢长度中心线上纵向取=快试样,试样间隔50mm。图拉伸、冷弯、弯曲试验样品均为一块。8检验规则
8.1组批
GB/T 14978—94
钢带和钢板应成批验收。每批由同一牌号、同一镀层重量、间一加工性能、同-尺小、同表面处理状态的钢带或钢板组成。钢板每批不大丁10t,钢带每一卷为一批。钢板每批取张,钢带每卷为一批。钢板每批任取一张,钢带每卷头邯或尾部lm 以外切取一张检验。8.2复验
带和钢板的复验规则按GB 247的规定。9包装、标志和质量证明书
钢带和钢板的包装、标志和质量证明书按GB247的规定。附加说明#
本标准由中华人民共和国冶金工业部提出。本标由治金工业部信息标准研究院归口。本标准由冶金工业部钢铁研究总院、江苏省常熟冷轧带钢总厂、江苏省张家港市五原钢制品有限公司负责起草,
本标准主要起草人李凌云、张广宏、苏建清、徐瑞忠、陆建平、徐婉翠。本标准水平等级标记
GB/T 14978—94 T
小提示:此标准内容仅展示完整标准里的部分截取内容,若需要完整标准请到上方自行免费下载完整标准文档。
连续热浸镀铝锌硅合金镀层钢带和钢板Continual hat-dip aluminium zinc sillcenalloy coated steel strips and sheets1主题内容与适用范围
GB/T 14978—94
本标准规定了连续热浸镀铝锌硅合金镀层钢带和钢板(以下簡称钢带和钢板)的尺小、外形、技术要求、试验方法,验收规则及包装、标志质量证明书等。本标准适用于公称厚度0.25~~2.50mt1.公称宽度150~~750mtm的钢带和钢板。钢板由钢带剪切而成,
2引用标准
GB228金属拉伸试验方法
GB232金属弯曲试验方法
(B 247钢板和钢带验收、包装,标志及质量证明书的:般规定GB18398
镀锌钢扳(带)镀承量测定方法
GB2975钢材力学及工艺性能试验取样规定GB6397金属拉伸试验试样
3定义
3.1正常晶花:镀层在正常凝固条件下产生有规则的 A1、711、Si 合金品体表面结构。3.2铬酸钝化:对钢带和钢板表面进行酸钝化化学处理,以防止装运和贮存过程中产生白锈。铬酸钝化的防腐作用是有限的,如果装运或贮存过程中钢带或钢概受潮,应立即干燥或使用。3.3涂油:钢带和钢板可以涂油以减少白锈。当钢带和钢板进行钝化处理后,涂油将使产:白锈的危害性进一步减小。
4分类与代号
4.1产品的类别与代号按表1规定。表1
分类方法
按加T性能
国家技术监替局1994-06-13批准类
普通用途
机械咬合
1995-01-01实施
分类方法
楼表面结树
按表面处理
按尺寸精度
4.2标记举例
GB/T 14978 : 94
续表1
正带品花
铬酸钝化
铬酸钝化加涂油
商级稍度
普通稠度
镀层重量为200g/mAZ20),机械峻合(JY),表面铬酸纯化处理(1.),尺寸精度为B级、规格为0.50mm×320mm×1000mm板,或为0.50mm×320mm带,分别标记为:板Az200-Y-L-B-0.50×320X1 000-GB/T 14978—94 I;带 AZ200-JY-L-B-0. 50X 320-GB/T 14978—94 I5尺寸、外形及其充允许偏差
5.1尺寸及其允许偏差
5.1.1钢带和钢板的公称尺寸应符合表2规定。表2
注:①需方有特殊要求时·按供需效为协议。②纵剪后内径要求可接供需双方协议。5. 1. 2 钢带和钢板的序度允许偏差应符合表 3 规定。公
0. 25 -~ 1. 00
老内径450
15~750
1. 00~2. 50
卷内径多01)
按订单娶求但个大于 6 000
注, D 厚度测量部位距边缘不小于 20mmGB/T14978-94
厚度允许偏差(IJY,JG)
②翎带头部和尾部30m内的厚度允许偏差最大不得超过表3规定值的50%③朗带焊键区20m内的厚境允许偏禁是大不得超过表3规定值的两恼,①根据需方要求,供应表3公称厚度中间规格钢带时,其厚度充许偏差按相邻小尺寸的规定。5.7.3钢带及钢板宽度充许偏差应符合表4规定。表4
公称宽度
150~750
高级精度 A
注,若需方对情度有更高要求,可由效方协议供货。5. 1.4钢板长度允许偏差应符合表 5 规定。表5
公称长度
高级精度A
5.2外形
+0. 001 5×公称长度
5.2.1钢带和钢板的镶刀弯最大值应符合表6规定。宽度充许确差
普通精度B
长度允许偏券
普酒精度B
+ 0.003 0×公称长度
GB/T14978—94
淼刀李最大值
0.003X公称长度
5.2.2钢板和钢带的不半度应符合表7规定。表?
公称宽度
150--750
高级精度A
0.70~1.20
源长度
公称长度
普通精度B
0. 70~-4.1, 20
5.2.3钢带不平度般不做测量。当需方对不平度有要求时,不平度指标可参照钢板指标,5.2.4钢板切斜度应不大于1%。
6技术要求
6.1钢基技术要求
6.1.1钢的牌号改化学成分
牌号及化学就分山供方选择。需方有要求时,需方也可指定牌号或提供化学成分。6. 1.2性能
钢基为冷轧制带。钢基性能应符合表8规定。表8免费标准下载网bzxz
180\冷弯试验
加I性能
α,湾心直径
a-试摔厚度
抗拉强度
270~500
注:①钢其冷·试样弯曲处不允许出现寰效、裂缝、断裂及起层。②拉伸试验,试样的标距一8(m,宽度%一20mm。6.2镀层技术要求
6.2.1镀层重域
镀层重谢应符合表9规定。
组服点。.
延伸率
GB/T 14978-94
三点试验平均值
(双面)不小于
法:需方对镀层重量无具体要求,按照A7.150供货。6.2.2镀层弯山
键层弯曲应符合表 10 规定。
三点试验量低值
180°弯曲试验
d弯心直径试样序
注:距试样边部5mm以外不允许出现镶层脱落,但允许表面出现不露钢些的裂纹。6.2.3镀层表面质带
钢带和钢板的装面应光滑平格,晶花均匀,允许存在轻微的划伤、压痕和钝化斑点。钢带允许存在小的锌粒和结疤以及因原钢带锈点而产生的轻微麻点。钢板不允许存在漏镀点。
6.2.4镀层表面结树
镀层表面结构均为正常晶花:
6-2.5镀层表面处理
需方可在下列表面处理方法中任选一种:A骼酸钝化;
B涂油;
C铬酸钝化加涂油。
若需方无要求时,按铬酸钝化处理。7试验方法
7.1尺少,外形及其允许偏差的测量方法单
7.1.1钢带和钢板的煤度在热浸镀后用于分尺测量。宽度、长度、镰刀弯、不平度、切划斜度用样板、卡尺或直尺测量。
7.1.2钢带和钢板的镰刀弯测量方法按图1所示。F有联游
CB/T 14978—94
测量长度
7.1.3板不平度测量方法,将钢板放在平台上,测垦钢板下表面与平台之间的最人赔离。锯带的不平度参照钢板不平度测查方法进行测量。7.1.4钢板切斜度测量方法按图2所示。事
切解度-鲁× 100%
7.2钢带和钢板力学性能及.T.艺性能的检验应符合表11规定。表11
检验珊目
拉伸试验
冷李试题
健量试险
镀县弯曲试验
糖忌表面质量
取样力法
GI 2975,GB 6397
GB 2975,G 6397
GR 2975,GB 6397
试验有法
CrH1839
G13232
除镀县后试验
去除塘层后试验
试拌面积50:m
注,①层重景试验取样方法中,若钢书觉度大于等于250mm1,在带钢宽度方向1:等距离取三快试样,若钢-斑度小下250mm,在带钢长度中心线上纵向取=快试样,试样间隔50mm。图拉伸、冷弯、弯曲试验样品均为一块。8检验规则
8.1组批
GB/T 14978—94
钢带和钢板应成批验收。每批由同一牌号、同一镀层重量、间一加工性能、同-尺小、同表面处理状态的钢带或钢板组成。钢板每批不大丁10t,钢带每一卷为一批。钢板每批取张,钢带每卷为一批。钢板每批任取一张,钢带每卷头邯或尾部lm 以外切取一张检验。8.2复验
带和钢板的复验规则按GB 247的规定。9包装、标志和质量证明书
钢带和钢板的包装、标志和质量证明书按GB247的规定。附加说明#
本标准由中华人民共和国冶金工业部提出。本标由治金工业部信息标准研究院归口。本标准由冶金工业部钢铁研究总院、江苏省常熟冷轧带钢总厂、江苏省张家港市五原钢制品有限公司负责起草,
本标准主要起草人李凌云、张广宏、苏建清、徐瑞忠、陆建平、徐婉翠。本标准水平等级标记
GB/T 14978—94 T
小提示:此标准内容仅展示完整标准里的部分截取内容,若需要完整标准请到上方自行免费下载完整标准文档。
标准图片预览:





- 其它标准
- 热门标准
- 国家标准(GB)
- GB/T11839-1989 二氧化铀芯块中硼的测定 姜黄素萃取光度法
- GB/T5738-1995 瓶装酒、饮料塑料周转箱
- GB/T228.1-2021 金属材料 拉伸试验 第1部分:室温试验方法
- GB/T3836.1-2021 爆炸性环境 第1部分:设备 通用要求
- GB/T28809-2012 轨道交通 通信、信号和处理系统 信号用安全相关电子系统
- GB/T2828.1-2012 计数抽样检验程序 第1部分:按接收质量限(AQL)检索的逐批检验抽样计划
- GB5793-1986 字鼓式行式打印机色带卷轴基本尺寸
- GB/T22699-2022 膨化食品质量通则
- GB/T14652.2-2001 小艇﹐非耐火燃油软管
- GB/T3478.1-2008 圆柱直齿渐开线花键(米制模数 齿侧配合) 第1部分:总论
- GB/T40094.2-2021 电子商务数据交易第2部分:数据描述规范
- GB/T38780-2020 竹席
- GB17378.5-1998 海洋监测规范 第5部分:沉积物分析
- GBN226-1984 石英玻璃退火点测试方法(拉丝法)
- GB/T12611-2008 金属零(部)件镀覆前质量控制技术要求
- 行业新闻
请牢记:“bzxz.net”即是“标准下载”四个汉字汉语拼音首字母与国际顶级域名“.net”的组合。 ©2025 标准下载网 www.bzxz.net 本站邮件:bzxznet@163.com
网站备案号:湘ICP备2025141790号-2
网站备案号:湘ICP备2025141790号-2