- 您的位置:
- 标准下载网 >>
- 标准分类 >>
- 化工行业标准(HG) >>
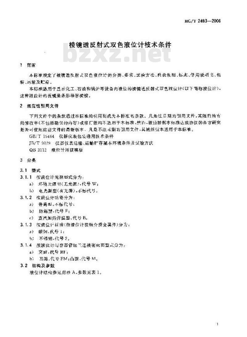
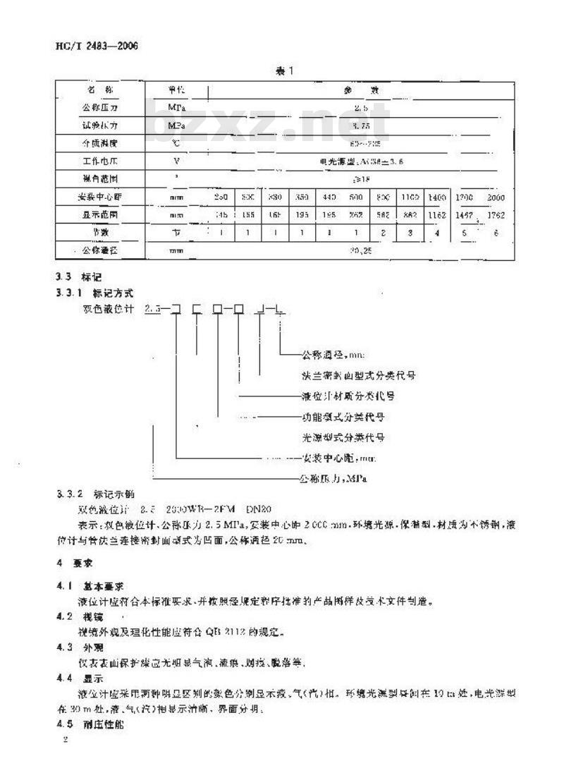
- HG/T 2483-2006 棱镜透反射式双色液位计技术条件
标准号:
HG/T 2483-2006
标准名称:
棱镜透反射式双色液位计技术条件
标准类别:
化工行业标准(HG)
标准状态:
现行-
发布日期:
2006-07-26 -
实施日期:
2007-03-01 出版语种:
简体中文下载格式:
.rar.pdf下载大小:
196.85 KB
标准ICS号:
化工技术>>化工设备>>71.120.99其他化工设备中标分类号:
化工>>化工机械与设备>>G91化工机械与设备零部件
替代情况:
替代HG/T 2483-1993
标准图片预览:





- 其它标准
- 热门标准
- 化工行业标准(HG)
- HG/T2784-1996 工业用亚硫酸铵
- HG/T3534-2011 代替 HG/T 3534-2003 工业循环冷却水污垢和腐蚀产物中酸不溶物、磷、铁、铝、钙、镁、锌、铜含量测定方法
- HG/T4519-2013 碱式碳酸钴
- HG/T5699-2020 扩散渗析阳膜
- HG/T20701.12-2000 容器、换热器和特殊设备专业厂商协调会工作程序及说明
- HG2208-1991 甲霜灵可湿性粉剂
- HG/T2058.1-1991 搪玻璃温度计套
- HG/T2343-2012 硫化促进剂ETU
- HG/T20510-2014 仪表供气设计规范
- HG/T2959-2000 工业水合碱式碳酸镁
- HG/T20704.3-2000 机泵专业工程设计阶段的工作程序
- HG2975-1989 气体分析 标准混合气 混合物制备证书
- HG2207-1991 甲霜灵粉剂
- HG21607-1996 异形筒体和封头
- HG/T2192-1991 喷砂橡胶软管
- 行业新闻
请牢记:“bzxz.net”即是“标准下载”四个汉字汉语拼音首字母与国际顶级域名“.net”的组合。 ©2025 标准下载网 www.bzxz.net 本站邮件:bzxznet@163.com
网站备案号:湘ICP备2025141790号-2
网站备案号:湘ICP备2025141790号-2