- 您的位置:
- 标准下载网 >>
- 标准分类 >>
- 国家标准(GB) >>
- GB/T 14816-1993 井用潜油三相异步电动机通用技术条件
标准号:
GB/T 14816-1993
标准名称:
井用潜油三相异步电动机通用技术条件
标准类别:
国家标准(GB)
英文名称:
General technical requirements for three-phase asynchronous motors for submersible oil wells标准状态:
已作废-
发布日期:
1993-01-02 -
实施日期:
1994-10-01 -
作废日期:
2005-10-14 出版语种:
简体中文下载格式:
.rar.pdf下载大小:
609.71 KB
替代情况:
作废;
点击下载
标准简介:
标准下载解压密码:www.bzxz.net
本标准规定了井用潜油三相异步电动机的型号、基本参数和配套尺寸,技术要求,试验方法,检验规则以及标志、包装、运输和贮存。本标准适用于与潜油电泵配套的潜油电机。对于水井、卤井用与潜没式电泵配套的潜没式电机也可参照使用。 GB/T 14816-1993 井用潜油三相异步电动机通用技术条件 GB/T14816-1993
部分标准内容:
中华人民共和国国家标准
并用潜油三相异步电动机通用技术条件Three-phase asyuchronous submersibleGeneral specification
1主题内容与造用范围
GB/T 14B16--93
本标准规定了井用潜油三相异步电动机(以下简称潜油电机)的型号、基本塞数和配套尺寸,技术要求,试验方法,捡验规则以及标志、包装、运输和贮存本标准适用于与潜油电泵配套的潜油电机.对丁水井、卤升用与潜没式电泵配套的潜没式电机也可参照使用。
2引用标准
绝缘油介电强度测定法
硫化橡胶拉伸性能的测定
旋转电机基本技术要求
三相异步电动机试验方法
GB 1032
GB I144
矩形花键尺寸,公差和检验
GB1993
电机冷却方法
GB2828逐批捡查计数抽样程序及抽样表(适用于连续批的检查)GB4942.1电机外壳防护分级
3术语、代号
3.1术语
3.1.1 密封保护器 seal section,Protector密封保护器(简称保护器),应与潜油电桃配套安装,用于密封电机并能传递电机扭矩。3.1.2滑行时间coast time
潜油电机窄载试验结束,切断电源,转子因惯性继续转动到究全停止的时间。3.1.3静力矩 static moment
滞油电机乘直悬拌状态下,使转子能均匀转动的最大力矩。3.2潜油电机的型号表示方法如下:国家技术监督同1993-12-30批准1994-10-01实施
GB/T14816—93
设计序号,用2、3、4*·没有数字的表示设计序号为1特征代号:D——单节潜油电机;J——基本节潜油电机,S—上节潜油电机;Z·-中节潜油电机:X—下节潜油电机潜剂电机额定功率,起
适用油井温度等级,无代号为50℃及以下,G一90℃及以下,T—120℃及以卜,C——高于120℃系列代凸,表征潜油电机外径,mm异步,潜油
型号举例:YQY114G-75F2表示设计序号为2的单节潜油电机,外径为$114mm,适用于井温90℃及以下的油井,功率为 75kW。
4型式、基本参数与尺寸
4.1潜油电机为两极鼠笼式三相异步电动机,密闭式充油结构。4.2潜油电机外壳防护等级按GB4942.1规定为IP58。4.3潜油电机冷却方法按GB1993为ICU08U40。4.4潜油电机为立式安装。
4.5落油电机的定额是以连续工作制(S1)为基准的连续定额。4.6潜油电机的额定频率为50Hz,额定电压在产品技术条件中规定,并由潜油电泵专用变压器供电。4.7当用户提出要求时,油电机也可按60Hz制造,此时的潜油电机额定功率可以与表3不一致。4.8潜油电机每节的长度不应超过10m。因功率增大的需要,可以制成串接式潜油电机。4.9潜油电机的连接尺寸及其公差应符合表1、表2和图1、图2的规定。矩形花键符合GB1144的规定。当用户与制造厂有协议时,其连接尺寸及公差可另行规定。轴的真径和花键应按潜油电机最人转矩保证值核算静强度,按潜油电机的额定转矩核算疲劳强度。合成应力按第三强度理论计算,静强度核算的最大合成应力不应超过钢材漏服强度极限。,的30%。连接螺钉选用屈服强度极限不小于550MPa的材料制造。工
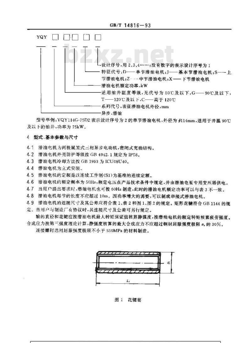
图1花键套
潜油电
机系列
潜油电机系列
GB/T 14B16—93
表1花键套外形尺于
保护器系列
螺孔M
图2单节或上节潜油电机上接头
表2单节或上节潜油电机上接头连接尺寸连接螺孔
6XM10X1.25
花键副 d
保护器与潜油电机连接
40×95
40×95
45×95
45×95
潜油电
机系列
GB/T 14816—93
续表2
连接螺孔
6XM12X1, 25
10XM12×1.25
花键副
4.10潜油电机的电气连接方法及连接尺寸应在产品技术条件中规定,4.11潜油电机按表3额定功率等级制造。表 3潜油电机癫定功率
潜油电机
单节潜油电机功率
10,12. 5,15,17.5,20,22.5,25,27..5,30,32.5+35,37.5,40,42. 5.45,47.5,50,55.60,65,7520,25,30,35,40,45,50,55.60,65,70,75,8525,30,35,10,15,50,55.50.65,75,85,90,95,105,115,120c10
申接潜油电机功率
接单节潜油电机任煮组合,但最大功率为150
按单节潜油电机任意组合,但量大功本为170
按单节潜油电机任意组合,但最大功率为240
4.12潜油电机从轴伸端视之,为顺时针方向旋转。若需逆时针方向旋转时,在订货合同中说明,并在电机接头上用指示久标记转向。
5技术要求
5.1潜油电机应与密封保护器配套使用,密封保护器应符合附录A的规定。5.2潜油电机应符合本标准的要求,并按照经规定程序批准的图样及技术文件制造。5.3潜油电机在表4规定的工作环境条件下应能额定运行。环境因素
井底癌度
井底静压力
潜池电泵丁作时,
潜油电机外壳井
液流速1
天然气
并液中含莎量
井斜度
GB/T 14816-—93
井下工作环境条件及其分级
环境因素分级
0. 15svs5.00
大工120'℃时接特球订货处理
大于25MPa 时,接特殊订贷处理当天然气中含有H,S,CO.时,按特殊订货处理超过规定,接特殊订费处理
大于15°时,按特殊订货处理
5.4潜油电机运行期间电源电压和频率与额定值的偏差应按GB755的规定。5.5潜油电机在功率、电压及频率为额定时,其性能的保证值及容差应符合表5的规定。表5潜油电机性能参数及容差
项自名称
功率因数
堵转转矩倍教
潜油电机系列
保证值
项目名称
最大转矩倍数
转差率S
GB/T14816—93
续表5
潜油电机系列
保证值
5.6潜油电机应其有良好的密封性,经密封性能试验,各连接处和丝堵不应有泄漏。容差
5.7根据井底温度不同,潜油电机可以选用不同耐热等级的绝缘结构,相应的绕组允许极限温度值应符合表6的规定。
表6潜油电机绝缘耐热等级及绕组允许极限温度绝缘耐热等级
潜油电机绕组允许极限温度(电阻法)B
5. 8潜油电机内所充的油(简称电机油)应有良好的润滑性能和电气性能。电机油在 2. 5mm间隙的标准放电器内的击穿电压不得低于18kV。潜油电机空载试验后取出的油样,其击穿电压值不低于12kV。5.9单台(节)潜油电机在充油后,在室温条件下的冷态绝缘电阻应不低于500M。5.10潜油电机绕组应能承受为时1min的耐电压记验面不发生击穿,试验电压的频率为50Hz.并尽可能为止炫波形,电压的有效值为2倍潜油电机额定电压1000V。5.11潜油电机绝缘应具有良好的耐油水性能.按.寸录B绝缘结构耐油水试验方法试验10d后,模拟定子绕组热态绝缘电阻应不低于 100M0,按 5.10条规定的耐电压值的70%试验不发生击穿,5.12单台(节)潜油电机绕组绝缘电阻在热状态时或温升试验后,应不低于15M,串接电机不低于7.5M2.
5.13当三相电源平衡时·潜油电机三相空载电流中任一相与三相平均值的偏差的绝对值,应不大于三相平均值的10%。
5.14潜油电机的滑行时间,应在产品技术条件中规定。5. 15在室温并液中,单台(节)潜油电机处实际冷态的情况下,施加静力矩应不大于下列数值。对丁直径为107的潜油电机:9V·m;对于直径为114的潜油电机:12N-·m;对于直径为 4138 的潜油电机:20N· m5.16花键轴表面对止口的允许径向跳动不大于0.18mm5.17在用按照使用维护说明书的规定,正确地存放、运输、安装和运行的情况下,当潜油电机的工作环境温度为50C及以下时,制造厂应保证潜油电机安装于生产井使用一年内,但自制造厂起运日期不超过18个月内,能正常运行。如在此规定时间内,潜油电机因制造质量不良而发生损坏或不能正常工作GB/T14816—93
时,制造厂应无偿地为用户修理或更换零件。当井下工作环境条件与表4不同或井液温度超过50℃时,保证期与用户另行商定。
6试验方法
6.1潜油电机按本标准规定的试验方法进行试验,本标准未作规定的则应按GB1032进行。6.2按照工艺文件规定的方法检查潜油电机的连接尺寸、安装尺寸以及径向跳动。6.3潜油电机的密封性能试验,是用干姚空气或氮气通入潜油电机内部,试验压力为0.5MPa,历时5min,用肥皂水涂抹各连接处和丝堵,不应有气泡产生。6.4静力矩测定,尽将潜油电机垂直悬挂于试验井内,用测力计检验。6.5潜油电机的空载试验,是在额定电压下空载运行不少于0.5h,待输入电流、输入功率基本稳定时,测量所需的数据。
6.6转子滑行时间是在空载试验结束时测定。6.7型式试验是在冷却介质温度为50士3℃条件下进行,并以在该条件下测取的试验数据按B级绝缘电机换算,确定潜油电机的电气性能。潜油电机的机械摄耗、钢损耗、转差率不再按绝缘等级温度进行修正。
6.8潜油电机绝缘电阻和耐电压试验是在负载或温升试验结束时进行,用1000V兆欧表测定绕组对地绝缘电阻,并做耐屯压试验。6.9潜油电机绝缘结构的耐油水性能试验按附录B进行。6.10电机油试验是在空载试验结束时,从潜油电机底部放出电机油,按GB507进行试验,若击穿电压小于12kV,允许重新汁入新油,空载运转0.5h后,重新取油样做击穿试验。如仍不合格,则视为该项考核不合格。
7检验规则
7.1潜油电机应符合本技术条件的规定,经检验合格后才能出厂,并附有产品合格证。7.2为了检查潜油电机是否符合本标准的有关要求,须进行出厂检验和型式检验。7.3每台潜油电机应做出厂检验,试验项目如下:a
外观,连接尺寸,外形尺寸及径向跳动检查;在实际冷态下,是子绕组对机壳的绝缘电阻测定:在实际冷态下,定子绕组直流电阻测定;定子绕组耐电压试验;
密封性能试验;
空载电流和损耗测定;
注:在型式检验时需量取究载特性曲线。g.
堵转电流和损耗测定;
注:型式检验时需盘取堵转特性曲线。h.
电机油击穿电压测定:
静力矩测定,
转子滑行时问定。
7.4凡遇下列情况之者,必须进行型式检验:新产品试制完成时!
潜油电机设计或工艺、材料变更足以引起某些性能发生变化时:当出!检验结果与以前进行型式检验结果发生不可容许的偏差时;成批生产的潜油电机定期的抽试,每年抽试一次。7.5潜油电机的型式检验项目包括:a.
出厂检验的全部项目;
温升试验
效率,功率因数及转差率测定;最人转矩测定,
热态绝缘电阻测定:
绝缘结构耐油水性能试验。
GB/T 14816.93
注:绝缘结构面油水性能试验除在绝缘结构定型和绝缴材料或绝缘工艺变更时进行外,对成批生产的潜油电机每三年至少进行一次。
7.6潜油电机型式检验抽样按GB2828规定为特殊检查水平S-1,合格质量水平AQL为 6.5,当产品批量范声 50 台以下时,样本数=2,51~500 台时 n=3,501~1 200 台时 n=5。合格判定数 A。为 0,不合格判定数 R。为 1 。
8随机附件及配套附具
8.1随机提供下井--饮的消耗件。8.2根据供货合同,可以提供备用件和专用工具。9标志,包装、运输和贮存
铭牌材料及铭牌上数据的刻划方法应保证其字迹在潜油电机整个使用时期内不易磨灭。9.2
铭牌上应标明的项目如下;
名称及型号:
额定功率,
额定频率;
d.:额定电流,
额定电压;
额定转速:
绝缘等级;
制造厂出品年月和出品编号;bzxz.net
重量;
产品投术条件编号。
9.3潜油电机应置于长方形的钢质包装箱内,箱体外面应有吊攀,箱内应有足够的支撑块,包装籍端头有观察孔,下底有排水孔,两端有开箱提环。9.4包装箱外壁的文字和标志应清楚整齐,内容如下:发货站及制造」名称、址;
收货站及收货单位名称,
名称、型号和出厂编号:
净重及毛重;
包装箱外形尺寸,
发货口期:
在适当位置标注“轻效”及“吊装位置”,并在潜油电机头部位置涂红色漆标志。9.5随机文件应封装在塑料袋内,放人包装箱。随机文件包括:a.
装箱单:
产品合格证,
使用维护说明于
GB/T 14816-93
9.6一次下并消耗件、备用件和工具应分别包装,并有标记,金属件应涂防锈油9.7运输车必须有足够的长度,籍体伸出车厢部分不得超过1m-8此存的潜油电机应有适量的电机油,并放置在平担的水泥地或支架上GB/T 14816—93
附录A
密封保护器基本技术要求
(补充件)
本附录规定了与潜油电机配套安装的密封保护器(以下简称保护器)的型号、基本参数和连接尺寸,主要技术要求,试验方法和检验规则。保护器型号表示方法
设计序号,用2、3、4,没有数字表示设计序号为1结构代号:L-
一连通式C
一沉凝式,N-
胶囊式;T-
一其他
适用井温等级: 为 90C及以下,T 为 120℃及以下,C 为高于120℃
系列代号,表征保护器外径,mm潜油、护
例如,QYI98G-N表示设计序号为1的胶衰式保护器,外径为98mm,适用井温为90℃及以下。注:保护器型号中的结构代号可以组合便用。例如,NC 表示胶囊沉淀式。A2基本参数和连接尺寸
保护器的外径、连接尺及公差应按表A1、表A2,图A1、图A2的规定。矩形花键符合GB1144的规定。当用户与制造」有协议时,其连接尺寸及公差可另行规定。孔
螺孔M
保护器上接头
保护器下接头
保护器
保护器
A3技术要求
GB/T14816—93
表A1保护器上接头连接尺寸(图A1)花键副
连接螺孔
6XM10X1.25
6XM12X1.25
10×M12X1.25
表A2保护器下接头连接尺寸(图A2)花螺副
连接孔
A3.1保护器应有良好的密封性,能阻止井液进入潜油电机内部。保护器的腔体应有足够的容积用以平衡潜油电机内部与井液压力及补充由于机械密封泄漏所损失的电机油A3.2保护器内安装有推力轴承,用以承受泵及分离器的剩余轴向力,其允许值在产品技术条件中规定。
保护器应能满足传递潜油电机功率的要求。保护器机械密封腔体经密封试验不应有泄漏。43.4
GB/T 14816—93
A3.5保护器壳体经密封试验,各连接处和丝堵不应有泄漏。A3.6保护器的胶囊和单向阀等关键部件在装配前须按技术要求进行检查。A3.7保护器胶囊材料应有良好的机械性能和耐油性,经试验15d后,氟橡胶性能应不低于表A3的规定。
表 A3氟橡胶胶囊材料性能
试验项目
机械性能
原始值
经电机油试验15d后
经原油试验 15d 后
经 H,S 试验 15d 后
扯断神长率
扯断强度
注:(1)如采用其他材料,其性能指标在产品技术条件中规定。②耐H,S 试验只行当用户提出要求时才进行。外
黑色光亮
无发粘、开裂现象
A3.8保护器胶囊单向阀在压力为2035kPa时,应能打开。反向压力0.1MPa不应泄漏。A3.9保护器胶囊应能承受50kPa气压试验1min不发生泄漏或开裂。A3.10保护器作空载运转试验时,其允许的消耗功率值在产品技术条件中规定。空裁试验后机械密封无可见的泄漏。
A3.11保护器经200h负载试验,不应有井液进入被隔离的腔体内。43.12保护器花键表面对止口的允许径向跳动不大于0.18mm。A3.13在用户按使用维护说明书的规定,正确地存放、运输、安装和运行的情况下,当保护器的工作环境温度为50及以下时,制造厂应保证保护器安装于生产井使用1年内,但自制造厂起运日期不超过18个月内,能起保护作用.如在此规定时间内,保护器因制造质量不良而发生损坏或不起保护作用时,制造」应无偿地为用户修理或更换零件。当井下工作环境条件与表4不同或井液温度超过50℃时,保证期与用户男行商定。
A4试验方法
A4.1机械密封腔的密封性能试验,是在静止状态下,按产品技术条件规定的压力,将气体通入密封腔内,持续时问为5min,外侧不应有气泡产生。A4.2保护器壳体密封试验,是将压力为0.5MPa的气体通入壳体内,此时应使机械密封内外腔,胶囊内外腔的压力相同,持续时间为5inin,用肥皂水涂抹各连接处和丝堵,不应有气泡产生。A4.3保护器胶囊单向阀压力试验,是在胶囊内腔侧通入气体,压力为20~35kPa,此时单向阀应打开。反向用电机油加压0.1MPa,历时5min,单向阀不应有油泄漏。A4.4保护扩器的空载运转试验,是将保护器立式安装,用台经过校验的转速范函2700~3000r/min的电动机驱动其究载运转,待电动机的输入电流、功率稳定后,但运转时间不得少于30min,测取保护器消耗之功率。在内部压力为20~~35kPa,用目测部机械密封处不允许有油泄漏。A4.5保护器200h负载试验,是以成套潜油电泵机组运行的方式在试验并中进行。试验结束后,机组静置12h,然后从潜油电机底部和保护器密封腔体内各放出1升电机油,检查是否有水进入。A4. 6保护器胶囊材料性能试验,是在成批生产的胶囊中随机取出一件,在圆简部分按GH 528 的规定
小提示:此标准内容仅展示完整标准里的部分截取内容,若需要完整标准请到上方自行免费下载完整标准文档。
并用潜油三相异步电动机通用技术条件Three-phase asyuchronous submersibleGeneral specification
1主题内容与造用范围
GB/T 14B16--93
本标准规定了井用潜油三相异步电动机(以下简称潜油电机)的型号、基本塞数和配套尺寸,技术要求,试验方法,捡验规则以及标志、包装、运输和贮存本标准适用于与潜油电泵配套的潜油电机.对丁水井、卤升用与潜没式电泵配套的潜没式电机也可参照使用。
2引用标准
绝缘油介电强度测定法
硫化橡胶拉伸性能的测定
旋转电机基本技术要求
三相异步电动机试验方法
GB 1032
GB I144
矩形花键尺寸,公差和检验
GB1993
电机冷却方法
GB2828逐批捡查计数抽样程序及抽样表(适用于连续批的检查)GB4942.1电机外壳防护分级
3术语、代号
3.1术语
3.1.1 密封保护器 seal section,Protector密封保护器(简称保护器),应与潜油电桃配套安装,用于密封电机并能传递电机扭矩。3.1.2滑行时间coast time
潜油电机窄载试验结束,切断电源,转子因惯性继续转动到究全停止的时间。3.1.3静力矩 static moment
滞油电机乘直悬拌状态下,使转子能均匀转动的最大力矩。3.2潜油电机的型号表示方法如下:国家技术监督同1993-12-30批准1994-10-01实施
GB/T14816—93
设计序号,用2、3、4*·没有数字的表示设计序号为1特征代号:D——单节潜油电机;J——基本节潜油电机,S—上节潜油电机;Z·-中节潜油电机:X—下节潜油电机潜剂电机额定功率,起
适用油井温度等级,无代号为50℃及以下,G一90℃及以下,T—120℃及以卜,C——高于120℃系列代凸,表征潜油电机外径,mm异步,潜油
型号举例:YQY114G-75F2表示设计序号为2的单节潜油电机,外径为$114mm,适用于井温90℃及以下的油井,功率为 75kW。
4型式、基本参数与尺寸
4.1潜油电机为两极鼠笼式三相异步电动机,密闭式充油结构。4.2潜油电机外壳防护等级按GB4942.1规定为IP58。4.3潜油电机冷却方法按GB1993为ICU08U40。4.4潜油电机为立式安装。
4.5落油电机的定额是以连续工作制(S1)为基准的连续定额。4.6潜油电机的额定频率为50Hz,额定电压在产品技术条件中规定,并由潜油电泵专用变压器供电。4.7当用户提出要求时,油电机也可按60Hz制造,此时的潜油电机额定功率可以与表3不一致。4.8潜油电机每节的长度不应超过10m。因功率增大的需要,可以制成串接式潜油电机。4.9潜油电机的连接尺寸及其公差应符合表1、表2和图1、图2的规定。矩形花键符合GB1144的规定。当用户与制造厂有协议时,其连接尺寸及公差可另行规定。轴的真径和花键应按潜油电机最人转矩保证值核算静强度,按潜油电机的额定转矩核算疲劳强度。合成应力按第三强度理论计算,静强度核算的最大合成应力不应超过钢材漏服强度极限。,的30%。连接螺钉选用屈服强度极限不小于550MPa的材料制造。工
图1花键套
潜油电
机系列
潜油电机系列
GB/T 14B16—93
表1花键套外形尺于
保护器系列
螺孔M
图2单节或上节潜油电机上接头
表2单节或上节潜油电机上接头连接尺寸连接螺孔
6XM10X1.25
花键副 d
保护器与潜油电机连接
40×95
40×95
45×95
45×95
潜油电
机系列
GB/T 14816—93
续表2
连接螺孔
6XM12X1, 25
10XM12×1.25
花键副
4.10潜油电机的电气连接方法及连接尺寸应在产品技术条件中规定,4.11潜油电机按表3额定功率等级制造。表 3潜油电机癫定功率
潜油电机
单节潜油电机功率
10,12. 5,15,17.5,20,22.5,25,27..5,30,32.5+35,37.5,40,42. 5.45,47.5,50,55.60,65,7520,25,30,35,40,45,50,55.60,65,70,75,8525,30,35,10,15,50,55.50.65,75,85,90,95,105,115,120c10
申接潜油电机功率
接单节潜油电机任煮组合,但最大功率为150
按单节潜油电机任意组合,但量大功本为170
按单节潜油电机任意组合,但最大功率为240
4.12潜油电机从轴伸端视之,为顺时针方向旋转。若需逆时针方向旋转时,在订货合同中说明,并在电机接头上用指示久标记转向。
5技术要求
5.1潜油电机应与密封保护器配套使用,密封保护器应符合附录A的规定。5.2潜油电机应符合本标准的要求,并按照经规定程序批准的图样及技术文件制造。5.3潜油电机在表4规定的工作环境条件下应能额定运行。环境因素
井底癌度
井底静压力
潜池电泵丁作时,
潜油电机外壳井
液流速1
天然气
并液中含莎量
井斜度
GB/T 14816-—93
井下工作环境条件及其分级
环境因素分级
0. 15svs5.00
大工120'℃时接特球订货处理
大于25MPa 时,接特殊订贷处理当天然气中含有H,S,CO.时,按特殊订货处理超过规定,接特殊订费处理
大于15°时,按特殊订货处理
5.4潜油电机运行期间电源电压和频率与额定值的偏差应按GB755的规定。5.5潜油电机在功率、电压及频率为额定时,其性能的保证值及容差应符合表5的规定。表5潜油电机性能参数及容差
项自名称
功率因数
堵转转矩倍教
潜油电机系列
保证值
项目名称
最大转矩倍数
转差率S
GB/T14816—93
续表5
潜油电机系列
保证值
5.6潜油电机应其有良好的密封性,经密封性能试验,各连接处和丝堵不应有泄漏。容差
5.7根据井底温度不同,潜油电机可以选用不同耐热等级的绝缘结构,相应的绕组允许极限温度值应符合表6的规定。
表6潜油电机绝缘耐热等级及绕组允许极限温度绝缘耐热等级
潜油电机绕组允许极限温度(电阻法)B
5. 8潜油电机内所充的油(简称电机油)应有良好的润滑性能和电气性能。电机油在 2. 5mm间隙的标准放电器内的击穿电压不得低于18kV。潜油电机空载试验后取出的油样,其击穿电压值不低于12kV。5.9单台(节)潜油电机在充油后,在室温条件下的冷态绝缘电阻应不低于500M。5.10潜油电机绕组应能承受为时1min的耐电压记验面不发生击穿,试验电压的频率为50Hz.并尽可能为止炫波形,电压的有效值为2倍潜油电机额定电压1000V。5.11潜油电机绝缘应具有良好的耐油水性能.按.寸录B绝缘结构耐油水试验方法试验10d后,模拟定子绕组热态绝缘电阻应不低于 100M0,按 5.10条规定的耐电压值的70%试验不发生击穿,5.12单台(节)潜油电机绕组绝缘电阻在热状态时或温升试验后,应不低于15M,串接电机不低于7.5M2.
5.13当三相电源平衡时·潜油电机三相空载电流中任一相与三相平均值的偏差的绝对值,应不大于三相平均值的10%。
5.14潜油电机的滑行时间,应在产品技术条件中规定。5. 15在室温并液中,单台(节)潜油电机处实际冷态的情况下,施加静力矩应不大于下列数值。对丁直径为107的潜油电机:9V·m;对于直径为114的潜油电机:12N-·m;对于直径为 4138 的潜油电机:20N· m5.16花键轴表面对止口的允许径向跳动不大于0.18mm5.17在用按照使用维护说明书的规定,正确地存放、运输、安装和运行的情况下,当潜油电机的工作环境温度为50C及以下时,制造厂应保证潜油电机安装于生产井使用一年内,但自制造厂起运日期不超过18个月内,能正常运行。如在此规定时间内,潜油电机因制造质量不良而发生损坏或不能正常工作GB/T14816—93
时,制造厂应无偿地为用户修理或更换零件。当井下工作环境条件与表4不同或井液温度超过50℃时,保证期与用户另行商定。
6试验方法
6.1潜油电机按本标准规定的试验方法进行试验,本标准未作规定的则应按GB1032进行。6.2按照工艺文件规定的方法检查潜油电机的连接尺寸、安装尺寸以及径向跳动。6.3潜油电机的密封性能试验,是用干姚空气或氮气通入潜油电机内部,试验压力为0.5MPa,历时5min,用肥皂水涂抹各连接处和丝堵,不应有气泡产生。6.4静力矩测定,尽将潜油电机垂直悬挂于试验井内,用测力计检验。6.5潜油电机的空载试验,是在额定电压下空载运行不少于0.5h,待输入电流、输入功率基本稳定时,测量所需的数据。
6.6转子滑行时间是在空载试验结束时测定。6.7型式试验是在冷却介质温度为50士3℃条件下进行,并以在该条件下测取的试验数据按B级绝缘电机换算,确定潜油电机的电气性能。潜油电机的机械摄耗、钢损耗、转差率不再按绝缘等级温度进行修正。
6.8潜油电机绝缘电阻和耐电压试验是在负载或温升试验结束时进行,用1000V兆欧表测定绕组对地绝缘电阻,并做耐屯压试验。6.9潜油电机绝缘结构的耐油水性能试验按附录B进行。6.10电机油试验是在空载试验结束时,从潜油电机底部放出电机油,按GB507进行试验,若击穿电压小于12kV,允许重新汁入新油,空载运转0.5h后,重新取油样做击穿试验。如仍不合格,则视为该项考核不合格。
7检验规则
7.1潜油电机应符合本技术条件的规定,经检验合格后才能出厂,并附有产品合格证。7.2为了检查潜油电机是否符合本标准的有关要求,须进行出厂检验和型式检验。7.3每台潜油电机应做出厂检验,试验项目如下:a
外观,连接尺寸,外形尺寸及径向跳动检查;在实际冷态下,是子绕组对机壳的绝缘电阻测定:在实际冷态下,定子绕组直流电阻测定;定子绕组耐电压试验;
密封性能试验;
空载电流和损耗测定;
注:在型式检验时需量取究载特性曲线。g.
堵转电流和损耗测定;
注:型式检验时需盘取堵转特性曲线。h.
电机油击穿电压测定:
静力矩测定,
转子滑行时问定。
7.4凡遇下列情况之者,必须进行型式检验:新产品试制完成时!
潜油电机设计或工艺、材料变更足以引起某些性能发生变化时:当出!检验结果与以前进行型式检验结果发生不可容许的偏差时;成批生产的潜油电机定期的抽试,每年抽试一次。7.5潜油电机的型式检验项目包括:a.
出厂检验的全部项目;
温升试验
效率,功率因数及转差率测定;最人转矩测定,
热态绝缘电阻测定:
绝缘结构耐油水性能试验。
GB/T 14816.93
注:绝缘结构面油水性能试验除在绝缘结构定型和绝缴材料或绝缘工艺变更时进行外,对成批生产的潜油电机每三年至少进行一次。
7.6潜油电机型式检验抽样按GB2828规定为特殊检查水平S-1,合格质量水平AQL为 6.5,当产品批量范声 50 台以下时,样本数=2,51~500 台时 n=3,501~1 200 台时 n=5。合格判定数 A。为 0,不合格判定数 R。为 1 。
8随机附件及配套附具
8.1随机提供下井--饮的消耗件。8.2根据供货合同,可以提供备用件和专用工具。9标志,包装、运输和贮存
铭牌材料及铭牌上数据的刻划方法应保证其字迹在潜油电机整个使用时期内不易磨灭。9.2
铭牌上应标明的项目如下;
名称及型号:
额定功率,
额定频率;
d.:额定电流,
额定电压;
额定转速:
绝缘等级;
制造厂出品年月和出品编号;bzxz.net
重量;
产品投术条件编号。
9.3潜油电机应置于长方形的钢质包装箱内,箱体外面应有吊攀,箱内应有足够的支撑块,包装籍端头有观察孔,下底有排水孔,两端有开箱提环。9.4包装箱外壁的文字和标志应清楚整齐,内容如下:发货站及制造」名称、址;
收货站及收货单位名称,
名称、型号和出厂编号:
净重及毛重;
包装箱外形尺寸,
发货口期:
在适当位置标注“轻效”及“吊装位置”,并在潜油电机头部位置涂红色漆标志。9.5随机文件应封装在塑料袋内,放人包装箱。随机文件包括:a.
装箱单:
产品合格证,
使用维护说明于
GB/T 14816-93
9.6一次下并消耗件、备用件和工具应分别包装,并有标记,金属件应涂防锈油9.7运输车必须有足够的长度,籍体伸出车厢部分不得超过1m-8此存的潜油电机应有适量的电机油,并放置在平担的水泥地或支架上GB/T 14816—93
附录A
密封保护器基本技术要求
(补充件)
本附录规定了与潜油电机配套安装的密封保护器(以下简称保护器)的型号、基本参数和连接尺寸,主要技术要求,试验方法和检验规则。保护器型号表示方法
设计序号,用2、3、4,没有数字表示设计序号为1结构代号:L-
一连通式C
一沉凝式,N-
胶囊式;T-
一其他
适用井温等级: 为 90C及以下,T 为 120℃及以下,C 为高于120℃
系列代号,表征保护器外径,mm潜油、护
例如,QYI98G-N表示设计序号为1的胶衰式保护器,外径为98mm,适用井温为90℃及以下。注:保护器型号中的结构代号可以组合便用。例如,NC 表示胶囊沉淀式。A2基本参数和连接尺寸
保护器的外径、连接尺及公差应按表A1、表A2,图A1、图A2的规定。矩形花键符合GB1144的规定。当用户与制造」有协议时,其连接尺寸及公差可另行规定。孔
螺孔M
保护器上接头
保护器下接头
保护器
保护器
A3技术要求
GB/T14816—93
表A1保护器上接头连接尺寸(图A1)花键副
连接螺孔
6XM10X1.25
6XM12X1.25
10×M12X1.25
表A2保护器下接头连接尺寸(图A2)花螺副
连接孔
A3.1保护器应有良好的密封性,能阻止井液进入潜油电机内部。保护器的腔体应有足够的容积用以平衡潜油电机内部与井液压力及补充由于机械密封泄漏所损失的电机油A3.2保护器内安装有推力轴承,用以承受泵及分离器的剩余轴向力,其允许值在产品技术条件中规定。
保护器应能满足传递潜油电机功率的要求。保护器机械密封腔体经密封试验不应有泄漏。43.4
GB/T 14816—93
A3.5保护器壳体经密封试验,各连接处和丝堵不应有泄漏。A3.6保护器的胶囊和单向阀等关键部件在装配前须按技术要求进行检查。A3.7保护器胶囊材料应有良好的机械性能和耐油性,经试验15d后,氟橡胶性能应不低于表A3的规定。
表 A3氟橡胶胶囊材料性能
试验项目
机械性能
原始值
经电机油试验15d后
经原油试验 15d 后
经 H,S 试验 15d 后
扯断神长率
扯断强度
注:(1)如采用其他材料,其性能指标在产品技术条件中规定。②耐H,S 试验只行当用户提出要求时才进行。外
黑色光亮
无发粘、开裂现象
A3.8保护器胶囊单向阀在压力为2035kPa时,应能打开。反向压力0.1MPa不应泄漏。A3.9保护器胶囊应能承受50kPa气压试验1min不发生泄漏或开裂。A3.10保护器作空载运转试验时,其允许的消耗功率值在产品技术条件中规定。空裁试验后机械密封无可见的泄漏。
A3.11保护器经200h负载试验,不应有井液进入被隔离的腔体内。43.12保护器花键表面对止口的允许径向跳动不大于0.18mm。A3.13在用户按使用维护说明书的规定,正确地存放、运输、安装和运行的情况下,当保护器的工作环境温度为50及以下时,制造厂应保证保护器安装于生产井使用1年内,但自制造厂起运日期不超过18个月内,能起保护作用.如在此规定时间内,保护器因制造质量不良而发生损坏或不起保护作用时,制造」应无偿地为用户修理或更换零件。当井下工作环境条件与表4不同或井液温度超过50℃时,保证期与用户男行商定。
A4试验方法
A4.1机械密封腔的密封性能试验,是在静止状态下,按产品技术条件规定的压力,将气体通入密封腔内,持续时问为5min,外侧不应有气泡产生。A4.2保护器壳体密封试验,是将压力为0.5MPa的气体通入壳体内,此时应使机械密封内外腔,胶囊内外腔的压力相同,持续时间为5inin,用肥皂水涂抹各连接处和丝堵,不应有气泡产生。A4.3保护器胶囊单向阀压力试验,是在胶囊内腔侧通入气体,压力为20~35kPa,此时单向阀应打开。反向用电机油加压0.1MPa,历时5min,单向阀不应有油泄漏。A4.4保护扩器的空载运转试验,是将保护器立式安装,用台经过校验的转速范函2700~3000r/min的电动机驱动其究载运转,待电动机的输入电流、功率稳定后,但运转时间不得少于30min,测取保护器消耗之功率。在内部压力为20~~35kPa,用目测部机械密封处不允许有油泄漏。A4.5保护器200h负载试验,是以成套潜油电泵机组运行的方式在试验并中进行。试验结束后,机组静置12h,然后从潜油电机底部和保护器密封腔体内各放出1升电机油,检查是否有水进入。A4. 6保护器胶囊材料性能试验,是在成批生产的胶囊中随机取出一件,在圆简部分按GH 528 的规定
小提示:此标准内容仅展示完整标准里的部分截取内容,若需要完整标准请到上方自行免费下载完整标准文档。
标准图片预览:





- 热门标准
- 国家标准(GB)
- GB/T2828.1-2012 计数抽样检验程序 第1部分:按接收质量限(AQL)检索的逐批检验抽样计划
- GB/T29863-2023 服装制图
- GB/T3836.1-2021 爆炸性环境 第1部分:设备 通用要求
- GB50367-2013 混凝土结构加固设计规范
- GB/T228.1-2021 金属材料 拉伸试验 第1部分:室温试验方法
- GB5009.225-2023 食品安全国家标准 酒和食用酒精中乙醇浓度的测定
- GB/T18204.4-2000 公共场所毛巾、床上卧具微生物检验方法细菌总数测定
- GB/T23892.3-2009 滑动轴承 稳态条件下流体动压可倾瓦块止推轴承 第3部分:可倾瓦块止推轴承计算的许用值
- GB/T9145-2003 普通螺纹 中等精度、优选系列的极限尺寸
- GB/T11839-1989 二氧化铀芯块中硼的测定 姜黄素萃取光度法
- GB/T12053-1989 光学识别用字母数字字符集 第一部分:OCR-A字符集印刷图象的形状和尺寸
- GB5725-2009 安全网
- GB/T18380.33-2022 电缆和光缆在火焰条件下的燃烧试验 第33部分:垂直安装的成束电线电缆火焰垂直蔓延试验 A类
- GB/T9239-1988 刚性转子平衡品质 许用不平衡的确定
- GB/T15917.3-1995 金属镝及氧化镝化学分析方法 对氯苯基荧光酮--溴化十六烷基三甲基胺分光光度法测定钽量
- 行业新闻
请牢记:“bzxz.net”即是“标准下载”四个汉字汉语拼音首字母与国际顶级域名“.net”的组合。 ©2025 标准下载网 www.bzxz.net 本站邮件:bzxznet@163.com
网站备案号:湘ICP备2025141790号-2
网站备案号:湘ICP备2025141790号-2