- 您的位置:
- 标准下载网 >>
- 标准分类 >>
- 国家标准(GB) >>
- GB/T 13576.1-2008 锯齿形(3°、30°)螺纹 第1部分:牙型
标准号:
GB/T 13576.1-2008
标准名称:
锯齿形(3°、30°)螺纹 第1部分:牙型
标准类别:
国家标准(GB)
标准状态:
现行-
发布日期:
2008-07-30 -
实施日期:
2009-02-01 出版语种:
简体中文下载格式:
.rar.pdf下载大小:
111.63 KB
标准ICS号:
机械系统和通用件>>螺纹>>21.040.30特殊螺纹中标分类号:
机械>>机械综合>>J04基础标准与通用方法
替代情况:
替代GB/T 13576.1-1992
点击下载
标准简介:
标准下载解压密码:www.bzxz.net
GB/T13576《锯齿形(3°、30°)螺纹》分为四个部分,本部分为GB/T13576的第1部分。 本部分代替GB/T13576.1—1992《锯齿形(3°、30°)螺纹 牙型》。 GB/T 13576的本部分规定了锯齿形螺纹的基本牙型和设计牙型。本部分适用于一般用途机械传动和紧固的锯齿形螺纹联接。本部分与GB/T13576.1—1992相比,没有技术性变化。 GB/T 13576.1-2008 锯齿形(3°、30°)螺纹 第1部分:牙型 GB/T13576.1-2008
部分标准内容:
ICS21.040.30
中华人民共和国国家标准
GB/T13576.1—2008
代警GB/T13576.11992
锯齿形(3°、30°)螺纹
第1部分:牙型
Buttress threads with the flank angles of 3 and 30 degrees-Part 1:Profiles
2008-07-30发布
中华人民共和国国家质量监督检验检疫总局中国国家标准化管理委员会
-TTKAONTKAca-
2009-02-01实施
GB/T13576锯齿形(3°30\)螺纹\分为四个部分-第1部分:牙型;
-第2部分:直径与螺距系列:
第3部分:基本尺寸;
第4部分:公差。
本部分为GB/T13576的第1部分。本部分代替GB/T13576.1—1992铅齿形(3°30°)螺纹牙型》。
本部分与GB/T13576.1—1992相比,没有技术性变化本部分由全国螺纹标准化技术委员会(SAC/TC108)提出并出口。本部分起草单位:中机牛产力促进中心。本部分主要起草人:李晓滨。
本部分所代替标准的历次版本发布情况为:GB/T 13576. 1 1992.
TrKAONrKAca=
GB/T 13576.1--2008
锯齿形(3°30°)螺纹
第1部分:牙型
GB/T13576的本部分规定了锯齿形明纹的基本牙型和设计牙型本部分适用十一般用途机械传实和紧固的锯齿形螺纹连接。2
规范性引用文件
T13576的本部分的引用而成为本部分的条成下列文件中的条款通下载标准就来标准下载网
件,其随后所有的修改
单(包括勘误的内客域或修
订板均不适用
可使用这些
文件的最新版本
协议的务方研究是有
GB/T14791
螺垫术语(GBT11291
GB/T13576.1-2008
凡是注日期的引用文
本部分然而鼓厨根据本部分达成凡感不注日期的引用文件,最新版本适用于本1993,ne415@5408:1983)
术语和代号
E定的术诺和定义适用子GB/TT
GB/T1479
13576的本部分
型箱设计牙型上的内频纹
大径:
基本牙
吸计牙型上的外操级径(公称直餐和计牙型上的内螺纹中径:
基本牙型
基本牙型牙型上的外燃纹中径
基本牙型和设
基本牙型上的外
的内螺纹小径
交小径:
设计牙型上的外票文心
螺距,
原始三角形高度
基本牙型牙高和设计牙型上的内螺纹环市设计牙型上的外螺纹牙高;
小径间康
外螺纹牙底倒角圆孤半径
4基本牙型
基本牙型见图1,图中的粗实线代表基本牙型-TTTKAONiT KAca-
CB/T13576.12008
5基本牙型的尺寸
基本牙型的尺寸见表。
O.263 H41!
螺纹轴线
图 1 基本牙型
表 1 基本牙型尺寸
1.587 911P
0.793 956P
-TTKAONTKAca-
13,500
单位为毫米
牙项和牙底宽
11,609
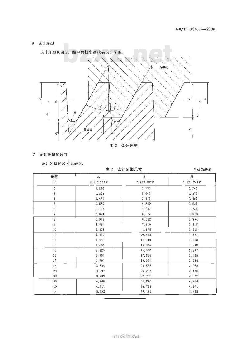
6设计牙型
设计牙型见图2.图中的粗实线代表设计牙型。外螺纹
图2设计牙型
7设计牙型的尺寸
设计牙型的尺寸见表 2。
表2设计牙型尺寸
C.117767P
5.867 767P
12,149
31,240
-TTKAONiTKAca-
内螺致
GR/T 13576.1—2008
单位为垂米
0.124273P
小提示:此标准内容仅展示完整标准里的部分截取内容,若需要完整标准请到上方自行免费下载完整标准文档。
中华人民共和国国家标准
GB/T13576.1—2008
代警GB/T13576.11992
锯齿形(3°、30°)螺纹
第1部分:牙型
Buttress threads with the flank angles of 3 and 30 degrees-Part 1:Profiles
2008-07-30发布
中华人民共和国国家质量监督检验检疫总局中国国家标准化管理委员会
-TTKAONTKAca-
2009-02-01实施
GB/T13576锯齿形(3°30\)螺纹\分为四个部分-第1部分:牙型;
-第2部分:直径与螺距系列:
第3部分:基本尺寸;
第4部分:公差。
本部分为GB/T13576的第1部分。本部分代替GB/T13576.1—1992铅齿形(3°30°)螺纹牙型》。
本部分与GB/T13576.1—1992相比,没有技术性变化本部分由全国螺纹标准化技术委员会(SAC/TC108)提出并出口。本部分起草单位:中机牛产力促进中心。本部分主要起草人:李晓滨。
本部分所代替标准的历次版本发布情况为:GB/T 13576. 1 1992.
TrKAONrKAca=
GB/T 13576.1--2008
锯齿形(3°30°)螺纹
第1部分:牙型
GB/T13576的本部分规定了锯齿形明纹的基本牙型和设计牙型本部分适用十一般用途机械传实和紧固的锯齿形螺纹连接。2
规范性引用文件
T13576的本部分的引用而成为本部分的条成下列文件中的条款通下载标准就来标准下载网
件,其随后所有的修改
单(包括勘误的内客域或修
订板均不适用
可使用这些
文件的最新版本
协议的务方研究是有
GB/T14791
螺垫术语(GBT11291
GB/T13576.1-2008
凡是注日期的引用文
本部分然而鼓厨根据本部分达成凡感不注日期的引用文件,最新版本适用于本1993,ne415@5408:1983)
术语和代号
E定的术诺和定义适用子GB/TT
GB/T1479
13576的本部分
型箱设计牙型上的内频纹
大径:
基本牙
吸计牙型上的外操级径(公称直餐和计牙型上的内螺纹中径:
基本牙型
基本牙型牙型上的外燃纹中径
基本牙型和设
基本牙型上的外
的内螺纹小径
交小径:
设计牙型上的外票文心
螺距,
原始三角形高度
基本牙型牙高和设计牙型上的内螺纹环市设计牙型上的外螺纹牙高;
小径间康
外螺纹牙底倒角圆孤半径
4基本牙型
基本牙型见图1,图中的粗实线代表基本牙型-TTTKAONiT KAca-
CB/T13576.12008
5基本牙型的尺寸
基本牙型的尺寸见表。
O.263 H41!
螺纹轴线
图 1 基本牙型
表 1 基本牙型尺寸
1.587 911P
0.793 956P
-TTKAONTKAca-
13,500
单位为毫米
牙项和牙底宽
11,609
6设计牙型
设计牙型见图2.图中的粗实线代表设计牙型。外螺纹
图2设计牙型
7设计牙型的尺寸
设计牙型的尺寸见表 2。
表2设计牙型尺寸
C.117767P
5.867 767P
12,149
31,240
-TTKAONiTKAca-
内螺致
GR/T 13576.1—2008
单位为垂米
0.124273P
小提示:此标准内容仅展示完整标准里的部分截取内容,若需要完整标准请到上方自行免费下载完整标准文档。
标准图片预览:





- 热门标准
- 国家标准(GB)
- GB/T2828.1-2012 计数抽样检验程序 第1部分:按接收质量限(AQL)检索的逐批检验抽样计划
- GB/T228.1-2021 金属材料 拉伸试验 第1部分:室温试验方法
- GB50367-2013 混凝土结构加固设计规范
- GB/T18204.4-2000 公共场所毛巾、床上卧具微生物检验方法细菌总数测定
- GB/T12053-1989 光学识别用字母数字字符集 第一部分:OCR-A字符集印刷图象的形状和尺寸
- GB/T23892.3-2009 滑动轴承 稳态条件下流体动压可倾瓦块止推轴承 第3部分:可倾瓦块止推轴承计算的许用值
- GB/T9145-2003 普通螺纹 中等精度、优选系列的极限尺寸
- GB/T11839-1989 二氧化铀芯块中硼的测定 姜黄素萃取光度法
- GB50209-2002 建筑地面工程施工质量验收规范
- GB/T6122.1-2002 圆角铣刀 第1部分:型式和尺寸
- GB/T7433-1987 对称电缆载波通信系统抗无线电广播和通信干扰的指标
- GB5725-2009 安全网
- GB13851-2022 内河交通安全标志
- GB/T9239-1988 刚性转子平衡品质 许用不平衡的确定
- GB/T15917.3-1995 金属镝及氧化镝化学分析方法 对氯苯基荧光酮--溴化十六烷基三甲基胺分光光度法测定钽量
- 行业新闻
请牢记:“bzxz.net”即是“标准下载”四个汉字汉语拼音首字母与国际顶级域名“.net”的组合。 ©2025 标准下载网 www.bzxz.net 本站邮件:bzxznet@163.com
网站备案号:湘ICP备2025141790号-2
网站备案号:湘ICP备2025141790号-2