- 您的位置:
- 标准下载网 >>
- 标准分类 >>
- 国家标准(GB) >>
- GB/T 14713-1993 旋切机通用技术条件
标准号:
GB/T 14713-1993
标准名称:
旋切机通用技术条件
标准类别:
国家标准(GB)
标准状态:
现行-
发布日期:
1993-01-01 -
实施日期:
1994-07-01 出版语种:
简体中文下载格式:
.rar.pdf下载大小:
190.65 KB
替代情况:
替代GB 5049-1985;GB 5050-1985;ZB B 97012-1984;被GB/T 14713-2009代替采标情况:
采矿和矿产品(词汇)

点击下载
标准简介:
标准下载解压密码:www.bzxz.net
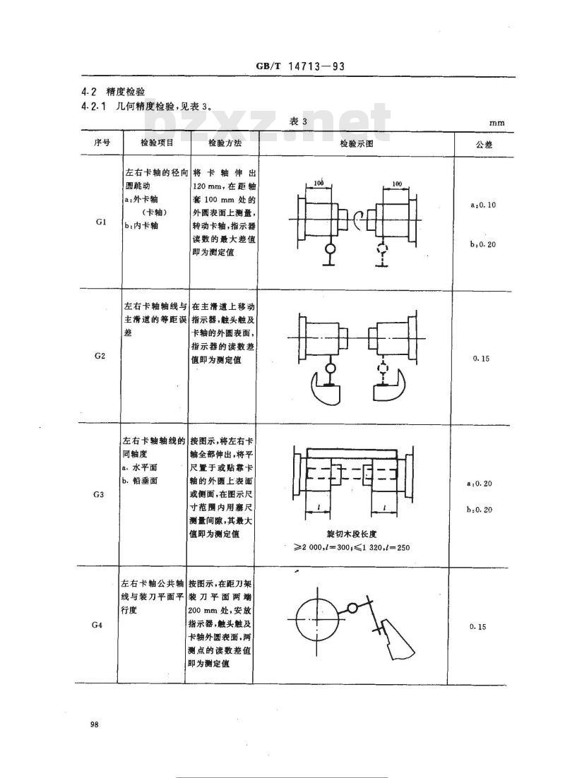
本标准规定了旋切机的参数、精度以及制造验收技术条件等。本标准适用于一般用途的卡轴式单板旋切机。 GB/T 14713-1993 旋切机通用技术条件 GB/T14713-1993

标准图片预览:





- 其它标准
- 热门标准
- 国家标准(GB)
- GB4623-1994 环形预应力混凝土电杆
- GB/T19250-2013 聚氨酯防水涂料
- GB/T17972-2000 信息处理系统 数据通信 局域网中使用X.25包级协议
- GB/T23344-2009 纺织品 4-氨基偶氮苯的测定
- GB16853-1997 结核病监测标准
- GB/T37319-2019 电梯节能逆变电源装置
- GB∕T4937.20-2018 半导体器件 机械和气候试验方法 第20部分:塑封表面安装器件耐潮湿和焊接热综合影响
- GB/T39351-2020 空间数据与信息传输系统 遥测空间数据链路协议
- GB/T11828.2-2005 水位测量仪器 第2部分:压力式水位计
- GB/T22427.5-2008 淀粉细度测定
- GB/T21666-2008 尿吸收辅助器具 评价的一般指南
- GB/T43762-2024 航空航天 卡箍术语
- GB/T38142-2019 ISO 4918:2016 弹性、纺织和层压铺地物脚轮椅测试
- GB/T14929.2-1994 花生仁、棉籽油、花生油中涕灭威残留量测定方法
- GB/T16849-2008 光纤放大器总规范
- 行业新闻
请牢记:“bzxz.net”即是“标准下载”四个汉字汉语拼音首字母与国际顶级域名“.net”的组合。 ©2009 标准下载网 www.bzxz.net 本站邮件:bzxznet@163.com
网站备案号:湘ICP备2023016450号-1
网站备案号:湘ICP备2023016450号-1