- 您的位置:
- 标准下载网 >>
- 标准分类 >>
- 电子行业标准(SJ) >>
- SJ/T 11344-2006 数字电视液晶背投影显示器测量方法
标准号:
SJ/T 11344-2006
标准名称:
数字电视液晶背投影显示器测量方法
标准类别:
电子行业标准(SJ)
标准状态:
现行-
发布日期:
2006-03-29 -
实施日期:
2006-03-29 出版语种:
简体中文下载格式:
.rar.pdf下载大小:
833.62 KB
标准ICS号:
电信、音频和视频技术>>音频、视频和视听工程>>33.160.25电视接收机中标分类号:
通信、广播>>广播、电视设备>>M74广播、电视发送与接收设备
点击下载
标准简介:
标准下载解压密码:www.bzxz.net
本标准规定了标准清晰度电视(SDTV)、高清晰度电视(HDTV)数字电视液晶背投影显示器(以下简称显示器)的测量条件和测量方法,适用于高清晰度、标准清晰度液晶(LCD)背投影显示器、硅基液晶(LCoS)背投影显示器、数字光学处理(DLP)背投影显示器等固定分辨力背投影显示器。 SJ/T 11344-2006 数字电视液晶背投影显示器测量方法 SJ/T11344-2006
部分标准内容:
ICS33.160.25
备案号:
中华人民共和国电子行业标准
SJ/T11344—-2006
数字电视液晶背投影显示器测量方法Methods of measurement for digital televisionLCDrearprojectiondisplays
2006-03-29发布
2006-03-29实施
中华人民共和国信息产业部发布前言
规范性引用文件
术语和定义bZxz.net
一般要求,
测量的
般说明
输入信号
测试信号.
测试仪器.
测量条件
般工作条件下的测试。
显示格式
整机消耗功率。
待机消耗功率
显示图像的特性
梯形失真.
固有分辨力
亮度和对比度
亮度均匀性
白色色度误差
色度不均勾性,
基色色度坐标
重合误差,
可视角、亮度均匀性与视角的关系色度与视角的关系
清晰度.
色域覆盖率,
像素缺陷
声音通道特性
声音通道检测说明
立体声声音通道的测量
附录A
(资料性附录)复合测试图示例..附录B
(资料性附录)数字电视接收设备功能和性能测试方法标准工作组SJ/T113442006
SJ/T11344-2006
本标准附录A、附录B为资料性附录。前
本标准由全国音频、视频及多媒体系统与设备标准化技术委员会归口。本标准由数字电视接收设备功能和性能测试方法标准工作组起草。本标准起草单位:参见附录B。
本标准主要起草人:李剑、李强、祝萌、王伟、李方红、邢钧、张伟、汪莉H
1范围
数字电视液晶背投影显示器测量方法SJ/T113442006
本标准规定了标准清晰度电视(SDTV)、高清晰度电视(HDTV)数字电视液晶背投影显示器(以下简称显示器)的测量条件和测量方法。本标准适用于高清晰度、标准清晰度液晶(LCD)背投影显示器、硅基液晶(LCoS)背投影显示器、数字光学处理(DLP)背投影显示器等固定分辨力背投影显示器。2规范性引用文件
下列文件中的条款通过本标准的引用而成为本标准的条款。凡是标注日期的引用文件,其随后所有的修改单(不包括勘误的内容)或修订版均不适用于本标准,然而,鼓励根据本标准达成协议的各方研究是否可使用这些文件的最新版本。凡是不注日期的引用文件,其最新版本适用于本标准。GB/T14857—1993演播室数字电视编码参数规范(idtITU601-3:1992)GB/T17309.11998电视广摘接收机测量方法第1部分:一般考虑射频和视频电性能测量以及显示性能的测量(idtIEC60107-1:1995)SJ/T11157—1998电视广播接收机测量方法第2部分:伴音通道的电性能测量,一般测量方法和单声道测量方法(idtIEC60107-2:1995)SJ/T11324—2006数字电视接收设备术语GY/T155—2000高清晰度电视节目制作及交换用视频参数值(idtITU-RBT.709-3:1998)3术语和定义
SJ/T11324一2006确立的术语和定义适用于本标准。4测量的一般要求
4.1一般说明
4.1.1工作条件
除非另有规定,音频部分和视频部分应处于工作状态,对比度和亮度调节应按4.5.2的规定。如调节的位置不同,应在测量结果中予以说明。4.1.2环境条件
在下列范围内的温度、湿度和气压条件下进行测量:环境温度:15℃~35℃,优选20℃;相对湿度:25%~75%;
大气压力:86kPa~106kPa。
4.1.3电源
测量显示器的特性应在额定电源电压条件下,测试时电源电压的变化为土2%:当采用交流电网供电时,电源频率的波动为土2%,谐波分量为士5%。4.1.4稳定时间
为了确保在测量开始后,显示器的特性不随时间而有明显的变化,显示器应在额定测量条件下工作30min,以使显示器性能稳定。
SJ/T11344—2006
4.1.5测试场地
测量应在不受来自外界电磁场干扰的室内进行。如果干扰可影响测量结果,测量应在屏蔽室内进行。测量亮度、色度时应在暗室中进行。4.1.6消声室和有关的测量条件
应符合SJ/T11157—1998的有关规定。4.2输入信号
高清晰度电视显示器的输入信号应是Y、PB、Pr分量信号或R、G、B信号:标准清晰度电视显示器的输入信号是复合视频和YIC信号。4.3测试信号
4.3.1视频测试信号
4.3.1.1概述
标准清晰度测试信号与高清晰度测试信号除特殊信号做出说明外,其余图形相同幅型比不同的测试信号只给出了16:9幅型比的高清晰度测试信号图形。标准清晰度信号符合GB/T14857—1993的规定,高清晰度信号测试信号符合GY/T155—2000的规定。4.3.1.2测量方法
从消隐电平开始测量图像信号的幅度,并以基准白电平幅度的百分数来表示。黑电平与消隐电平相同。白基准电平可由本标准定义的复合测试图、彩条阶梯波中的亮度信号中得到。4.3.1.3复合测试图信号
4.3.1.3.1高清晰度复合测试图信号复合测试图信号由多种黑白和彩色测试图信号单元组合而成,为给调机和测试提供更多信息,至少应包括以下内容:
用于检查中心和边角清晰度的楔形线簇。用于检查中心清晰度的楔形线簇要求至少10根黑线a)
9根白线,线簇分别位于水平、垂直及斜向清晰度最高的斜向方向。用于检查边角清晰度的楔形线簇测试范围下限应适当降低,黑线和白线条数可适当减少,方向分别位于水平和垂直方向。这些楔形线带有中心和边角清晰度典型值标识;用于检查图像重显率的有效刻度,在重显率为95%刻度处应有明显标记;b)
用于表明图像格式的标记;
用于调整标准工作状态的极限八灰度等级信号;d)
用于检查灰度等级的已知亮度标度的6到10个亮度阶梯信号;e
用于检查是否工作在正常状态下的活动图像和彩色信号:f
g)复合测试图的平均图像电平应为50%左右。标准清晰度、高清晰度复合测试图图例见附录A.1、A.2。4.3.1.4彩条信号
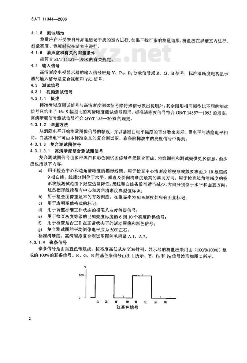
彩条信号是由垂直色带组成,按亮度高低从左至右排列。显示器的测量应采用由(100/0/100/0)组成的100%的彩条信号。R、G、B的基色条信号由图1所示。Y、P和Pr信号波形如图2所示。100-
红基色信号
4.3.1.5白格和黑格图形信号
绿基色信号
蓝基色信号
图1R、G、B的基色信号
Y信号
PB信号
PR信号
图2彩条信号的Y、PB、PR
SJ/T113442006
白格图形信号是在黑色背景上形成白格,黑格图形信号在是白色背景上形成黑格。白格测试图用于3
SJ/T113442006
测量显示器的重合误差,黑格测试图用于作为屏幕上定位点的标度或其它用途。格子测试图是由等距的水平直线和垂直线组成,并形成矩形格窗,且垂直和水平方向上至少应有13和17根线(SDTV)或13和21根线(HDTV),如图3所示。图3格子图形
4.3.1.6全白和全黑信号
全白和全黑信号是平坦的亮度信号,其幅度分别为100%和0%,如图4和图5所示。用这些信号测量显示器的亮度。
图4全白信号
图5全黑信号
4.3.1.7黑白窗口信号
黑白窗口信号是一个亮度信号,它可在50%和40%的灰色背景上产生一个白色的矩形窗口和四个黑色矩形窗口,如图6a)和6b)所示,白窗口的尺寸分别是图像高度的2/15(HDTV)和1/6(SDTV)。该信号用来测量显示器的对比度。100%
图6a)
100%白
HDTV黑白窗口信号
=2/15H
b=1/5H
4.3.1.8极限八灰度等级信号
a bla lbla
SDTV黑白窗口信号
图6b)
a-1/6H
b=1/12H
SJ/T 113442006
极限八灰度等级信号是一个亮度信号,它是在50%的灰色背景上产生两排灰度等级,如图7所示。全黑场电平=0%,全白场电平=100%,第一排灰度为:0%、5%、10%、15%;第二排灰度为:85%、90%、95%、100%,每个灰度矩形占满屏面积的5%,并且具有与整个显示图像一致的幅型比。该信号用来调整显示器的标准状态。
图7极限八灰度等级信号
4.3.2音频测试信号
频率可变的正弦波信号。
4.4测试仪器
4.4.1概述
推荐使用下列测试仪器。
4.4.2视频测试信号发生器
视频测试信号发生器应能产生4.3.1规定的测试信号,其形式为显示器所采用的Y、PB、PR分量信号或RGB基色信号。
4.4.3音频测试信号发生器
音频测试信号发生器应能产生4.3.2规定的测试信号,其输出电平为0.5V有效值,输出阻抗为低4.4.4亮度计和色度计
亮度计测量屏幕上小面积的亮度,其范围是0.2cd/m2~2000cd/m2。色度计应能够在亮度低于2cd/m2时,测量屏幕上小面积色度坐标(x,y)或(u,v)的色度。推荐采用分光计型色度计。
4.4.5测量传声器
SJ/T11344—2006
在自由声场中使用已知校准的自由场型测量传声器。4.4.6其它测量仪器
测量图像的梯形失真,需要游标卡尺或测高计。测量重合误差时,需要会聚轨。测量设备的连接框图如图8所示。
视频测试
信号发生器
音频测试
信号发生器
被测显示器
音频分析仪
注:虚线框表示如果有音频通道时需要增加的设备。图8测量设备连接框图
4.5测量条件
4.5.1额定输入信号电平
HDTV视频信号在基带信号输入端上的输入电压值如下:a)Y、PB、Pr分量信号:
1)Y:700mV(不含同步信号);2)PB:±350mV(不含同步信号);3)PR:士350mV(不含同步信号);b)当用100%彩条信号测量时,Y信号应含有同步信号;同步信号(三电平):土300mV。亮度计
色度计
示波器
输入端上的Y、P和P之间的时延差应在3ns以内。应当注意:如采用独立电缆连接视频信号发生器的输出端和显示器的输入端时,三路信号应采用相同型号的电缆,长度应相等。如果采用R、G、B信号,对于不含同步信号的白色基准信号,其电平为700mV。音频信号频率为1kHz时,额定输入电压为500mV(有效值):SDTV视频信号符合GB/T17309.1—1998的规定。4.5.2显示器额定工作状态的调整4.5.2.1输入信号电平
采用4.5.1规定的额定电平。
4.5.2.2图像对比度和亮度的调整输入极限八灰度等级信号,改变对比度和亮度控制器位置,调整到极限八灰度等级信号能够清晰分辨的极限状态。如果不能得到上述状态,应调整到最佳图像质量,同时在测量结果中加以说明。此时对比度、亮度的位置分别定义为“正常对比度位置”和“正常亮度位置”。4.5.2.3图像(质量增强)控制或开关如果有图像(质量增强)控制或开关,应关闭。4.5.2.4彩色(饱和度)和色调控制彩色(饱和度)和色调控制,应调整在推荐和预置的位置上,如果没有给定这些位置,应调整到机械中心位置。
4.5.2.5音频控制
如果有音频放大器和扬声器,则将音频控制作如下调整:6
调整音量控制,获得4.5.2.1所规定的额定音频输出;若有音调控制,应将调到机械中心位置或获得平坦的音频响应输出位置;若有立体声平衡控制,则应将左右声道的控制调整到平衡位置。4.5.2.6其它控制
SJ/T11344-2006
若有其它用户控制,将它们调整到能获得最佳图像和声音的位置。内部调节控制,如白平衡、色纯和重合误差,应调整到能获得最佳图像质量的位置。4.5.3一般测量步骤
除非另有规定,应按下列步骤进行测量:在每一项测量之前,在额定电源电压条件下,将显示器调整到4.5.2所规定的调整位置上;除测量方法需要外,不加音频信号;-输入视频信号是复合视频信号、YIC分离信号、Y、PB、Pk分量信号或RGB基色分量形式。4.5.4额定观察距离、高度和位置额定观察位置是测量的基准位置。额定观看距离为屏幕高度的4倍(SDTV)、3倍(HDTV)。4.6一般工作条件下的测试
4.6.1电源电压变化的影响
虽然规定了过压和欠压条件下某些对电源电压敏感的特性进行测量方法,但其它特性也可能受电源电压变化的影响,因此,应进行下述的测量:在过压和欠压范围内,改变显示器的电源电压,检查性能变化,如图像失步,图像尺寸的变a)
如果用户控制器能调整上述变化,则重新调整并重复测试。假如通过调整也不能得到正常性b)
能,或者没有用户控制器,赠应将这些变化记录下来。如果有必要,应在电源过压和欠压条件下,对有关性能进行补充测量。电源电压的变化范围,通常为额定电压的土10%:若产品规范规定了不同的值,则按其规定进行测试。4.6.2电源频率变化的影响
在规定的频率范围内,改变显示器的电源频率,检查性能变化,如图像失步,图像尺寸的变化以及黑电平的变化。
如果用户控制器能够调整上述变化,则重新调整并重复测试。假如通过调整也不能得到正常性能,或者没有用户控制器,则应将这些变化记录下来。4.7显示格式
4.7.1支持图像的显示格式
支持图像的显示格式如表1所示。表1支持图像的显示格式
输入信号格式
720×5761
720×576p
1280×720p
1920×1080i
1920x1080i
1920×1080i
4.7.2支持计算机的显示格式
隔行比
支持计算机的显示格式如下:
扫描行数
幅型比
SJ/T113442006
VGA-640x480
SVGA-800x600:
XGA-1024x768;
SXGA-1280x1024;
UXGA-1600x1200。
4.7.3测量方法
4.7.3.1测量条件
视频测试信号:彩条信号。
4.7.3.2测量步骤
a)输入视频信号是R、G、B基色分量形式,如图1所示;输入视频信号是Y、P、PR分量信号形式,如图2所示:
分别按4.7.1和4.7.2中的显示格式,显示器输入端分别加彩条信号,检查其能否正常显示,能b)
否符合相应格式,并记录所出现的现象。4.7.4
结果表示
用符合或不符合表示结果。
4.8整机消耗功率
4.8.1概述
本条是测量整机在工作状态下消耗的功率。4.8.2测量方法
4.8.2.1测量条件
a)电源电压和频率:额定值:
视频测试信号:彩条信号:
音频测试信号:1kHz正弦波信号:d)
输入信号电平:额定输入信号电平。4.8.2.2测量步骤
将显示器调到额定设定位置。所有音频通道的音量控制器调整到获得1kHz单音频信号的额定a)
输出功率为50mW:
用电动式瓦特表或具有足够精度的功率表测量显示器的消耗功率。如果显示器内包括有其它辅助电路,则应在辅助电路加载和不加载两种情况下测量功耗。4.8.3结果表示
测量结果用瓦(W)表示。
4.9待机消耗功率
4.9.1概述
本条是测量整机在待机状态时消耗的功率。4.9.2测量方法
用遥控器将显示器的主电源关掉,使其处于待机状态,然后用功率计测量显示器的消耗功率。4.9.3结果表示
测量结果用瓦(W)表示。
5显示图像的特性
5.1概述
除非另有规定,应采用下列测量条件:被测显示器应调整到4.5.2规定的额定调整位置;8
-对于亮度和色度的测量,应在暗室里进行。5.2梯形失真
5.2.1概述
本条是测量显示器屏幕上图像的梯形失真。失真的示例如图9所示。
图9典型的梯形失真
5.2.2测量方法
使用由4.3.1规定的白格图形信号和游标卡尺、测高计或照相机测量梯形失真。5.2.2.1测量条件
视频测试信号:白格子图像信号5.2.2.2测量步骤
标出由测试图形成的最大可见的四边形的四个顶点A、B、C和D:a)
连接ABCD,如图9所示;
计算失真:
水平梯形失真:
垂直梯形失真:
5.2.3结果表示
测量结果用表的形式表示,单位为%。5.3固有分辨力
5.3.1概述
×100%
本条是在一定的幅型比下,测量水平以及垂直的成像像素的个数。5.3.2测量方法
5.3.2.1测量条件
视频信号:复合测试图。
SJ/T113442006
5. 3.2.2测量步骤
将复合测试图输入到显示器,对比度和亮度控制器分别调整到4.5.2规定的位置;a)
测试并记录显示器物理的水平像素数及垂直像素数。b)
5.3.3结果表示
测量结果由水平像素数与垂直像素数来表示。5.4亮度和对比度
5.4.1概述
本条是测量不同电平的视频信号在屏幕上图像的亮度和对比度。用黑白窗口信号和全白场信号测量。
5.4.2测量方法
小提示:此标准内容仅展示完整标准里的部分截取内容,若需要完整标准请到上方自行免费下载完整标准文档。
备案号:
中华人民共和国电子行业标准
SJ/T11344—-2006
数字电视液晶背投影显示器测量方法Methods of measurement for digital televisionLCDrearprojectiondisplays
2006-03-29发布
2006-03-29实施
中华人民共和国信息产业部发布前言
规范性引用文件
术语和定义bZxz.net
一般要求,
测量的
般说明
输入信号
测试信号.
测试仪器.
测量条件
般工作条件下的测试。
显示格式
整机消耗功率。
待机消耗功率
显示图像的特性
梯形失真.
固有分辨力
亮度和对比度
亮度均匀性
白色色度误差
色度不均勾性,
基色色度坐标
重合误差,
可视角、亮度均匀性与视角的关系色度与视角的关系
清晰度.
色域覆盖率,
像素缺陷
声音通道特性
声音通道检测说明
立体声声音通道的测量
附录A
(资料性附录)复合测试图示例..附录B
(资料性附录)数字电视接收设备功能和性能测试方法标准工作组SJ/T113442006
SJ/T11344-2006
本标准附录A、附录B为资料性附录。前
本标准由全国音频、视频及多媒体系统与设备标准化技术委员会归口。本标准由数字电视接收设备功能和性能测试方法标准工作组起草。本标准起草单位:参见附录B。
本标准主要起草人:李剑、李强、祝萌、王伟、李方红、邢钧、张伟、汪莉H
1范围
数字电视液晶背投影显示器测量方法SJ/T113442006
本标准规定了标准清晰度电视(SDTV)、高清晰度电视(HDTV)数字电视液晶背投影显示器(以下简称显示器)的测量条件和测量方法。本标准适用于高清晰度、标准清晰度液晶(LCD)背投影显示器、硅基液晶(LCoS)背投影显示器、数字光学处理(DLP)背投影显示器等固定分辨力背投影显示器。2规范性引用文件
下列文件中的条款通过本标准的引用而成为本标准的条款。凡是标注日期的引用文件,其随后所有的修改单(不包括勘误的内容)或修订版均不适用于本标准,然而,鼓励根据本标准达成协议的各方研究是否可使用这些文件的最新版本。凡是不注日期的引用文件,其最新版本适用于本标准。GB/T14857—1993演播室数字电视编码参数规范(idtITU601-3:1992)GB/T17309.11998电视广摘接收机测量方法第1部分:一般考虑射频和视频电性能测量以及显示性能的测量(idtIEC60107-1:1995)SJ/T11157—1998电视广播接收机测量方法第2部分:伴音通道的电性能测量,一般测量方法和单声道测量方法(idtIEC60107-2:1995)SJ/T11324—2006数字电视接收设备术语GY/T155—2000高清晰度电视节目制作及交换用视频参数值(idtITU-RBT.709-3:1998)3术语和定义
SJ/T11324一2006确立的术语和定义适用于本标准。4测量的一般要求
4.1一般说明
4.1.1工作条件
除非另有规定,音频部分和视频部分应处于工作状态,对比度和亮度调节应按4.5.2的规定。如调节的位置不同,应在测量结果中予以说明。4.1.2环境条件
在下列范围内的温度、湿度和气压条件下进行测量:环境温度:15℃~35℃,优选20℃;相对湿度:25%~75%;
大气压力:86kPa~106kPa。
4.1.3电源
测量显示器的特性应在额定电源电压条件下,测试时电源电压的变化为土2%:当采用交流电网供电时,电源频率的波动为土2%,谐波分量为士5%。4.1.4稳定时间
为了确保在测量开始后,显示器的特性不随时间而有明显的变化,显示器应在额定测量条件下工作30min,以使显示器性能稳定。
SJ/T11344—2006
4.1.5测试场地
测量应在不受来自外界电磁场干扰的室内进行。如果干扰可影响测量结果,测量应在屏蔽室内进行。测量亮度、色度时应在暗室中进行。4.1.6消声室和有关的测量条件
应符合SJ/T11157—1998的有关规定。4.2输入信号
高清晰度电视显示器的输入信号应是Y、PB、Pr分量信号或R、G、B信号:标准清晰度电视显示器的输入信号是复合视频和YIC信号。4.3测试信号
4.3.1视频测试信号
4.3.1.1概述
标准清晰度测试信号与高清晰度测试信号除特殊信号做出说明外,其余图形相同幅型比不同的测试信号只给出了16:9幅型比的高清晰度测试信号图形。标准清晰度信号符合GB/T14857—1993的规定,高清晰度信号测试信号符合GY/T155—2000的规定。4.3.1.2测量方法
从消隐电平开始测量图像信号的幅度,并以基准白电平幅度的百分数来表示。黑电平与消隐电平相同。白基准电平可由本标准定义的复合测试图、彩条阶梯波中的亮度信号中得到。4.3.1.3复合测试图信号
4.3.1.3.1高清晰度复合测试图信号复合测试图信号由多种黑白和彩色测试图信号单元组合而成,为给调机和测试提供更多信息,至少应包括以下内容:
用于检查中心和边角清晰度的楔形线簇。用于检查中心清晰度的楔形线簇要求至少10根黑线a)
9根白线,线簇分别位于水平、垂直及斜向清晰度最高的斜向方向。用于检查边角清晰度的楔形线簇测试范围下限应适当降低,黑线和白线条数可适当减少,方向分别位于水平和垂直方向。这些楔形线带有中心和边角清晰度典型值标识;用于检查图像重显率的有效刻度,在重显率为95%刻度处应有明显标记;b)
用于表明图像格式的标记;
用于调整标准工作状态的极限八灰度等级信号;d)
用于检查灰度等级的已知亮度标度的6到10个亮度阶梯信号;e
用于检查是否工作在正常状态下的活动图像和彩色信号:f
g)复合测试图的平均图像电平应为50%左右。标准清晰度、高清晰度复合测试图图例见附录A.1、A.2。4.3.1.4彩条信号
彩条信号是由垂直色带组成,按亮度高低从左至右排列。显示器的测量应采用由(100/0/100/0)组成的100%的彩条信号。R、G、B的基色条信号由图1所示。Y、P和Pr信号波形如图2所示。100-
红基色信号
4.3.1.5白格和黑格图形信号
绿基色信号
蓝基色信号
图1R、G、B的基色信号
Y信号
PB信号
PR信号
图2彩条信号的Y、PB、PR
SJ/T113442006
白格图形信号是在黑色背景上形成白格,黑格图形信号在是白色背景上形成黑格。白格测试图用于3
SJ/T113442006
测量显示器的重合误差,黑格测试图用于作为屏幕上定位点的标度或其它用途。格子测试图是由等距的水平直线和垂直线组成,并形成矩形格窗,且垂直和水平方向上至少应有13和17根线(SDTV)或13和21根线(HDTV),如图3所示。图3格子图形
4.3.1.6全白和全黑信号
全白和全黑信号是平坦的亮度信号,其幅度分别为100%和0%,如图4和图5所示。用这些信号测量显示器的亮度。
图4全白信号
图5全黑信号
4.3.1.7黑白窗口信号
黑白窗口信号是一个亮度信号,它可在50%和40%的灰色背景上产生一个白色的矩形窗口和四个黑色矩形窗口,如图6a)和6b)所示,白窗口的尺寸分别是图像高度的2/15(HDTV)和1/6(SDTV)。该信号用来测量显示器的对比度。100%
图6a)
100%白
HDTV黑白窗口信号
=2/15H
b=1/5H
4.3.1.8极限八灰度等级信号
a bla lbla
SDTV黑白窗口信号
图6b)
a-1/6H
b=1/12H
SJ/T 113442006
极限八灰度等级信号是一个亮度信号,它是在50%的灰色背景上产生两排灰度等级,如图7所示。全黑场电平=0%,全白场电平=100%,第一排灰度为:0%、5%、10%、15%;第二排灰度为:85%、90%、95%、100%,每个灰度矩形占满屏面积的5%,并且具有与整个显示图像一致的幅型比。该信号用来调整显示器的标准状态。
图7极限八灰度等级信号
4.3.2音频测试信号
频率可变的正弦波信号。
4.4测试仪器
4.4.1概述
推荐使用下列测试仪器。
4.4.2视频测试信号发生器
视频测试信号发生器应能产生4.3.1规定的测试信号,其形式为显示器所采用的Y、PB、PR分量信号或RGB基色信号。
4.4.3音频测试信号发生器
音频测试信号发生器应能产生4.3.2规定的测试信号,其输出电平为0.5V有效值,输出阻抗为低4.4.4亮度计和色度计
亮度计测量屏幕上小面积的亮度,其范围是0.2cd/m2~2000cd/m2。色度计应能够在亮度低于2cd/m2时,测量屏幕上小面积色度坐标(x,y)或(u,v)的色度。推荐采用分光计型色度计。
4.4.5测量传声器
SJ/T11344—2006
在自由声场中使用已知校准的自由场型测量传声器。4.4.6其它测量仪器
测量图像的梯形失真,需要游标卡尺或测高计。测量重合误差时,需要会聚轨。测量设备的连接框图如图8所示。
视频测试
信号发生器
音频测试
信号发生器
被测显示器
音频分析仪
注:虚线框表示如果有音频通道时需要增加的设备。图8测量设备连接框图
4.5测量条件
4.5.1额定输入信号电平
HDTV视频信号在基带信号输入端上的输入电压值如下:a)Y、PB、Pr分量信号:
1)Y:700mV(不含同步信号);2)PB:±350mV(不含同步信号);3)PR:士350mV(不含同步信号);b)当用100%彩条信号测量时,Y信号应含有同步信号;同步信号(三电平):土300mV。亮度计
色度计
示波器
输入端上的Y、P和P之间的时延差应在3ns以内。应当注意:如采用独立电缆连接视频信号发生器的输出端和显示器的输入端时,三路信号应采用相同型号的电缆,长度应相等。如果采用R、G、B信号,对于不含同步信号的白色基准信号,其电平为700mV。音频信号频率为1kHz时,额定输入电压为500mV(有效值):SDTV视频信号符合GB/T17309.1—1998的规定。4.5.2显示器额定工作状态的调整4.5.2.1输入信号电平
采用4.5.1规定的额定电平。
4.5.2.2图像对比度和亮度的调整输入极限八灰度等级信号,改变对比度和亮度控制器位置,调整到极限八灰度等级信号能够清晰分辨的极限状态。如果不能得到上述状态,应调整到最佳图像质量,同时在测量结果中加以说明。此时对比度、亮度的位置分别定义为“正常对比度位置”和“正常亮度位置”。4.5.2.3图像(质量增强)控制或开关如果有图像(质量增强)控制或开关,应关闭。4.5.2.4彩色(饱和度)和色调控制彩色(饱和度)和色调控制,应调整在推荐和预置的位置上,如果没有给定这些位置,应调整到机械中心位置。
4.5.2.5音频控制
如果有音频放大器和扬声器,则将音频控制作如下调整:6
调整音量控制,获得4.5.2.1所规定的额定音频输出;若有音调控制,应将调到机械中心位置或获得平坦的音频响应输出位置;若有立体声平衡控制,则应将左右声道的控制调整到平衡位置。4.5.2.6其它控制
SJ/T11344-2006
若有其它用户控制,将它们调整到能获得最佳图像和声音的位置。内部调节控制,如白平衡、色纯和重合误差,应调整到能获得最佳图像质量的位置。4.5.3一般测量步骤
除非另有规定,应按下列步骤进行测量:在每一项测量之前,在额定电源电压条件下,将显示器调整到4.5.2所规定的调整位置上;除测量方法需要外,不加音频信号;-输入视频信号是复合视频信号、YIC分离信号、Y、PB、Pk分量信号或RGB基色分量形式。4.5.4额定观察距离、高度和位置额定观察位置是测量的基准位置。额定观看距离为屏幕高度的4倍(SDTV)、3倍(HDTV)。4.6一般工作条件下的测试
4.6.1电源电压变化的影响
虽然规定了过压和欠压条件下某些对电源电压敏感的特性进行测量方法,但其它特性也可能受电源电压变化的影响,因此,应进行下述的测量:在过压和欠压范围内,改变显示器的电源电压,检查性能变化,如图像失步,图像尺寸的变a)
如果用户控制器能调整上述变化,则重新调整并重复测试。假如通过调整也不能得到正常性b)
能,或者没有用户控制器,赠应将这些变化记录下来。如果有必要,应在电源过压和欠压条件下,对有关性能进行补充测量。电源电压的变化范围,通常为额定电压的土10%:若产品规范规定了不同的值,则按其规定进行测试。4.6.2电源频率变化的影响
在规定的频率范围内,改变显示器的电源频率,检查性能变化,如图像失步,图像尺寸的变化以及黑电平的变化。
如果用户控制器能够调整上述变化,则重新调整并重复测试。假如通过调整也不能得到正常性能,或者没有用户控制器,则应将这些变化记录下来。4.7显示格式
4.7.1支持图像的显示格式
支持图像的显示格式如表1所示。表1支持图像的显示格式
输入信号格式
720×5761
720×576p
1280×720p
1920×1080i
1920x1080i
1920×1080i
4.7.2支持计算机的显示格式
隔行比
支持计算机的显示格式如下:
扫描行数
幅型比
SJ/T113442006
VGA-640x480
SVGA-800x600:
XGA-1024x768;
SXGA-1280x1024;
UXGA-1600x1200。
4.7.3测量方法
4.7.3.1测量条件
视频测试信号:彩条信号。
4.7.3.2测量步骤
a)输入视频信号是R、G、B基色分量形式,如图1所示;输入视频信号是Y、P、PR分量信号形式,如图2所示:
分别按4.7.1和4.7.2中的显示格式,显示器输入端分别加彩条信号,检查其能否正常显示,能b)
否符合相应格式,并记录所出现的现象。4.7.4
结果表示
用符合或不符合表示结果。
4.8整机消耗功率
4.8.1概述
本条是测量整机在工作状态下消耗的功率。4.8.2测量方法
4.8.2.1测量条件
a)电源电压和频率:额定值:
视频测试信号:彩条信号:
音频测试信号:1kHz正弦波信号:d)
输入信号电平:额定输入信号电平。4.8.2.2测量步骤
将显示器调到额定设定位置。所有音频通道的音量控制器调整到获得1kHz单音频信号的额定a)
输出功率为50mW:
用电动式瓦特表或具有足够精度的功率表测量显示器的消耗功率。如果显示器内包括有其它辅助电路,则应在辅助电路加载和不加载两种情况下测量功耗。4.8.3结果表示
测量结果用瓦(W)表示。
4.9待机消耗功率
4.9.1概述
本条是测量整机在待机状态时消耗的功率。4.9.2测量方法
用遥控器将显示器的主电源关掉,使其处于待机状态,然后用功率计测量显示器的消耗功率。4.9.3结果表示
测量结果用瓦(W)表示。
5显示图像的特性
5.1概述
除非另有规定,应采用下列测量条件:被测显示器应调整到4.5.2规定的额定调整位置;8
-对于亮度和色度的测量,应在暗室里进行。5.2梯形失真
5.2.1概述
本条是测量显示器屏幕上图像的梯形失真。失真的示例如图9所示。
图9典型的梯形失真
5.2.2测量方法
使用由4.3.1规定的白格图形信号和游标卡尺、测高计或照相机测量梯形失真。5.2.2.1测量条件
视频测试信号:白格子图像信号5.2.2.2测量步骤
标出由测试图形成的最大可见的四边形的四个顶点A、B、C和D:a)
连接ABCD,如图9所示;
计算失真:
水平梯形失真:
垂直梯形失真:
5.2.3结果表示
测量结果用表的形式表示,单位为%。5.3固有分辨力
5.3.1概述
×100%
本条是在一定的幅型比下,测量水平以及垂直的成像像素的个数。5.3.2测量方法
5.3.2.1测量条件
视频信号:复合测试图。
SJ/T113442006
5. 3.2.2测量步骤
将复合测试图输入到显示器,对比度和亮度控制器分别调整到4.5.2规定的位置;a)
测试并记录显示器物理的水平像素数及垂直像素数。b)
5.3.3结果表示
测量结果由水平像素数与垂直像素数来表示。5.4亮度和对比度
5.4.1概述
本条是测量不同电平的视频信号在屏幕上图像的亮度和对比度。用黑白窗口信号和全白场信号测量。
5.4.2测量方法
小提示:此标准内容仅展示完整标准里的部分截取内容,若需要完整标准请到上方自行免费下载完整标准文档。
标准图片预览:





- 其它标准
- 热门标准
- 电子行业标准(SJ)
- SJ20794/2-2007 RNK5085型有可靠性指标的表面安装膜固定电阻网络详细规范
- SJ/T11396-2009 氮化镓基发光二极管蓝宝石衬底片
- SJ/T31421-1994 双推板式电热隧道窑完好要求和检查评定方法
- SJ/T31423-1994 真空电阻加热炉完好要求和检查评定方法
- SJ/T31424-1994 室式淬火热处理炉完好要求和检查评定方法
- SJ50065/12-2004 JRW-220M型有可靠性指标的TO-5密封直流电磁继电器详细规范
- SJ50600.1-1994 JY3452型后松压接接触件盒式安装螺纹连接圆形固定电连接器详细规
- SJ1185-1977 彩色电视测量测试卡(CT752卡)
- SJ/T31422-1994 可控气氛炉完好要求和检查评定方法
- SJ905-1974 RX70型精密线绕电阻器
- SJ/T31127-1994 MP010型多功能可焊性测试设备完好要求和检查评定方法
- SJ/T31211-1994 阴极支持架焊接机完好要求和检查评定方法
- SJ936-75 3DD103(104)型硅NPN低频高反压大功率三极管
- SJ3024.3-1988 组合冲模 顶杆
- SJ1437-1978 CKM-104B脉冲磁控管
- 行业新闻
请牢记:“bzxz.net”即是“标准下载”四个汉字汉语拼音首字母与国际顶级域名“.net”的组合。 ©2025 标准下载网 www.bzxz.net 本站邮件:bzxznet@163.com
网站备案号:湘ICP备2025141790号-2
网站备案号:湘ICP备2025141790号-2