- 您的位置:
- 标准下载网 >>
- 标准分类 >>
- 石油天然气行业标准(SY) >>
- SY/T 6231-2006 电子式井下压力计
标准号:
SY/T 6231-2006
标准名称:
电子式井下压力计
标准类别:
石油天然气行业标准(SY)
标准状态:
现行-
发布日期:
2006-07-10 -
实施日期:
2007-01-01 出版语种:
简体中文下载格式:
.rar.pdf下载大小:
1.52 MB
替代情况:
替代SY/T 6231-1996
部分标准内容:
ICS 75.180.10
备案号:18065—2006
中华人民共和国石油天然气行业标准SY/T6231-2006
代替SY/T6231--1996
电子式井下压力计
Electronic downhole pressure gauge2006—07—10发布
国家发展和改革委员会
2007—01—01实施
规范性引用文件
试验方法
5检验规则
6标志、包装、运输及贮存
附录A(资料性附录)电子式井下压力计压力试验记录表格式附录B(规范性附录)
附录C(资料性附录)
附录D(规范性附录)
电子式井下压力计压力误差计算方法电子式井下压力计温度试验记录表格式..
电子式井下压力计温度测量误差计算方法SY/T6231-2006
SY/T6231-2006
本标准代替SY/T6231-1996《电子式井下压力计》。本标准与SY/T6231一1996相比,主要变化如下:-增加了电子式井下压力计的工作电流(存储式)、休眠电流(存储式)、存储容量、采样间隔等要求,
增加了电子式井下压力计的密封性能、稳定性能、零点漂移等要求;一增加了密封性能试验、零点试验、稳定性试验等试验方法;删减了准确度0.5级的挡次。
本标准的附录B、附录D为规范性附录,附录A、附录C为资料性附录。本标准由石油仪器仪表专业标准化委员会提出并归口。本标准起草单位:湖北江汉石油仪器仪表有限公司。本标准主要起草人:丁昌信、丁明、刘万钩、吕维民。本标准所代替标准的历次版本发布情况为:-SY/T6231-1996。
电子式井下压力计
SY/T6231—2006
本标准规定了存储式和直读式两种电子式井下压力计(以下简称压力计)的要求、试验方法、检验规则、标志、包装、运输和贮存。本标准适用手压力计的制造、检验和质量评价2规范性引用文件
下列文件中的条款通过本标准的引用而成为本标准的条款。凡是注日期的引用文件,其随后所有的修改单(不包括勘误的内容)或修订版均不适用于本标准,然而,鼓励根据本标准达成协议的各方研究是否可使用这些文件的最新版本。凡是不注日期的引用文件,其最新版本适用于本标推,GB/T191—2000包装储运图示标志GB/T15464—1995仪器仪表包装通用技术条件SY/T5134-93石油勘探开发仪器基本环境试验方法试验G:振动(正弦)试验SY/T5221—91石油勘探开发仪器基本环境试验方法试验B:冲击试验3要求
3.1环境条件
3.11振动
频率5Hz~200Hz~5Hz,加速度29.4m/s2,扫描速率不大于1oct/min,时间不少于B0min(工作状态)
3.1.2冲击
加速度10C/s,脉冲持续时间11ms,轴向冲击一次(工作状态):3.1.3密封性能
在规定的压力乱逼度下,各密封部位无渗满现象,压方计能正常工作3.2外观
压力计外表面无机械损伤,零部件无锈蚀,连接导线焊接良好,各连接部件无松动。3.3安全绝缘电阻
压力计安全绝缘电阻冷态)应大于201VQ。3.4存储式压力计的工作电流及休眠电流存储式压力计的工作电流不大于20mA,休眠电流不大于1mA。3.5存储容量
压力计的存储容量不少于8000组数据(时间/压力/温度)。3.6采样间隔
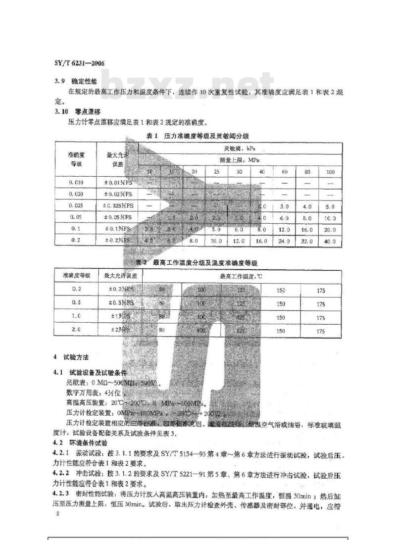
压力计的采样间隔最小为1s,最大为24h。3.7压力准确度及灵敏阀
压力计的准确度等级及灵敏阈分级见表1。3.8最高工作温度及准确度
压力计的最高工作温度分级及温度准确度等级见表2。SY/T6231—2006
3.9稳定性能
在规定的最高工作压力和温度条件下,连续作10次重复性试验,其准确度应满足表1和表2规定。
3.10零点漂移
压力计零点漂移应满足表1和表2规定的准确度。表1压力准确度等级及灵敏闻分级准确度
准确度等级
4试验方法
最大允语
±0.01%FS
±0.02%FS
±0.025%FS
±0.05%FS
±0.1%FSm
最大允许误差
4.1试验设备及试验条件
灵敏阈,kPa
测量上限,MPa
最高工作温度分级及温度准确度等级最高工作温度,℃
兆欧表:0Ma~500MS#500V
数字万用表:4%位
高温高压装置:20℃200C0MPa100Mea压力计检定装置:0MPa-0MIPa30+20
压力计检定装置相应的三等标准四等标准克组、度计,试验设备配套关系及试验条件见表3。4.2环境条件试验
克组器码恒温空气浴或油浴,标准玻璃温4.2.1振动试验:按3.1.1的要求及SY/T5134一93第4章~第6章方法进行振动试验,试验后压力计性能应符合表1和表2要求。4.2.2冲击试验:按3.1.2的要求及SY/T5221-91第5章、第6章方法进行冲击试验,试验后压力计性能应符合表1和表2要求。4.2.3密封性能试验:将压力计放入高温高压装置内:加热至最高工作温度,恒温30min然后加压至压力测量上限,恒压30min。试验后,取出压力计检查外壳、传感器及密封部位:并通电,应符2
合3.1.3要求。
压力计
准确度
外观检查
检定装置
压力确度
表3试验设备配套关系及试验条件恒温浴温度
磁码等级
三等标准
四等标准
温度计
二等标准
玻璃温度计
室内温度计
SY/T6231—2006
试验条件
环境温度
20 ±2
自测检查压力计的外观,各零部件,连接电缴及各连接部位应符合3.2要求。4.4安全绝缘电阻试验
用逃欧表测试压力计板与外壳之间的安全绝缘电阻(冷态),应符合3.3要求4.5工作电流和休眠电流
用数字万用表测量压力计的工作电流和休眠电流(存储式),应符合3.4要求。4.6存储容量和最小采样间隔试验相对湿度
将压力计采样时间间隔设置为最小采样间隔,接通工作电池进行数据采样,压力计所采样的数据应符合3.5和3.6要求。
准确度试验
将压力计与压力计检定装置连接好,保证压力计传感器及电路部分置于装置内恒温1h以上,4.7.1
压力计采样间隔时间设置为4S,每一试验点压稳定后,采样次数不少于10次。4.7.2按均匀分布的温度试验点(不少于3点,包括上,下限温度点及压力试验点(按量程确定,不得少于7点,包括上,下限压力值点),在压力计达到热平衡后,启动压力计,在每一温度试验点上使压力从零点开始,平稳地签点升压至压力测量上限值,然后接原压力试验点逐点降压至零点。分别记录各温度点下每一压力试验点稳定后的压力输出示值,填人压力记录表中(参见附录A),重复试验3次,并计算压力计的压力误差,计算方法见附录B。在规定要求的温度下各压力试验点所计算的最大误差为压力计的允许误差,应符合表1的规定。4.13在471和4.72试验过程中分别记录其一压力试验点下的温度输出示值,填人温度记录表中(参见附录C),同一压点至少记录6组温度示值,温度测量点不少于3点,并计算压力计的温度测量误差8,计算方法见附录D计算的最大8值为温度误差,应符合表2的规定。4.8灵敏阐试验
按4.7.1步骤连接好压力计,并接通电源。在试验条件下,将压力计缓慢加压至测量上限的80%以上的某一压力点,待压力稳定后,按表1规定的附加压力值选择标准码加压,压力计应有可分辨的显示。灵敏阅试验可在压力准确度试验前进行。4.9稳定性能试验
将压力计放人压力计检定装置内,升温至最高工作温度,恒温30min。3
SY/T 6231-2006
加压至压力测量上限,恒压1min后卸压。重复加、卸压10次循环后,按4.7规定进行试验,应符合表1和表2的规定。
4.10零点漂移试验
将压力计与压力计检定装置连接好,启动压力计。在试验条件下,记录稳定后的零点输出值,加压至上限压力,稳压5min,然后恢复零压,记录此时的压力值,每隔15min进行一次,共试验8次,其零点示值应符合表1的规定。
5检验规则
5.1出厂检验
凡生产的每套压力计都应通过出厂检验,出厂检验项目及要求见表4。表4出厂检验项目及要求bZxz.net
检验项目
振动试验
冲击试验
密封性能试验
外观检查
安全绝缘电阻试验
工作电流和休眼电流试验
存储容量和最小采样间隔试验
准确度试验
灵敏綫
稳定性能试验
零点漂移试验
,“O”表示可不进行检验项目。“”表示必检项目,
5.2型式检验
技术要求
3.5,3.6
3.7,3.8
5.2.1有下列情况之一,应进行型式检验:a)新产品的试制定型鉴定;
试(检)验方法
出厂检验
检验类别
型式检验
b)正式生产后,如结构、材料、工艺有较大改变,可能影响产品性能时;c)正常生产时,连续或累积生产150套后,应周期性进行一次检验;d)产品停产2年以上,恢复生产时;e)出厂检验结果与上次型式检验有较大差异时;f用户或国家质量监督机构提出进行型式检验要求时。5.2,2型式检验项目及要求见表4。5.2.3型式检验的推样方案见表5。5.3判定规则
5.3.1出厂检验项目全部合格后,方可出厂。不合格项目允许返修,并按本标准进行复检,复检合格,方可允许出厂。
SY/T62312006
5.3.2压力计型式检验中任一项不合格时,应查明原因,经修复后允许重新检验,复检合格,通过型式检验。仍有不合格项目,则判定该批压力计型式检验不合格。表5型式检验抽样方案
批量大小
97~200
6标志包装、运输及贮存
压力计应标明:
a)压力计型号及名称;
b)生产厂家名称;
c)生产日期和出厂编号;
d)产品标准编号;
eMC标志。
6.2包装
最佳样品数
(套)
压力计的包装应符合GB/T15464—1995的规定。压力计包装箱内应有:
a)产品合格证;
b)产品使用说明书:
)装箱单和备附件清单:
d)检定数据和检定证书。
6.2.3包装箱的标志应符合GB/T191—2000的规定运输
最大样品数
(套)
压力计可采用水,陆、空运输方式运输,但应避免雨雪直接淋浸和强烈的机械振动6.4贮存
压力计应贮存在干燥、通风、无有害气体及强烈振动的环境中。压力计贮存期间,应定期进行通电检查,间隔一般不大于6个月。SY/T6231--2006
附录A
(资料性附录)
电子式井下压力计压力试验记录表格式电子式井下压力计压力试验记录表格式见表A.1。表A.1电子式井下压力计压力试验记录表压力计编号:
试验压力点
最大示值误差:
试验员:
试验温度点:
第二次
最大引用误差
记录员
试验日期:
第三次
检验员:
示值误差
引用误差
质力计示值误差的计算
附录B
(规范性附录)
电子式井下压力计压力误差计算方法压力计示值误差按式(B1)计算。A=:Poi
式中:
一压力计第t试验点的示值误差MPa4
p:——压力计第i试验点的压力示值,MPa:压力计第1试验点的标准压力值,MPB.2
压力计的压力误差计算方法
最大引用误差3即为压力计的最大允许误差,按式(B.2)计算。8=14mx100%
压力计的最大引用误差,
一压力试验点中绝对值最大的示值误差,MIPa压力计满量程压力示值的平均值与零点压力示值的平均值之差,MPa。SY/T6231-2006
SY/T6231—2006
附录C
(资料性附录)
电子式井下压力计温度试验记录表格式电子式井下压力计温度试验记录表格式见表C.1。表C.1电子式井下压力计温度试验记录表压力计编号:
校验温度点
测量误差,8=
试验员:
第一组
试验压力点:
第二组
记录员:
第三组
第四组
检验员:
试验日期:
第五组
第六组
平均值
附录D
(规范性附录)
电子式井下压力计温度测量误差计算方法压力计温度测量误差按式(D.1)进行计算:0. -x100%
我中:
一压力计温度测量误差,
T—某一温度点的温度示值,℃,T—一某一温度点的温度示值的平均值,℃;FEs
一最高温度点的温度示值的平均值与零点温度示值的平均值之差,CSY/T6231-2006
小提示:此标准内容仅展示完整标准里的部分截取内容,若需要完整标准请到上方自行免费下载完整标准文档。
备案号:18065—2006
中华人民共和国石油天然气行业标准SY/T6231-2006
代替SY/T6231--1996
电子式井下压力计
Electronic downhole pressure gauge2006—07—10发布
国家发展和改革委员会
2007—01—01实施
规范性引用文件
试验方法
5检验规则
6标志、包装、运输及贮存
附录A(资料性附录)电子式井下压力计压力试验记录表格式附录B(规范性附录)
附录C(资料性附录)
附录D(规范性附录)
电子式井下压力计压力误差计算方法电子式井下压力计温度试验记录表格式..
电子式井下压力计温度测量误差计算方法SY/T6231-2006
SY/T6231-2006
本标准代替SY/T6231-1996《电子式井下压力计》。本标准与SY/T6231一1996相比,主要变化如下:-增加了电子式井下压力计的工作电流(存储式)、休眠电流(存储式)、存储容量、采样间隔等要求,
增加了电子式井下压力计的密封性能、稳定性能、零点漂移等要求;一增加了密封性能试验、零点试验、稳定性试验等试验方法;删减了准确度0.5级的挡次。
本标准的附录B、附录D为规范性附录,附录A、附录C为资料性附录。本标准由石油仪器仪表专业标准化委员会提出并归口。本标准起草单位:湖北江汉石油仪器仪表有限公司。本标准主要起草人:丁昌信、丁明、刘万钩、吕维民。本标准所代替标准的历次版本发布情况为:-SY/T6231-1996。
电子式井下压力计
SY/T6231—2006
本标准规定了存储式和直读式两种电子式井下压力计(以下简称压力计)的要求、试验方法、检验规则、标志、包装、运输和贮存。本标准适用手压力计的制造、检验和质量评价2规范性引用文件
下列文件中的条款通过本标准的引用而成为本标准的条款。凡是注日期的引用文件,其随后所有的修改单(不包括勘误的内容)或修订版均不适用于本标准,然而,鼓励根据本标准达成协议的各方研究是否可使用这些文件的最新版本。凡是不注日期的引用文件,其最新版本适用于本标推,GB/T191—2000包装储运图示标志GB/T15464—1995仪器仪表包装通用技术条件SY/T5134-93石油勘探开发仪器基本环境试验方法试验G:振动(正弦)试验SY/T5221—91石油勘探开发仪器基本环境试验方法试验B:冲击试验3要求
3.1环境条件
3.11振动
频率5Hz~200Hz~5Hz,加速度29.4m/s2,扫描速率不大于1oct/min,时间不少于B0min(工作状态)
3.1.2冲击
加速度10C/s,脉冲持续时间11ms,轴向冲击一次(工作状态):3.1.3密封性能
在规定的压力乱逼度下,各密封部位无渗满现象,压方计能正常工作3.2外观
压力计外表面无机械损伤,零部件无锈蚀,连接导线焊接良好,各连接部件无松动。3.3安全绝缘电阻
压力计安全绝缘电阻冷态)应大于201VQ。3.4存储式压力计的工作电流及休眠电流存储式压力计的工作电流不大于20mA,休眠电流不大于1mA。3.5存储容量
压力计的存储容量不少于8000组数据(时间/压力/温度)。3.6采样间隔
压力计的采样间隔最小为1s,最大为24h。3.7压力准确度及灵敏阀
压力计的准确度等级及灵敏阈分级见表1。3.8最高工作温度及准确度
压力计的最高工作温度分级及温度准确度等级见表2。SY/T6231—2006
3.9稳定性能
在规定的最高工作压力和温度条件下,连续作10次重复性试验,其准确度应满足表1和表2规定。
3.10零点漂移
压力计零点漂移应满足表1和表2规定的准确度。表1压力准确度等级及灵敏闻分级准确度
准确度等级
4试验方法
最大允语
±0.01%FS
±0.02%FS
±0.025%FS
±0.05%FS
±0.1%FSm
最大允许误差
4.1试验设备及试验条件
灵敏阈,kPa
测量上限,MPa
最高工作温度分级及温度准确度等级最高工作温度,℃
兆欧表:0Ma~500MS#500V
数字万用表:4%位
高温高压装置:20℃200C0MPa100Mea压力计检定装置:0MPa-0MIPa30+20
压力计检定装置相应的三等标准四等标准克组、度计,试验设备配套关系及试验条件见表3。4.2环境条件试验
克组器码恒温空气浴或油浴,标准玻璃温4.2.1振动试验:按3.1.1的要求及SY/T5134一93第4章~第6章方法进行振动试验,试验后压力计性能应符合表1和表2要求。4.2.2冲击试验:按3.1.2的要求及SY/T5221-91第5章、第6章方法进行冲击试验,试验后压力计性能应符合表1和表2要求。4.2.3密封性能试验:将压力计放入高温高压装置内:加热至最高工作温度,恒温30min然后加压至压力测量上限,恒压30min。试验后,取出压力计检查外壳、传感器及密封部位:并通电,应符2
合3.1.3要求。
压力计
准确度
外观检查
检定装置
压力确度
表3试验设备配套关系及试验条件恒温浴温度
磁码等级
三等标准
四等标准
温度计
二等标准
玻璃温度计
室内温度计
SY/T6231—2006
试验条件
环境温度
20 ±2
自测检查压力计的外观,各零部件,连接电缴及各连接部位应符合3.2要求。4.4安全绝缘电阻试验
用逃欧表测试压力计板与外壳之间的安全绝缘电阻(冷态),应符合3.3要求4.5工作电流和休眠电流
用数字万用表测量压力计的工作电流和休眠电流(存储式),应符合3.4要求。4.6存储容量和最小采样间隔试验相对湿度
将压力计采样时间间隔设置为最小采样间隔,接通工作电池进行数据采样,压力计所采样的数据应符合3.5和3.6要求。
准确度试验
将压力计与压力计检定装置连接好,保证压力计传感器及电路部分置于装置内恒温1h以上,4.7.1
压力计采样间隔时间设置为4S,每一试验点压稳定后,采样次数不少于10次。4.7.2按均匀分布的温度试验点(不少于3点,包括上,下限温度点及压力试验点(按量程确定,不得少于7点,包括上,下限压力值点),在压力计达到热平衡后,启动压力计,在每一温度试验点上使压力从零点开始,平稳地签点升压至压力测量上限值,然后接原压力试验点逐点降压至零点。分别记录各温度点下每一压力试验点稳定后的压力输出示值,填人压力记录表中(参见附录A),重复试验3次,并计算压力计的压力误差,计算方法见附录B。在规定要求的温度下各压力试验点所计算的最大误差为压力计的允许误差,应符合表1的规定。4.13在471和4.72试验过程中分别记录其一压力试验点下的温度输出示值,填人温度记录表中(参见附录C),同一压点至少记录6组温度示值,温度测量点不少于3点,并计算压力计的温度测量误差8,计算方法见附录D计算的最大8值为温度误差,应符合表2的规定。4.8灵敏阐试验
按4.7.1步骤连接好压力计,并接通电源。在试验条件下,将压力计缓慢加压至测量上限的80%以上的某一压力点,待压力稳定后,按表1规定的附加压力值选择标准码加压,压力计应有可分辨的显示。灵敏阅试验可在压力准确度试验前进行。4.9稳定性能试验
将压力计放人压力计检定装置内,升温至最高工作温度,恒温30min。3
SY/T 6231-2006
加压至压力测量上限,恒压1min后卸压。重复加、卸压10次循环后,按4.7规定进行试验,应符合表1和表2的规定。
4.10零点漂移试验
将压力计与压力计检定装置连接好,启动压力计。在试验条件下,记录稳定后的零点输出值,加压至上限压力,稳压5min,然后恢复零压,记录此时的压力值,每隔15min进行一次,共试验8次,其零点示值应符合表1的规定。
5检验规则
5.1出厂检验
凡生产的每套压力计都应通过出厂检验,出厂检验项目及要求见表4。表4出厂检验项目及要求bZxz.net
检验项目
振动试验
冲击试验
密封性能试验
外观检查
安全绝缘电阻试验
工作电流和休眼电流试验
存储容量和最小采样间隔试验
准确度试验
灵敏綫
稳定性能试验
零点漂移试验
,“O”表示可不进行检验项目。“”表示必检项目,
5.2型式检验
技术要求
3.5,3.6
3.7,3.8
5.2.1有下列情况之一,应进行型式检验:a)新产品的试制定型鉴定;
试(检)验方法
出厂检验
检验类别
型式检验
b)正式生产后,如结构、材料、工艺有较大改变,可能影响产品性能时;c)正常生产时,连续或累积生产150套后,应周期性进行一次检验;d)产品停产2年以上,恢复生产时;e)出厂检验结果与上次型式检验有较大差异时;f用户或国家质量监督机构提出进行型式检验要求时。5.2,2型式检验项目及要求见表4。5.2.3型式检验的推样方案见表5。5.3判定规则
5.3.1出厂检验项目全部合格后,方可出厂。不合格项目允许返修,并按本标准进行复检,复检合格,方可允许出厂。
SY/T62312006
5.3.2压力计型式检验中任一项不合格时,应查明原因,经修复后允许重新检验,复检合格,通过型式检验。仍有不合格项目,则判定该批压力计型式检验不合格。表5型式检验抽样方案
批量大小
97~200
6标志包装、运输及贮存
压力计应标明:
a)压力计型号及名称;
b)生产厂家名称;
c)生产日期和出厂编号;
d)产品标准编号;
eMC标志。
6.2包装
最佳样品数
(套)
压力计的包装应符合GB/T15464—1995的规定。压力计包装箱内应有:
a)产品合格证;
b)产品使用说明书:
)装箱单和备附件清单:
d)检定数据和检定证书。
6.2.3包装箱的标志应符合GB/T191—2000的规定运输
最大样品数
(套)
压力计可采用水,陆、空运输方式运输,但应避免雨雪直接淋浸和强烈的机械振动6.4贮存
压力计应贮存在干燥、通风、无有害气体及强烈振动的环境中。压力计贮存期间,应定期进行通电检查,间隔一般不大于6个月。SY/T6231--2006
附录A
(资料性附录)
电子式井下压力计压力试验记录表格式电子式井下压力计压力试验记录表格式见表A.1。表A.1电子式井下压力计压力试验记录表压力计编号:
试验压力点
最大示值误差:
试验员:
试验温度点:
第二次
最大引用误差
记录员
试验日期:
第三次
检验员:
示值误差
引用误差
质力计示值误差的计算
附录B
(规范性附录)
电子式井下压力计压力误差计算方法压力计示值误差按式(B1)计算。A=:Poi
式中:
一压力计第t试验点的示值误差MPa4
p:——压力计第i试验点的压力示值,MPa:压力计第1试验点的标准压力值,MPB.2
压力计的压力误差计算方法
最大引用误差3即为压力计的最大允许误差,按式(B.2)计算。8=14mx100%
压力计的最大引用误差,
一压力试验点中绝对值最大的示值误差,MIPa压力计满量程压力示值的平均值与零点压力示值的平均值之差,MPa。SY/T6231-2006
SY/T6231—2006
附录C
(资料性附录)
电子式井下压力计温度试验记录表格式电子式井下压力计温度试验记录表格式见表C.1。表C.1电子式井下压力计温度试验记录表压力计编号:
校验温度点
测量误差,8=
试验员:
第一组
试验压力点:
第二组
记录员:
第三组
第四组
检验员:
试验日期:
第五组
第六组
平均值
附录D
(规范性附录)
电子式井下压力计温度测量误差计算方法压力计温度测量误差按式(D.1)进行计算:0. -x100%
我中:
一压力计温度测量误差,
T—某一温度点的温度示值,℃,T—一某一温度点的温度示值的平均值,℃;FEs
一最高温度点的温度示值的平均值与零点温度示值的平均值之差,CSY/T6231-2006
小提示:此标准内容仅展示完整标准里的部分截取内容,若需要完整标准请到上方自行免费下载完整标准文档。
标准图片预览:





- 其它标准
- 热门标准
- 石油天然气行业标准(SY)
- SY/T0448-1997 油田油气处理用钢制压力容器施工及验收规范
- SY/T5127-2002 井口装置和采油树规范
- SY/T5386-2000 石油探明储量计算细则 裂缝性油气藏部分
- SY/T5729-1995 稠油热采井固井作业规程
- SY/T0317-1997 盐渍土地区建筑规范
- SY/T5096-1993 石油钻采设备用气动元件 调压阀试验方法
- SY/T5373-1991 钻井井下工具与作业用图形符号
- SY/T10013-1998 海上砂岩气田开发可行性评价指南
- SY/T0306-1996 滩海石油工程热工采暖技术规范
- SY/T4100-1995 滩海工程测量技术规范
- SY/T5200-2002 钻柱转换接头
- SY/T5280-2000 原油破乳剂通用技术条件
- SY/T5579-2000 碎屑岩油气储层精细描述方法
- SY/T5587.16-1993 油水井常规修井作业 通井、刮削套管作业规程
- SY/T6012-2000 滩海试油作业规程
- 行业新闻
请牢记:“bzxz.net”即是“标准下载”四个汉字汉语拼音首字母与国际顶级域名“.net”的组合。 ©2025 标准下载网 www.bzxz.net 本站邮件:bzxznet@163.com
网站备案号:湘ICP备2025141790号-2
网站备案号:湘ICP备2025141790号-2