- 您的位置:
- 标准下载网 >>
- 标准分类 >>
- 安全行业标准(AQ) >>
- AQ 3015-2008 氯气捕消器技术要求
标准号:
AQ 3015-2008
标准名称:
氯气捕消器技术要求
标准类别:
安全行业标准(AQ)
标准状态:
现行-
发布日期:
2008-11-19 -
实施日期:
2009-01-01 出版语种:
简体中文下载格式:
.rar.pdf下载大小:
179.61 KB
点击下载
标准简介:
标准下载解压密码:www.bzxz.net
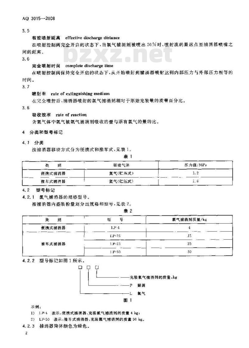
本标准对泄漏氯气现场抢险器材的制造技术要求作出了规定。氯气捕消器采用干粉灭火器材筒体及喷射装置,通过充装氯气捕消剂可组合成各种规格型号的氯气捕消器。它可用在液氯泄漏现场,顺风喷射氯气捕消剂,迅速中和泄漏氯气。本标准是首次发布。本标准规定了氯气捕消器的分类、型号标记、要求、检测方法、检验规则、标志、运输、存放和产品有效期。本标准适用于捕消器的设计、制造、组装和检验。 AQ 3015-2008 氯气捕消器技术要求 AQ3015-2008
标准图片预览:





- 其它标准
- 热门标准
- 安全行业标准(AQ)
- AQ1038-2007 煤矿用架空乘人装置安全检验规范
- AQ2007.2-2006 金属非金属矿山安全标准化规范地下矿山实施指南
- AQ2013.2-2008 金属非金属地下矿山通风技术规范局部通风
- AQ1027-2006 煤矿瓦斯抽放规范
- AQ/T1009—2021 矿山救护队标准化考核规范
- AQ/T3005-2006 石油化工建设管理方安全管理实施导则
- AQ/T2077-2020 页岩气井独立式带压作业机起下管柱作业安全技术规范
- AQ/T8012—2022 安全生产检测检验机构诚信建设规范
- AQ1050-2008 保护层开采技术规范
- AQ1085-2011 煤矿进风井地面用燃煤热风炉安全技术条件
- AQ/T1047-2007 煤矿井下煤层瓦斯压力的直接测定方法
- AQ1096-2014 煤矿建设项目安全验收评价实施细则
- AQ6210-2007 煤矿井下作业人员管理系统通用技术条件
- AQ1051-2008 煤矿职业安全卫生个体防护用品配备标准
- AQ/T9002-2006 生产经营单位安全生产事故应急预案编制导则
- 行业新闻
请牢记:“bzxz.net”即是“标准下载”四个汉字汉语拼音首字母与国际顶级域名“.net”的组合。 ©2025 标准下载网 www.bzxz.net 本站邮件:bzxznet@163.com
网站备案号:湘ICP备2025141790号-2
网站备案号:湘ICP备2025141790号-2