- 您的位置:
- 标准下载网 >>
- 标准分类 >>
- 国家标准(GB) >>
- GB/T 8479-2003 铝合金窗
标准号:
GB/T 8479-2003
标准名称:
铝合金窗
标准类别:
国家标准(GB)
英文名称:
Aluminum Alloy Windows标准状态:
已作废-
发布日期:
2003-03-01 -
实施日期:
2003-09-01 -
作废日期:
2009-04-01 出版语种:
简体中文下载格式:
.rar.pdf下载大小:
278.80 KB
标准ICS号:
建筑材料和建筑物>>建筑构件>>91.060.50门窗中标分类号:
工程建设>>工业与民用建筑工程>>P32建筑构造与装饰工程
首发日期:
1987-12-06复审日期:
2004-10-14起草人:
刘达民、曹颖奇、谈恒玉、黄圻、马文龙、张根祥、王柏洪、石民祥、蔡业基、起草单位:
中国建筑标准设计研究所归口单位:
建设部制品与构配件产品标准化技术委员会提出单位:
中华人民共和国建设部发布部门:
中华人民共和国国家质量监督检验检疫总局主管部门:
建设部相关标签:
铝合金
点击下载
标准简介:
标准下载解压密码:www.bzxz.net
本标准规定了铝合金窗的分类、规格、代号、要求、试验方法、检验规则和标志、包装、运输、贮存。 本标准适用于铝合金建筑型材制作的窗,不适用于卷帘窗、防火窗、防射线屏蔽窗等特种窗。 GB/T 8479-2003 铝合金窗 GB/T8479-2003
部分标准内容:
GB/T 8479—2003
本标准代替GB/T8479--1987《平开铝合金窗》和GB/T8481--1987《推拉铝合金窗》。本标准与GB/T8479-1987、GB/T8481—1987的主要差异如下:一将上述两项标准合为一项标准,名称为《铝合金窗》;完善产品类别划分,
一本标准采用最新版本的抗风压、水密、气密、保温、空气声隔声、采光等性能指标;一增加反复启闭要求和挠度控制值;一取消窗框深度尺寸系列(原标准3.1条);-取消原标准中以洞口表示的--节(原标准3.2.1和3.2.2条)。本标准的附录A为资料性附录。
本标准由中华人民共和国建设部提出。本标准由建设部制品与构配件产品标准化技术委员会归口。本标准起草单位:中国建筑标准设计研究所、中国建筑科学研究院建筑物理研究所、中国建筑金属结构协会、广州铝质装饰工程有限公司、广东省佛山市季华铝业公司、广东坚美铝型材厂、西安飞机工业装饰装修工程股份有限公司、深圳华加日铝业有限公司、辽宁东林瑞那斯股份有限公司,武汉特凌节能门窗有限公司、高明市季华铝建有限公司。本标准主要起草人:刘达民、曹颖奇、谈恒玉、王洪涛、黄圻、石民祥、蔡业基、卢继延、马文龙、张根祥、王柏洪、付纪频、韩广建。本标准代替标准的历次版本发布情况为:-GB/T 8479-—1987.GB/T 8481—1987。1·范围
GB/T8479—2003
本标准规定了铝合金窗的分类、规格、代号、要求、试验方法、检验规则和标志、包装、运输、贮存。本标准适用于铝合金建筑型材制作的窗。本标准不适用于卷帘、防火窗、防射线屏蔽窗等特种窗。2规范性引用文件
下列文件中的条款通过本标准的引用而成为本标准的条款。凡是注日期的引用文件,其随后所有的修改单(不包括勘误的内容)或修订版均不适用于本标准,然而,鼓励根据本标准达成协议的各方研究是否可使用这些文件的最新版本。凡是不注日期的引用文件,其最新版本适用于本标准。GB191包装储运图示标志(eqvISO780:1997)GB/T2518连续热镀锌薄板和钢带GB/T5237铝合金建筑型材
GB/T5823—1986建筑门窗术语
GB/T5824-1986建筑门窗洞口尺寸系列运输包装收发货标志
GB/T 6388
GB/T 7106
建筑外窗抗风压性能分级及其检测方法GB/T 7107
GB/T 7108
GB/T 8484
GB/T 8485
建筑外窗空气渗透性能分级及其检测方法建筑外窗雨水渗漏性能分级及其检测方法建筑外窗保温性能分级及其检测方法建筑外窗空气声隔声性能分级及其检测方法GB/T9158—1988建筑用窗承受机械力的检测方法金属疆盖层钢铁上的锌电镀层(eqvISO2081:1986)GB/T 9799
GB/T 11976
GB/T13306
建筑外窗采光性能分级及检测方法标牌
工业产品保证文件 总则
GB/T 14436
GB/T14952.3铝及铝合金阳极氧化着色阳极氧化膜色差和外观质量检验方法目视观察法JG3035—1996建筑幕墙
QB/T3886(原GB9298)平开铝合金窗执手QB/T3888(原GB9300)铝合金窗不锈钢滑撑QB/T3892(原GB9304)推拉铝合金门窗用滑轮JGJ102-1996玻璃幕墙工程技术规范JGJ113建筑玻璃应用技术规程
3术语和定义
GB/T5823-1986、GB/T5824—1986确定的以及下列术语和定义适用于本标准。3.1
铝合金窗aluminium windows
由铝合金建筑型材制作框、扇结构的窗。GB/T 8479--2003
4分类、规格、代号
4.1按开启形式区分
开启形式与代号按表1规定
开启形式
开启形式与代号
注1:固定窗与平开窗或推拉窗组合时为平开窗或推拉窗。注2:百叶窗符号为Y、纱扇窗符号为A。4.2按性能区分
性能按表2规定。
表2性能
性能项目
抗风压性能(P)
水密性能(△P)
气密性能(q1,q2)
保温性能(K)
空气声声性能(Rw)
采光性能(T,)
启闭力
反复启闭性能
普通型
注:○为选择项目,为必须项目。4.3规格型号
a)窗洞口尺寸系列应符合GB5824的规定。滑轴平开
隔声型
b)窗的构造尺寸可根据窗洞口饰面材料厚度、附框尺寸、安装缝隙确定。4.4标记示例
4.4.1标记方法
型号由窗型、规格、性能标记代号组成。C
纱扇标记
性能标记
窗规格型号
一窗代号
-材质
-开启形式
当抗风压、水密、气密、保温、隔声、采光等性能和纱扇无要求时不填写。4.4.2示例
推拉平开平开下悬
保温型
GB/T 8479—2003
铝合金推拉窗,规格型号为1521,抗风压性能为2.0kPa,水密性能为150Pa,气密性能1.5m2/(m·h),保温性能3.5W/(m2·K),隔声性能30dB,采光性能0.40带纱扇窗。TLC1521-P:2.0-△P150-q1(或 q2)1.5-K3.5-Rw30-T,40-A5材料
窗用材料应符合有关标准的规定,参见附录A。5.1铝合金窗受力构件应经试验或计算确定。未经表面处理的型材最小实测壁厚应≥1.4mm。注:受力构件指参与受力和传力的杆件。5.2表面处理
a)铝合金型材表面处理应符合表3规定。表3铝合金型材表面处理
阳极氧化、著色
注:有特殊要求的按GB/T5237选择。电泳涂漆
粉末喷涂
40 μm~~120 μm
氟碳漆喷涂
≥30 μm
b)黑色金属材料,除不锈钢外应按GB/T9799的规定进行表面锌电镀处理,其镀层厚度应大于12um或采用GB/T2518的材质。
5.3玻璃
玻璃应根据功能要求选取适当品种、颜色,玻璃厚度、面积应经计算确定,计算方法按JGJ113规定5.4密封材料
密封材料应按功能要求、密封材料特性、型材特点选用。5.5五金件、附件、紧固件
五金件、附件、紧固件应满足功能要求。窗用五金件、附件安装位置正确、齐全、牢固,具有足够的强度,启闭灵活、无噪声,承受反复运动的附件、五金件应便于更换。
6要求
6.1外观质量
产品表面不应有铝屑、毛刺、油污或其他污迹。连接处不应有外溢的胶粘剂。表面平整,没有明显的色差、凹凸不平、划伤、擦伤、碰伤等缺陷。6.2尺寸偏差
尺寸允许偏差按表4规定。
表4尺寸允许偏差
窗框槽口高度、宽度
窗框槽口对边尺寸之差
窗框对角线尺寸之差
尺寸范围
>2 000
≤2000
偏差值
单位为毫米
GB/T8479-—2003
窗框与窗扇搭接宽度
同一平面高低差
装配间隙
玻璃与槽口配合
表4(续)
尺寸范围
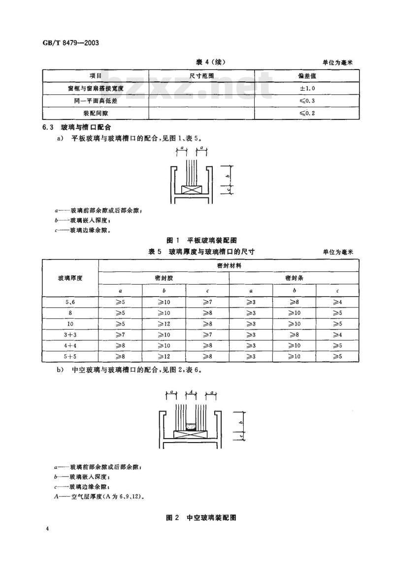
a)平板玻璃与玻璃槽口的配合,见图1、表5。α-—玻璃前部余隙或后部余隙;b玻璃嵌人深度,
玻璃边缘余隙。
图1苹板玻璃装配图
5玻璃薄度与玻璃槽口的尺寸
密封材料
玻璃厚度
密封胶
b)中空玻璃与玻璃槽口的配合,见图2,表6。c下载标准就来标准下载网
璃前部余隙或后部余隙;
b——玻璃嵌人深度;
C—玻璃边缘余隙;
A—空气层厚度(A为6、9、12)。图2中空玻璃装配图
偏差值
密封条
单位为毫米
单位为毫米
玻璃厚度
表 6中空玻璃厚度与玻璃槽口的尺寸密封材料
密封胶
隐框窗的玻璃装配要求如下,见图3。u-玻璃与铝合金框相对位移量,t
胶缝厚度;
C.胶缝宽度;
1--—-玻璃;
垫条,
一结构硅酮密封胶;
铝合金型材。
图3结构硅酮密封胶粘结节点图
密封条
GB/T 8479--2003
单位为毫米
隐框窗结构胶计算按JGJ102—1996中的5、6条规定。其质量要求应符合JG3035--1996中的4.3.3.2条的规定。
6.4性能
窗的性能应根据建筑物所在地区的地理、气候和周围环境以及建筑物的高度、体型、重要性等选定,6.4. 1 抗风压性能
分级指标值P3按表7规定。
表7抗风压性能分级
指标值
指标值
1. 0≤P3 <1. 5
3. 5≤P <4. 0
1. 5≤P3 <2. 0
4. 0≤P3<4. 5
2. 0≤P;<2. 5
4. 5≤P3 <5. 0
注:×·×表示用≥5.0kPa的具体值,取代分级代号4
2. 5≤P: <3. 0
Ps≥5. 0
单位为千帕
3.0≤P3.5
在各分级指标值中,窗主要受力构件相对度单层、夹层玻璃挠度≤L/120,中空玻璃挠度≤L/180。其绝对值不应超过15mm,取其较小值。5
GB/T 8479—2003
6.4.2水密性能
分级指标值△P按表8规定。
指标值
表8水密性能分级
100≤P150150≤P250250≤P350350≤P500500≤700注:××××表示用≥700 Pa的具体值取代分级代号,适用于热带风暴和台风袭击地区的建筑。6.4.3气密性能
分级指标值91,92按表9的规定。表 9 气密性能分级
单位缝长指标值g1/m/(m·h)
单位面积指标值 qz /m2/(m2。h)6.4.4保温性能
分级指标值K按表10规定,
指标值
4.0>K≥3.5
6.4.5空气声隔声性能
2.5≥>1.5
7.5≥g≥>4.5
1.5≥q>0.5
4. 5≥q2>1. 5
保温性能分级
3.5>K≥3.0
分级指标值Rw按表11规定。
单位为帕
××××
△P≥700
单位为瓦每平方米开
3.0>K≥2.52.5>K≥2.0
2.0>K≥1.5
表11空气声隔声性能分级
指标值
6.4.6采光性能
25≤R30
分级指标值T.按表12规定。
指标值
6.4.7启闭力
30≤Rm35
35≤Rw<40
表 12 采光性能分级
40≤Rw<45
0.20≤T≤0.300.30≤T<0.400.40≤T,<0.500.50≤T,≤0.60启闭力应不大于50N。
6.4.8反复启闭性能
反复启闭应不少于1万次,启闭无异常,使用无障碍。检验与试验方法
7.1外观质量按GB/T14852.3的规定,目测检验。7.2尺寸偏差,用卡尺、塞尺、钢卷尺进行检查。7.3玻璃与槽口配合用卡尺进行检查。7.4性能试验应符合表13的规定。6
单位为分贝
Rw≥45
T,≥0.60
抗风压性能
水密性能
气密性能
保温性能
空气声隔声性能
采光性能
启闭力
反复启闭性能
性能试验方法
标准编号
GB/T7106
GB/T 7108
GB/T7107
GB/T 8484
GB/T8485
GB/T11976
GB/T9158—1988中第6.1条
QB/T3892(原GB9304)(适用于推拉窗)QB/T3886(原GB9298)(适用于执手)QB/T3888(原GB9300)(适用于滑撑)7.5窗物理、机械性能试验顺序应符合下列规定:物理性能宜按气密、水密、抗风压性能的顺序试验。a)
b)机械性能应按启闭力、反复启闭的顺序试验。8检验规则
产品检验分出厂检验和型式检验。产品经检验合格后应有合格证。合格证应符合GB/T14436的规定。8.1出厂检验
a)检验项目
产品检验项目应符合表14的规定。b)组批规则与抽样方案
从每项工程中的不同品种、规格分别随机抽取5%且不得少于三模。c)判定规则与复检规则
产品检验不符合本标准要求时,应重新加倍抽取进行检验。产品仍不符合要求时,则判为不合格产品。8.2型式检验
a)检验项目
产品检验项目应符合表14的规定,表14
出厂检验与型式检验项目
项目名称
抗风压性能
水密性能
气密性能
保温性能
空气声隔声性能
采光性能
启闭力
出厂检验
GB/T 8479—2003
型式检验
GB/T8479—2003
项目名称
反复启闭性能
玻璃与槽口配合
窗框槽口高度偏差
密框槽口宽度偏差
窗框对边尺寸之差
表14(续)
窗框对角线尺寸之差
窗框与扇搭接宽度偏差
同一平面高低之差
装配间隙
隐框窗的装配要求
外观质量
注:△根据用户要求进行测试
有下列情况之一时应进行型式检验:b)
1)产品或老产品转厂生产的试制定型鉴定,出厂检验
正式生产后当结构、材料、工艺有较大改变可能影响产品性能时;2)
正常生产时每两年检测一次;
产品停一年以上再恢复生产时;4)
发生重大质量事故时;
出厂检验结果与上次型式检验有较大差异时;6)
7)国家质量监督机构或合同规定要求进行型式检验时。c)组批规则和抽样方案
从产品的不同品种、相同规格中每两年在出厂检验合格产品中随机抽取三橙。d)判定规则
型式检验
产品检验不符合本标准要求时,应另外加倍复检,当复检仍不合格时则判为不合格产品。9标志、包装、运输、贮存
9.1标志
9.1.1在产品明显部位应标明下列标志:制造厂名与商标,
b)产品名称、型号和标志;
产品应贴有标牌,标牌应符合GB/T13306的规定;c
制作日期或编号。
包装箱的箱面标志应符合GB/T6388的规定。9.1.3包装箱上应有明显的“怕湿”“小心轻放”“向上”字样和标志,其图形应符合GB191的规定。9.2包装
9.2.1产品应用无腐蚀作用的材料包装。2包装箱应有足够的强度,确保运输中不受损坏。9. 2. 2
包装箱内的各类部件,避免发生相互碰撞、审动。9. 2. 3
9.2.4产品装箱后,箱内应有装箱单和产品检验合格证。8
9.3运输
在运输过程中避免包装箱发生相互碰撞9.3.2
搬运过程中应轻拿轻放,严禁摔、扔、碰击。运输工具应有防雨措施,并保持清洁无污染。9.4购存
GB/T 8479—-2003
9.4.1产品应放置通风、干燥的地方。严禁与酸、碱、盐类物质接触并防止雨水侵入。产品严禁与地面直接接触,底部垫高大于100mm。9.4.2
产品放置应用垫块垫平,立放角度不小于70°。GB/T 8479—2003
A.1金属材料及表面处理
附录A
(资料性附录)
常用材料标准
3冷轧钢板和钢带的尺寸、外型、重量及允许偏差GB/T 708--1988
GB/T 2518—1988
GB/T 3280—1992
GB/T 3880--1997
GB/T 4239—1991
连续热镀锌薄钢板和钢带
不锈钢冷轧钢板
铝及铝合金轧制板材
不锈钢和耐热钢冷轧钢带
铝合金建筑型材第1部分基材
GB/T5237.1--2000
GB/T5237.2-—2000
GB/T 5237.3-2000
GB/T5237.4—2000
GB/T 5237.5—2000
GB/T 9799--1997
GB/T 8013—1987
铝合金建筑型材
铝合金建筑型材
铝合金建筑型材
第2部分
第3部分
第4部分
阳极氧化、着色型材
电泳涂漆型材
粉末喷涂型材
氟碳漆喷涂型材
铝合金建筑型材
第5部分
金属覆盖层钢铁件上的锌电镀层铝及铝合金阳极氧化阳极氧化膜的总规范GB/T 13821--1992
GB/T 15114--1994
A.2玻璃
GB 9962-1999
锌合金压铸件
铝合金压铸件
夹层玻璃
GB/T9963—1998钢化玻璃
GB 17841--1999
幕墙用钢化玻璃与半钢化玻璃
GB 11614—1999
浮法玻璃
GB/T 11944--2002
中空玻璃
8热反射玻璃
JC 693—1998
JC433--1991夹丝玻璃
JC/T 511-1993
压花玻璃
GB/T 18701—2002
着色玻璃
A.3窗纱
QB/T3882--1999(原GB8379—1987)窗纱型式尺寸QB/T3883--1999(原GB8380—1987)窗纱技术条件A.4密封材料
GB/T5574—-1994工业用橡胶板
GB/T16589—1996硫化橡胶分类橡胶材料HG/T3100一1997橡胶密封垫密封玻璃窗和镶板的预成型实心硫化橡胶材料规范GB/T 12002—1989
9塑料门窗用密封条
JC/T635-1996建筑门窗密封毛条技术条件10
GB16776---1997建筑用硅酮结构密封胶硅酮建筑密封膏
GB/T14683—1993
5五金件
QB/T3886—1999(GB9298—1988)QB/T 3887—1999(GB 9299—1988)QB/T3888—1999(GB9300—1988)QB/T 3889—1999(GB 9301—1988)QB/T 3890-1999(GB 9302--1988)QB/T3892—1999(GB9304—1988)平开铝合金窗执手
铝合金窗撑档
铝合金窗不锈钢滑撑
铝合金门窗拉手
铝合金窗锁
推拉铝合金门窗用滑轮
GB/T8479-2003
小提示:此标准内容仅展示完整标准里的部分截取内容,若需要完整标准请到上方自行免费下载完整标准文档。
本标准代替GB/T8479--1987《平开铝合金窗》和GB/T8481--1987《推拉铝合金窗》。本标准与GB/T8479-1987、GB/T8481—1987的主要差异如下:一将上述两项标准合为一项标准,名称为《铝合金窗》;完善产品类别划分,
一本标准采用最新版本的抗风压、水密、气密、保温、空气声隔声、采光等性能指标;一增加反复启闭要求和挠度控制值;一取消窗框深度尺寸系列(原标准3.1条);-取消原标准中以洞口表示的--节(原标准3.2.1和3.2.2条)。本标准的附录A为资料性附录。
本标准由中华人民共和国建设部提出。本标准由建设部制品与构配件产品标准化技术委员会归口。本标准起草单位:中国建筑标准设计研究所、中国建筑科学研究院建筑物理研究所、中国建筑金属结构协会、广州铝质装饰工程有限公司、广东省佛山市季华铝业公司、广东坚美铝型材厂、西安飞机工业装饰装修工程股份有限公司、深圳华加日铝业有限公司、辽宁东林瑞那斯股份有限公司,武汉特凌节能门窗有限公司、高明市季华铝建有限公司。本标准主要起草人:刘达民、曹颖奇、谈恒玉、王洪涛、黄圻、石民祥、蔡业基、卢继延、马文龙、张根祥、王柏洪、付纪频、韩广建。本标准代替标准的历次版本发布情况为:-GB/T 8479-—1987.GB/T 8481—1987。1·范围
GB/T8479—2003
本标准规定了铝合金窗的分类、规格、代号、要求、试验方法、检验规则和标志、包装、运输、贮存。本标准适用于铝合金建筑型材制作的窗。本标准不适用于卷帘、防火窗、防射线屏蔽窗等特种窗。2规范性引用文件
下列文件中的条款通过本标准的引用而成为本标准的条款。凡是注日期的引用文件,其随后所有的修改单(不包括勘误的内容)或修订版均不适用于本标准,然而,鼓励根据本标准达成协议的各方研究是否可使用这些文件的最新版本。凡是不注日期的引用文件,其最新版本适用于本标准。GB191包装储运图示标志(eqvISO780:1997)GB/T2518连续热镀锌薄板和钢带GB/T5237铝合金建筑型材
GB/T5823—1986建筑门窗术语
GB/T5824-1986建筑门窗洞口尺寸系列运输包装收发货标志
GB/T 6388
GB/T 7106
建筑外窗抗风压性能分级及其检测方法GB/T 7107
GB/T 7108
GB/T 8484
GB/T 8485
建筑外窗空气渗透性能分级及其检测方法建筑外窗雨水渗漏性能分级及其检测方法建筑外窗保温性能分级及其检测方法建筑外窗空气声隔声性能分级及其检测方法GB/T9158—1988建筑用窗承受机械力的检测方法金属疆盖层钢铁上的锌电镀层(eqvISO2081:1986)GB/T 9799
GB/T 11976
GB/T13306
建筑外窗采光性能分级及检测方法标牌
工业产品保证文件 总则
GB/T 14436
GB/T14952.3铝及铝合金阳极氧化着色阳极氧化膜色差和外观质量检验方法目视观察法JG3035—1996建筑幕墙
QB/T3886(原GB9298)平开铝合金窗执手QB/T3888(原GB9300)铝合金窗不锈钢滑撑QB/T3892(原GB9304)推拉铝合金门窗用滑轮JGJ102-1996玻璃幕墙工程技术规范JGJ113建筑玻璃应用技术规程
3术语和定义
GB/T5823-1986、GB/T5824—1986确定的以及下列术语和定义适用于本标准。3.1
铝合金窗aluminium windows
由铝合金建筑型材制作框、扇结构的窗。GB/T 8479--2003
4分类、规格、代号
4.1按开启形式区分
开启形式与代号按表1规定
开启形式
开启形式与代号
注1:固定窗与平开窗或推拉窗组合时为平开窗或推拉窗。注2:百叶窗符号为Y、纱扇窗符号为A。4.2按性能区分
性能按表2规定。
表2性能
性能项目
抗风压性能(P)
水密性能(△P)
气密性能(q1,q2)
保温性能(K)
空气声声性能(Rw)
采光性能(T,)
启闭力
反复启闭性能
普通型
注:○为选择项目,为必须项目。4.3规格型号
a)窗洞口尺寸系列应符合GB5824的规定。滑轴平开
隔声型
b)窗的构造尺寸可根据窗洞口饰面材料厚度、附框尺寸、安装缝隙确定。4.4标记示例
4.4.1标记方法
型号由窗型、规格、性能标记代号组成。C
纱扇标记
性能标记
窗规格型号
一窗代号
-材质
-开启形式
当抗风压、水密、气密、保温、隔声、采光等性能和纱扇无要求时不填写。4.4.2示例
推拉平开平开下悬
保温型
GB/T 8479—2003
铝合金推拉窗,规格型号为1521,抗风压性能为2.0kPa,水密性能为150Pa,气密性能1.5m2/(m·h),保温性能3.5W/(m2·K),隔声性能30dB,采光性能0.40带纱扇窗。TLC1521-P:2.0-△P150-q1(或 q2)1.5-K3.5-Rw30-T,40-A5材料
窗用材料应符合有关标准的规定,参见附录A。5.1铝合金窗受力构件应经试验或计算确定。未经表面处理的型材最小实测壁厚应≥1.4mm。注:受力构件指参与受力和传力的杆件。5.2表面处理
a)铝合金型材表面处理应符合表3规定。表3铝合金型材表面处理
阳极氧化、著色
注:有特殊要求的按GB/T5237选择。电泳涂漆
粉末喷涂
40 μm~~120 μm
氟碳漆喷涂
≥30 μm
b)黑色金属材料,除不锈钢外应按GB/T9799的规定进行表面锌电镀处理,其镀层厚度应大于12um或采用GB/T2518的材质。
5.3玻璃
玻璃应根据功能要求选取适当品种、颜色,玻璃厚度、面积应经计算确定,计算方法按JGJ113规定5.4密封材料
密封材料应按功能要求、密封材料特性、型材特点选用。5.5五金件、附件、紧固件
五金件、附件、紧固件应满足功能要求。窗用五金件、附件安装位置正确、齐全、牢固,具有足够的强度,启闭灵活、无噪声,承受反复运动的附件、五金件应便于更换。
6要求
6.1外观质量
产品表面不应有铝屑、毛刺、油污或其他污迹。连接处不应有外溢的胶粘剂。表面平整,没有明显的色差、凹凸不平、划伤、擦伤、碰伤等缺陷。6.2尺寸偏差
尺寸允许偏差按表4规定。
表4尺寸允许偏差
窗框槽口高度、宽度
窗框槽口对边尺寸之差
窗框对角线尺寸之差
尺寸范围
>2 000
≤2000
偏差值
单位为毫米
GB/T8479-—2003
窗框与窗扇搭接宽度
同一平面高低差
装配间隙
玻璃与槽口配合
表4(续)
尺寸范围
a)平板玻璃与玻璃槽口的配合,见图1、表5。α-—玻璃前部余隙或后部余隙;b玻璃嵌人深度,
玻璃边缘余隙。
图1苹板玻璃装配图
5玻璃薄度与玻璃槽口的尺寸
密封材料
玻璃厚度
密封胶
b)中空玻璃与玻璃槽口的配合,见图2,表6。c下载标准就来标准下载网
璃前部余隙或后部余隙;
b——玻璃嵌人深度;
C—玻璃边缘余隙;
A—空气层厚度(A为6、9、12)。图2中空玻璃装配图
偏差值
密封条
单位为毫米
单位为毫米
玻璃厚度
表 6中空玻璃厚度与玻璃槽口的尺寸密封材料
密封胶
隐框窗的玻璃装配要求如下,见图3。u-玻璃与铝合金框相对位移量,t
胶缝厚度;
C.胶缝宽度;
1--—-玻璃;
垫条,
一结构硅酮密封胶;
铝合金型材。
图3结构硅酮密封胶粘结节点图
密封条
GB/T 8479--2003
单位为毫米
隐框窗结构胶计算按JGJ102—1996中的5、6条规定。其质量要求应符合JG3035--1996中的4.3.3.2条的规定。
6.4性能
窗的性能应根据建筑物所在地区的地理、气候和周围环境以及建筑物的高度、体型、重要性等选定,6.4. 1 抗风压性能
分级指标值P3按表7规定。
表7抗风压性能分级
指标值
指标值
1. 0≤P3 <1. 5
3. 5≤P <4. 0
1. 5≤P3 <2. 0
4. 0≤P3<4. 5
2. 0≤P;<2. 5
4. 5≤P3 <5. 0
注:×·×表示用≥5.0kPa的具体值,取代分级代号4
2. 5≤P: <3. 0
Ps≥5. 0
单位为千帕
3.0≤P3.5
在各分级指标值中,窗主要受力构件相对度单层、夹层玻璃挠度≤L/120,中空玻璃挠度≤L/180。其绝对值不应超过15mm,取其较小值。5
GB/T 8479—2003
6.4.2水密性能
分级指标值△P按表8规定。
指标值
表8水密性能分级
100≤P150150≤P250250≤P350350≤P500500≤700注:××××表示用≥700 Pa的具体值取代分级代号,适用于热带风暴和台风袭击地区的建筑。6.4.3气密性能
分级指标值91,92按表9的规定。表 9 气密性能分级
单位缝长指标值g1/m/(m·h)
单位面积指标值 qz /m2/(m2。h)6.4.4保温性能
分级指标值K按表10规定,
指标值
4.0>K≥3.5
6.4.5空气声隔声性能
2.5≥>1.5
7.5≥g≥>4.5
1.5≥q>0.5
4. 5≥q2>1. 5
保温性能分级
3.5>K≥3.0
分级指标值Rw按表11规定。
单位为帕
××××
△P≥700
单位为瓦每平方米开
3.0>K≥2.52.5>K≥2.0
2.0>K≥1.5
表11空气声隔声性能分级
指标值
6.4.6采光性能
25≤R30
分级指标值T.按表12规定。
指标值
6.4.7启闭力
30≤Rm35
35≤Rw<40
表 12 采光性能分级
40≤Rw<45
0.20≤T≤0.300.30≤T<0.400.40≤T,<0.500.50≤T,≤0.60启闭力应不大于50N。
6.4.8反复启闭性能
反复启闭应不少于1万次,启闭无异常,使用无障碍。检验与试验方法
7.1外观质量按GB/T14852.3的规定,目测检验。7.2尺寸偏差,用卡尺、塞尺、钢卷尺进行检查。7.3玻璃与槽口配合用卡尺进行检查。7.4性能试验应符合表13的规定。6
单位为分贝
Rw≥45
T,≥0.60
抗风压性能
水密性能
气密性能
保温性能
空气声隔声性能
采光性能
启闭力
反复启闭性能
性能试验方法
标准编号
GB/T7106
GB/T 7108
GB/T7107
GB/T 8484
GB/T8485
GB/T11976
GB/T9158—1988中第6.1条
QB/T3892(原GB9304)(适用于推拉窗)QB/T3886(原GB9298)(适用于执手)QB/T3888(原GB9300)(适用于滑撑)7.5窗物理、机械性能试验顺序应符合下列规定:物理性能宜按气密、水密、抗风压性能的顺序试验。a)
b)机械性能应按启闭力、反复启闭的顺序试验。8检验规则
产品检验分出厂检验和型式检验。产品经检验合格后应有合格证。合格证应符合GB/T14436的规定。8.1出厂检验
a)检验项目
产品检验项目应符合表14的规定。b)组批规则与抽样方案
从每项工程中的不同品种、规格分别随机抽取5%且不得少于三模。c)判定规则与复检规则
产品检验不符合本标准要求时,应重新加倍抽取进行检验。产品仍不符合要求时,则判为不合格产品。8.2型式检验
a)检验项目
产品检验项目应符合表14的规定,表14
出厂检验与型式检验项目
项目名称
抗风压性能
水密性能
气密性能
保温性能
空气声隔声性能
采光性能
启闭力
出厂检验
GB/T 8479—2003
型式检验
GB/T8479—2003
项目名称
反复启闭性能
玻璃与槽口配合
窗框槽口高度偏差
密框槽口宽度偏差
窗框对边尺寸之差
表14(续)
窗框对角线尺寸之差
窗框与扇搭接宽度偏差
同一平面高低之差
装配间隙
隐框窗的装配要求
外观质量
注:△根据用户要求进行测试
有下列情况之一时应进行型式检验:b)
1)产品或老产品转厂生产的试制定型鉴定,出厂检验
正式生产后当结构、材料、工艺有较大改变可能影响产品性能时;2)
正常生产时每两年检测一次;
产品停一年以上再恢复生产时;4)
发生重大质量事故时;
出厂检验结果与上次型式检验有较大差异时;6)
7)国家质量监督机构或合同规定要求进行型式检验时。c)组批规则和抽样方案
从产品的不同品种、相同规格中每两年在出厂检验合格产品中随机抽取三橙。d)判定规则
型式检验
产品检验不符合本标准要求时,应另外加倍复检,当复检仍不合格时则判为不合格产品。9标志、包装、运输、贮存
9.1标志
9.1.1在产品明显部位应标明下列标志:制造厂名与商标,
b)产品名称、型号和标志;
产品应贴有标牌,标牌应符合GB/T13306的规定;c
制作日期或编号。
包装箱的箱面标志应符合GB/T6388的规定。9.1.3包装箱上应有明显的“怕湿”“小心轻放”“向上”字样和标志,其图形应符合GB191的规定。9.2包装
9.2.1产品应用无腐蚀作用的材料包装。2包装箱应有足够的强度,确保运输中不受损坏。9. 2. 2
包装箱内的各类部件,避免发生相互碰撞、审动。9. 2. 3
9.2.4产品装箱后,箱内应有装箱单和产品检验合格证。8
9.3运输
在运输过程中避免包装箱发生相互碰撞9.3.2
搬运过程中应轻拿轻放,严禁摔、扔、碰击。运输工具应有防雨措施,并保持清洁无污染。9.4购存
GB/T 8479—-2003
9.4.1产品应放置通风、干燥的地方。严禁与酸、碱、盐类物质接触并防止雨水侵入。产品严禁与地面直接接触,底部垫高大于100mm。9.4.2
产品放置应用垫块垫平,立放角度不小于70°。GB/T 8479—2003
A.1金属材料及表面处理
附录A
(资料性附录)
常用材料标准
3冷轧钢板和钢带的尺寸、外型、重量及允许偏差GB/T 708--1988
GB/T 2518—1988
GB/T 3280—1992
GB/T 3880--1997
GB/T 4239—1991
连续热镀锌薄钢板和钢带
不锈钢冷轧钢板
铝及铝合金轧制板材
不锈钢和耐热钢冷轧钢带
铝合金建筑型材第1部分基材
GB/T5237.1--2000
GB/T5237.2-—2000
GB/T 5237.3-2000
GB/T5237.4—2000
GB/T 5237.5—2000
GB/T 9799--1997
GB/T 8013—1987
铝合金建筑型材
铝合金建筑型材
铝合金建筑型材
第2部分
第3部分
第4部分
阳极氧化、着色型材
电泳涂漆型材
粉末喷涂型材
氟碳漆喷涂型材
铝合金建筑型材
第5部分
金属覆盖层钢铁件上的锌电镀层铝及铝合金阳极氧化阳极氧化膜的总规范GB/T 13821--1992
GB/T 15114--1994
A.2玻璃
GB 9962-1999
锌合金压铸件
铝合金压铸件
夹层玻璃
GB/T9963—1998钢化玻璃
GB 17841--1999
幕墙用钢化玻璃与半钢化玻璃
GB 11614—1999
浮法玻璃
GB/T 11944--2002
中空玻璃
8热反射玻璃
JC 693—1998
JC433--1991夹丝玻璃
JC/T 511-1993
压花玻璃
GB/T 18701—2002
着色玻璃
A.3窗纱
QB/T3882--1999(原GB8379—1987)窗纱型式尺寸QB/T3883--1999(原GB8380—1987)窗纱技术条件A.4密封材料
GB/T5574—-1994工业用橡胶板
GB/T16589—1996硫化橡胶分类橡胶材料HG/T3100一1997橡胶密封垫密封玻璃窗和镶板的预成型实心硫化橡胶材料规范GB/T 12002—1989
9塑料门窗用密封条
JC/T635-1996建筑门窗密封毛条技术条件10
GB16776---1997建筑用硅酮结构密封胶硅酮建筑密封膏
GB/T14683—1993
5五金件
QB/T3886—1999(GB9298—1988)QB/T 3887—1999(GB 9299—1988)QB/T3888—1999(GB9300—1988)QB/T 3889—1999(GB 9301—1988)QB/T 3890-1999(GB 9302--1988)QB/T3892—1999(GB9304—1988)平开铝合金窗执手
铝合金窗撑档
铝合金窗不锈钢滑撑
铝合金门窗拉手
铝合金窗锁
推拉铝合金门窗用滑轮
GB/T8479-2003
小提示:此标准内容仅展示完整标准里的部分截取内容,若需要完整标准请到上方自行免费下载完整标准文档。
标准图片预览:





- 其它标准
- 热门标准
- 国家标准(GB)
- GB/T2828.1-2012 计数抽样检验程序 第1部分:按接收质量限(AQL)检索的逐批检验抽样计划
- GB50367-2013 混凝土结构加固设计规范
- GB/T18204.4-2000 公共场所毛巾、床上卧具微生物检验方法细菌总数测定
- GB/T3836.1-2021 爆炸性环境 第1部分:设备 通用要求
- GB5009.225-2023 食品安全国家标准 酒和食用酒精中乙醇浓度的测定
- GB/T11379-2008 金属覆盖层 工程用铬电镀层
- GB/T23892.3-2009 滑动轴承 稳态条件下流体动压可倾瓦块止推轴承 第3部分:可倾瓦块止推轴承计算的许用值
- GB/T18380.33-2022 电缆和光缆在火焰条件下的燃烧试验 第33部分:垂直安装的成束电线电缆火焰垂直蔓延试验 A类
- GB/T9145-2003 普通螺纹 中等精度、优选系列的极限尺寸
- GB/T9239-1988 刚性转子平衡品质 许用不平衡的确定
- GB/T15917.3-1995 金属镝及氧化镝化学分析方法 对氯苯基荧光酮--溴化十六烷基三甲基胺分光光度法测定钽量
- GB/T11839-1989 二氧化铀芯块中硼的测定 姜黄素萃取光度法
- GB/T6122.1-2002 圆角铣刀 第1部分:型式和尺寸
- GB/T7433-1987 对称电缆载波通信系统抗无线电广播和通信干扰的指标
- GB/T12053-1989 光学识别用字母数字字符集 第一部分:OCR-A字符集印刷图象的形状和尺寸
- 行业新闻
请牢记:“bzxz.net”即是“标准下载”四个汉字汉语拼音首字母与国际顶级域名“.net”的组合。 ©2025 标准下载网 www.bzxz.net 本站邮件:bzxznet@163.com
网站备案号:湘ICP备2025141790号-2
网站备案号:湘ICP备2025141790号-2