- 您的位置:
 - 标准下载网 >>
 - 标准分类 >>
 - 国家标准(GB) >>
 - GB/T 8262-1987 圆头椭圆颈螺栓
 
标准号:
GB/T 8262-1987
标准名称:
圆头椭圆颈螺栓
标准类别:
国家标准(GB)
英文名称:
Round head oval neck bolts标准状态:
已作废- 
          	
发布日期:
1987-10-01 - 
		 
实施日期:
1988-05-01 - 
          	
作废日期:
2005-10-14 出版语种:
简体中文下载格式:
.rar.pdf下载大小:
60.32 KB
点击下载
标准简介:
										 标准下载解压密码:www.bzxz.net
					 					 
						 
	        
	      本标准适用于卡箍式柔性管接头连接用的圆头椭圆颈螺栓。 GB/T 8262-1987 圆头椭圆颈螺栓 GB/T8262-1987
部分标准内容:
					
					中华人民共和国国家标准
圆头椭圆颈螺栓
Bolts,round head with ovel neck本标准适用于卡龙式柔性管接义连接用的圆头摘圆颈螺栓。1结构和尺寸
结构和尺寸应符合下图和表1.表2的规定。AA
中华人民共和国煤炭工业部1987-09-01批准UDC 621. 882. 6
:621. 643. 4
GB8262
1988-05-01实施
基本尺寸
极限遍差
基本尺寸
极限偏差
基本尺寸
极限偏差
基本尺寸
极限偏差
基本尺寸bZxz.net
锻限偏差
基本尺寸
极限偏差
GB826287
2技术要求
极限偏差
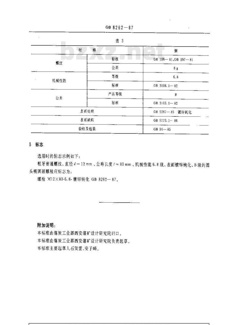
螺栓技术要求应符合表3规定。
GB 8262--87
3标志
机械性能
表而处理
表面缺陷
验收及包装
选用时的标志示例如下;
GB826287
产品等级
GB196—81,GB197—81
GB 3098. 1— 82
GB 3103. 1— 82
GB5267—85镀锌化
GB 5779. 1-- 86
GB90—85
粗牙普通螺纹、直径=12mm、公称长度=80mm、机械性能6.8级、表面镀锌钝化、B级的圆头椭圆颈螺栓应标志为:
螺栓M12×80-6.8-镀锌钝化GB8262—87附加说明:
本标准由煤炭工业部西安煤矿设计研究院归口:本标准由煤炭工业部西安煤矿设计研究院负责起草,本标准主要起草人石笑萱、安子畴。
小提示:此标准内容仅展示完整标准里的部分截取内容,若需要完整标准请到上方自行免费下载完整标准文档。
	 
	        
	      圆头椭圆颈螺栓
Bolts,round head with ovel neck本标准适用于卡龙式柔性管接义连接用的圆头摘圆颈螺栓。1结构和尺寸
结构和尺寸应符合下图和表1.表2的规定。AA
中华人民共和国煤炭工业部1987-09-01批准UDC 621. 882. 6
:621. 643. 4
GB8262
1988-05-01实施
基本尺寸
极限遍差
基本尺寸
极限偏差
基本尺寸
极限偏差
基本尺寸
极限偏差
基本尺寸bZxz.net
锻限偏差
基本尺寸
极限偏差
GB826287
2技术要求
极限偏差
螺栓技术要求应符合表3规定。
GB 8262--87
3标志
机械性能
表而处理
表面缺陷
验收及包装
选用时的标志示例如下;
GB826287
产品等级
GB196—81,GB197—81
GB 3098. 1— 82
GB 3103. 1— 82
GB5267—85镀锌化
GB 5779. 1-- 86
GB90—85
粗牙普通螺纹、直径=12mm、公称长度=80mm、机械性能6.8级、表面镀锌钝化、B级的圆头椭圆颈螺栓应标志为:
螺栓M12×80-6.8-镀锌钝化GB8262—87附加说明:
本标准由煤炭工业部西安煤矿设计研究院归口:本标准由煤炭工业部西安煤矿设计研究院负责起草,本标准主要起草人石笑萱、安子畴。
小提示:此标准内容仅展示完整标准里的部分截取内容,若需要完整标准请到上方自行免费下载完整标准文档。
标准图片预览:




- 其它标准
 
- 热门标准
 - 国家标准(GB)
 
- GB/T21666-2008 尿吸收辅助器具 评价的一般指南
 - GB/T38684-2020 金属材料 薄板和薄带 双轴应力-应变曲线胀形试验 光学测量方法
 - GB5585.3-1985 电工用铜、铝及其合金母线 第3部分:铝母线
 - GB/T19561-2004 寒地节能日光温室建造规程
 - GB/T7574-1987 信息处理交换用磁带标号和文卷结构
 - GB/T24715-2009 氧源转换器
 - GB/Z21193.2-2008 矿物燃烧蒸汽发电站 第2部分:汽包水位控制
 - GB/T18442.6-2011 固定式真空绝热深冷压力容器 第6部分:安全防护
 - GB∕T33370-2016 铜及铜合金软化温度的测定方法
 - GB/Z18039.7-2011 电磁兼容 环境公用供电系统中的电压暂降、短时中断及其测量统计结果
 - GB/T283-2007 滚动轴承圆柱滚子轴承外形尺寸
 - GB/T12500-1990 信息处理系统 开放系统互连 面向连接的运输协议规范
 - GB/T21242-2019 烟花爆竹 禁限用物质定性检测方法
 - GB/T39088-2020 船舶和海上技术 声响接收系统
 - GB/T19673.2-2013 滚动轴承 套筒型直线球轴承附件第2部分:5系列外形尺寸和公差
 
- 行业新闻
 
请牢记:“bzxz.net”即是“标准下载”四个汉字汉语拼音首字母与国际顶级域名“.net”的组合。 ©2025 标准下载网 www.bzxz.net 本站邮件:bzxznet@163.com
网站备案号:湘ICP备2025141790号-2
网站备案号:湘ICP备2025141790号-2