- 您的位置:
- 标准下载网 >>
- 标准分类 >>
- 国家标准(GB) >>
- GB/T 3758-2008 卡套式管接头用锥密封焊接接管
标准号:
GB/T 3758-2008
标准名称:
卡套式管接头用锥密封焊接接管
标准类别:
国家标准(GB)
标准状态:
现行-
发布日期:
2008-05-07 -
实施日期:
2008-11-01 出版语种:
简体中文下载格式:
.rar.pdf下载大小:
421.27 KB
替代情况:
替代GB/T 3758.1-1983 GB/T 3758.2-1983采标情况:
参照ISO 8434-1-2007
点击下载
标准简介:
标准下载解压密码:www.bzxz.net
本标准是卡套式管接头系列标准之一。本标准自实施之日起代替GB/T3758.1—1983和GB/T3758.2—1983。本标准规定了卡套式管接头用锥密封焊接接管的尺寸、标记及技术要求。本标准适用于管子外径为6mm~42mm,最大工作压力10MPa~63MPa的液压流体传动和一般用途的管路系统。本标准是对GB/T3758.1—1983《卡套式锥螺纹对接直角管接头》和GB/T3758.2—1983《卡套式锥螺纹对接直角接头体》的修订。主要修订内容如下:———将两个标准的内容进行了整合修订,取消了原标准规定的型式与尺寸,规定了卡套式管接头用锥密封焊接接管的型式与尺寸;———修改了中文和英文名称。 GB/T 3758-2008 卡套式管接头用锥密封焊接接管 GB/T3758-2008
部分标准内容:
ICS21.060.60
中华人民共和国国家标准
GB/T3758—2008
代替 CB/T 3758.1—1983,GB/T 3758.2—1983卡套式管接头用锥密封焊接接管24°cone connectors-Weld-on nipple2008-05-07发布
2008-11-01实施
本标准是卡套式管接头系列标准之前言
GB/T 3758--2008
本标准中管接头结构型式和尺寸与IS08434-1:2007《用于流体传动和一般用途的金属管接头第1部分:24°压缩式替接头》(英文版)的相关部分基本一致。本标准是对GB/T3758.1—1983&卡套式锥螺纹对接直角管接头》和GB/T3758.2—1983卡套式锥螺纹对接直角接头体》的修订。主要修订内容如下:-将两个标准的内容进行了整合修订,取消了原标准规定的型式与尺寸,规定了卡套式管接头用锥密封焊接接管的型式与尺寸;修改了中文和英文名称。
本标准使用GB/T3758一2008的标准编号,意在体现卡套式管接头标准的系列性,但本标准的接管型式与原标准的接头型式并不互换。本标推自实施之日起代替GB/T3758.1-—1983和[GB/T3758.2—1983。本标准由中国机械工业联合会提出。本标准由全国管路附件标准化技术委员会归口。本标推负责起草单位:中机生产力促进中心。本标准参加起草单位:海盐管件制造有限公司、伊顿(宁波)流体连接件有限公司、嘉兴迈总待管件制造有限公司、建湖县特佳液压管件有限公司、浙江华夏阀门有限公司,游盐高博管件有限公司,海盐县海管管件制造有限公司、焦作市路遗液压附件有限公司本标雄主要起草人:李荣、耿志学、徐长祥、周舜华、陶明、左学俊、阮浩丰、周剑飞、王利民、鸿峰。
本标推所代替标准的历次版木发布情况为:-GB/T3758.1—1933;
—GB/T 3758.2--1983。
1范围
卡套式管接头用锥密封焊接接管本标准规定了卡套式管接头用锥密封焊接接管的尺寸、标记及技术要求。GB/T3758—2008
本标准适用于管子外径为6mm~42mm,大工作压力10MPa~63MPa的液压流体传动和--般用途的管路系统。
2规范性引用文件
下列文件中的条款道过本标准的引用而成为本标准的条款。凡是注日期的引用文件,其随后所有的修改单(不包括勘误的内容)或修订版均不适用于本标准,然面,鼓励根据本标推达成协议的各方研究是否可使用这些文件的最新版本,凡是不注H期的引用文件,其最新版本适用于本标推。GB/T3764—2008卡套
GB/T37652008卡套式管接头技术件3尺寸
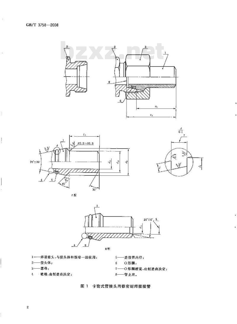
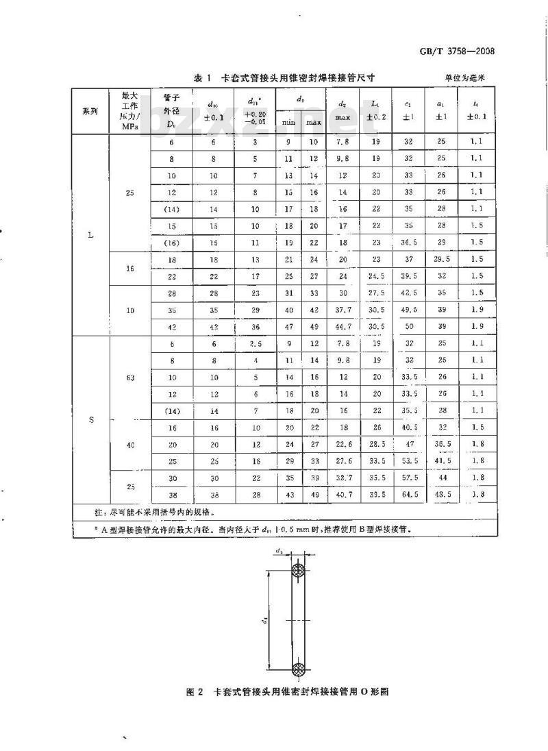
卡套式管接头用锥密封焊接接管的尺寸应符合图 1和表1的规定。Q形圈尺寸应符合图 2和表 2的规定。
4标记
4.1标记方法
卡套式管接头用锥密封焊接接管的标记应符合GB/T37G5的规定。4.2标记示例
接头系列为L,与外径为10mm的管子配套使用,表面氧化处理的钢制卡套式管接头用锥密封焊接接管标记为:
接管GB/T3758L10·O
5技术要求
技术要求按GB/T3765的规定。
GB/T 3758—2008
1…焊接锥义,与接头体和竭母一越使用;2
一接头体;
端母:
·链端,由制造商决定;
连接管内径;
形圈:
O形图梧宽,由制造商决定;
管止肩
图1卡套式管接头用锥密封焊接接管系列
表1卡套式管接头用锥密封焊接接管尺寸dio
注:尽可能不采用括号内的规格。d
GB/T3758—2008
单位为亮米
A 型焊接接脊允许的最大内径。当内径人于 d, I0. 5 mm 时,推荐使用 B型焊接接管,t
图2卡套式管接头用锥密封焊接接管用0形圈32
GB/T3758--2008
管子外径bZxz.net
表 2 0形圈尺寸
±0, 18
±0,22
±0, 18
单位为落米
±0, 09
±:0, 08
±0, 09
注1:优先选用本标难规○形断尺寸,以保证满足本标难的性能要求。在满是保证密封能要求情说下,也可使用其他尺寸规格的0形圈,
往2:尽可能不采用括号内的规格。版权专有但权必究
书号:1550661-32306
GB/T 3758-2008
定价:
小提示:此标准内容仅展示完整标准里的部分截取内容,若需要完整标准请到上方自行免费下载完整标准文档。
中华人民共和国国家标准
GB/T3758—2008
代替 CB/T 3758.1—1983,GB/T 3758.2—1983卡套式管接头用锥密封焊接接管24°cone connectors-Weld-on nipple2008-05-07发布
2008-11-01实施
本标准是卡套式管接头系列标准之前言
GB/T 3758--2008
本标准中管接头结构型式和尺寸与IS08434-1:2007《用于流体传动和一般用途的金属管接头第1部分:24°压缩式替接头》(英文版)的相关部分基本一致。本标准是对GB/T3758.1—1983&卡套式锥螺纹对接直角管接头》和GB/T3758.2—1983卡套式锥螺纹对接直角接头体》的修订。主要修订内容如下:-将两个标准的内容进行了整合修订,取消了原标准规定的型式与尺寸,规定了卡套式管接头用锥密封焊接接管的型式与尺寸;修改了中文和英文名称。
本标准使用GB/T3758一2008的标准编号,意在体现卡套式管接头标准的系列性,但本标准的接管型式与原标准的接头型式并不互换。本标推自实施之日起代替GB/T3758.1-—1983和[GB/T3758.2—1983。本标准由中国机械工业联合会提出。本标准由全国管路附件标准化技术委员会归口。本标推负责起草单位:中机生产力促进中心。本标准参加起草单位:海盐管件制造有限公司、伊顿(宁波)流体连接件有限公司、嘉兴迈总待管件制造有限公司、建湖县特佳液压管件有限公司、浙江华夏阀门有限公司,游盐高博管件有限公司,海盐县海管管件制造有限公司、焦作市路遗液压附件有限公司本标雄主要起草人:李荣、耿志学、徐长祥、周舜华、陶明、左学俊、阮浩丰、周剑飞、王利民、鸿峰。
本标推所代替标准的历次版木发布情况为:-GB/T3758.1—1933;
—GB/T 3758.2--1983。
1范围
卡套式管接头用锥密封焊接接管本标准规定了卡套式管接头用锥密封焊接接管的尺寸、标记及技术要求。GB/T3758—2008
本标准适用于管子外径为6mm~42mm,大工作压力10MPa~63MPa的液压流体传动和--般用途的管路系统。
2规范性引用文件
下列文件中的条款道过本标准的引用而成为本标准的条款。凡是注日期的引用文件,其随后所有的修改单(不包括勘误的内容)或修订版均不适用于本标准,然面,鼓励根据本标推达成协议的各方研究是否可使用这些文件的最新版本,凡是不注H期的引用文件,其最新版本适用于本标推。GB/T3764—2008卡套
GB/T37652008卡套式管接头技术件3尺寸
卡套式管接头用锥密封焊接接管的尺寸应符合图 1和表1的规定。Q形圈尺寸应符合图 2和表 2的规定。
4标记
4.1标记方法
卡套式管接头用锥密封焊接接管的标记应符合GB/T37G5的规定。4.2标记示例
接头系列为L,与外径为10mm的管子配套使用,表面氧化处理的钢制卡套式管接头用锥密封焊接接管标记为:
接管GB/T3758L10·O
5技术要求
技术要求按GB/T3765的规定。
GB/T 3758—2008
1…焊接锥义,与接头体和竭母一越使用;2
一接头体;
端母:
·链端,由制造商决定;
连接管内径;
形圈:
O形图梧宽,由制造商决定;
管止肩
图1卡套式管接头用锥密封焊接接管系列
表1卡套式管接头用锥密封焊接接管尺寸dio
注:尽可能不采用括号内的规格。d
GB/T3758—2008
单位为亮米
A 型焊接接脊允许的最大内径。当内径人于 d, I0. 5 mm 时,推荐使用 B型焊接接管,t
图2卡套式管接头用锥密封焊接接管用0形圈32
GB/T3758--2008
管子外径bZxz.net
表 2 0形圈尺寸
±0, 18
±0,22
±0, 18
单位为落米
±0, 09
±:0, 08
±0, 09
注1:优先选用本标难规○形断尺寸,以保证满足本标难的性能要求。在满是保证密封能要求情说下,也可使用其他尺寸规格的0形圈,
往2:尽可能不采用括号内的规格。版权专有但权必究
书号:1550661-32306
GB/T 3758-2008
定价:
小提示:此标准内容仅展示完整标准里的部分截取内容,若需要完整标准请到上方自行免费下载完整标准文档。
标准图片预览:





- 热门标准
- 国家标准(GB)
- GB/T2828.1-2012 计数抽样检验程序 第1部分:按接收质量限(AQL)检索的逐批检验抽样计划
- GB50367-2013 混凝土结构加固设计规范
- GB/T18204.4-2000 公共场所毛巾、床上卧具微生物检验方法细菌总数测定
- GB/T3836.1-2021 爆炸性环境 第1部分:设备 通用要求
- GB5009.225-2023 食品安全国家标准 酒和食用酒精中乙醇浓度的测定
- GB/T11379-2008 金属覆盖层 工程用铬电镀层
- GB/T23892.3-2009 滑动轴承 稳态条件下流体动压可倾瓦块止推轴承 第3部分:可倾瓦块止推轴承计算的许用值
- GB/T18380.33-2022 电缆和光缆在火焰条件下的燃烧试验 第33部分:垂直安装的成束电线电缆火焰垂直蔓延试验 A类
- GB/T9145-2003 普通螺纹 中等精度、优选系列的极限尺寸
- GB/T9239-1988 刚性转子平衡品质 许用不平衡的确定
- GB/T15917.3-1995 金属镝及氧化镝化学分析方法 对氯苯基荧光酮--溴化十六烷基三甲基胺分光光度法测定钽量
- GB/T11839-1989 二氧化铀芯块中硼的测定 姜黄素萃取光度法
- GB/T6122.1-2002 圆角铣刀 第1部分:型式和尺寸
- GB/T7433-1987 对称电缆载波通信系统抗无线电广播和通信干扰的指标
- GB/T12053-1989 光学识别用字母数字字符集 第一部分:OCR-A字符集印刷图象的形状和尺寸
- 行业新闻
请牢记:“bzxz.net”即是“标准下载”四个汉字汉语拼音首字母与国际顶级域名“.net”的组合。 ©2025 标准下载网 www.bzxz.net 本站邮件:bzxznet@163.com
网站备案号:湘ICP备2025141790号-2
网站备案号:湘ICP备2025141790号-2