- 您的位置:
- 标准下载网 >>
- 标准分类 >>
- 国家标准(GB) >>
- GB 2449-1992 工业硫磺及其试验方法
标准号:
GB 2449-1992
标准名称:
工业硫磺及其试验方法
标准类别:
国家标准(GB)
英文名称:
Industrial sulphur and its test methods标准状态:
已作废-
发布日期:
1992-07-09 -
实施日期:
1993-06-01 -
作废日期:
2007-02-01 出版语种:
简体中文下载格式:
.rar.pdf下载大小:
811.88 KB
替代情况:
替代GB 2449-2457-1981;GB 7683-7685-1987,被GB/T 2449-2006替代采标情况:
≈ГОСТ 127-76
点击下载
标准简介:
标准下载解压密码:www.bzxz.net
本标准规定了工业硫磺的技术要求、试验方法、检验规则以及对标志、包装、运输、贮存和安全的要求。本标准适用于由硫铁矿制得的和由天然气、油炼厂等回收制得的工业硫磺。 GB 2449-1992 工业硫磺及其试验方法 GB2449-1992
部分标准内容:
中华人民共和国国家标准
工业硫磺及其试验方法
Sulphur for industrial use
and its testing methods
1主题内容与适用范围
GB 2449-92
GB 2449~2458—81
GB 7683~7685-87
本标准规定了工业硫磺的技术要求、试验方法、检验规则以及对标志、包装、运输、贮存和安全的要求。
本标准适用于由硫铁矿制得的和由天然气、油炼厂气等回收制得的工业硫磺。工业硫磺用于制造硫酸、染料和橡胶制品,也用于医药、农药等工业部门。化学符号:S
相对原子质量:32.066(按1987年国际相对原子质量)引用标准
GB 190
GB 601
危险货物包装标志
化学试剂滴定分析(容量分析)用标准溶液的制备杂质测定用标准溶液的制备
化学试剂
GB 603
化学试剂
试验方法中所用的制剂及制品的制备GB6682实验室用水规格
技术要求
工业硫磺有块状、粉状、粒状和片状等,其优等品、一等品应呈黄色或谈黄色。3.1
工业硫磺中应不含任何机械杂质。3.3工业硫磺应符合表1的要求:表1
指标名称
硫(S)
酸度(以H,SO 计)
有机物
砷(As)
铁(Fe)
优等品
国家技术监督局1992-07-09批准等品
%(m/m)
合格品
1993-06-01实施
指标名称
筛余物:
孔径150μm
孔径75μm
优等品
注:表 1 中的筛余物指标仅用于粉状硫磺。4试验方法
GB2449—92
续表1
一等品
%(m/m)
合格品
本标准中所用的试剂和水,除特殊规定外,均为分析纯试剂和符合GB6682规定的三级水。4.1硫含量的测定
4.1.1方法提要
本标准用扣除杂质(灰分、酸度、有机物及砷)含量总和的方法,以算得工业硫磺中的硫含量。4.1.2分析结果的表述
硫含量(w)以质量百分数表示,按式(1)计算:w 100 --- (w +w + ws +ws)
式中:wW3按4.3测得的灰分,%(m/m),W4
一按4.4测得的酸度,%(m/m);ws ——按 4. 5 测得的有机物含量,%(m/m);w, —按 4. 6 测得的神含量,%( m/m)。所得结果应表示至二位小数。
4.2水分的测定
水分的测定等效采用国际标准ISO3426-1976《工业硫磺一4.2.1方法提要
试样在80℃烘箱中干燥,称量其失去的质量即为水分。4.2.2仪器、设备
普通实验室仪器及
4.2.2.1称量瓶,直径70mm,高35mm。4.2.2.2电烘箱,可控制温度80士2℃。4.2.3分析步骤
-80℃时失重的测定》。免费标准下载网bzxz
(1)
将称量瓶放在温度为80士2℃的烘箱中干燥2h,取出冷却、称量,精确至0.001g。在此称量瓶中称取约25g试样(5.3.4),精确至0.001g。将盛有试样的称量瓶置于温度为80士2℃的电烘箱中,干燥3h。然后,取出称量瓶置于干燥器中,冷却,称量,精确至0.001g。重复以上操作,直至连续两次称量相差不超过0.002g。如果干燥总时间超过16 h仍未恒重,则记录最后一软称量结果。4.2.4分析结果的表述
水分(wz)以质量百分数表示,按式(2)计算:m×100
式中:m。-
干燥前试样质量,g;
m一—干燥后试样失去的质量,区。所得结果应表示至二位小数
4.2.5允许差
GB 2449—92
取二次平行测定的算术平均值作为分析结果,二次平行测定结果的差值不得大于表2的规定。表2
永分,%
>0.10~40.50
4.3灰分的测定
二次平行测定的允许差,%
灰分的测定参照采用国际标准ISO3425-~1975《工业硫磺~—850~900℃时灰分的测定方法》。4.3.1方法提要
在空气中缓慢燃烧试样,然后在温度为800~850℃的高温电炉中灼烧,冷却,称量。4.3.2仪器、设备
普通实验室仪器及
4.3.2.1瓷:50mL。
4.3.2.2电热板。
4.3.2.3高温电炉:可控制温度850土50℃。4.3.3分析步骤
瓷在800~850℃的高温炉中灼烧40min,取出置于干燥器中,冷却至室温,称量,直至连续两次称量之差不大于0.0005g。
在此已恒重的瓷埚中,称取约25g试样(5.3.4),精确至0.05g。在电热板(或煤气灯上的泥三角)上,使硫磺缓慢燃烧。燃烧完毕,移至高温炉内,在800850℃温度下灼烧40min,取出瓷埚,置于干燥器中,冷却至室温后称量,直至连续两次称量之差不大于0.0005g。4.3.4分析结果的表述
灰分(w:)以质量百分数表示,按式(3)计算:W
式中; m。试样质量,gt
灼烧后的灰分质量,8,
A一水分校正值,以
4.3.5允许差
100 wz
?A X 100
计算(饥2为水分的质量百分数)。.(3)
取二次平行测定的算术平均值作为分析结果,二次平行测定结果的差值,不得大于表3的规定。表3
>0. 007~≤0. 03
>0. 03~≤0. 07
>0. 07~≤0. 10
>0. 10~<0. 30
>0.30~≤0. 40
4.4酸度的测定
酸度的测定等效采用国际标准ISO3704—1976《工业硫磺4.4.1方法提要
二次平行测定的允许差
酸度的测定
%(m/m )
滴定法》。
GB 2449--92
用水-异丙醇混合液萃取硫磺中的酸性物质,以酚酞为指示剂,用氢氧化钠标准滴定溶液滴定。4.4.2试剂和材料
试验中的用水除应符合GB6682规定要求外,使用前还应煮沸并冷却。4.4.2.1异丙醇(HG1167)。
4.4.2.2氢氧化钠(GB629)标准滴定溶液:c(NaOH)=0.05000mol/L。按GB 601规定配制成0.5000mo1/L的溶液,再稀释10倍得,并按该标准规定的方法进行标定。
4.4.2.3酚酥(GB10729)乙醇溶液:10g/L,按GB603配制。4.4.3仪器、设备
普通实验室仪器及
4.4.3.1试验筛GB6003,R40/3系列4.4.4分析步骤
4.4. 4. 1称取通过250 μm试验筛的试样约 25g,精确至0.1g,置于250 mL具磨口塞的锥形瓶中,加25mL异丙醇(4.4.2.1),盖上瓶塞,使碗磺完全润湿,然后再加50mL水,塞上瓶塞,摇振2min,放置20min,其间不时地摇振,加三滴酚酸指示剂溶液,用氢氧化钠标准滴定溶液(4.4.2.2)滴至粉红色并保持30s不褪。
4.4.4.2空白试验
在测定的同时,按与测定相同的步骤,使用相同数量的试剂做空白试验,以校正测定结果。4.4.5分析结果的表述
酸度(w,以H,SO,计)以质量百分数表示,按式(4)计算:(V - Vo) :c × 0. 049 . A × 100mo
一测定时称取的试样质量,8,
式中: m. -
氢氧化钠标准滴定溶液的实际浓度,mol/L,V——测定时耗用氢氧化钠标准滴定溶液的体积,mL;V。
空白试验时耗用氢氧化钠标准滴定溶液的体积,mL,(4)
与1.00mL氢氧化钠标滴定溶液【c(NaOH)=1.000mol/L>相当的,以克表示的硫酸质量,g$
-计算(w为水的质量百分数)。A—水分校正值,以
1100-w2
4.4.6允许差
取二次平行测定的算术平均值作为分析结果,二次平行测定结果的差值不得大于表4的规定。表4
≤0.0020
>0. 002 0~≤0. 006 0
>0. 006 0~≤0. 020
4.5有机物含量的测定
二次平行测定的允许差
有机物含量的测定参照采用国际标准ISO2866—74《工业硫磺—4.5.1方法提要
总碳含量的测定
试样在氧气流中燃烧,生成二氧化硫、三氧化硫,在铬酸和硫酸溶液中氧化并被吸收。78
%(m/m)
滴定法》。
GB2449-92
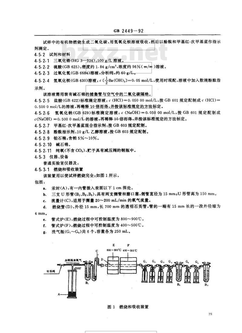
试样中的有机物燃烧生成二氧化碳,用氢氧化钡溶液吸收,然后以酚酸和甲基红-次甲基蓝作指示剂滴定。
4.5.2试剂和材料
4.5.2.1三氧化铬(HG 3—934)500 g/L浴液。4.5.2.2 硫酸(GB 625);密度约 1.84 g/cm2,浓度约 96%(m/m)溶液。4. 5. 2.3 过氧化氢(GB 6684)溶液,分析纯,约 60 g/L。一Ba(OH),)0.05mol/L,使用时现配,溶液中加入数滴酚指4.5.2.4氢氧化钡(GB630)溶液:c[示剂。
该溶液需用装有碱石棉的捕集管与空气中的二氧化碳隔绝。4.5.2.5盐酸(GB622)标准滴定溶液:C(HCI)=0.05000mol/L,按GB601规定配制成c(HCI)=0.500 0 mol/L的溶液,再稀释10借面得,并按该标准规定的方法标定。4.5.2.6氢氧化钠(GB629)标准滴定溶液:c(NaOH)=0.05000mol/L,按GB601规定配制成c(NaOH)0.500 0 mol/L 的溶液,再稀释 10 倍而得,并按该标准规定的方法标定。4.5.2.7甲基红-次甲基蓝混合指示剂:按GB603规定配制。4.5.2.8酚酸指承剂:10g/L乙醇溶液,按GB603规定配制。4.5.2.9铂石棉:含铂5%~10%。
4.5.2.10碱石棉。
4.5.2.11纯氧(不含CO2),贮于具有减压阀的钢瓶中。4.5.3仪器、设备
普通实验室仪器及:
4.5.3.1燃烧和吸收装蟹
该装置用以使试样燃烧完全,如图1所示。包括:
汞封(A),有一内管插入汞面以下1 cm深处。三支 U形管(Br、Bz、Bs),具有两支侧管和磨口塞,侧管直径为 15 mm;U形管高为 150 mm。流量计(C),适用于测量20~~200 mL/min的氧气流量。燃烧管(D),外径 15 mm,长 700 mm的透明石英管,管的一有 15 mm长的一段外径缩为管式炉(E),燃烧过程中可控制温度为800~~900℃。管式炉(F),燃烧过程中可控制温度为400~500℃。洗气瓶(G~G。)共6个,容量各为250mL。E
800~900°C400~5000
电钢瓶来
封形阀
图1燃烧和吸收装置
4.5.3.2瓷舟:88mm×12mm。
GB2449—92
4.5.3.3滴定管:10mL,分度值为0.05mL4.5.4分析步骤
4.5.4.1燃烧装置的准备
在干燥的U形管B,、B:(4.5.3.1b)中,装入碱石棉(4.5.2.10),在碱石棉上面垫一层玻璃棉。U形管B2(4.5.3.1b)中疏松地填入玻璃棉,用以捕集测定时产生的酸蒸汽。如酸蒸汽过多,致使氢氧化钡完全被中和,则用孔径为15~40um的烧结玻璃过滤器,替换U形管Bz,重新测定。除非需要开启,U形管B,、Bz和B:的气孔均应关闭。洗气瓶Gz中装入至少50mL三氧化铬溶液(4.5.2.1),洗气瓶G:和G,中各装入至少50mL硫酸溶液(4.5.2.2)。
燃烧管D中装入铂石棉(4.5.2.9),其长度略小于管式炉F加热段的长度。按图1所示,用橡皮短管连接整个装置。4.5.4.2空白试验
使管式炉F升温,同时以约100mL/min的流速使氧气通过装置。当管式炉F温度达到400~450℃后约30min,取下洗气瓶Gs、G,各加入20mL氢氧化钡溶液、40mL水和5mL过氧化氢溶液,再接回装置中。应尽快地进行这些操作,以避免吸收空气中的二氧化碳。
在继续以约100mL/min的流速使氧气通过装置的情况下,使管式炉E通电,升温至400~~450℃,并维持此温度约10min,再继续升温至800~~900℃,并维持此温度约30min。切断管式炉E电源,继续通氧气约30min,再切断管式炉F的电源。拆下洗气瓶G和G,打开瓶盖,用少量水冲洗,洗液并入吸收液中,然后按下述步骤分别做空白滴定。
以酚酥溶液(4.5.2.8)为指示剂,用盐酸标准滴定溶液(4.5.2.5)滴定吸收溶液,剧烈地搅拌,切勿滴过终点。
然后往每个洗气瓶中加二、三滴甲基红-次甲基蓝混合指示剂,准确加入一定体积(一般为10.0mL)过量的盐酸标准滴定溶液(4.5.2.5),播匀,用氢氧化钠标准滴定溶液(4.5.2.6)反滴定。空白试验所耗用的盐酸标准滴定溶液,一般应少于 0. 2 mL。积:
按式(5)分别计算对G5、G。两洗气瓶内的吸收溶液、做空白试验所耗用的盐酸标准滴定溶液的体V。 Vi- V2
式中:V。—空白试验耗用的盐酸标准滴定溶液的体积,mL;V,一准确加入的盐酸标准滴定溶液的体积,mL;V2—一反滴定耗用的氢氧化钠标准滴定溶液的体积,mL。(5)
注:如所用盐酸和氢氧化钠标准滴定溶液的实际浓度与 4. 5. 2 中所规定的浓度,不恰好相同,计算时应进行校正。4.5.4.3称样及燃烧
在瓷舟中称取未经干燥、全部通过250μm试验筛的试样1~1.5:g精确至0.01.g。使管式炉F升温,并以约100mL/min的流速使氧气通过装置。当管式炉F温度达到400-450℃后约30min,取下洗气瓶Gs、G,各加入20mL氢氧化钡溶液、40mL水以及5mL过氧化氢溶液,用以氧化可能生成的任何亚硫酸盐。然后将洗气瓶Gs、G。接回装置中。应尽快地进行这些操作,以避免吸收空气中的二氧化碳。将盛有试样的瓷舟,送至燃烧管D中位于进管式炉E前不加温的部位。立即以100mL/min的流速通入氧气,并使管式炉E升温。当管式炉E温度达到450℃时,维持此温度不再上升。向瓷舟方向缓慢移动管式炉E,使硫磺燃烧,80
GB 2449--92
而微量的含碳物留在瓷舟和燃烧管D内。如果燃烧过于激烈,吸收瓶G,中的三氧化铬溶液可能回抽,应增大氧气流速予以防止。如果硫磺升华到瓷舟外并冷凝在瓷舟和铂石棉之间,应移动管式炉E使硫磺燃烧完全。
硫磺缓慢燃烧完毕后,将管式炉E移至加热瓷舟的位置,升温至800~900℃,加热燃烧管D和瓷舟约30min,使残留的碳燃烧和碳酸盐分解。切断管式炉E的电源,继续通氧气约30min,吹净装置,再切断管式炉F的电源。
4.5.4.4测定释出的二氧化碳
当二氧化碳全部被吸收藉观察洗气瓶Gs.G:中的沉淀是否完全)后,拆下洗气瓶G,和G。打开瓶盖,用少量水冲洗,洗液并入吸收液中。然后按下述步骤分别测定两个洗气瓶中所吸收的二氧化碳。以酚酸溶液(4.5.2.8)为指示剂,用盐酸标准滴定溶液(4.5.2.5)滴定吸收溶液,剧烈地搅拌,切勿滴过终点。
然后往每个洗气瓶中加二、三滴甲基红-次甲基蓝混合指示剂,准确加入一定体积(一般为10.0mL)过量的盐酸标准滴定溶液(4.5.2.5),摇匀,用氢氧化钠标准滴定溶液(4.5.2.6)反滴定中和 Gs,G。两洗气瓶中 CO~所耗用的盐酸标准滴定溶液(4 5. 2.5)的体积,按式(6)计算:V3 V- Vs - V。
式中:V,~中和CO-所耗用的益酸标准滴定溶液的体积,mL,V,一准确加入的益酸标准摘定溶液的体积,mLV反滴定耗用的氢氧化钠标准滴定溶液的体积,mLV。—由式(5)得到的空白试验耗用的盐酸标准滴定溶液体积,mL。+*.( 6 )
注;如所用盐酸和氢氧化钠标准滴定溶液的实际浓度与 4.5.2中所规定的浓度,不恰好相同,计算时应进行校正。4.5.5分析结果的表述
有机物含量(ws)以质量百分数表示,按式(7)计算:0. 000 3 · V
*A X.1. 25 × 100.
式中:0.0003—与1.00mL盐酸标准滴定溶液【c(HC1)0.05000mol/L]相当的,以克表示的碳的质量,g1
V试样所耗用的盐酸标准滴定溶液的总体积[即式(6)中V;的和],mL;-称取的试样量,g;
A—水分校正值,以 100 wz
计算(为水的质量百分数);
1.25一一由碳换算成有机物的系数。4.5.6允许差
取二次平行测定的算术平均值作为分析结果,二次平行测定结果的差值不得大于表5的规定。表5
有机物含量
>0. 005 ~≤0. 030
>0.030~≤0.060
>0. 06~≤0. 20
0. 20~≤0. 50
4.6砷含量的测定二乙基二硫代氟基甲酸银光度法砷含量的测定等效采用国际标准ISO3705—1976《工业硫磺氨基甲酸银光度法》。
二次平行测定的允许整
砷含量的测定
%(m/m)
二之基二硫代
GB 2449—92
本方法为工业硫磺中砷含量测定的仲裁法。4.6.1方法提要
试样溶解于四氯化碳中,用溴和硝酸氧化。在硫酸介质中,用金属锌将砷还原为砷化氢,用二乙基二硫代氨基甲酸银的吡啶溶液吸收砷化氢,生成紫红色胶态银溶液,然后对此溶液做光度测定。反应式如下:
AsH; + 6Ag(DDTC) 6Ag+ 3H(DDTC) +As(DDTC):4.6.2试剂和材料
4.6.2.1无砷金属锌(GB2304):粒径0.5~1mm或5mm。使用前用1+1盐酸处理,然后用蒸馏水洗涤。
4.6.2.2硝酸(GB626):密度为1.40g/cm2。4.6.2.3硫酸(GB625)溶液:1+1溶液。4.6.2.4氢氧化钠(GB629)溶液:50g/L。4.6.2.5碘化钾(GB1272)溶液:150-g/L。4.6.2.6氯化亚锡(GB638)溶液:400g/L。溶解40g二水合氯化亚锡于100mL浓度c(HC1)=9 mol/L的盐酸中。
4.6.2.7乙酸铅(HG3--974)溶液:200g/L。4.6.2.8乙酸铅棉花:用乙酸铅溶液(4.6.2.7)将脱脂棉没透,取出沥干,在室温下干燥,保存在密闭容器内。
4.6.2.9澳-四氟化碳溶液:漠(GB1281)与四氟化碳(GB688)体积比为2:3。4. 6.2. 10二乙基二硫代氨基甲酸银吡啶溶液(简称 AgDDTC 吡啶溶液):5 g/L吡啶溶液。该溶液应保存在密闭棕色玻璃瓶中,有效期为两周。4.6.2.11砷标准溶液:0.100g/1。称取0.1320g于硫酸干燥器中干燥至恒重的三氧化二砷(GB673),精硼至0.0001g。置于100mL烧杯中,用约2mL.氢氧化钠溶液(4.6.2.4)加以溶解。定量地移此溶液于1000mL容量瓶中,用水洗涤烧杯数次,洗涤液并入容量瓶中,用水稀释至刻度,摇匀。1 mL 该标准溶液含砷 100 μg。4.6. 2.12砷标准溶液:2.5 mg/L。吸取25.0mL砷标准溶液(4.6.2.11),置于1000mL容量瓶中,用水稀释至刻度,摇勾。该溶液使用时配制。
1mL该溶液含砷2.5μg。
4.6.3仪器、设备
定砷所用的玻璃仪器都必须用铬酸洗液洗涤,洗涤时注意不要把铬酸洗液溅在眼睛、皮肤和衣服上,然后用水充分洗涤干净,烘平。普通实验室仪器及
4.6.3.1分光光度计。:
4.6.3.2定砷仪,如图2所示,其组成部分有:锥形瓶:容积100mL,用于发生砷化氢,连接管:捕集硫化氢用
15球吸收器:吸收砷化氢用。
4.6.4分析步骤
GB 2449-92
图2定砷仪
A—维形瓶,B--连接导管;C-15连球吸收管基于吡啶的性和难闻的气味,操作时必须小心,并应在良好的通风厨中进行。溶解试样时应戴医用手套。
4.6.4.1试液的制备
称取约5g试样(5.3.4),精确至0.1g,置试样于400mL烧杯中。在良好的通风厨内,向烧杯中加入20mL溴-四氯化碳(4.6.2.9),静置45min,在轻微搅拌下,分三次加入25mL硝酸(4.6.2.2),也可分数次加下,以防止亚硝酸烟的逸出太快。第一次加入约5mL硝酸,盖表面皿,摇匀。细心观紊,待烧杯口稍有棕色烟昏出时,立邸将烧杯置于冰水裕中,不断摇动,直至无明显棕色烟出。然后再次加人硝酸,同样观案和操作,直至完硝酸而烧杯内剩余少量的溴为止。如果硫磺未能完全溶解,应再用数亳升溴-四氯化碳和硝酸溶液,继续溶解。为了除去多余的溴、四氯化碳和硝酸,将烧杯置于沸水浴上加热,至溶液呈无色透明。如果溶液混83
GB 2449—92
浊,则冷却后再加一些硝酸溶液,蒸发至不再有亚硝酸烟逸出,且溶液呈无色透明。再用少量水冲洗烧杯,将烧杯置于沙浴上蒸发至逸出白色硫酸烟雾,冷却。如此重复三次,以除去痕量的亚硝酸化合物。冷却后,用水稀释至约80mL,冷却至室温。当试样中砷含量大于0.001%(m/m)时,将试液定量地移入500mL容量瓶中,用水稀释至刻度,摇勾。准确吸取该液20.0mL,置于定砷用锥形瓶中,加入10mL硫酸溶液(4.6.2.3)和10mL水。当试样中砷含量在 0.00 1%~0.000 1%(m/m)之间时,将试液定量地移入 100mL容量瓶中,用水稀释至刻度,摇匀。准确吸取该液20.0mL,置于定砷用锥形瓶中,加入10mL硫酸溶液(4.6.2.3)和10 mL 水。
当试样中砷含量小于0.0001%(m/m)时,不必稀释,将试液全部移至定砷用锥形瓶中,加热浓缩至体积为40 mL,不再加硫酸溶液。4.6.4.2:空白试验
在测定的同时,按与测定相同的步骤,使用相同数量的全部试剂做空白试验。4.6.4.3工作曲线的绘制
每换一批金属锌或新配一次AgDDTC吡啶溶液,就必须做一次工作曲线。在6个定砷用锥形瓶中,分别加入由表6所示的一定体积的砷标准溶液(4.6.2.12。表6
砷标准溶液体积,mL
注:1)空白溶液。
相应的碑质量,μg
在每-个定砷用锥形瓶中加入10mL硫酸溶液(4.6.2.3),加水至体积约40mL,加2mL碘化钾溶液(4.6.2.5)和2mL氯化亚锡液(4.6.2.6),摇匀,静置15min。在每支连接管中塞入少量乙酸铅棉花,以便吸收与化氢一同逸出的硫化氢。在磨口玻璃接头上涂上薄薄层真空油脂。吸取5.0mLAgDDTC吡啶溶液(4.6.2.10)于15球吸收器中。
静置15min后,借助漏斗往定砷用锥形瓶中加入5g金属锌粒,迅速按图2所示连接仪器,放置45min,使反应完全。
拆开15球吸收器,摇幌此吸收器,以使在较低部位形成的红色沉淀溶解,并使溶液完全混匀。此种有色溶液在暗处可以稳定约2h,因此须在2h内完成测定。在540nm波长处,用1cm吸收池,以空白溶液为参比,将分光光度计的吸光度调整到零后,测出各标准溶液的吸光度。以标准比色溶液中砷的质量(ug)为横坐标,相应的吸光度为纵坐标,绘制工作曲线。
4.6.4.4测定
在按4.6.4.1步骤准备的、盛有40mL溶液的定砷用锥形瓶中,加2mL碘化钾溶液(4.6.2.5)和2mL氯化亚锡(4.6.2.6),播匀,静置15min。然后按4.6.4.3中自“在每连接管中塞入少量乙酸铅棉花”至“将分光光度计的吸光度调整到零后,测出溶液的吸光度”的步骤进行。4.6.5分析结果的表述
根据测得的溶液吸光度,从工作曲线上查出相应的砷质量(μg)。84
GB 2449-92
碑含量(w。)以质量百分数表示,按式(8)计算:W
-称取试样质量+8+
式中:mo
n × 10-
从工作曲线上查得的砷质量,ug-稀释倍数;
一水分校正值,以
4.6.6允许差
?K:A X 100
计算(w为水的质量百分数)。
取二次平行测定的算术平均值作为分析结果,二次平行测定结果的差值不得大于表7的规定。表7
砷含量
>0. 001~≤0. 005
>0. 005~≤0. 010
>0. 01~≤0. 05
4.7碑含量的测定
4.7.1方法提要
古藜法
两次平行测定的允许差
%(m/m )
试样溶解于四氯化碳中,用溴和硝酸氧化。在硫酸介质中,用金属锌将砷还原为砷化氢,砷化氢在溴化汞试纸上形成红棕色碑斑,与标准色阶比较,测定砷含量,4.7.2试剂和材料
4.7.2.1砷标准溶液:1.00mg/L。准确吸取 5.0mL砷标准溶液(4.6.2.11),置于500mL容量瓶中,用水稀释至刻度,摇匀。此溶液使用时配制。
1 mL 该标准溶液含碑 1 μg。
4.7.3仪器、设备
普通实验室仪器及
4.7.3.1定砷器:如图3所示。
4.7.4分析步骤
4.7.4.1试液的制备
GB 2449-92
图3定神器
A—广口瓶;B—胶塞;C玻璃管, D—玻璃管上端管口;E-玻璃相操作步骤均同4.6.4.1条规定:仅将4.6.4.1条中的“置于定碑用锥形瓶中”改为“置于定碑用的广瓶中”。
4.7.4.2标准色阶的制作
分别吸取0、1.0、2.0、4.0.6.0、8.0、10.0mL砷标准溶液(4.7.2.1),置于定砷器的广口瓶中,加入10mL硫酸溶液(4.6.2.3),加水至体积约为40mL,再加入2mL碘化钾溶液(4.6.2.5)和2mL氮化亚锡溶液(4.6.2.6),播匀,静置15min。将漠化汞试纸(4.7.2.2)预先剪成圆形,直径约20mm,置于定砷器的玻璃管上端口D和玻璃帽E之间,且用橡皮圈固定。然后往定砷器广口瓶中,加入5多金属锌,迅速按图3连接好仪器,使反应进行45min。取出溴化汞试纸,注明相应的质量,用熔融石蜡漫透,贮于干燥器中。4.7.4.3测定
在盛有试液的定碑用广口瓶中,加2mL化钾溶液(4.6.2.5)和2mL氯化亚溶液(4.6.2.6),摇匀,静置15min。然后按4.7.4.2中自“将漠化汞试纸(4.7.2.2)预先剪成圆形.·\以下步骤进行。将所得色斑与标准色阶比较,测得砷质量。4.7.5分析结果的表述
砷含量(w,)以质量百分数表示,按式(9)计算:w
称取试样质量,名,
式中;m。—-
-测得试液中的砷含量,μg
m X 10-6
K·AX 100
小提示:此标准内容仅展示完整标准里的部分截取内容,若需要完整标准请到上方自行免费下载完整标准文档。
工业硫磺及其试验方法
Sulphur for industrial use
and its testing methods
1主题内容与适用范围
GB 2449-92
GB 2449~2458—81
GB 7683~7685-87
本标准规定了工业硫磺的技术要求、试验方法、检验规则以及对标志、包装、运输、贮存和安全的要求。
本标准适用于由硫铁矿制得的和由天然气、油炼厂气等回收制得的工业硫磺。工业硫磺用于制造硫酸、染料和橡胶制品,也用于医药、农药等工业部门。化学符号:S
相对原子质量:32.066(按1987年国际相对原子质量)引用标准
GB 190
GB 601
危险货物包装标志
化学试剂滴定分析(容量分析)用标准溶液的制备杂质测定用标准溶液的制备
化学试剂
GB 603
化学试剂
试验方法中所用的制剂及制品的制备GB6682实验室用水规格
技术要求
工业硫磺有块状、粉状、粒状和片状等,其优等品、一等品应呈黄色或谈黄色。3.1
工业硫磺中应不含任何机械杂质。3.3工业硫磺应符合表1的要求:表1
指标名称
硫(S)
酸度(以H,SO 计)
有机物
砷(As)
铁(Fe)
优等品
国家技术监督局1992-07-09批准等品
%(m/m)
合格品
1993-06-01实施
指标名称
筛余物:
孔径150μm
孔径75μm
优等品
注:表 1 中的筛余物指标仅用于粉状硫磺。4试验方法
GB2449—92
续表1
一等品
%(m/m)
合格品
本标准中所用的试剂和水,除特殊规定外,均为分析纯试剂和符合GB6682规定的三级水。4.1硫含量的测定
4.1.1方法提要
本标准用扣除杂质(灰分、酸度、有机物及砷)含量总和的方法,以算得工业硫磺中的硫含量。4.1.2分析结果的表述
硫含量(w)以质量百分数表示,按式(1)计算:w 100 --- (w +w + ws +ws)
式中:wW3按4.3测得的灰分,%(m/m),W4
一按4.4测得的酸度,%(m/m);ws ——按 4. 5 测得的有机物含量,%(m/m);w, —按 4. 6 测得的神含量,%( m/m)。所得结果应表示至二位小数。
4.2水分的测定
水分的测定等效采用国际标准ISO3426-1976《工业硫磺一4.2.1方法提要
试样在80℃烘箱中干燥,称量其失去的质量即为水分。4.2.2仪器、设备
普通实验室仪器及
4.2.2.1称量瓶,直径70mm,高35mm。4.2.2.2电烘箱,可控制温度80士2℃。4.2.3分析步骤
-80℃时失重的测定》。免费标准下载网bzxz
(1)
将称量瓶放在温度为80士2℃的烘箱中干燥2h,取出冷却、称量,精确至0.001g。在此称量瓶中称取约25g试样(5.3.4),精确至0.001g。将盛有试样的称量瓶置于温度为80士2℃的电烘箱中,干燥3h。然后,取出称量瓶置于干燥器中,冷却,称量,精确至0.001g。重复以上操作,直至连续两次称量相差不超过0.002g。如果干燥总时间超过16 h仍未恒重,则记录最后一软称量结果。4.2.4分析结果的表述
水分(wz)以质量百分数表示,按式(2)计算:m×100
式中:m。-
干燥前试样质量,g;
m一—干燥后试样失去的质量,区。所得结果应表示至二位小数
4.2.5允许差
GB 2449—92
取二次平行测定的算术平均值作为分析结果,二次平行测定结果的差值不得大于表2的规定。表2
永分,%
>0.10~40.50
4.3灰分的测定
二次平行测定的允许差,%
灰分的测定参照采用国际标准ISO3425-~1975《工业硫磺~—850~900℃时灰分的测定方法》。4.3.1方法提要
在空气中缓慢燃烧试样,然后在温度为800~850℃的高温电炉中灼烧,冷却,称量。4.3.2仪器、设备
普通实验室仪器及
4.3.2.1瓷:50mL。
4.3.2.2电热板。
4.3.2.3高温电炉:可控制温度850土50℃。4.3.3分析步骤
瓷在800~850℃的高温炉中灼烧40min,取出置于干燥器中,冷却至室温,称量,直至连续两次称量之差不大于0.0005g。
在此已恒重的瓷埚中,称取约25g试样(5.3.4),精确至0.05g。在电热板(或煤气灯上的泥三角)上,使硫磺缓慢燃烧。燃烧完毕,移至高温炉内,在800850℃温度下灼烧40min,取出瓷埚,置于干燥器中,冷却至室温后称量,直至连续两次称量之差不大于0.0005g。4.3.4分析结果的表述
灰分(w:)以质量百分数表示,按式(3)计算:W
式中; m。试样质量,gt
灼烧后的灰分质量,8,
A一水分校正值,以
4.3.5允许差
100 wz
?A X 100
计算(饥2为水分的质量百分数)。.(3)
取二次平行测定的算术平均值作为分析结果,二次平行测定结果的差值,不得大于表3的规定。表3
>0. 007~≤0. 03
>0. 03~≤0. 07
>0. 07~≤0. 10
>0. 10~<0. 30
>0.30~≤0. 40
4.4酸度的测定
酸度的测定等效采用国际标准ISO3704—1976《工业硫磺4.4.1方法提要
二次平行测定的允许差
酸度的测定
%(m/m )
滴定法》。
GB 2449--92
用水-异丙醇混合液萃取硫磺中的酸性物质,以酚酞为指示剂,用氢氧化钠标准滴定溶液滴定。4.4.2试剂和材料
试验中的用水除应符合GB6682规定要求外,使用前还应煮沸并冷却。4.4.2.1异丙醇(HG1167)。
4.4.2.2氢氧化钠(GB629)标准滴定溶液:c(NaOH)=0.05000mol/L。按GB 601规定配制成0.5000mo1/L的溶液,再稀释10倍得,并按该标准规定的方法进行标定。
4.4.2.3酚酥(GB10729)乙醇溶液:10g/L,按GB603配制。4.4.3仪器、设备
普通实验室仪器及
4.4.3.1试验筛GB6003,R40/3系列4.4.4分析步骤
4.4. 4. 1称取通过250 μm试验筛的试样约 25g,精确至0.1g,置于250 mL具磨口塞的锥形瓶中,加25mL异丙醇(4.4.2.1),盖上瓶塞,使碗磺完全润湿,然后再加50mL水,塞上瓶塞,摇振2min,放置20min,其间不时地摇振,加三滴酚酸指示剂溶液,用氢氧化钠标准滴定溶液(4.4.2.2)滴至粉红色并保持30s不褪。
4.4.4.2空白试验
在测定的同时,按与测定相同的步骤,使用相同数量的试剂做空白试验,以校正测定结果。4.4.5分析结果的表述
酸度(w,以H,SO,计)以质量百分数表示,按式(4)计算:(V - Vo) :c × 0. 049 . A × 100mo
一测定时称取的试样质量,8,
式中: m. -
氢氧化钠标准滴定溶液的实际浓度,mol/L,V——测定时耗用氢氧化钠标准滴定溶液的体积,mL;V。
空白试验时耗用氢氧化钠标准滴定溶液的体积,mL,(4)
与1.00mL氢氧化钠标滴定溶液【c(NaOH)=1.000mol/L>相当的,以克表示的硫酸质量,g$
-计算(w为水的质量百分数)。A—水分校正值,以
1100-w2
4.4.6允许差
取二次平行测定的算术平均值作为分析结果,二次平行测定结果的差值不得大于表4的规定。表4
≤0.0020
>0. 002 0~≤0. 006 0
>0. 006 0~≤0. 020
4.5有机物含量的测定
二次平行测定的允许差
有机物含量的测定参照采用国际标准ISO2866—74《工业硫磺—4.5.1方法提要
总碳含量的测定
试样在氧气流中燃烧,生成二氧化硫、三氧化硫,在铬酸和硫酸溶液中氧化并被吸收。78
%(m/m)
滴定法》。
GB2449-92
试样中的有机物燃烧生成二氧化碳,用氢氧化钡溶液吸收,然后以酚酸和甲基红-次甲基蓝作指示剂滴定。
4.5.2试剂和材料
4.5.2.1三氧化铬(HG 3—934)500 g/L浴液。4.5.2.2 硫酸(GB 625);密度约 1.84 g/cm2,浓度约 96%(m/m)溶液。4. 5. 2.3 过氧化氢(GB 6684)溶液,分析纯,约 60 g/L。一Ba(OH),)0.05mol/L,使用时现配,溶液中加入数滴酚指4.5.2.4氢氧化钡(GB630)溶液:c[示剂。
该溶液需用装有碱石棉的捕集管与空气中的二氧化碳隔绝。4.5.2.5盐酸(GB622)标准滴定溶液:C(HCI)=0.05000mol/L,按GB601规定配制成c(HCI)=0.500 0 mol/L的溶液,再稀释10借面得,并按该标准规定的方法标定。4.5.2.6氢氧化钠(GB629)标准滴定溶液:c(NaOH)=0.05000mol/L,按GB601规定配制成c(NaOH)0.500 0 mol/L 的溶液,再稀释 10 倍而得,并按该标准规定的方法标定。4.5.2.7甲基红-次甲基蓝混合指示剂:按GB603规定配制。4.5.2.8酚酸指承剂:10g/L乙醇溶液,按GB603规定配制。4.5.2.9铂石棉:含铂5%~10%。
4.5.2.10碱石棉。
4.5.2.11纯氧(不含CO2),贮于具有减压阀的钢瓶中。4.5.3仪器、设备
普通实验室仪器及:
4.5.3.1燃烧和吸收装蟹
该装置用以使试样燃烧完全,如图1所示。包括:
汞封(A),有一内管插入汞面以下1 cm深处。三支 U形管(Br、Bz、Bs),具有两支侧管和磨口塞,侧管直径为 15 mm;U形管高为 150 mm。流量计(C),适用于测量20~~200 mL/min的氧气流量。燃烧管(D),外径 15 mm,长 700 mm的透明石英管,管的一有 15 mm长的一段外径缩为管式炉(E),燃烧过程中可控制温度为800~~900℃。管式炉(F),燃烧过程中可控制温度为400~500℃。洗气瓶(G~G。)共6个,容量各为250mL。E
800~900°C400~5000
电钢瓶来
封形阀
图1燃烧和吸收装置
4.5.3.2瓷舟:88mm×12mm。
GB2449—92
4.5.3.3滴定管:10mL,分度值为0.05mL4.5.4分析步骤
4.5.4.1燃烧装置的准备
在干燥的U形管B,、B:(4.5.3.1b)中,装入碱石棉(4.5.2.10),在碱石棉上面垫一层玻璃棉。U形管B2(4.5.3.1b)中疏松地填入玻璃棉,用以捕集测定时产生的酸蒸汽。如酸蒸汽过多,致使氢氧化钡完全被中和,则用孔径为15~40um的烧结玻璃过滤器,替换U形管Bz,重新测定。除非需要开启,U形管B,、Bz和B:的气孔均应关闭。洗气瓶Gz中装入至少50mL三氧化铬溶液(4.5.2.1),洗气瓶G:和G,中各装入至少50mL硫酸溶液(4.5.2.2)。
燃烧管D中装入铂石棉(4.5.2.9),其长度略小于管式炉F加热段的长度。按图1所示,用橡皮短管连接整个装置。4.5.4.2空白试验
使管式炉F升温,同时以约100mL/min的流速使氧气通过装置。当管式炉F温度达到400~450℃后约30min,取下洗气瓶Gs、G,各加入20mL氢氧化钡溶液、40mL水和5mL过氧化氢溶液,再接回装置中。应尽快地进行这些操作,以避免吸收空气中的二氧化碳。
在继续以约100mL/min的流速使氧气通过装置的情况下,使管式炉E通电,升温至400~~450℃,并维持此温度约10min,再继续升温至800~~900℃,并维持此温度约30min。切断管式炉E电源,继续通氧气约30min,再切断管式炉F的电源。拆下洗气瓶G和G,打开瓶盖,用少量水冲洗,洗液并入吸收液中,然后按下述步骤分别做空白滴定。
以酚酥溶液(4.5.2.8)为指示剂,用盐酸标准滴定溶液(4.5.2.5)滴定吸收溶液,剧烈地搅拌,切勿滴过终点。
然后往每个洗气瓶中加二、三滴甲基红-次甲基蓝混合指示剂,准确加入一定体积(一般为10.0mL)过量的盐酸标准滴定溶液(4.5.2.5),播匀,用氢氧化钠标准滴定溶液(4.5.2.6)反滴定。空白试验所耗用的盐酸标准滴定溶液,一般应少于 0. 2 mL。积:
按式(5)分别计算对G5、G。两洗气瓶内的吸收溶液、做空白试验所耗用的盐酸标准滴定溶液的体V。 Vi- V2
式中:V。—空白试验耗用的盐酸标准滴定溶液的体积,mL;V,一准确加入的盐酸标准滴定溶液的体积,mL;V2—一反滴定耗用的氢氧化钠标准滴定溶液的体积,mL。(5)
注:如所用盐酸和氢氧化钠标准滴定溶液的实际浓度与 4. 5. 2 中所规定的浓度,不恰好相同,计算时应进行校正。4.5.4.3称样及燃烧
在瓷舟中称取未经干燥、全部通过250μm试验筛的试样1~1.5:g精确至0.01.g。使管式炉F升温,并以约100mL/min的流速使氧气通过装置。当管式炉F温度达到400-450℃后约30min,取下洗气瓶Gs、G,各加入20mL氢氧化钡溶液、40mL水以及5mL过氧化氢溶液,用以氧化可能生成的任何亚硫酸盐。然后将洗气瓶Gs、G。接回装置中。应尽快地进行这些操作,以避免吸收空气中的二氧化碳。将盛有试样的瓷舟,送至燃烧管D中位于进管式炉E前不加温的部位。立即以100mL/min的流速通入氧气,并使管式炉E升温。当管式炉E温度达到450℃时,维持此温度不再上升。向瓷舟方向缓慢移动管式炉E,使硫磺燃烧,80
GB 2449--92
而微量的含碳物留在瓷舟和燃烧管D内。如果燃烧过于激烈,吸收瓶G,中的三氧化铬溶液可能回抽,应增大氧气流速予以防止。如果硫磺升华到瓷舟外并冷凝在瓷舟和铂石棉之间,应移动管式炉E使硫磺燃烧完全。
硫磺缓慢燃烧完毕后,将管式炉E移至加热瓷舟的位置,升温至800~900℃,加热燃烧管D和瓷舟约30min,使残留的碳燃烧和碳酸盐分解。切断管式炉E的电源,继续通氧气约30min,吹净装置,再切断管式炉F的电源。
4.5.4.4测定释出的二氧化碳
当二氧化碳全部被吸收藉观察洗气瓶Gs.G:中的沉淀是否完全)后,拆下洗气瓶G,和G。打开瓶盖,用少量水冲洗,洗液并入吸收液中。然后按下述步骤分别测定两个洗气瓶中所吸收的二氧化碳。以酚酸溶液(4.5.2.8)为指示剂,用盐酸标准滴定溶液(4.5.2.5)滴定吸收溶液,剧烈地搅拌,切勿滴过终点。
然后往每个洗气瓶中加二、三滴甲基红-次甲基蓝混合指示剂,准确加入一定体积(一般为10.0mL)过量的盐酸标准滴定溶液(4.5.2.5),摇匀,用氢氧化钠标准滴定溶液(4.5.2.6)反滴定中和 Gs,G。两洗气瓶中 CO~所耗用的盐酸标准滴定溶液(4 5. 2.5)的体积,按式(6)计算:V3 V- Vs - V。
式中:V,~中和CO-所耗用的益酸标准滴定溶液的体积,mL,V,一准确加入的益酸标准摘定溶液的体积,mLV反滴定耗用的氢氧化钠标准滴定溶液的体积,mLV。—由式(5)得到的空白试验耗用的盐酸标准滴定溶液体积,mL。+*.( 6 )
注;如所用盐酸和氢氧化钠标准滴定溶液的实际浓度与 4.5.2中所规定的浓度,不恰好相同,计算时应进行校正。4.5.5分析结果的表述
有机物含量(ws)以质量百分数表示,按式(7)计算:0. 000 3 · V
*A X.1. 25 × 100.
式中:0.0003—与1.00mL盐酸标准滴定溶液【c(HC1)0.05000mol/L]相当的,以克表示的碳的质量,g1
V试样所耗用的盐酸标准滴定溶液的总体积[即式(6)中V;的和],mL;-称取的试样量,g;
A—水分校正值,以 100 wz
计算(为水的质量百分数);
1.25一一由碳换算成有机物的系数。4.5.6允许差
取二次平行测定的算术平均值作为分析结果,二次平行测定结果的差值不得大于表5的规定。表5
有机物含量
>0. 005 ~≤0. 030
>0.030~≤0.060
>0. 06~≤0. 20
0. 20~≤0. 50
4.6砷含量的测定二乙基二硫代氟基甲酸银光度法砷含量的测定等效采用国际标准ISO3705—1976《工业硫磺氨基甲酸银光度法》。
二次平行测定的允许整
砷含量的测定
%(m/m)
二之基二硫代
GB 2449—92
本方法为工业硫磺中砷含量测定的仲裁法。4.6.1方法提要
试样溶解于四氯化碳中,用溴和硝酸氧化。在硫酸介质中,用金属锌将砷还原为砷化氢,用二乙基二硫代氨基甲酸银的吡啶溶液吸收砷化氢,生成紫红色胶态银溶液,然后对此溶液做光度测定。反应式如下:
AsH; + 6Ag(DDTC) 6Ag+ 3H(DDTC) +As(DDTC):4.6.2试剂和材料
4.6.2.1无砷金属锌(GB2304):粒径0.5~1mm或5mm。使用前用1+1盐酸处理,然后用蒸馏水洗涤。
4.6.2.2硝酸(GB626):密度为1.40g/cm2。4.6.2.3硫酸(GB625)溶液:1+1溶液。4.6.2.4氢氧化钠(GB629)溶液:50g/L。4.6.2.5碘化钾(GB1272)溶液:150-g/L。4.6.2.6氯化亚锡(GB638)溶液:400g/L。溶解40g二水合氯化亚锡于100mL浓度c(HC1)=9 mol/L的盐酸中。
4.6.2.7乙酸铅(HG3--974)溶液:200g/L。4.6.2.8乙酸铅棉花:用乙酸铅溶液(4.6.2.7)将脱脂棉没透,取出沥干,在室温下干燥,保存在密闭容器内。
4.6.2.9澳-四氟化碳溶液:漠(GB1281)与四氟化碳(GB688)体积比为2:3。4. 6.2. 10二乙基二硫代氨基甲酸银吡啶溶液(简称 AgDDTC 吡啶溶液):5 g/L吡啶溶液。该溶液应保存在密闭棕色玻璃瓶中,有效期为两周。4.6.2.11砷标准溶液:0.100g/1。称取0.1320g于硫酸干燥器中干燥至恒重的三氧化二砷(GB673),精硼至0.0001g。置于100mL烧杯中,用约2mL.氢氧化钠溶液(4.6.2.4)加以溶解。定量地移此溶液于1000mL容量瓶中,用水洗涤烧杯数次,洗涤液并入容量瓶中,用水稀释至刻度,摇匀。1 mL 该标准溶液含砷 100 μg。4.6. 2.12砷标准溶液:2.5 mg/L。吸取25.0mL砷标准溶液(4.6.2.11),置于1000mL容量瓶中,用水稀释至刻度,摇勾。该溶液使用时配制。
1mL该溶液含砷2.5μg。
4.6.3仪器、设备
定砷所用的玻璃仪器都必须用铬酸洗液洗涤,洗涤时注意不要把铬酸洗液溅在眼睛、皮肤和衣服上,然后用水充分洗涤干净,烘平。普通实验室仪器及
4.6.3.1分光光度计。:
4.6.3.2定砷仪,如图2所示,其组成部分有:锥形瓶:容积100mL,用于发生砷化氢,连接管:捕集硫化氢用
15球吸收器:吸收砷化氢用。
4.6.4分析步骤
GB 2449-92
图2定砷仪
A—维形瓶,B--连接导管;C-15连球吸收管基于吡啶的性和难闻的气味,操作时必须小心,并应在良好的通风厨中进行。溶解试样时应戴医用手套。
4.6.4.1试液的制备
称取约5g试样(5.3.4),精确至0.1g,置试样于400mL烧杯中。在良好的通风厨内,向烧杯中加入20mL溴-四氯化碳(4.6.2.9),静置45min,在轻微搅拌下,分三次加入25mL硝酸(4.6.2.2),也可分数次加下,以防止亚硝酸烟的逸出太快。第一次加入约5mL硝酸,盖表面皿,摇匀。细心观紊,待烧杯口稍有棕色烟昏出时,立邸将烧杯置于冰水裕中,不断摇动,直至无明显棕色烟出。然后再次加人硝酸,同样观案和操作,直至完硝酸而烧杯内剩余少量的溴为止。如果硫磺未能完全溶解,应再用数亳升溴-四氯化碳和硝酸溶液,继续溶解。为了除去多余的溴、四氯化碳和硝酸,将烧杯置于沸水浴上加热,至溶液呈无色透明。如果溶液混83
GB 2449—92
浊,则冷却后再加一些硝酸溶液,蒸发至不再有亚硝酸烟逸出,且溶液呈无色透明。再用少量水冲洗烧杯,将烧杯置于沙浴上蒸发至逸出白色硫酸烟雾,冷却。如此重复三次,以除去痕量的亚硝酸化合物。冷却后,用水稀释至约80mL,冷却至室温。当试样中砷含量大于0.001%(m/m)时,将试液定量地移入500mL容量瓶中,用水稀释至刻度,摇勾。准确吸取该液20.0mL,置于定砷用锥形瓶中,加入10mL硫酸溶液(4.6.2.3)和10mL水。当试样中砷含量在 0.00 1%~0.000 1%(m/m)之间时,将试液定量地移入 100mL容量瓶中,用水稀释至刻度,摇匀。准确吸取该液20.0mL,置于定砷用锥形瓶中,加入10mL硫酸溶液(4.6.2.3)和10 mL 水。
当试样中砷含量小于0.0001%(m/m)时,不必稀释,将试液全部移至定砷用锥形瓶中,加热浓缩至体积为40 mL,不再加硫酸溶液。4.6.4.2:空白试验
在测定的同时,按与测定相同的步骤,使用相同数量的全部试剂做空白试验。4.6.4.3工作曲线的绘制
每换一批金属锌或新配一次AgDDTC吡啶溶液,就必须做一次工作曲线。在6个定砷用锥形瓶中,分别加入由表6所示的一定体积的砷标准溶液(4.6.2.12。表6
砷标准溶液体积,mL
注:1)空白溶液。
相应的碑质量,μg
在每-个定砷用锥形瓶中加入10mL硫酸溶液(4.6.2.3),加水至体积约40mL,加2mL碘化钾溶液(4.6.2.5)和2mL氯化亚锡液(4.6.2.6),摇匀,静置15min。在每支连接管中塞入少量乙酸铅棉花,以便吸收与化氢一同逸出的硫化氢。在磨口玻璃接头上涂上薄薄层真空油脂。吸取5.0mLAgDDTC吡啶溶液(4.6.2.10)于15球吸收器中。
静置15min后,借助漏斗往定砷用锥形瓶中加入5g金属锌粒,迅速按图2所示连接仪器,放置45min,使反应完全。
拆开15球吸收器,摇幌此吸收器,以使在较低部位形成的红色沉淀溶解,并使溶液完全混匀。此种有色溶液在暗处可以稳定约2h,因此须在2h内完成测定。在540nm波长处,用1cm吸收池,以空白溶液为参比,将分光光度计的吸光度调整到零后,测出各标准溶液的吸光度。以标准比色溶液中砷的质量(ug)为横坐标,相应的吸光度为纵坐标,绘制工作曲线。
4.6.4.4测定
在按4.6.4.1步骤准备的、盛有40mL溶液的定砷用锥形瓶中,加2mL碘化钾溶液(4.6.2.5)和2mL氯化亚锡(4.6.2.6),播匀,静置15min。然后按4.6.4.3中自“在每连接管中塞入少量乙酸铅棉花”至“将分光光度计的吸光度调整到零后,测出溶液的吸光度”的步骤进行。4.6.5分析结果的表述
根据测得的溶液吸光度,从工作曲线上查出相应的砷质量(μg)。84
GB 2449-92
碑含量(w。)以质量百分数表示,按式(8)计算:W
-称取试样质量+8+
式中:mo
n × 10-
从工作曲线上查得的砷质量,ug-稀释倍数;
一水分校正值,以
4.6.6允许差
?K:A X 100
计算(w为水的质量百分数)。
取二次平行测定的算术平均值作为分析结果,二次平行测定结果的差值不得大于表7的规定。表7
砷含量
>0. 001~≤0. 005
>0. 005~≤0. 010
>0. 01~≤0. 05
4.7碑含量的测定
4.7.1方法提要
古藜法
两次平行测定的允许差
%(m/m )
试样溶解于四氯化碳中,用溴和硝酸氧化。在硫酸介质中,用金属锌将砷还原为砷化氢,砷化氢在溴化汞试纸上形成红棕色碑斑,与标准色阶比较,测定砷含量,4.7.2试剂和材料
4.7.2.1砷标准溶液:1.00mg/L。准确吸取 5.0mL砷标准溶液(4.6.2.11),置于500mL容量瓶中,用水稀释至刻度,摇匀。此溶液使用时配制。
1 mL 该标准溶液含碑 1 μg。
4.7.3仪器、设备
普通实验室仪器及
4.7.3.1定砷器:如图3所示。
4.7.4分析步骤
4.7.4.1试液的制备
GB 2449-92
图3定神器
A—广口瓶;B—胶塞;C玻璃管, D—玻璃管上端管口;E-玻璃相操作步骤均同4.6.4.1条规定:仅将4.6.4.1条中的“置于定碑用锥形瓶中”改为“置于定碑用的广瓶中”。
4.7.4.2标准色阶的制作
分别吸取0、1.0、2.0、4.0.6.0、8.0、10.0mL砷标准溶液(4.7.2.1),置于定砷器的广口瓶中,加入10mL硫酸溶液(4.6.2.3),加水至体积约为40mL,再加入2mL碘化钾溶液(4.6.2.5)和2mL氮化亚锡溶液(4.6.2.6),播匀,静置15min。将漠化汞试纸(4.7.2.2)预先剪成圆形,直径约20mm,置于定砷器的玻璃管上端口D和玻璃帽E之间,且用橡皮圈固定。然后往定砷器广口瓶中,加入5多金属锌,迅速按图3连接好仪器,使反应进行45min。取出溴化汞试纸,注明相应的质量,用熔融石蜡漫透,贮于干燥器中。4.7.4.3测定
在盛有试液的定碑用广口瓶中,加2mL化钾溶液(4.6.2.5)和2mL氯化亚溶液(4.6.2.6),摇匀,静置15min。然后按4.7.4.2中自“将漠化汞试纸(4.7.2.2)预先剪成圆形.·\以下步骤进行。将所得色斑与标准色阶比较,测得砷质量。4.7.5分析结果的表述
砷含量(w,)以质量百分数表示,按式(9)计算:w
称取试样质量,名,
式中;m。—-
-测得试液中的砷含量,μg
m X 10-6
K·AX 100
小提示:此标准内容仅展示完整标准里的部分截取内容,若需要完整标准请到上方自行免费下载完整标准文档。
标准图片预览:





- 热门标准
- 国家标准(GB)
- GB/T30917—2014 /ISo 29941:2010 天然胶乳橡胶避孕套中可迁移亚硝胺的测定
- GB/T12777-1999 金属波纹管膨胀节通用技术条件
- GB/T29633.4-2020 南极地名 第4部分:罗马字母拼写
- GB15193.5-2003 骨髓细胞微核试验
- GB30530-2024 二甲基硅氧烷单位产品能源消耗限额
- GB/T43225-2023 空间物体登记要求
- GB4706.3-1986 家用和类似用途电器的安全食物搅碎器及类似用途电器的特殊要求
- GB15985-1995 丝虫病诊断标准及处理原则
- GB19159-2003 车用液化石油气
- GB/T7407-1997 中国及世界主要海运贸易港口代码
- GB/T15425-1994 贸易单128条码
- GB5237.3-2008 铝合金建筑型材 第3部分:电泳涂漆型材
- GB/T39964-2021 造纸行业能源管理体系实施指南
- GB/T9771.6-2020 通信用单模光纤 第6部分:宽波长段 光传输用非零色散单模光纤特性
- GB/T43929-2024 空间用纤维光学器件测试指南
- 行业新闻
请牢记:“bzxz.net”即是“标准下载”四个汉字汉语拼音首字母与国际顶级域名“.net”的组合。 ©2025 标准下载网 www.bzxz.net 本站邮件:bzxznet@163.com
网站备案号:湘ICP备2025141790号-2
网站备案号:湘ICP备2025141790号-2