- 您的位置:
- 标准下载网 >>
- 标准分类 >>
- 纺织行业标准(FZ) >>
- FZ/T 92021-2008 吊锭
标准号:
FZ/T 92021-2008
标准名称:
吊锭
标准类别:
纺织行业标准(FZ)
标准状态:
现行-
发布日期:
2008-02-01 -
实施日期:
2008-07-01 出版语种:
简体中文下载格式:
.rar.pdf下载大小:
1.48 MB
标准ICS号:
纺织和皮革技术>>59.120纺织机械中标分类号:
纺织>>纺织机械与器具>>W91纺织机械零部件
替代情况:
替代FZ/T 92021-1992

点击下载
标准简介:
标准下载解压密码:www.bzxz.net
本标准代替FZ/T 92021-1992《吊锭》。本标准规定了吊锭的分类、要求、试验方法、检验规则及标志、包装、运输、贮存。本标准适用于棉、毛、化纤、绢纺等各类环锭细纱机悬挂粗纱筒管的吊锭。本标准与FZ/T 92021-1992相比主要变化如下:——标准适用范围内删除了麻纺用吊锭;——增加了产品分类,明确了产品型号规定;——增加了配用加高型防尘罩视图;———调整规格与基本参数见表1、表2;———增加了吊锭主体材料性能要求;———增加了不同阻尼状态下的吊锭回转灵活性要求;———增加了防尘罩的要求;———增加了抽样方法和判定规则。 FZ/T 92021-2008 吊锭 FZ/T92021-2008

部分标准内容:
ICS59.120
中华人民共和国纺织行业标准
FZ/T92021—2008
代替FZ/T92021—1992
Bobbin hanger
2008-02-01发布
数码防伪
中华人民共和国国家发展和改革委员会2008-07-01实施下载标准就来标准下载网
本标准代替FZ/T92021—1992《吊锭》。前言
本标准与FZ/T92021--1992相比主要变化如下:标准适用范围内删除了麻纺用吊锭;增加了产品分类,明确了产品型号规定;增加了配用加高型防尘罩视图;-调整规格与基本参数见表1、表2;一增加了吊锭主体材料性能要求;-增加了不同阻尼状态下的吊锭回转灵活性要求;增加了防尘罩的要求;
增加了抽样方法和判定规则。
FZ/T92021-2008
请注意本标准的某些内容有可能涉及专利,本标准的发布机构不承担识别这些专利的责任。本标准由中国纺织工业协会提出。本标准由全国纺织机械与附件标准化技术委员会归口。本标准起草单位:江阴市塑料纺织配件厂、无锡纺织机械研究所、山西经纬合力机械制造公司二厂、余姚市纺织器材厂、江阴市长纺科技有限公司。本标准主要起草人:任建生、赵蓉贞、李春玲、徐利明、徐正坚。本标准所代替标准的历次版本发布情况为:-FJ/JQ48-1984;
FZ/T92021-1992。
1范围
FZ/T92021—2008
本标准规定了吊锭的分类、要求、试验方法、检验规则及标志、包装、运输、贮存。本标准适用于棉、毛、化纤、绢纺等各类环锭细纱机悬挂粗纱筒管的吊锭。2规范性引用文件
下列文件中的条款通过本标准的引用而成为本标准的条款。凡是注日期的引用文件,其随后所有的修改单(不包括勘误的内容)或修订版均不适用于本标准,然而,鼓励根据本标准达成协议的各方研究是否可使用这些文件的最新版本。凡是不注日期的引用文件,其最新版本适用于本标准。GB/T4892硬质直方体运输包装尺寸系列瓦楞纸箱
GB/T6543
3分类
3.1产品分类
按结构分类:阻尼自调型、阻尼手调型。按功能分类:垂直悬挂旋转型、垂直悬挂型。3.2吊锭规格与基本参数
见表1和图1。
吊锭体直径d
吊链体
防尘罩
基本型
支片外伸开距L
加高型
单位为毫米
选用粗纱管项孔直径
16.4~22.3
16.4~25.3
19.3~25.3
22.2~27.2
单位为毫米
吊锭体
防尘氧
FZ/T92021—2008
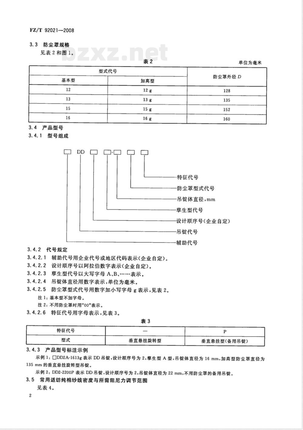
3防尘罩规格
见表2和图1。
基本型
3.4产品型号
3.4.1型号组成
3.4.2代号规定
型式代号
加高型
3.4.2.1辅助代号用企业代号或地区代码表示(企业自定)。3.4.2.2设计顺序号以阿拉伯数字表示(企业自定)。3.4.2.3尊生型代号以大写字母A、B、.表示。3.4.2.4吊锭体直径用数字表示,单位为毫米。3.4.2.5防尘罩型式代号用数字加小写字母g表示,见表2。注1:基本型不加字母。
注2:不用防尘罩时用00”表示。3.4.2.6特征代号用字母表示,见表3。表3
特征代号
3.4.3产品型号标注示例
垂直悬挂旋转型
特征代号
单位为毫米
防尘罩外径D
防尘罩型式代号
吊锭体直径,mm
擎生型代号
设计顺序号(企业自定)
吊锭代号
辅助代号
垂直悬挂型(备用吊锭)
示例1:口DD2A-1613g表示DD吊锭,设计顺序号为2,擎生型A型,吊锭体直径为16mm,加高型防尘罩直径为135mm的垂直悬挂旋转型吊锭。
示例2:DD2-2200P表示DD吊锭,设计顺序号为2,吊锭体直径为22mm,不用防尘罩的备用吊锭。3.5常用适纺纯棉纱线密度与所需阻尼力调节范围见表4。
4要求
纯棉纱/tex(英制支数)
≤29(20)
>29(20)~9.7(60)
≥9.7(60)
阻尼力/N
FZ/T92021—2008
40×10-3~80×10-3
30×10-3~45×10-3
25×10-3~40×10-3
4.1吊锭主体的塑料件材料为聚甲醛,支撑圈为锌铝合金或聚甲醛,性能指标应符合相应牌号要求。4.2支片外伸开距L的极限偏差为0.6mm。4.3支片伸缩动作可靠,无失灵现象。4.4吊锭主体在垂直悬挂状态下任意方向摆动,其中心轴线与垂直方向夹角≥12°。4.5垂直悬挂旋转型吊锭回转灵活性要求4.5.1无阻尼状态(空载状态):临界状态(由静态变动态)水平牵引力≤15×10-3N时回转灵活,无停滞现象。
4.5.2阻尼状态(负载状态):临界状态(由静态变动态)水平牵引力为30×10-3N~45×10-3N时回转灵活,无停滞现象。
4.6吊锭主体塑料件表面应色泽均匀,无斑点、毛刺及其他缺陷。4.7支片和销子表面应经镀锌或其他表面处理,表面光滑、不挂纤维。4.8垂直悬挂型(备用吊锭)吊锭体壳体颜色为黑色,摆动灵活,吊挂可靠。4.9防尘罩材料为聚丙烯或聚乙烯。4.10防尘罩表面光滑,不挂纤维。5试验方法
5.14.1材料中,聚甲醛采用燃烧法检测,锌铝合金采用目测或材料质保书,必要时可用材料分析法检测。
5.24.2支片外伸开距采用游标卡尺测量。5.34.3支片伸缩动作试验:每套吊锭在垂直状态下进行支片连续伸缩动作≥16次,应无失灵现象。5.44.4吊锭主体转动情况采用专用测量装置测试。5.54.5.1回转灵活性要求采用专用测量装置(见图2),检查临界状态(由静态变动态)水平牵引力在规定范围时吊锭体的运行状态。图2
5.64.5.2回转灵活性要求采用专用测量装置(见图2),检查临界状态(由静态变动态)水平牵引力为30×10-3N~45×10-3N时吊锭体的运行状态。FZ/T92021-2008
5.74.6~4.8、4.10要求采用感官检验。5.84.9防尘罩材料采用燃烧法或化学材料分析法检测。6检验规则
6.1出厂检验
6.1.1产品由制造厂质量检验部门按本标准的规定进行检验,检验合格后方能出厂,并附有合格证。6.1.2出厂检验项目:4.2~4.4、4.5.2、4.6~4.8、4.10。6.2型式检验
6.2.1产品在下列情况之一时,应进行型式检验:a)正常生产后,如结构、材料、工艺有较大改变,可能影响产品性能时;b)正常生产时,每季度进行一次;c)
第三方检验机构要求进行型式检验时。6.2.2型式检验项目:表1、表2、第4章要求。6.3抽样方法及判定规则
6.3.1按简单随机抽样法从检验批中抽取50套作为样本。6.3.2抽样检测时,4.1~4.9单项合格率为100%,4.10单项合格率为95%,总项次合格率不小于98%,以上两项均合格,方可判定该批产品符合标准要求。7标志
7.1吊锭支撑圈的端面应有厂标及产品的缩写代号。7.2包装箱外表面应有制造厂厂名、产品型号、包装数量、重量及包装日期的标志。8包装、运输、贮存
8.1包装
8.1.1产品外包装采用瓦楞纸箱,纸箱质量应符合GB/T6543的要求,其尺寸规格应采用GB/T4892中的系列尺寸。
8.1.2包装箱内产品不得发生审动。8.2运输
产品在运输过程中,包装箱应保持干燥,按规定的方向放置,不得倾斜或改变方向。8.3购存
产品出厂后,在良好的防雨、通风贮存条件下,包装箱内产品防潮、防锈有效期为一年。版权专有侵权必究
书号:155066·2-18543
FZ/T92021-2008
定价:
中华人民共和国纺织
行业标
FZ/T92021——2008
中国标准出版社出版发行
北京复兴门外三里河北街16号
邮政编码:100045
网址www.spc.net.cn
电话:6852394668517548
中国标准出版社秦皇岛印刷厂印刷各地新华书店经销
开本880×12301/16
2008年3月第一版
印张0.5字数9千字
2008年3月第一次印刷
书号:155066·2-18543
定价10.00元
由本社发行中心调换
如有印装差错
版权专有
侵权必究
举报电话:(010)68533533
小提示:此标准内容仅展示完整标准里的部分截取内容,若需要完整标准请到上方自行免费下载完整标准文档。
中华人民共和国纺织行业标准
FZ/T92021—2008
代替FZ/T92021—1992
Bobbin hanger
2008-02-01发布
数码防伪
中华人民共和国国家发展和改革委员会2008-07-01实施下载标准就来标准下载网
本标准代替FZ/T92021—1992《吊锭》。前言
本标准与FZ/T92021--1992相比主要变化如下:标准适用范围内删除了麻纺用吊锭;增加了产品分类,明确了产品型号规定;增加了配用加高型防尘罩视图;-调整规格与基本参数见表1、表2;一增加了吊锭主体材料性能要求;-增加了不同阻尼状态下的吊锭回转灵活性要求;增加了防尘罩的要求;
增加了抽样方法和判定规则。
FZ/T92021-2008
请注意本标准的某些内容有可能涉及专利,本标准的发布机构不承担识别这些专利的责任。本标准由中国纺织工业协会提出。本标准由全国纺织机械与附件标准化技术委员会归口。本标准起草单位:江阴市塑料纺织配件厂、无锡纺织机械研究所、山西经纬合力机械制造公司二厂、余姚市纺织器材厂、江阴市长纺科技有限公司。本标准主要起草人:任建生、赵蓉贞、李春玲、徐利明、徐正坚。本标准所代替标准的历次版本发布情况为:-FJ/JQ48-1984;
FZ/T92021-1992。
1范围
FZ/T92021—2008
本标准规定了吊锭的分类、要求、试验方法、检验规则及标志、包装、运输、贮存。本标准适用于棉、毛、化纤、绢纺等各类环锭细纱机悬挂粗纱筒管的吊锭。2规范性引用文件
下列文件中的条款通过本标准的引用而成为本标准的条款。凡是注日期的引用文件,其随后所有的修改单(不包括勘误的内容)或修订版均不适用于本标准,然而,鼓励根据本标准达成协议的各方研究是否可使用这些文件的最新版本。凡是不注日期的引用文件,其最新版本适用于本标准。GB/T4892硬质直方体运输包装尺寸系列瓦楞纸箱
GB/T6543
3分类
3.1产品分类
按结构分类:阻尼自调型、阻尼手调型。按功能分类:垂直悬挂旋转型、垂直悬挂型。3.2吊锭规格与基本参数
见表1和图1。
吊锭体直径d
吊链体
防尘罩
基本型
支片外伸开距L
加高型
单位为毫米
选用粗纱管项孔直径
16.4~22.3
16.4~25.3
19.3~25.3
22.2~27.2
单位为毫米
吊锭体
防尘氧
FZ/T92021—2008
3防尘罩规格
见表2和图1。
基本型
3.4产品型号
3.4.1型号组成
3.4.2代号规定
型式代号
加高型
3.4.2.1辅助代号用企业代号或地区代码表示(企业自定)。3.4.2.2设计顺序号以阿拉伯数字表示(企业自定)。3.4.2.3尊生型代号以大写字母A、B、.表示。3.4.2.4吊锭体直径用数字表示,单位为毫米。3.4.2.5防尘罩型式代号用数字加小写字母g表示,见表2。注1:基本型不加字母。
注2:不用防尘罩时用00”表示。3.4.2.6特征代号用字母表示,见表3。表3
特征代号
3.4.3产品型号标注示例
垂直悬挂旋转型
特征代号
单位为毫米
防尘罩外径D
防尘罩型式代号
吊锭体直径,mm
擎生型代号
设计顺序号(企业自定)
吊锭代号
辅助代号
垂直悬挂型(备用吊锭)
示例1:口DD2A-1613g表示DD吊锭,设计顺序号为2,擎生型A型,吊锭体直径为16mm,加高型防尘罩直径为135mm的垂直悬挂旋转型吊锭。
示例2:DD2-2200P表示DD吊锭,设计顺序号为2,吊锭体直径为22mm,不用防尘罩的备用吊锭。3.5常用适纺纯棉纱线密度与所需阻尼力调节范围见表4。
4要求
纯棉纱/tex(英制支数)
≤29(20)
>29(20)~9.7(60)
≥9.7(60)
阻尼力/N
FZ/T92021—2008
40×10-3~80×10-3
30×10-3~45×10-3
25×10-3~40×10-3
4.1吊锭主体的塑料件材料为聚甲醛,支撑圈为锌铝合金或聚甲醛,性能指标应符合相应牌号要求。4.2支片外伸开距L的极限偏差为0.6mm。4.3支片伸缩动作可靠,无失灵现象。4.4吊锭主体在垂直悬挂状态下任意方向摆动,其中心轴线与垂直方向夹角≥12°。4.5垂直悬挂旋转型吊锭回转灵活性要求4.5.1无阻尼状态(空载状态):临界状态(由静态变动态)水平牵引力≤15×10-3N时回转灵活,无停滞现象。
4.5.2阻尼状态(负载状态):临界状态(由静态变动态)水平牵引力为30×10-3N~45×10-3N时回转灵活,无停滞现象。
4.6吊锭主体塑料件表面应色泽均匀,无斑点、毛刺及其他缺陷。4.7支片和销子表面应经镀锌或其他表面处理,表面光滑、不挂纤维。4.8垂直悬挂型(备用吊锭)吊锭体壳体颜色为黑色,摆动灵活,吊挂可靠。4.9防尘罩材料为聚丙烯或聚乙烯。4.10防尘罩表面光滑,不挂纤维。5试验方法
5.14.1材料中,聚甲醛采用燃烧法检测,锌铝合金采用目测或材料质保书,必要时可用材料分析法检测。
5.24.2支片外伸开距采用游标卡尺测量。5.34.3支片伸缩动作试验:每套吊锭在垂直状态下进行支片连续伸缩动作≥16次,应无失灵现象。5.44.4吊锭主体转动情况采用专用测量装置测试。5.54.5.1回转灵活性要求采用专用测量装置(见图2),检查临界状态(由静态变动态)水平牵引力在规定范围时吊锭体的运行状态。图2
5.64.5.2回转灵活性要求采用专用测量装置(见图2),检查临界状态(由静态变动态)水平牵引力为30×10-3N~45×10-3N时吊锭体的运行状态。FZ/T92021-2008
5.74.6~4.8、4.10要求采用感官检验。5.84.9防尘罩材料采用燃烧法或化学材料分析法检测。6检验规则
6.1出厂检验
6.1.1产品由制造厂质量检验部门按本标准的规定进行检验,检验合格后方能出厂,并附有合格证。6.1.2出厂检验项目:4.2~4.4、4.5.2、4.6~4.8、4.10。6.2型式检验
6.2.1产品在下列情况之一时,应进行型式检验:a)正常生产后,如结构、材料、工艺有较大改变,可能影响产品性能时;b)正常生产时,每季度进行一次;c)
第三方检验机构要求进行型式检验时。6.2.2型式检验项目:表1、表2、第4章要求。6.3抽样方法及判定规则
6.3.1按简单随机抽样法从检验批中抽取50套作为样本。6.3.2抽样检测时,4.1~4.9单项合格率为100%,4.10单项合格率为95%,总项次合格率不小于98%,以上两项均合格,方可判定该批产品符合标准要求。7标志
7.1吊锭支撑圈的端面应有厂标及产品的缩写代号。7.2包装箱外表面应有制造厂厂名、产品型号、包装数量、重量及包装日期的标志。8包装、运输、贮存
8.1包装
8.1.1产品外包装采用瓦楞纸箱,纸箱质量应符合GB/T6543的要求,其尺寸规格应采用GB/T4892中的系列尺寸。
8.1.2包装箱内产品不得发生审动。8.2运输
产品在运输过程中,包装箱应保持干燥,按规定的方向放置,不得倾斜或改变方向。8.3购存
产品出厂后,在良好的防雨、通风贮存条件下,包装箱内产品防潮、防锈有效期为一年。版权专有侵权必究
书号:155066·2-18543
FZ/T92021-2008
定价:
中华人民共和国纺织
行业标
FZ/T92021——2008
中国标准出版社出版发行
北京复兴门外三里河北街16号
邮政编码:100045
网址www.spc.net.cn
电话:6852394668517548
中国标准出版社秦皇岛印刷厂印刷各地新华书店经销
开本880×12301/16
2008年3月第一版
印张0.5字数9千字
2008年3月第一次印刷
书号:155066·2-18543
定价10.00元
由本社发行中心调换
如有印装差错
版权专有
侵权必究
举报电话:(010)68533533
小提示:此标准内容仅展示完整标准里的部分截取内容,若需要完整标准请到上方自行免费下载完整标准文档。

标准图片预览:





- 热门标准
- 纺织行业标准(FZ)
- FZ/T94007.2-2013 综第2部分:织机综框用钢丝综
- FZ/T01057.1-2007 纺织纤维鉴别试验方法 第1部分:通用说明
- FZ/T01041-2014 绒毛织物 绒毛长度和绒毛高度的测定
- FZ/T34002-1992 亚麻印染布
- FZ/T63052—2020 涤纶短纤织带
- FZ/T63035-2016 聚酰胺复丝双层编织结构绳索
- FZ/T50002-2013 化学纤维异形度试验方法
- FZ/T43018-2017 蚕丝绒毯
- FZ∕T14041-2018 灯芯绒涤棉混纺印染布
- FZ/T52038-2014 充填用再生涤纶超短纤维
- FZ66307-1995 特种工业用薄型棉带
- FZ/T60014-2017 絮片耐洗涤性能试验方法
- FZ/T2001 2-2015 纺纱油剂可洗涤性试验方法
- FZ/T13004-1995 粘纤本色布
- FZ/T64019-2011 灯箱广告用经编双轴向基布
- 行业新闻
请牢记:“bzxz.net”即是“标准下载”四个汉字汉语拼音首字母与国际顶级域名“.net”的组合。 ©2009 标准下载网 www.bzxz.net 本站邮件:bzxznet@163.com
网站备案号:湘ICP备2023016450号-1
网站备案号:湘ICP备2023016450号-1