- 您的位置:
- 标准下载网 >>
- 标准分类 >>
- 机械行业标准(JB) >>
- JB/T 3200-2008 外滤面转鼓真空过滤机
标准号:
JB/T 3200-2008
标准名称:
外滤面转鼓真空过滤机
标准类别:
机械行业标准(JB)
标准状态:
现行-
发布日期:
2008-02-01 -
实施日期:
2008-07-01 出版语种:
简体中文下载格式:
.rar.pdf下载大小:
4.21 MB
替代情况:
替代JB/T 3200-1997

点击下载
标准简介:
标准下载解压密码:www.bzxz.net
本标准规定了外滤面转鼓真空过滤机的型式和基本参数、技术要求、试验方法、检验规则、标志、包装、运输和贮存。本标准适用于外滤面转鼓真空过滤机。 JB/T 3200-2008 外滤面转鼓真空过滤机 JB/T3200-2008

部分标准内容:
ICS73.120
备案号:23017—2008
中华人民共和国机械行业标准 JB/T 3200--2008
代替JB/T3200—1997
外滤面转鼓真空过滤机
Rotary-drumvacuumfilter
2008-02-01发布
2008-07-01实施
中华人民共和国国家发展和改革委员会发布前言
规范性引用文件
3型式和基本参数
3.1结构型式
基本参数
型号表示方法
4技术要求.
一般要求
材料要求
主要零件质量要求
装配要求
密封要求
外观质量
安全要求
环境要求,
使用性能.
5试验方法…
密封试验,
空运转试验.
负荷运转试验
检验规则..
6.1检验分类,
出厂检验
型式检验
7标志、包装、运输和贮存
7.4贮存
8质量保证期
普通型外滤面转鼓真空过滤机结构示意图图2深浸型外滤面转鼓真空过滤机结构示意图图3预敷型外滤面转鼓真空过滤机结构示意图图4上部加料型外滤面转鼓真空过滤机结构示意图无格型外滤面转鼓真空过滤机结构示意图图5
图6密闭型外滤面转鼓真空过滤机结构示意图图7落差型外滤面转鼓真空过滤机结构示意图图8折带型外滤面转鼓真空过滤机结构示意图次
JB/T3200—2008
JB/T3200—2008
本标准代替JB/T3200—1997《外滤面转鼓真空过滤机》。本标准由中国机械工业联合会提出。本标准由全国分离机械标准化技术委员会(SAC/TC92)归口。本标准负责起草单位:石家庄新生机械厂。本标准主要起草人:于汉琼、胡志坚、王彩杰,本标准所代替标准的历次版本发布情况:JB3200—1983,JB/T32001997;
-JB3201—1983,JB/T3200—1997。I
1范围
外滤面转鼓真空过滤机
JB/T3200—-2008
本标准规定了外滤面转鼓真空过滤机(以下简称过滤机)的型式和基本参数、技术要求、试验方法,检验规则、标志、包装、运输和贮存本标准适用于外滤面转鼓真空过滤机。2规范性引用文件
下列文件中的条款通过本标准的引用而成为本标准的条款。凡是注日期的引用文件,其随后所有的修改单(不包括勘误的内容)或修订版均不适用于本标准,然而,鼓励根据本标准达成协议的各方研究是否可使用这些文件的最新版本。凡是不注日期的引用文件,其最新版本适用于本标准。GB150-1998钢制压力容器
GB/T191—2000
GB/T699—1999
GB/T700—2006
包装储运图示标志(eqvISO780:1997)优质碳素结构钢
碳素结构钢(ISO630:1995:NEQ)GB/T1184—1996形状和位置公差未注公差值(eqvISO2768-2:1989)球墨铸铁件
GB/T1348-—1988
GB/T2100-2002
GB/T3077—1999
GB/T3280-—2007
GB/T4237—2007
GB/T6388—1986
GB/T7780--2005
GB/T9439—1988
GB/T10894—2004
GB/T11352—1989
GB/T13306--1991
GB/T13384—1992
JB/T4385.1—1999
一般用途耐蚀钢铸件(eqvISO11972:1998)合金结构钢(neqDINEN10083-1:1991)不锈钢冷轧钢板和钢带
不锈钢热轧钢板和钢带
运输包装收发货标志
过滤机型号编制方法
灰铸铁件
分离机械噪声测试方法(ISO3744:1994,NEQ)般工程用铸造碳钢件(ISO3755:1991,NEQ)标牌
机电产品包装通用技术条件
锤上自由锻件通用技术条件
JB/T7217分离机械
涂装通用技术条件
HG/J20677—1990
橡胶衬里化工设备
YB/T50891993锻件用不锈钢坏
型式和基本参数
3.1结构型式
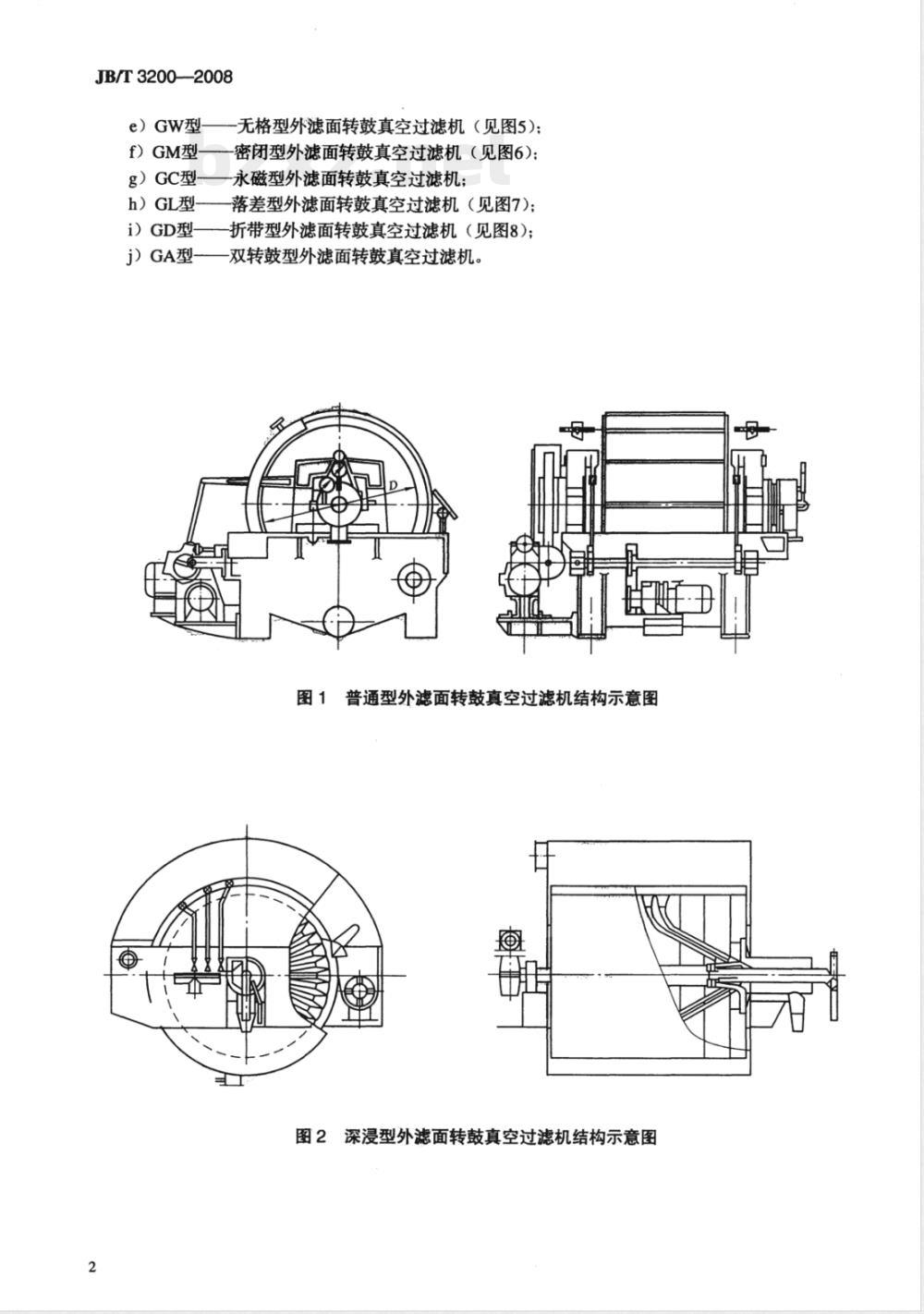
外滤面转鼓真空过滤机按其结构特征可分为:a)G型一普通型外滤面转鼓真空过滤机(见图1);b)GS型-深浸型外滤面转鼓真空过滤机(见图2);c)GF型—预敷型外滤面转鼓真空过滤机(见图3);d)GH型
一上部加料型外滤面转鼓真空过滤机(见图4);JB/T3200—-2008
e)GW型
f)GM型
g)GC型
h)GL型
i)GD型
j)GA型
无格型外滤面转鼓真空过滤机(见图5);密闭型外滤面转鼓真空过滤机(见图6):永磁型外滤面转鼓真空过滤机;落差型外滤面转鼓真空过滤机(见图7);折带型外滤面转鼓真空过滤机(见图8);双转鼓型外滤面转鼓真空过滤机。图1普通型外滤面转鼓真空过滤机结构示意图图2深浸型外滤面转鼓真空过滤机结构示意图图3预敷型外滤面转鼓真空过滤机结构示意图图4上部加料型外滤面转鼓真空过滤机结构示意图图5无格型外滤面转鼓真空过滤机结构示意图JB/T3200—2008
JB/T3200——2008
3.2基本参数
密闭型外滤面转鼓真空过滤机结构示意图图7落差型外滤面转鼓真空过滤机结构示意图图8折带型外滤面转鼓真空过滤机结构示意图过滤机的基本参数应符合表1的规定。百
过滤面积
0.25,0.5
8,10
15,20,25
转鼓直径
第1系列
型号表示方法
第2系列
2.4,2.6
转鼓转速
过滤面积
30,35
40,45
55,60
65,75
转鼓直径
第1系列
过滤机的型号编制方法应符合GB/T7780的规定。具体表示方法如下:JB/T3200—2008
转鼓转速
第2系列
改型代号:A、B、C
与分离
物料相
接触部
分的材
料代号
耐蚀钢
铝合金
橡胶或衬胶
塑料涂层
过滤面积/转鼓直径
刮刀卸料
空气刮刀卸料
特性代号
绳索卸料
折带卸料
钢丝卸料
辊子卸料
普通型外滤面转鼓真空过滤机
深浸型外滤面转鼓真空过滤机
预敷型外滤面转鼓真空过滤机
上部加料型外滤面转鼓真空过滤机无格型外滤面转鼓真空过滤机
密闭型外滤面转鼓真空过滤机
永磁型外滤面转鼓真空过滤机
落差型外滤面转鼓真空过滤机
折带型外滤面转鼓真空过滤机
双转鼓型外滤面转鼓真空过滤机r/min
不表示
不表示
JB/T3200—2008
4技术要求
4.1一般要求
过滤机应符合本标准的规定,并按经规定程序批准的图样及技术文件制造。4.2材料要求
4.2.1过滤机主要零部件材料应有材料质量证明书。4.2.2铸铁件应符合GB/T9439或GB/T1348的规定。4.2.3铸钢件应符合GB/T11352或GB/T2100的规定。4.2.4碳素钢应符合GB/T700或GB/T699的规定。4.2.5合金结构钢应符合GB/T3077的规定。4.2.6不锈耐酸钢应符合GB/T3280或GB/T4237的规定。4.2.7锻件应符合JB/T4385.1或YB/T5089—1993的规定。4.3主要零件质量要求
4.3.1转鼓、分配头、错气轴、空心轴等主要铸件应进行时效处理。4.3.2分配头、错气轴、空心轴等主要焊接件应进行消除内应力热处理。4.3.3转鼓、分配头、错气轴的焊接应符合GB150一1998中10.3的规定。4.3.4转鼓、分配头、错气轴的各腔室之间不允许互相串通,不允许存在使之贯通的螺孔。4.3.5固定错气盘和转动错气盘的配合面般应进行刮研,刮研点均匀,在任一25mm×25mm的范围内,接触点数不少于13。
4.3.6不进行刮研的固定错气盘和转动错气盘的配合面,其平面度不低于GB/T1184一1996规定的5级精度。
4.4装配要求
4.4.1转鼓、错气轴、转动错气盘的各腔室须相应对齐,其错位偏差不大于2mm。4.4.2连接错气盘的螺钉头部,最少应低于错气盘配合面2mm。4.4.3装配完毕的转鼓,其外圆柱面不得有明显凹陷与凸起,转鼓外圆柱面相对于左右轴径公共轴线的径向圆跳动量:折带过滤机、绳索过滤机和预敷过滤机不大于0.0015D;其余过滤机不大于0.0012D。4.4.4卸料刮刀和剥料辊刃口,压榨辊素线应与转鼓素线平行,其平行度误差每1000mm不大于0.5mm全长不超过2mm。
4.4.5扩幅辊、导向辊、调节辊等辊筒轴线与转鼓轴线的平行度不低于GB/T1184一1996规定的11级精度。
4.4.6外购配套设备(减速器、变速器、电动机等)应有出厂合格证。4.5密封要求
4.5.1固定错气盘和转动错气盘配合面应严密接触,其配合间隙不大于0.05mm。4.5.2过滤机焊接的转鼓、分配头、错气轴各腔室应不得渗漏。4.5.3过滤机的贮液槽、洗涤槽、进浆槽、稀释槽等应不得渗漏。4.6外观质量
4.6.1过滤机的不锈钢转鼓、分配头等外表面应进行表面处理,而且无明显锤痕和划伤。4.6.2除不锈钢外,过滤机非加工的金属零件外表面应涂漆;非加工的金属零件内表面应涂防锈底漆,应符合JB/T7217的规定。
4.6.3衬橡胶的转鼓、分配头、错气轴、空心轴、贮液槽等,其橡胶衬里的外观和与金属贴合质量应符合HG/J20677的规定。
4.7安全要求
4.7.1过滤机应有旋转方向标记。4.7.2开式传动装置应有可拆卸的防护罩。6
4.7.3电气控制箱和电动机应可靠接地。4.8环境要求
JB/T3200-2008
在环境温度为-10℃~十40℃,空气相对湿度不大于80%,没有介质腐蚀的条件下,过滤机电气控制箱应能正常工作。
4.9使用性能
4.9.1转鼓转速、剥料辊转速、搅拌器摆动次数、卸料刮刀自动进刀速度应符合设计要求。4.9.2各运动部件运行平稳,调速灵活、可靠,各零部件间无松脱或碰擦、卡阻等现象。4.9.3主轴承温升在空运转时不大于35℃,在负荷运转时不大于40℃。4.9.4滤布在运行中不应跑偏,其防偏装置应能有效地保证滤布稳定地覆盖在转鼓外表面。4.9.5过滤机,其噪声(声压级)不大于80dB(A)。4.9.6过滤机应具有良好的过滤介质再生性能,方便去除过滤介质表面的残留物。4.9.7过滤机的生产能力、滤饼含液量、滤液含固量、真空度等应符合设计要求,5试验方法
5.1密封试验
5.1.1不衬胶的转鼓、分配头、错气轴各腔室渗漏试验方法可以从下列具有同等效力的两种方法中选择一种:
a)进行气密性试验,在设计规定的真空度条件下保持10min,真空度下降值不得大于0.03MPa。b)进行煤油渗漏试验,保持15min不得渗漏。5.1.2不衬胶过滤机的贮液槽、洗涤槽、进浆槽、稀释槽等渗漏试验方法可以从下列具有同等效力的两种方法中选择一种:
a)进行盛水试验,保持20min不得渗漏;b)进行煤油渗漏试验,保持15min不得渗漏。5.2空运转试验
5.2.1试验前文件检查:
a)转鼓、错气轴、分配头、贮液槽等主要零部件材料质量合格证b)转鼓、错气轴、分配头的密封试验报告;c)减速器、变速器、电动机等主要外购件、配套件的出厂合格证5.2.2试验前安全检查按4.7的规定,5.2.3过滤机空运转试验在最高转速下进行,连续运转时间不少于2h。5.2.4运转试验
5.2.4.1主轴承温升测量
过滤机运转前,用温度计测量室温,连续运转2h后,用点温计测量主轴承温度,应符合4.9.3的要求。5.2.4.2噪声测量
噪声测量按GB/T10894的规定进行。5.3负荷运转试验
5.3.1过滤机负荷运转试验在空运转试验合格后,按额定工况条件进行,连续运转时间不少于8h。负荷运转试验允许在用户单位进行。5.3.2主轴承温升测量:
过滤机运转前,用温度计测量室温,连续运转8h后,用点温计测量轴承温度,应符合4.9.3的要求。5.3.3噪声测量:
噪声测量按GB/T10894的规定进行。5.3.4生产能力的测定:
JB/T3200—-2008
在额定工况下,含液量符合有关规定的滤饼在单位时间内的排出量(单位为t/h),在额定的工况下,按有关规定之浓度的悬浮液在单位时间内的处理量(单位为m2/h,t/h)。5.3.5滤饼含液量的测量:
a)取样位置和方法:在滤饼出口间隔取样三份,每份不少于50g;b)测量方法:三份试样混合后经万分之一级精密天平称重后放入烘箱内,烘干温度随物料不同按有关规定确定,经1.5h烘干,用万分之一级精密天平称重后再放入烘箱继续烘干。每隔0.5h取出称重,直至恒重(两次称重之差小于2mg)。然后按式(1)计算。00
式中:
Y—滤饼含液量;
m—试样烘前质量,单位为mg;
ml—试样烘后质量,单位为mg。不允许烘干的滤饼,可采用其他方法测量含液量。5.3.6滤液含固量的测量:
a)取样位置和方法:在滤液出口间隔取样三份,每份不少于100mL;(1)
b)测量方法:三份试样混合后取体积为100mL滤液用快速定性纸过滤,滤纸连同滤出的固体放人烘箱内,烘干温度随物料不同按有关标准确定,经过1.5h烘干,用万分之一级精密天平称重后再放入烘箱内继续烘干。每隔0.5h取出称重,直至恒重(两次称重之差小于2mg)。然后按式(2)计算。
Z= 81- 82
式中:
Z—滤液含固量,单位为mg/L;
滤纸及固体的质量,单位为mg;8
过滤前预先烘干的滤纸质量,单位为mg;82
V—滤液体积,单位为L。
不允许烘干的滤饼,可采用其他方法测量滤液含固量。6检验规则www.bzxz.net
6.1检验分类
过滤机产品检验分出厂检验(空运转试验)和型式检验。6.2出厂检验
过滤机应逐台进行出厂检验,出厂检验按5.2的规定进行,经检验合格后应附上产品合格证。6.3型式检验
6.3.1符合下列情况之一者,应进行型式检验;a)新产品或转厂生产的老产品;b)正式生产后,如结构、材料、工艺有较大改变,可能影响产品的性能时;c)正式生产时,定期或积累一定产量后,应每年进行一次检验;d)产品停产一年后,恢复生产时;e)出厂检验结果与上次型式检验有较大差异时;f)国家质量监督机构提出进行型式检验的要求时。6.3.2型式检验按第4、5章的规定进行。8
(2)
小提示:此标准内容仅展示完整标准里的部分截取内容,若需要完整标准请到上方自行免费下载完整标准文档。
备案号:23017—2008
中华人民共和国机械行业标准 JB/T 3200--2008
代替JB/T3200—1997
外滤面转鼓真空过滤机
Rotary-drumvacuumfilter
2008-02-01发布
2008-07-01实施
中华人民共和国国家发展和改革委员会发布前言
规范性引用文件
3型式和基本参数
3.1结构型式
基本参数
型号表示方法
4技术要求.
一般要求
材料要求
主要零件质量要求
装配要求
密封要求
外观质量
安全要求
环境要求,
使用性能.
5试验方法…
密封试验,
空运转试验.
负荷运转试验
检验规则..
6.1检验分类,
出厂检验
型式检验
7标志、包装、运输和贮存
7.4贮存
8质量保证期
普通型外滤面转鼓真空过滤机结构示意图图2深浸型外滤面转鼓真空过滤机结构示意图图3预敷型外滤面转鼓真空过滤机结构示意图图4上部加料型外滤面转鼓真空过滤机结构示意图无格型外滤面转鼓真空过滤机结构示意图图5
图6密闭型外滤面转鼓真空过滤机结构示意图图7落差型外滤面转鼓真空过滤机结构示意图图8折带型外滤面转鼓真空过滤机结构示意图次
JB/T3200—2008
JB/T3200—2008
本标准代替JB/T3200—1997《外滤面转鼓真空过滤机》。本标准由中国机械工业联合会提出。本标准由全国分离机械标准化技术委员会(SAC/TC92)归口。本标准负责起草单位:石家庄新生机械厂。本标准主要起草人:于汉琼、胡志坚、王彩杰,本标准所代替标准的历次版本发布情况:JB3200—1983,JB/T32001997;
-JB3201—1983,JB/T3200—1997。I
1范围
外滤面转鼓真空过滤机
JB/T3200—-2008
本标准规定了外滤面转鼓真空过滤机(以下简称过滤机)的型式和基本参数、技术要求、试验方法,检验规则、标志、包装、运输和贮存本标准适用于外滤面转鼓真空过滤机。2规范性引用文件
下列文件中的条款通过本标准的引用而成为本标准的条款。凡是注日期的引用文件,其随后所有的修改单(不包括勘误的内容)或修订版均不适用于本标准,然而,鼓励根据本标准达成协议的各方研究是否可使用这些文件的最新版本。凡是不注日期的引用文件,其最新版本适用于本标准。GB150-1998钢制压力容器
GB/T191—2000
GB/T699—1999
GB/T700—2006
包装储运图示标志(eqvISO780:1997)优质碳素结构钢
碳素结构钢(ISO630:1995:NEQ)GB/T1184—1996形状和位置公差未注公差值(eqvISO2768-2:1989)球墨铸铁件
GB/T1348-—1988
GB/T2100-2002
GB/T3077—1999
GB/T3280-—2007
GB/T4237—2007
GB/T6388—1986
GB/T7780--2005
GB/T9439—1988
GB/T10894—2004
GB/T11352—1989
GB/T13306--1991
GB/T13384—1992
JB/T4385.1—1999
一般用途耐蚀钢铸件(eqvISO11972:1998)合金结构钢(neqDINEN10083-1:1991)不锈钢冷轧钢板和钢带
不锈钢热轧钢板和钢带
运输包装收发货标志
过滤机型号编制方法
灰铸铁件
分离机械噪声测试方法(ISO3744:1994,NEQ)般工程用铸造碳钢件(ISO3755:1991,NEQ)标牌
机电产品包装通用技术条件
锤上自由锻件通用技术条件
JB/T7217分离机械
涂装通用技术条件
HG/J20677—1990
橡胶衬里化工设备
YB/T50891993锻件用不锈钢坏
型式和基本参数
3.1结构型式
外滤面转鼓真空过滤机按其结构特征可分为:a)G型一普通型外滤面转鼓真空过滤机(见图1);b)GS型-深浸型外滤面转鼓真空过滤机(见图2);c)GF型—预敷型外滤面转鼓真空过滤机(见图3);d)GH型
一上部加料型外滤面转鼓真空过滤机(见图4);JB/T3200—-2008
e)GW型
f)GM型
g)GC型
h)GL型
i)GD型
j)GA型
无格型外滤面转鼓真空过滤机(见图5);密闭型外滤面转鼓真空过滤机(见图6):永磁型外滤面转鼓真空过滤机;落差型外滤面转鼓真空过滤机(见图7);折带型外滤面转鼓真空过滤机(见图8);双转鼓型外滤面转鼓真空过滤机。图1普通型外滤面转鼓真空过滤机结构示意图图2深浸型外滤面转鼓真空过滤机结构示意图图3预敷型外滤面转鼓真空过滤机结构示意图图4上部加料型外滤面转鼓真空过滤机结构示意图图5无格型外滤面转鼓真空过滤机结构示意图JB/T3200—2008
JB/T3200——2008
3.2基本参数
密闭型外滤面转鼓真空过滤机结构示意图图7落差型外滤面转鼓真空过滤机结构示意图图8折带型外滤面转鼓真空过滤机结构示意图过滤机的基本参数应符合表1的规定。百
过滤面积
0.25,0.5
8,10
15,20,25
转鼓直径
第1系列
型号表示方法
第2系列
2.4,2.6
转鼓转速
过滤面积
30,35
40,45
55,60
65,75
转鼓直径
第1系列
过滤机的型号编制方法应符合GB/T7780的规定。具体表示方法如下:JB/T3200—2008
转鼓转速
第2系列
改型代号:A、B、C
与分离
物料相
接触部
分的材
料代号
耐蚀钢
铝合金
橡胶或衬胶
塑料涂层
过滤面积/转鼓直径
刮刀卸料
空气刮刀卸料
特性代号
绳索卸料
折带卸料
钢丝卸料
辊子卸料
普通型外滤面转鼓真空过滤机
深浸型外滤面转鼓真空过滤机
预敷型外滤面转鼓真空过滤机
上部加料型外滤面转鼓真空过滤机无格型外滤面转鼓真空过滤机
密闭型外滤面转鼓真空过滤机
永磁型外滤面转鼓真空过滤机
落差型外滤面转鼓真空过滤机
折带型外滤面转鼓真空过滤机
双转鼓型外滤面转鼓真空过滤机r/min
不表示
不表示
JB/T3200—2008
4技术要求
4.1一般要求
过滤机应符合本标准的规定,并按经规定程序批准的图样及技术文件制造。4.2材料要求
4.2.1过滤机主要零部件材料应有材料质量证明书。4.2.2铸铁件应符合GB/T9439或GB/T1348的规定。4.2.3铸钢件应符合GB/T11352或GB/T2100的规定。4.2.4碳素钢应符合GB/T700或GB/T699的规定。4.2.5合金结构钢应符合GB/T3077的规定。4.2.6不锈耐酸钢应符合GB/T3280或GB/T4237的规定。4.2.7锻件应符合JB/T4385.1或YB/T5089—1993的规定。4.3主要零件质量要求
4.3.1转鼓、分配头、错气轴、空心轴等主要铸件应进行时效处理。4.3.2分配头、错气轴、空心轴等主要焊接件应进行消除内应力热处理。4.3.3转鼓、分配头、错气轴的焊接应符合GB150一1998中10.3的规定。4.3.4转鼓、分配头、错气轴的各腔室之间不允许互相串通,不允许存在使之贯通的螺孔。4.3.5固定错气盘和转动错气盘的配合面般应进行刮研,刮研点均匀,在任一25mm×25mm的范围内,接触点数不少于13。
4.3.6不进行刮研的固定错气盘和转动错气盘的配合面,其平面度不低于GB/T1184一1996规定的5级精度。
4.4装配要求
4.4.1转鼓、错气轴、转动错气盘的各腔室须相应对齐,其错位偏差不大于2mm。4.4.2连接错气盘的螺钉头部,最少应低于错气盘配合面2mm。4.4.3装配完毕的转鼓,其外圆柱面不得有明显凹陷与凸起,转鼓外圆柱面相对于左右轴径公共轴线的径向圆跳动量:折带过滤机、绳索过滤机和预敷过滤机不大于0.0015D;其余过滤机不大于0.0012D。4.4.4卸料刮刀和剥料辊刃口,压榨辊素线应与转鼓素线平行,其平行度误差每1000mm不大于0.5mm全长不超过2mm。
4.4.5扩幅辊、导向辊、调节辊等辊筒轴线与转鼓轴线的平行度不低于GB/T1184一1996规定的11级精度。
4.4.6外购配套设备(减速器、变速器、电动机等)应有出厂合格证。4.5密封要求
4.5.1固定错气盘和转动错气盘配合面应严密接触,其配合间隙不大于0.05mm。4.5.2过滤机焊接的转鼓、分配头、错气轴各腔室应不得渗漏。4.5.3过滤机的贮液槽、洗涤槽、进浆槽、稀释槽等应不得渗漏。4.6外观质量
4.6.1过滤机的不锈钢转鼓、分配头等外表面应进行表面处理,而且无明显锤痕和划伤。4.6.2除不锈钢外,过滤机非加工的金属零件外表面应涂漆;非加工的金属零件内表面应涂防锈底漆,应符合JB/T7217的规定。
4.6.3衬橡胶的转鼓、分配头、错气轴、空心轴、贮液槽等,其橡胶衬里的外观和与金属贴合质量应符合HG/J20677的规定。
4.7安全要求
4.7.1过滤机应有旋转方向标记。4.7.2开式传动装置应有可拆卸的防护罩。6
4.7.3电气控制箱和电动机应可靠接地。4.8环境要求
JB/T3200-2008
在环境温度为-10℃~十40℃,空气相对湿度不大于80%,没有介质腐蚀的条件下,过滤机电气控制箱应能正常工作。
4.9使用性能
4.9.1转鼓转速、剥料辊转速、搅拌器摆动次数、卸料刮刀自动进刀速度应符合设计要求。4.9.2各运动部件运行平稳,调速灵活、可靠,各零部件间无松脱或碰擦、卡阻等现象。4.9.3主轴承温升在空运转时不大于35℃,在负荷运转时不大于40℃。4.9.4滤布在运行中不应跑偏,其防偏装置应能有效地保证滤布稳定地覆盖在转鼓外表面。4.9.5过滤机,其噪声(声压级)不大于80dB(A)。4.9.6过滤机应具有良好的过滤介质再生性能,方便去除过滤介质表面的残留物。4.9.7过滤机的生产能力、滤饼含液量、滤液含固量、真空度等应符合设计要求,5试验方法
5.1密封试验
5.1.1不衬胶的转鼓、分配头、错气轴各腔室渗漏试验方法可以从下列具有同等效力的两种方法中选择一种:
a)进行气密性试验,在设计规定的真空度条件下保持10min,真空度下降值不得大于0.03MPa。b)进行煤油渗漏试验,保持15min不得渗漏。5.1.2不衬胶过滤机的贮液槽、洗涤槽、进浆槽、稀释槽等渗漏试验方法可以从下列具有同等效力的两种方法中选择一种:
a)进行盛水试验,保持20min不得渗漏;b)进行煤油渗漏试验,保持15min不得渗漏。5.2空运转试验
5.2.1试验前文件检查:
a)转鼓、错气轴、分配头、贮液槽等主要零部件材料质量合格证b)转鼓、错气轴、分配头的密封试验报告;c)减速器、变速器、电动机等主要外购件、配套件的出厂合格证5.2.2试验前安全检查按4.7的规定,5.2.3过滤机空运转试验在最高转速下进行,连续运转时间不少于2h。5.2.4运转试验
5.2.4.1主轴承温升测量
过滤机运转前,用温度计测量室温,连续运转2h后,用点温计测量主轴承温度,应符合4.9.3的要求。5.2.4.2噪声测量
噪声测量按GB/T10894的规定进行。5.3负荷运转试验
5.3.1过滤机负荷运转试验在空运转试验合格后,按额定工况条件进行,连续运转时间不少于8h。负荷运转试验允许在用户单位进行。5.3.2主轴承温升测量:
过滤机运转前,用温度计测量室温,连续运转8h后,用点温计测量轴承温度,应符合4.9.3的要求。5.3.3噪声测量:
噪声测量按GB/T10894的规定进行。5.3.4生产能力的测定:
JB/T3200—-2008
在额定工况下,含液量符合有关规定的滤饼在单位时间内的排出量(单位为t/h),在额定的工况下,按有关规定之浓度的悬浮液在单位时间内的处理量(单位为m2/h,t/h)。5.3.5滤饼含液量的测量:
a)取样位置和方法:在滤饼出口间隔取样三份,每份不少于50g;b)测量方法:三份试样混合后经万分之一级精密天平称重后放入烘箱内,烘干温度随物料不同按有关规定确定,经1.5h烘干,用万分之一级精密天平称重后再放入烘箱继续烘干。每隔0.5h取出称重,直至恒重(两次称重之差小于2mg)。然后按式(1)计算。00
式中:
Y—滤饼含液量;
m—试样烘前质量,单位为mg;
ml—试样烘后质量,单位为mg。不允许烘干的滤饼,可采用其他方法测量含液量。5.3.6滤液含固量的测量:
a)取样位置和方法:在滤液出口间隔取样三份,每份不少于100mL;(1)
b)测量方法:三份试样混合后取体积为100mL滤液用快速定性纸过滤,滤纸连同滤出的固体放人烘箱内,烘干温度随物料不同按有关标准确定,经过1.5h烘干,用万分之一级精密天平称重后再放入烘箱内继续烘干。每隔0.5h取出称重,直至恒重(两次称重之差小于2mg)。然后按式(2)计算。
Z= 81- 82
式中:
Z—滤液含固量,单位为mg/L;
滤纸及固体的质量,单位为mg;8
过滤前预先烘干的滤纸质量,单位为mg;82
V—滤液体积,单位为L。
不允许烘干的滤饼,可采用其他方法测量滤液含固量。6检验规则www.bzxz.net
6.1检验分类
过滤机产品检验分出厂检验(空运转试验)和型式检验。6.2出厂检验
过滤机应逐台进行出厂检验,出厂检验按5.2的规定进行,经检验合格后应附上产品合格证。6.3型式检验
6.3.1符合下列情况之一者,应进行型式检验;a)新产品或转厂生产的老产品;b)正式生产后,如结构、材料、工艺有较大改变,可能影响产品的性能时;c)正式生产时,定期或积累一定产量后,应每年进行一次检验;d)产品停产一年后,恢复生产时;e)出厂检验结果与上次型式检验有较大差异时;f)国家质量监督机构提出进行型式检验的要求时。6.3.2型式检验按第4、5章的规定进行。8
(2)
小提示:此标准内容仅展示完整标准里的部分截取内容,若需要完整标准请到上方自行免费下载完整标准文档。

标准图片预览:





- 其它标准
- 热门标准
- 机械行业标准(JB)
- JB/T6882-2006 泵可靠性验证试验
- JB/T9592.2-1999 全金属12角法兰面锁紧螺母 技术条件
- JB/T4718-1992 管壳式换热器用金属包垫片
- JB8734.2-1998 额定电压 450/750V及以下聚氯乙烯绝缘电缆电线和软线第2部分: 固定布线用电缆电线
- JB/T10187-2011 滚动轴承 深沟球轴承振动
- JB/T7991.4-2001 电镀超硬磨料制品 磨头
- JB/T10325-2002 锅炉除氧器 技术条件
- JB/T8528-1997 普通型阀门电动装置 技术条件
- JBJ10-1996 机械工厂采暖通风与空气调节设计规范
- JB/T2740-2008 工业机械电气设备 电气图、图解和表的绘制
- JB/T82.1-1994 凸面对焊钢制管法兰
- JB/T6313.2-1992 电工铜编织线 斜纹编织线
- JB/T5917-2006 袋式除尘器用滤袋框架
- JB/T9768-1999 内燃机 气缸套平台珩磨网纹 技术规范及检测方法
- JB/T10472-2005 光轮压路机
- 行业新闻
请牢记:“bzxz.net”即是“标准下载”四个汉字汉语拼音首字母与国际顶级域名“.net”的组合。 ©2009 标准下载网 www.bzxz.net 本站邮件:bzxznet@163.com
网站备案号:湘ICP备2023016450号-1
网站备案号:湘ICP备2023016450号-1