【烟草行业标准(YC)】 烟草机械 WF21~28、WF211~218、WF221~222型滚筛式热风润叶机
本网站 发布时间:
2024-07-01 20:56:22
- YC/T54-1996
- 已作废
- 点击下载此标准
标准号:
YC/T 54-1996
标准名称:
烟草机械 WF21~28、WF211~218、WF221~222型滚筛式热风润叶机
标准类别:
烟草行业标准(YC)
标准状态:
已作废-
发布日期:
1996-07-08 -
实施日期:
1996-11-01 -
作废日期:
2006-02-27 出版语种:
简体中文下载格式:
.rar.pdf下载大小:
283.04 KB
点击下载
标准简介:
标准下载解压密码:www.bzxz.net
YC/T 54-1996 烟草机械 WF21~28、WF211~218、WF221~222型滚筛式热风润叶机 YC/T54-1996
部分标准内容:
YC/T54-1996
本标准规定了WF21~~28、WF211~218.WF221~~222A型滚筛式热风润叶机的技术要求、试验方法、检验、标志、包装、运输及贮存等,可作为WF21~28.WF211~218、WF221~222A型滚筛式热风润叶机生产、质量检验选购验收、使用维护、修理和治谈贸易的技术依据。本标准从1996年11月1日起实施,1997年11月1日起所有制造的WF21~28,WF211~218WF221~222A型滚筛式热风润叶机均应符合本标准的规定。本标准的附录A、附录B都是标雄的附录。本标谁由国家烟草专卖局提出。本标推由全国烟草标准化技术委员会归口。本标准起草单位:中国铁道建筑总公司徐州机械厂、北京长征高科技公司。本标谁主要起草人:梁文娟、张学军、桑士民、李杰、罗东懿。122
1范围
中华人民共和国烟草行业标准
烟草机械
WF21~~28.WF211~218.
WF221~222型滚筛式热风润叶机Tobacco machinery-
Model WF21 to 28.WF211 to 218, WF221 to 222conditioning and screening cylinderYC/T 54—1996
本标准规定了WF21~28、WF211~218、WF221~222型滚筛式热风润叶机的技术要求、试验方法、捡验、标志、包装、运输及贮存等。本标准适用于WF21~28、WF211~218.WF221~~222型及其改进型滚筛式热风润叶机(以下简称整机)。
2引用标准
下列标准所包含的条文,通过在本标准中引用而构成为本标准的条文。本标准出版时,所示版本均为有效。所有标准都会被修订,使用本标准的各方应探讨使用下列标准最新版本的可能性。GB2635—1992烤烟
GB2894—1988安全标志
GB/T3768-1983噪声源声功率级的测定简易法GB/T5330--1985工业用金属丝编织方孔筛网GB5749—1985生活饮用水卫生标准空气质量总悬浮微粒的测定(重量法)GB/T 9802-1988
GB/T 13306—1991
YC/T 1--1994
YC/T 9—1993
烟草机械产品型号编制规则
卷烟厂设计规范
YC/T 10.10--1993
YC/T 10. 11—1993
YC/T10.12--1993
YC/T 10.14-1993
YC/T 10. 16---1996
YC/T 11. 2--1993
烟草机械
烟草机械
烟草机械
烟草机械
烟草机械
烟草机械
通用技术条件涂漆
通用技术条件
通用技术条件
通用技术条件
通用技术条件
装有电子器件的电控设备
电气装配
产品图样及设计文件
基本要求
烟草机械产品命名方法
YC/T 15--1994
卷烟工艺规范
国家烟草专卖局1996-07-08批准1996-17-07实施
3分类与命名
YC/T 54—1996
分类与命名按YC/T1和YC/T15执行。3.1型号
3.1.1型号示例如下
型号一览表见表1。
产品型号
WF211A
WF212A
WF213A
WF214A
WF215A
改进设计代号
型别序号
型别代号
组别代号
类别代号
额定生产能力,kg/h
左式机
第一次改进设计
滚筛式
热风回潮
增温、增湿
结构特点
右式机
手动调速
主频调速
产品型号
WF216A
WF217A
WF218A
WF221A
WF222A
额定生产能力,kg/h
额定生产能力按物料含水率12%计算YC/T 54-1996
表1(完)
左式机
右式机
结构特点
手动调速
2左式机是指观察者沿进出物科流向观察,操作面在简体右侧者。反之,为右式机。3.2基本参数
3.2.7性能指标应符合表2的规定。3.2.2耗能指标见表3。wwW.bzxz.Net
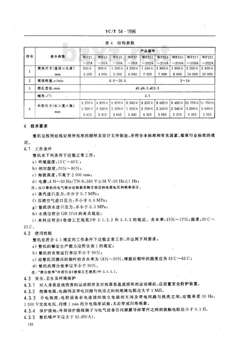
结构参数见表4。
基本参数
额定生产能力.kg/h
出料温度,C
出料含水率,为
筛分效率,%
~22A
表2性能指标
产品型号
考核额定生产能力,按物料含水率12%计算注:
~26A
~28A
表3耗能指标
基本参数
耗电总功率,kw
蒸汽耗量.kg/h
水耗量.kg/h
压缩空气耗量,m*/h
压缩空气压力.MPa
进口燕汽压力,MPa
~26A
主频调速
WF211WF213WF215WF217
~212A
产品型号
~214A
~216A
WF217|WF221
WF211WF213WF215
~28A~212A
~214A:
~216A
≥0.6,经干燥、过滤
~218A
基本参数
简体尺寸(直径×长度)
简体转速,r/min
筛孔直径.mm
顿角,(\)
外形尺寸(长×宽×高)
4技术要求
~22A
YC/T 54—1996
结构参数
11200x
产品型号
1200×
11400×
6. 6~26. 6
1900×
3、6.5、#12.5
4870×
1500×
5970×6965X
1 500×
2200×
2400×
19485x
8255X8485×
11750×11750×
12340x
1700×
3200×
整机应按照经规定程序批准的图样及设计文件制造,并符合本标准和有关国家、烟草行业标准的规定。
4.1工作条件
整机在下列条件下应能正常工作:a)环境温度:10C~40℃:
b)相对湿度:70%~80%;
c)海拔高度:不高于2000mm;
d)电源:3N50Hz/TN-S,380V±38V,50Hz±1Hz;注:出口整机的电气部分应根据采购方指定的电源电压和频率设计。e)蒸汽进口压力:不少于0.7MPa;1)压缩空气进口压力:不小于0.6MPag)整机供水进口压力:不小于0.3MPa;h)水质应符合GB5749的有关规定;i)来料应符合卷烟工艺规范》中3.1.2.2和3.5.2的规定。含水率:15%~17%;温度:20C~~25C。
4.2使用性能
整机在符合4.1规定的工作条件下应能正常工作,并达到下列要求:a)整机的额定生产能力应符合表1的规定;b)整机的有效运行率应不小于90%;c)经整机回潮后的烟叶的含水率为18%~20%,增温后烟叶的温度应为55C~65C;d)整机的筛分效率应不小于90%。注:“筛分效率”术语引自《卷烟工艺规范》中3.4.3.1。4.3安全、卫生及环境保护
4.3.1对人身易造成伤害的运动部件及对机器易造成损坏的运动部位,应设置安全防护装置。4.3.2绝缘电阻:电路间及带电回路与机壳之间的绝缘电阻应大于1Mn。4.3.3介电强度:电控设备非电连接的独立电路相互间及带电回路与机壳之间,应能承受50Hz、1500V交流电压、持续1min的介电强度试验,无击穿或闪络现象。4.3.4保护接地:外部保护接线端子与电气设备任何裸露导体零件之间的接触电阻应小于0.1。4.3.5整机噪声不应大于85dB(A)。126
4.3.6有下列情况之一时应能安全停机:YC/T 54-1996
a)整机的防护门罩应具有限位保护器,当门罩打开时机器应能自动停止工作;b)整机上应设置由电气开关组成的闭锁/开锁装置(隔离开关)。在闭锁位置时,任何启动设备的操作将不能进行,
c)整机应设紧急停机按钮,当出现紧急情况(设备损坏、人身危险)时,按下此按钮,即可断电停机。
4.3.7在厂房通风、除尘符合YC9规定的条件下,整机正常运行对周围环境造成空气含尘浓度应不大于3mg/m(不包括除尘房)。
4.4装配
4.4.1装配应符合YC/T10.11和YC/T10.16的有关规定。4.4.2装配后整机的水、气、蒸汽各系统应工作正常,不得有泄漏阻塞现象。4.4.3万向球与夹板应转动自如,不应有卡滞现象。4.4.4装配后筒简体旋向为:从出料方向看应是顺时针旋转。4.4.5所有管道应布局合理,排列整齐。铜管联结处不充许有弯扁等缺陷,各压力表与面板的距离不应大于 5 mm。
4.5·空载运行
整机装配调试后,应进行不少于4h的连续空载运行试验,并达到下列要求:a)整机运行正常,控制系统应能满足空载运行所需各种功能;b)整机运行平稳、正常,各运行部位无卡滞和不正常响声:C)润滑良好:
d)各紧固件连接处应无松动;
e)电机、减速机、轴承连续运转6h后,温升应不超过40C,最高温度不大于70℃;f)各种汽、水控制元件动作灵活、可靠,仪表数字显示准确,汽、水管路系统不得有泄漏现象。4.6负载运行
整机应以额定生产能力进行负载运行21h以上,并达到下列要求:a)整机运行正常,控制系统应能满足负载运行所需的各种功能;b)使用性能达到4.2的规定。
注;整机受整线工艺设计的限制达不到额定生产能力时,可以工艺设计能力代替额定生产能力进行运行。4.7外观
4.7.1整机外表面涂漆层质量应符合YC/T10.10—1993中4.3.5的有关要求。4.7.2整机外观涂漆色泽应与整线设备相协调。5试验方法
5.1试验用仪器、工具及精度
a)声级计:2型,A计权网络;
b)分析天平:精度3级5级;
c)玻璃水银温度计:范围0℃~100℃,测量精度土1℃;d)叶片振动分选机。
5.2含水率
5.2.1取样方法
在整机运行30min后,每隔30min,分别在整机进料口和出料口随机取样100g,置于样品盒中。各取样三次。
5.2.2检验方法按《卷烟工艺规范》中9.2.3.2.2的规定。127
5.3温度
YC/T 54--1996
5.3.1在整机进、出口处检验进、出料温度。5.3.2检验方法按《卷烟工艺规范》中9.2.3.7.1执行。5.4有效运行率
在符合4.1的工作条件下,整机应以额定生产能力正常运行,连续三天,每天一班,每班不少于7h考核运行时间(若不能保证每班7h的考核运行时间,应延长该班工作时间或重新考核),有效运行率按式(1)计算:
实际合格品产量×100
整机有效运行率(%)=
额定产量
式中:额定产量一额定生产能力义(考核时间一非整机故障停机时间)注
1实际合格品产量为筛分效率、含水率和温度达到规定指标的整批烟叶。2整机受整线工艺设计的限制达不到额定生产能力时,可以工艺设计能力代替额定生产能力进行计算。3额定生产能力按含水率12%计算,实际合格品产量也应按含水率12%计算,(1)
4整机有效运行率的计算与采购方日常使用整机时有效作业率的考核是有区别的,后者存在资源配置、环境条件、企业管理等因素的影响。
5.5筛分效率
5.5.1取样
测试样品的取样时间一般在筛分机负载运行30min后至停机前30min。每次分别从筛分机进料和出料口处随机取样各1kg,取样间隔时间30min,各取样5次,筛分前、后的样品各5kg。
5.5.2测定方法
将筛分前样品5kg用叶片振动分选筛进行筛分,筛分时间为1min,当整机的网孔直径为12.5mm时,则从GF1W10.0/2.50(平纹)筛网以下各层取出筛出物进行称重。当整机的网孔直径为6.5mm时,则从GF1W5.0/1.25(平纹)筛网以下各层取出筛出物并称重,当整机的网孔直径为43.0mm时.则从GF1W2.5/0.71(平纹)筛网以下各层取出筛出物进行称重。叶片分选机的筛网应符合GB/T5330的规定。
将筛分后样品5kg用上述方法进行测试筛分、称重,筛分效率按式(2)计算:W-wi.
Q(%) =
式中:Q-筛分效率;
筛分前样品中含杂物量,kg;
筛分后样品中含杂物量,kg。
5.6电气安全性能
绝缘电阻、介电强度和保护接地的测试方法按YC/T10.14—1993中4.2~4.4进行。5.7噪声
噪声声压级的测试方法见附录A(标雅的附录)。5.8厂房含尘率
厂房含尘率的测定按GB/T9802的有关规定。6检验
整机的检验分为出厂检验、验收检验和型式检验。6.1出厂检验
6.1.1每台整机出厂检验的项目为4.3~4.5和4.7及7.1、7.2.1、7.2.2。128
YC/T 54—1996
6.1.2每台整机经制造厂质量检验部门检验合格,并附有产品合格证后方可出厂。,6.2验收检验
6.2.1每台整机应按4.5和4.6进行验收检验。6.2.2整机的验收检验应在采购方进行。验收检验时,应作好工作条件记录和验收记录作为验收凭证。工作条件记录和验收记录见附录B(标准的附录)。6.3型式检验
6.3.1有下列情况之时,应进行型式检验:a)新产品或老产品转厂生产的试制定型鉴定时;6)正式生产后如产品设计有较大改变,可能影响产品性能时;c)正常生产时,积累50台后,应周期性进行一次检验;d)产品停产三年后恢复生产时;e)出广检验结果与上砍型式检验有较大差异时;f)国家技术监督机构提出型式试验要求时。6.3.2型式检验项目为本标准所有技术要求和产品质量特性重要度分级表中的关键特性项目和重要特性项目。
6.3.3型式检验应在经出厂检验合格的产品中随机抽取,抽样率为10%。若出厂整机数量少于10台时,则随机抽取一台。
6.4判定规则
6.4.1在各项检验中,检验结果均符合本标推的规定时,则判定产品为合格。6.4.2在各项检验中,当某项指标达不到标推规定时,允许调试后进行复验,若复验两次仍达不到规定时,则判定产品为不合格。
7标志、包装、运输及贮存
7.1标志
7.1.1标志应符合GB2894、GB/T13306的有关规定。铭牌内容至少应包括:a)产品型号及名称;
b)额定生产能力;
c)制造厂名称;
d)制造日期和出厂编号。
7.1.2包装、运输及贮存标志应符合YC/T10.12中的有关规定。7.2包装、运输及贮存
7.2.1包装应符合YC/T10.12的有关规定。7.2.2随机文件应符合YC/T11.2的有关规定。7.2.3运输、贮存应符合YC/T10.12-1993中第4章的规定。开箱验货前,若采购方在露天放置包装箱时,应采取防雨、水措施。
8产品贵任
产品责任宜在采购方与供方签订的合同中予以明确。注:建议至少在合同中明确,采购方在遵守本标准和使用说明书规定的条件下,整机自开箱验货确认无误之日起18个月内,若因制造质量而不能正常使用,供方应及时免费修理或更换。129
A1测试仪器
YC/T 54—1996
附录A
(标准的附录)
噪声压级的测定
测量整机噪声声压级应用精密声级计,A计权网络,测量仪器及有关事项按GB/T3768—1983中第4章。
A2测试环境
A2.1整机周围不应放置障碍物。A2.2整机与周围墙壁的距离不应少于 2 000 m。A2.3背景噪声的要求按GB/T3768--1983中3.2。A3测试过程整机的状态
在进行测试过程中,整机应处于正常的运行状态。A4测量方法
A4.1传声器应向整机噪声源,并与水平面平行。A4.2传声器距离地面高度为1500mmA4.3传声器到整机的距离为1000mm。A4.4测点数与测点布置图见图A1。A4.5背景噪声的修正按GB/T3768--1983中6.5执行。A4.6噪声声压级的计算按GB/T3768—1983中7.1执行。1000
—基本测点:—附加测点(水平面上A声级最高一点)图A1
测点布置图
B1工作条件记录
工作条件记录见表B1。
产品型号、名称
制造厂名称
制造日期、出厂编号
测试地点、时间
测试人员(签字)
评价:
项目名称
电源:3N~50Hz/TN-S
整机供水进口压力
饱和蒸汽进口压力
压缩空气进口压力
环境温度
相对环境湿度
进料含水率
进料温度
进料烟叶质量
厂房通风除尘
YC/T 54--1996
附录B
(标准的附录)
工作条件记录和验收记录
表B1工作条件记录
型滚筛式热风润叶机
标准规定
380V±38V 50Hz±1Hz
≥0. 3 MPa
≥0.7 MPa
≥0.6 MPa
10℃~40℃
70%~80%
按GB5749
15%~17%
20'℃~25℃
符合《卷烟工艺规范》中
3.1.2.4和3.4.2规定
符合YC9要求
B2验收记录
验收记录见表B2。
产品型号、名称
制造厂名称
制造日期、编号
验收地点、时间
结论:
项目名称
额定生产能力(按12%含水率计算)出料温度
出料含水率
有效运行率
筛分效率
YC/T 54—1996
表B2验收记录
型滚筛式热风润叶机
标准规定
按表1
55℃~65℃
18%~20%
≥90%
≥90%
整机运行正常,控制系统功能齐全、稳定采购方代表(签字):
供方代表(签字):
采购方单位(签章):
年月日
供方单位(签章):
年月日
小提示:此标准内容仅展示完整标准里的部分截取内容,若需要完整标准请到上方自行免费下载完整标准文档。
本标准规定了WF21~~28、WF211~218.WF221~~222A型滚筛式热风润叶机的技术要求、试验方法、检验、标志、包装、运输及贮存等,可作为WF21~28.WF211~218、WF221~222A型滚筛式热风润叶机生产、质量检验选购验收、使用维护、修理和治谈贸易的技术依据。本标准从1996年11月1日起实施,1997年11月1日起所有制造的WF21~28,WF211~218WF221~222A型滚筛式热风润叶机均应符合本标准的规定。本标准的附录A、附录B都是标雄的附录。本标谁由国家烟草专卖局提出。本标推由全国烟草标准化技术委员会归口。本标准起草单位:中国铁道建筑总公司徐州机械厂、北京长征高科技公司。本标谁主要起草人:梁文娟、张学军、桑士民、李杰、罗东懿。122
1范围
中华人民共和国烟草行业标准
烟草机械
WF21~~28.WF211~218.
WF221~222型滚筛式热风润叶机Tobacco machinery-
Model WF21 to 28.WF211 to 218, WF221 to 222conditioning and screening cylinderYC/T 54—1996
本标准规定了WF21~28、WF211~218、WF221~222型滚筛式热风润叶机的技术要求、试验方法、捡验、标志、包装、运输及贮存等。本标准适用于WF21~28、WF211~218.WF221~~222型及其改进型滚筛式热风润叶机(以下简称整机)。
2引用标准
下列标准所包含的条文,通过在本标准中引用而构成为本标准的条文。本标准出版时,所示版本均为有效。所有标准都会被修订,使用本标准的各方应探讨使用下列标准最新版本的可能性。GB2635—1992烤烟
GB2894—1988安全标志
GB/T3768-1983噪声源声功率级的测定简易法GB/T5330--1985工业用金属丝编织方孔筛网GB5749—1985生活饮用水卫生标准空气质量总悬浮微粒的测定(重量法)GB/T 9802-1988
GB/T 13306—1991
YC/T 1--1994
YC/T 9—1993
烟草机械产品型号编制规则
卷烟厂设计规范
YC/T 10.10--1993
YC/T 10. 11—1993
YC/T10.12--1993
YC/T 10.14-1993
YC/T 10. 16---1996
YC/T 11. 2--1993
烟草机械
烟草机械
烟草机械
烟草机械
烟草机械
烟草机械
通用技术条件涂漆
通用技术条件
通用技术条件
通用技术条件
通用技术条件
装有电子器件的电控设备
电气装配
产品图样及设计文件
基本要求
烟草机械产品命名方法
YC/T 15--1994
卷烟工艺规范
国家烟草专卖局1996-07-08批准1996-17-07实施
3分类与命名
YC/T 54—1996
分类与命名按YC/T1和YC/T15执行。3.1型号
3.1.1型号示例如下
型号一览表见表1。
产品型号
WF211A
WF212A
WF213A
WF214A
WF215A
改进设计代号
型别序号
型别代号
组别代号
类别代号
额定生产能力,kg/h
左式机
第一次改进设计
滚筛式
热风回潮
增温、增湿
结构特点
右式机
手动调速
主频调速
产品型号
WF216A
WF217A
WF218A
WF221A
WF222A
额定生产能力,kg/h
额定生产能力按物料含水率12%计算YC/T 54-1996
表1(完)
左式机
右式机
结构特点
手动调速
2左式机是指观察者沿进出物科流向观察,操作面在简体右侧者。反之,为右式机。3.2基本参数
3.2.7性能指标应符合表2的规定。3.2.2耗能指标见表3。wwW.bzxz.Net
结构参数见表4。
基本参数
额定生产能力.kg/h
出料温度,C
出料含水率,为
筛分效率,%
~22A
表2性能指标
产品型号
考核额定生产能力,按物料含水率12%计算注:
~26A
~28A
表3耗能指标
基本参数
耗电总功率,kw
蒸汽耗量.kg/h
水耗量.kg/h
压缩空气耗量,m*/h
压缩空气压力.MPa
进口燕汽压力,MPa
~26A
主频调速
WF211WF213WF215WF217
~212A
产品型号
~214A
~216A
WF217|WF221
WF211WF213WF215
~28A~212A
~214A:
~216A
≥0.6,经干燥、过滤
~218A
基本参数
简体尺寸(直径×长度)
简体转速,r/min
筛孔直径.mm
顿角,(\)
外形尺寸(长×宽×高)
4技术要求
~22A
YC/T 54—1996
结构参数
11200x
产品型号
1200×
11400×
6. 6~26. 6
1900×
3、6.5、#12.5
4870×
1500×
5970×6965X
1 500×
2200×
2400×
19485x
8255X8485×
11750×11750×
12340x
1700×
3200×
整机应按照经规定程序批准的图样及设计文件制造,并符合本标准和有关国家、烟草行业标准的规定。
4.1工作条件
整机在下列条件下应能正常工作:a)环境温度:10C~40℃:
b)相对湿度:70%~80%;
c)海拔高度:不高于2000mm;
d)电源:3N50Hz/TN-S,380V±38V,50Hz±1Hz;注:出口整机的电气部分应根据采购方指定的电源电压和频率设计。e)蒸汽进口压力:不少于0.7MPa;1)压缩空气进口压力:不小于0.6MPag)整机供水进口压力:不小于0.3MPa;h)水质应符合GB5749的有关规定;i)来料应符合卷烟工艺规范》中3.1.2.2和3.5.2的规定。含水率:15%~17%;温度:20C~~25C。
4.2使用性能
整机在符合4.1规定的工作条件下应能正常工作,并达到下列要求:a)整机的额定生产能力应符合表1的规定;b)整机的有效运行率应不小于90%;c)经整机回潮后的烟叶的含水率为18%~20%,增温后烟叶的温度应为55C~65C;d)整机的筛分效率应不小于90%。注:“筛分效率”术语引自《卷烟工艺规范》中3.4.3.1。4.3安全、卫生及环境保护
4.3.1对人身易造成伤害的运动部件及对机器易造成损坏的运动部位,应设置安全防护装置。4.3.2绝缘电阻:电路间及带电回路与机壳之间的绝缘电阻应大于1Mn。4.3.3介电强度:电控设备非电连接的独立电路相互间及带电回路与机壳之间,应能承受50Hz、1500V交流电压、持续1min的介电强度试验,无击穿或闪络现象。4.3.4保护接地:外部保护接线端子与电气设备任何裸露导体零件之间的接触电阻应小于0.1。4.3.5整机噪声不应大于85dB(A)。126
4.3.6有下列情况之一时应能安全停机:YC/T 54-1996
a)整机的防护门罩应具有限位保护器,当门罩打开时机器应能自动停止工作;b)整机上应设置由电气开关组成的闭锁/开锁装置(隔离开关)。在闭锁位置时,任何启动设备的操作将不能进行,
c)整机应设紧急停机按钮,当出现紧急情况(设备损坏、人身危险)时,按下此按钮,即可断电停机。
4.3.7在厂房通风、除尘符合YC9规定的条件下,整机正常运行对周围环境造成空气含尘浓度应不大于3mg/m(不包括除尘房)。
4.4装配
4.4.1装配应符合YC/T10.11和YC/T10.16的有关规定。4.4.2装配后整机的水、气、蒸汽各系统应工作正常,不得有泄漏阻塞现象。4.4.3万向球与夹板应转动自如,不应有卡滞现象。4.4.4装配后筒简体旋向为:从出料方向看应是顺时针旋转。4.4.5所有管道应布局合理,排列整齐。铜管联结处不充许有弯扁等缺陷,各压力表与面板的距离不应大于 5 mm。
4.5·空载运行
整机装配调试后,应进行不少于4h的连续空载运行试验,并达到下列要求:a)整机运行正常,控制系统应能满足空载运行所需各种功能;b)整机运行平稳、正常,各运行部位无卡滞和不正常响声:C)润滑良好:
d)各紧固件连接处应无松动;
e)电机、减速机、轴承连续运转6h后,温升应不超过40C,最高温度不大于70℃;f)各种汽、水控制元件动作灵活、可靠,仪表数字显示准确,汽、水管路系统不得有泄漏现象。4.6负载运行
整机应以额定生产能力进行负载运行21h以上,并达到下列要求:a)整机运行正常,控制系统应能满足负载运行所需的各种功能;b)使用性能达到4.2的规定。
注;整机受整线工艺设计的限制达不到额定生产能力时,可以工艺设计能力代替额定生产能力进行运行。4.7外观
4.7.1整机外表面涂漆层质量应符合YC/T10.10—1993中4.3.5的有关要求。4.7.2整机外观涂漆色泽应与整线设备相协调。5试验方法
5.1试验用仪器、工具及精度
a)声级计:2型,A计权网络;
b)分析天平:精度3级5级;
c)玻璃水银温度计:范围0℃~100℃,测量精度土1℃;d)叶片振动分选机。
5.2含水率
5.2.1取样方法
在整机运行30min后,每隔30min,分别在整机进料口和出料口随机取样100g,置于样品盒中。各取样三次。
5.2.2检验方法按《卷烟工艺规范》中9.2.3.2.2的规定。127
5.3温度
YC/T 54--1996
5.3.1在整机进、出口处检验进、出料温度。5.3.2检验方法按《卷烟工艺规范》中9.2.3.7.1执行。5.4有效运行率
在符合4.1的工作条件下,整机应以额定生产能力正常运行,连续三天,每天一班,每班不少于7h考核运行时间(若不能保证每班7h的考核运行时间,应延长该班工作时间或重新考核),有效运行率按式(1)计算:
实际合格品产量×100
整机有效运行率(%)=
额定产量
式中:额定产量一额定生产能力义(考核时间一非整机故障停机时间)注
1实际合格品产量为筛分效率、含水率和温度达到规定指标的整批烟叶。2整机受整线工艺设计的限制达不到额定生产能力时,可以工艺设计能力代替额定生产能力进行计算。3额定生产能力按含水率12%计算,实际合格品产量也应按含水率12%计算,(1)
4整机有效运行率的计算与采购方日常使用整机时有效作业率的考核是有区别的,后者存在资源配置、环境条件、企业管理等因素的影响。
5.5筛分效率
5.5.1取样
测试样品的取样时间一般在筛分机负载运行30min后至停机前30min。每次分别从筛分机进料和出料口处随机取样各1kg,取样间隔时间30min,各取样5次,筛分前、后的样品各5kg。
5.5.2测定方法
将筛分前样品5kg用叶片振动分选筛进行筛分,筛分时间为1min,当整机的网孔直径为12.5mm时,则从GF1W10.0/2.50(平纹)筛网以下各层取出筛出物进行称重。当整机的网孔直径为6.5mm时,则从GF1W5.0/1.25(平纹)筛网以下各层取出筛出物并称重,当整机的网孔直径为43.0mm时.则从GF1W2.5/0.71(平纹)筛网以下各层取出筛出物进行称重。叶片分选机的筛网应符合GB/T5330的规定。
将筛分后样品5kg用上述方法进行测试筛分、称重,筛分效率按式(2)计算:W-wi.
Q(%) =
式中:Q-筛分效率;
筛分前样品中含杂物量,kg;
筛分后样品中含杂物量,kg。
5.6电气安全性能
绝缘电阻、介电强度和保护接地的测试方法按YC/T10.14—1993中4.2~4.4进行。5.7噪声
噪声声压级的测试方法见附录A(标雅的附录)。5.8厂房含尘率
厂房含尘率的测定按GB/T9802的有关规定。6检验
整机的检验分为出厂检验、验收检验和型式检验。6.1出厂检验
6.1.1每台整机出厂检验的项目为4.3~4.5和4.7及7.1、7.2.1、7.2.2。128
YC/T 54—1996
6.1.2每台整机经制造厂质量检验部门检验合格,并附有产品合格证后方可出厂。,6.2验收检验
6.2.1每台整机应按4.5和4.6进行验收检验。6.2.2整机的验收检验应在采购方进行。验收检验时,应作好工作条件记录和验收记录作为验收凭证。工作条件记录和验收记录见附录B(标准的附录)。6.3型式检验
6.3.1有下列情况之时,应进行型式检验:a)新产品或老产品转厂生产的试制定型鉴定时;6)正式生产后如产品设计有较大改变,可能影响产品性能时;c)正常生产时,积累50台后,应周期性进行一次检验;d)产品停产三年后恢复生产时;e)出广检验结果与上砍型式检验有较大差异时;f)国家技术监督机构提出型式试验要求时。6.3.2型式检验项目为本标准所有技术要求和产品质量特性重要度分级表中的关键特性项目和重要特性项目。
6.3.3型式检验应在经出厂检验合格的产品中随机抽取,抽样率为10%。若出厂整机数量少于10台时,则随机抽取一台。
6.4判定规则
6.4.1在各项检验中,检验结果均符合本标推的规定时,则判定产品为合格。6.4.2在各项检验中,当某项指标达不到标推规定时,允许调试后进行复验,若复验两次仍达不到规定时,则判定产品为不合格。
7标志、包装、运输及贮存
7.1标志
7.1.1标志应符合GB2894、GB/T13306的有关规定。铭牌内容至少应包括:a)产品型号及名称;
b)额定生产能力;
c)制造厂名称;
d)制造日期和出厂编号。
7.1.2包装、运输及贮存标志应符合YC/T10.12中的有关规定。7.2包装、运输及贮存
7.2.1包装应符合YC/T10.12的有关规定。7.2.2随机文件应符合YC/T11.2的有关规定。7.2.3运输、贮存应符合YC/T10.12-1993中第4章的规定。开箱验货前,若采购方在露天放置包装箱时,应采取防雨、水措施。
8产品贵任
产品责任宜在采购方与供方签订的合同中予以明确。注:建议至少在合同中明确,采购方在遵守本标准和使用说明书规定的条件下,整机自开箱验货确认无误之日起18个月内,若因制造质量而不能正常使用,供方应及时免费修理或更换。129
A1测试仪器
YC/T 54—1996
附录A
(标准的附录)
噪声压级的测定
测量整机噪声声压级应用精密声级计,A计权网络,测量仪器及有关事项按GB/T3768—1983中第4章。
A2测试环境
A2.1整机周围不应放置障碍物。A2.2整机与周围墙壁的距离不应少于 2 000 m。A2.3背景噪声的要求按GB/T3768--1983中3.2。A3测试过程整机的状态
在进行测试过程中,整机应处于正常的运行状态。A4测量方法
A4.1传声器应向整机噪声源,并与水平面平行。A4.2传声器距离地面高度为1500mmA4.3传声器到整机的距离为1000mm。A4.4测点数与测点布置图见图A1。A4.5背景噪声的修正按GB/T3768--1983中6.5执行。A4.6噪声声压级的计算按GB/T3768—1983中7.1执行。1000
—基本测点:—附加测点(水平面上A声级最高一点)图A1
测点布置图
B1工作条件记录
工作条件记录见表B1。
产品型号、名称
制造厂名称
制造日期、出厂编号
测试地点、时间
测试人员(签字)
评价:
项目名称
电源:3N~50Hz/TN-S
整机供水进口压力
饱和蒸汽进口压力
压缩空气进口压力
环境温度
相对环境湿度
进料含水率
进料温度
进料烟叶质量
厂房通风除尘
YC/T 54--1996
附录B
(标准的附录)
工作条件记录和验收记录
表B1工作条件记录
型滚筛式热风润叶机
标准规定
380V±38V 50Hz±1Hz
≥0. 3 MPa
≥0.7 MPa
≥0.6 MPa
10℃~40℃
70%~80%
按GB5749
15%~17%
20'℃~25℃
符合《卷烟工艺规范》中
3.1.2.4和3.4.2规定
符合YC9要求
B2验收记录
验收记录见表B2。
产品型号、名称
制造厂名称
制造日期、编号
验收地点、时间
结论:
项目名称
额定生产能力(按12%含水率计算)出料温度
出料含水率
有效运行率
筛分效率
YC/T 54—1996
表B2验收记录
型滚筛式热风润叶机
标准规定
按表1
55℃~65℃
18%~20%
≥90%
≥90%
整机运行正常,控制系统功能齐全、稳定采购方代表(签字):
供方代表(签字):
采购方单位(签章):
年月日
供方单位(签章):
年月日
小提示:此标准内容仅展示完整标准里的部分截取内容,若需要完整标准请到上方自行免费下载完整标准文档。
标准图片预览:





- 热门标准
- 烟草行业标准(YC)
- YC/T207-2014 烟用纸张中溶剂残留的测定 顶空气相色谱质谱联用法
- YC/T10.5-2006 烟草机械 通用技术条件 第5部分:球墨铸铁件
- YC/T169.10-2002 烟用丝束测定系列标准 第10部分:残余丙酮含量
- YC/Z240-2008 烟草及烟草制品标准体系
- YC/T214.3-2006 烟草机械 二氧化碳膨胀叶丝生产线 第3部分:验收导则
- YC/T304-2009 烟草商业企业卷烟物流配送中心绩效评价
- YC/T11.6-1993 烟草机械 产品图样及设计文件 更改办法
- YC/T169.1-2002 烟用丝束测定系列标准 第1部分:丝束线密度
- YC/T89.2-1996 烟草机械 振动式筛分机 第2部分:技术条件
- YC301-2009 储烟虫害治理 磷化氢与二氧化碳混合熏蒸安全规程
- YC/T493.1-2014 烟草行业企业应用集成技术规范 第1部分门户集成
- YC/T145.3-2012 烟用香精 折光指数的测定
- YC/T176-2003 烟草及烟草制品 石油醚提取物的测定
- YC/T174-2003 烟草及烟草制品 钙的测定 原子吸收法
- YC/T79-1996 烟草机械 SJ11~18型加料机
- 行业新闻
请牢记:“bzxz.net”即是“标准下载”四个汉字汉语拼音首字母与国际顶级域名“.net”的组合。 ©2025 标准下载网 www.bzxz.net 本站邮件:bzxznet@163.com
网站备案号:湘ICP备2025141790号-2
网站备案号:湘ICP备2025141790号-2