- 您的位置:
- 标准下载网 >>
- 标准分类 >>
- 国家标准(GB) >>
- GB 3739.1-1983 卡套式锥螺纹直角管接头
标准号:
GB 3739.1-1983
标准名称:
卡套式锥螺纹直角管接头
标准类别:
国家标准(GB)
英文名称:
Compression-type tapered thread right-angle pipe fittings标准状态:
已作废-
发布日期:
1983-06-17 -
实施日期:
1984-04-01 -
作废日期:
2008-11-01 出版语种:
简体中文下载格式:
.rar.pdf下载大小:
45.74 KB
替代情况:
被GB/T 3739-2008代替
点击下载
标准简介:
标准下载解压密码:www.bzxz.net
本标准规定了卡套式锥螺纹直角管接头,适用于油、气及一般腐蚀性介质的管路系统。 GB 3739.1-1983 卡套式锥螺纹直角管接头 GB3739.1-1983
部分标准内容:
中华人民共和国国家标准
卡套式锥螺纹直角管接头
Male elbowAssembly
UDC 621.643.4
GB 8789.1—83
本标准规定了卡套式锥螺纹直角管接头,适用于油、气及一般腐蚀性介质的管路系统。S.
GB 3738.2-83
H375983
GE 3764—83
标记示例:
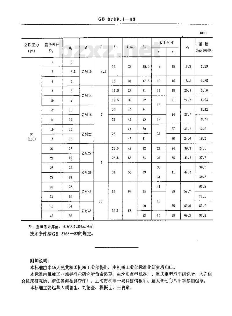
公称压力E级,管子外径D。为14mn的卡套式锥螺纹直角管接头:管接头E14 GB 3739.1—83
国家标准局1983-06-17发布
1984-04-01实施
公称压力bzxZ.net
管子外径
注,重量系计算值,比重为7.85kg/dm2。技术条件按GB 3765一83的规定。附加说明:
GB 3739.1—83
扳手尺寸
本标准由中华人民共和国机械工业部提出,由机械工业部标准化研究所归口。e
(kg/100件)
本标准由机械工业部标准化研究所负贡起草,由沈阳重型机器厂、重庆重型汽车研究所、大连组合机床研究所、浙江省海盐县管件厂、上海市机电一局科技情报所、航天部七〇八所等参加起草。本标准主要起草人胡鲁生、刘德全、程振世、王粟秦。
小提示:此标准内容仅展示完整标准里的部分截取内容,若需要完整标准请到上方自行免费下载完整标准文档。
卡套式锥螺纹直角管接头
Male elbowAssembly
UDC 621.643.4
GB 8789.1—83
本标准规定了卡套式锥螺纹直角管接头,适用于油、气及一般腐蚀性介质的管路系统。S.
GB 3738.2-83
H375983
GE 3764—83
标记示例:
公称压力E级,管子外径D。为14mn的卡套式锥螺纹直角管接头:管接头E14 GB 3739.1—83
国家标准局1983-06-17发布
1984-04-01实施
公称压力bzxZ.net
管子外径
注,重量系计算值,比重为7.85kg/dm2。技术条件按GB 3765一83的规定。附加说明:
GB 3739.1—83
扳手尺寸
本标准由中华人民共和国机械工业部提出,由机械工业部标准化研究所归口。e
(kg/100件)
本标准由机械工业部标准化研究所负贡起草,由沈阳重型机器厂、重庆重型汽车研究所、大连组合机床研究所、浙江省海盐县管件厂、上海市机电一局科技情报所、航天部七〇八所等参加起草。本标准主要起草人胡鲁生、刘德全、程振世、王粟秦。
小提示:此标准内容仅展示完整标准里的部分截取内容,若需要完整标准请到上方自行免费下载完整标准文档。
标准图片预览:


- 其它标准
- 热门标准
- 国家标准(GB)
- GB/T2828.1-2012 计数抽样检验程序 第1部分:按接收质量限(AQL)检索的逐批检验抽样计划
- GB/T8566-2022 系统与软件工程 软件生存周期过程
- GB175-2023 通用硅酸盐水泥
- GB/T30917—2014 /ISo 29941:2010 天然胶乳橡胶避孕套中可迁移亚硝胺的测定
- GB/T9124.1-2019 钢制管法兰 第1部分:PN 系列
- GB/T1182-2018 产品几何技术规范(GPS) 几何公差 形状、方向、位置和跳动公差标注
- GB/T12777-1999 金属波纹管膨胀节通用技术条件
- GB/T29633.4-2020 南极地名 第4部分:罗马字母拼写
- GB/T50062-2008 电力装置的继电保护和自动装置设计规范
- GB/T5169.15—2015 /IEC 60695-11-3;2012 电工电子产品着火危险试验第15部分:试验火焰500 W火焰装置和确认试验方法
- GB4706.3-1986 家用和类似用途电器的安全食物搅碎器及类似用途电器的特殊要求
- GB15193.5-2003 骨髓细胞微核试验
- GB15985-1995 丝虫病诊断标准及处理原则
- GB19159-2003 车用液化石油气
- GB/T7407-1997 中国及世界主要海运贸易港口代码
- 行业新闻
请牢记:“bzxz.net”即是“标准下载”四个汉字汉语拼音首字母与国际顶级域名“.net”的组合。 ©2025 标准下载网 www.bzxz.net 本站邮件:bzxznet@163.com
网站备案号:湘ICP备2025141790号-2
网站备案号:湘ICP备2025141790号-2