- 您的位置:
- 标准下载网 >>
- 标准分类 >>
- 公共安全行业标准(GA) >>
- GA 15-1991 手提式灭火器生产企业计量检测器具配备规范
标准号:
GA 15-1991
标准名称:
手提式灭火器生产企业计量检测器具配备规范
标准类别:
公共安全行业标准(GA)
标准状态:
已作废-
发布日期:
1991-12-05 -
实施日期:
1992-10-01 出版语种:
简体中文下载格式:
.rar.pdf下载大小:
356.12 KB

部分标准内容:
中华人民共和国公共安全行业标准手提式灭火器生产企业计量检测器具!配备规范
GA 15-91
为了保证手提式灭火器的产品质量、完善计量检测手段,根据消防器材行业的实际情况,特制定本标准。凡生产手提式灭火器的企业均应按本标准要求进行配备。1主题内容与适用范围
本标准规定了手提式灭火器生产企业应具备的基本计量检测器具的名称、准确度及配备数量。本标准主要适用于手提式1211灭火器、手提式清水灭火器、手提式二氧化碳灭火器、手提式化学泡沫灭火器、手提式酸碱灭火器、手提式干粉灭火器生产企业生产过程中的主要零部件及成品计量检测项目的器具配备。
2引用标准
GB3323钢熔化焊对接接头射线照相和质量分级5二氟一氯一漠甲烷灭火剂
GB4065
GB4066#
碳酸氢钠干粉灭火剂
GB4351手提式灭火器通用技术条件GB4397
手提式1211灭火器
GB4398手提式清水灭火器
GB4399
手提式二氧化碳灭火器
GB4400
手提式化学泡沫灭火器
GB4401
手提式酸碱灭火器
GB4402手提式干粉灭火器
5手提贮压式干粉灭火器
GB 12515
JJG1003非自动秤准确度等级检定规程3计量检测器具的配备原则
3.1本标准中计量检测器具配备量是按每种产品年产5万具左右配备的,如年产量超过10万具,其计量检测器具配备量应相应增加。
3.2生产不同品种、规格手提式灭火器的企业,在计量检测器具准确度达到本标准要求情况下,必配通用计量检测器具可互相借用。
3.3本标准中计量检测器具必须经计量部门检定合格,并在有效期内方可使用。3.4本标准中的非自动秤准确度按JJG1003规定,凡高于此准确度的非自动秤或自动秤均可使用。3.5本标准中秒表只给出机械式秒表准确度,凡高于此准确度的计时器均可使用。3.6本标准中温箱的温度范围可根据不同手提式灭火器产品由企业自行确定。3.7标准中所给计量检测器具的准确度为最低要求,凡高于本标准准确度的相应器具均可使用。中华人民共和国公安部1991-12-05批准1992-10-01实施
GA 1591
3.8标准中所给必配计量检测器具是生产相应品种手提式灭火器的企业必须配备的器具,3.9标准中所给可外协计量检测器具,是生产相应品种手提式灭火器的企业可向外单位借用或请外单位进行协作的器具。
3.10计量检测器具配备表中压力表量程为试验压力的1.5~2倍。4计量检测器具配备规范
手提贮气瓶式干粉灭火器生产企业计量检测器具配备规范见表1。4.1
4.2手提贮压式干粉灭火器生产企业计量检测器具配备规范见表2。4.3手提式二氧化碳灭火器生产企业计量检测器具配备规范见表3。4.4手提式1211灭火器生产企业计量检测器具配备规范见表4。4.5手提式酸碱、化学泡沫灭火器生产企业计量检测器具配备规范见表5。手提式清水灭火器生产企业计量检测器具配备规范见表6。4.6
表1手提贮气瓶式干粉灭火器生产企业计量检测器具配备规范计量检测器具配备量
必配计量检测器具
计量检测器具
非自动秤
电动试压泵
(或试压装置)
压力表
准确度
(量程)
分度值≤5g
分度值≤28g
分度值<300mg
(工作压力
≥4 MPa)
(工作压力
≥40 MPa)
(工作压力
≥100 MPa)
机械式3级
年产量
5万具
生产一种规格以
上不少于3台,生
产二种规格以上
不少于6台
年产量
<5万具
应用范圈
灭火剂重量测定
灭火性能试验
灭火器喷射性能及使用
温度喷射性能试验
贮气瓶充装系数测定
上气瓶气密试验
(十五天存放)干粉灭火
剂流动性测试
簡体、器头、器头与简体
连接件水压试验
简体、器头、器头与筒体
连接件、喷射软管和接头
爆破试验,贮气瓶水压试
验,贴气瓶超压保护装置
贮气瓶爆破试验
试压泵压力显示
喷射性能及使用温度喷
射性能试验
塑料橡胶件性能试验
灭火性能试验
间歇喷射性能
必配计量检测器具
可外协计量检测器具
计量检测器具
恒温水槽
计时器
恒温箱
钢卷尺
接粉盘
喷射试验架
风速仪
B类火试油盘
A类火试支架
引燃油盘
玻璃砂钟
格氏烧杯
普通螺纹环规
普通螺纹塞规
非自动秤
高低温箱
压力表
X射线探伤仪
震动试验台
(量程)
GA15-91
续表1
计量检测器具配备量
年产量
≥5万具
(恒温55-s℃)
24h误差≤30s
(恒温20±5℃)
(10 m)
全长允差
盘尺寸(cm)
35×25X2
按\GB4402--84\
3.1条要求
(0~10 m/s)
≤±0. 5 m/s
按\GB 4351—84\
4.4条要求
按\GB 4351—84\
4.3条要求
按\GB4066-83\
2.5条要求
(100 mL)
2级分度值
±2℃(高温)
±3℃(低溢)
按\GB3323-87\
(频率10~100Hz
振幅0~2mm
载荷≥50kg
方向X、Y、Z)
年产量
<5万具
按相应规格配备
各1只
企业自定
各1只
应用范围
上气瓶气密试验(没水)
喷射性能试验
灭火性能试验
灭火性能试验
干粉流动性测试
干粉斥水性测试
灭火器螺纹检测
贮气瓶密封性能试验(年
泄漏量)
使用温度喷射性能试验
塑料橡胶件性能试验
灭火剂充填喷射率测试
贮气瓶密封性能试验
受压爆缝检验
灭火器震动试验
灭火剂充填喷射率测试
可外协计量检测器具
必配计基检测器具
计量检测器具
震实试验台
盐雾试验箱
酸度计
冲击试验架
拉力测力计
压力测力计
GA 15--91
续表1
计量检测器具配备量
(量程)
按\GB4351--84”
4.2条要求
按\GB4351—84”
4.9条要求
按\GB435184\
4.8条要求
钢锤直径0.75 mml
重量4-0.2kg
灭火器解脱力的
灭火器开启力的
按\GB4402—84\
绝缘性能试验装置
3.14条要求
年产量
≥5万具
年产量
<5万具
应用范围
灭火器使用温度喷射性
能试验
灭火器腐蚀试验
灭火器冲击试验
灭火器保险解脱力测定
灭火器开启力定
灭火器绝缘性能试验
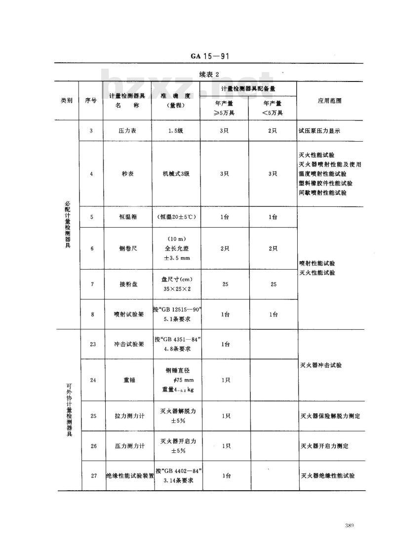
手提贮压式干粉灭火器生产企业计量检测器具配备规范表2
雁确度
计量检测器具
非自动秤
电动试压泵
(或试压装置)
(量程)
分度值≤5g
分度值≤2g
分度值≤300mg
(工作压力
≥4 MPa)
(工作压力
≥15 MPa)
计量检测器具配备量
年产量
≥5万具
生产一种规格以
上不少于3台,生
产三种规格以上
不少于6台
年产量
≤5万具
应用范围
灭火剂重量测定
灭火性能试验
灭火器喷射性能及使用
温度喷射性能试验
干粉灭火剂流动性测试
简体、器头、器头与简体
连接件水压试验
简体、器头、器头与简体
连接件,喷射软管和接头
爆破试验
必配计量检测器具
可外协计量检测器具
计量检测器具
压力表
恒温箱
钢卷尺
接粉盘
喷射试验架
冲击试验架
拉力测力计
压力测力计
GA 15-91
续表2
准确度
(量程)
机械式3级
(恒温20±5℃)
全长允差
盘尺寸(cm)
35×25×2
按\GB12515-90\
5.1条要求
按\GB 4351—
4.8条要求
钢锤直径
重量40.2kg
灭火器解脱力
灭火器开启力
按\GB4402—84”
绝缘性能试验装置
3.14条要求
计量检测器具配备量
年产量
≥5万具
年产量
<5万具
应用范围
试压泵压力显示
灭火性能试验
灭火器喷射性能及使用
温度喷射性能试验
塑料橡胶件性能试验
间歇喷射性能试验
喷射性能试验
灭火性能试验
灭火器冲击试验
灭火器保险解脱力测定
灭火器开启力测定
灭火器绝缘性能试验
必配计量检测器具
GA 15-91
表3手提式二氧化碳灭火器生产企业计量检测器具配备规范计量检测器具
非自动秤
电动试压泵
(或试压装置)
压力表
恒温水槽
气压泵
计时器
恒温箱
钢卷尺
喷射试验架
准确度
(量程)
分度值≤58
分度值≤2g
(工作压力
≥40 MPa)
(工作压力
≥100 MPa)
(值温55-5℃)
(保持水温≥5℃)
(设计压力的
1.5倍)
24h误差
(恒温20±5℃)
机械式3级
全长允差士2mm
计量检测器具配备量
年产量
≥5万具
生产一种规格以
上不少于3台,生
产二种规格以上
不少于6台
各1个
按GB4399--84”
3.1条要求
年产量
<5万具
各1个
应用范围
灭火剂重量测定
灭火性能试验
简体容积测定
灭火器喷射性能及使用
温度喷射性能试验
灭火器充装系数测定
灭火器气密性能试验(十
五天存放)
简体、喷射软管和接头水
压试验
灭火器、安全膜片喷射软
管爆破试验
塑料橡胶件性能试验
试压泵压力显示
气压泵压力显示
阀门气密性能试验
灭火器气密性能试验(漫
喷射性能试验
喷簡挤压试验
灭火性能试验
阀门开启关闭试验
喷簡低温跌落试验
喷射性能及使用温度喷
射性能试验
塑料橡胶件性能试验
灭火性能试验
灭火器喷射性能试验
喷简低温跌落试验
必配计量梭测器具
可外协计量检测器具
计量检测器具
碳硫联合测定仪
电弧护
色谱分析仪
精密天平
普通螺纹环规
普通螺纹塞规
锥螺纹环塞规
风速仪
B类火试油盘
万能材料试验机
GA15-91
续表3
准确度
(量程)
C 0. 005%
S 0.0005%
(0~1300℃)
1 000 mV-mL/mg
7~10级
最大秤量≤200g
按\GB4399-84\
2.4条要求
(0~10 m/s)
≤±0.5m/s
按\GB4351-84\
4.4条要求
材料冲击试验机
非自动释
压力表
高低温箱
盐雾试验箱
酸度计
展动试验台
分度值≤300g
±2C(高温)
±3℃(低温)
按\GB4351-84\
4.9条要求
(频率10~100Hz
振幅0~2 mm
载荷≥50kg
方向 X,Y、Z)
计量检测器具配备量
年产量
≥5万具
年产量
<5万具
企业自定
按相应规格配备
应用范围
简体材料分析
CO,气体纯度检验
灭火器螺纹检测
灭火性能试验
原材料机械性能试验
贮气瓶密封性能试验(年
泄漏量)
使用温度喷射性能试验
塑料橡胶件性能试验
喷簡挤压试验、低温跌落
灭火器腐蚀试验
灭火器震动试验
可外协计量检测器具
必配计量检测器具
计量检测器具
冲击试验架
挤压试验台
拉力测力计
压力测力计
金相显徽镜
GA 15-91
续表3
准确度
(量程)
按\GB4351-84”
4.8条要求
(钢锤直径75mm
重量4-0.2kg)
压块底面直径
重量25±0.2kg
灭火器解脱力的
灭火器开启力的
计量检测器具配备量
年产量
5万具
年产量
5万具
手提式1211灭火器生产企业计量检测器具配备规范表4
计量检测器具
非自动秤
电动试压泵
(或试压装置)
压力表
植温水槽
计时器
灭火器压力表
气密试验装置
准确度
(量程)
分度值≤1g
(工作压力
≥4 MPa)
(工作压力
≥15 MPa)
(保持水温≥5℃)
24h误差≤30s
按\GB4351-84”
4.10条要求
计量检测器具配备量
年产量
≥5万具
生产一种规格以
上不少于3台,
生产二种规格以
上不少于6台
年产量
<5万具
应用范围
灭火器冲击试验
喷简挤压试验
灭火器保险解脱力测定
灭火器开启力测定
簡体金相组织检查
应用范围
灭火剂充装量测定
灭火器充装系数测定
灭火性能试验
灭火器喷射性能及使用
温度喷射性能试验
灭火剂水分测定
灭火器水压、爆破试验
簡体、器头及连接件、喷
射软管和接头水压爆破
塑料橡胶件性能试验
试压泵压力显示
灭火器气密性能试验(浸
灭火器压力表气密性能
必配计量检测器具
可外协计量检测器具
计量检测器具
普通螺纹塞规
普通螺纹环规
恒温箱
钢卷尺
喷射试验架
气相色谱仪
记录仪
色谱柱
水分测定装置
风速仪
B类火试油盘
压力表
高低温箱
盐雾试验箱
酸度计
GA 15—91
续表4
准确度
(量程)
机械式3级
(恒温20±5℃)
全长允差±3.5mm
按\GB4399--84\
3.1条要求
按\GB4065—83
2.1条要求
按\GB4065-83\
2.1条要求
按\GB4065—83\
2.1条要求
按\GB4065--83”\
2.2条要求
(0~10 m/s)
≤±0. 5 m/s
按\GB4351—84”
4.4条要求
±2℃(高温)
±3℃(低温)
按\GB4351—84”
4.9条要求
计量检测器具配备量
年产量
≥5万具
年产量
<5万具
企业自定
按相应规格配备
应用范翻
灭火器螺纹检测
灭火器喷射性能及使用
温度喷射性能试验
塑料橡胶件性能试验
灭火性能试验
灭火性能试验
灭火器喷射性能试验
灭火器密封性能试验
1211含量测定
1211水分测定
灭火性能试验
灭火器密封性能试验(年
泄漏量)
灭火器压力表性能试验
使用温度喷射性能试验
塑料橡胶件性能试验
灭火器腐蚀试验
可外协计量检测器具
必配计基检测器具
计量检测器具
震动试验台
冲击试验架
拉力测力计
压力测力计
X射线探伤仪
压力表试验台
压力表交变
负荷试验台
压力表防水
试验装置
GA 15-91
续表4
准碘度
(量程)
(额率0~100 Hz
报幅0~2mm
载荷≥50kg
方向X,Y2)
按\GB4351—84\
4.8条要求
钢锤直径75mm
重量4 -0. 2 kg
灭火器解脱力的
灭火器开启力的
按\GB3323-87\
按\GB4351-84\
4.10条要求
按\GB4351--84”
4.10条要求
按\GB4351--84”
4.10条要求
计量检测器具配备量
年产量
≥5万具
年产量
<5万具
应用范围
灭火器展动试验
灭火器冲击试验
灭火器保险解脱力测定
灭火器开启力测定
灭火器受压焊缝检验
灭火器压力表误差、静
压、超负荷、耐压爆破试
压力交变负荷试验
灭火器压力表防水试验
表5手提式酸碱、化学泡沫灭火器生产企业计量检测器具配备规范计量检测器具
非自动秤
电动试压泵
(或试压装置)
准确度
(量程)
分度值≤2g
(工作压力
≥4 MPa)
(工作压力
≥15 MPa)
计量检测器具配备量
年产量
≥5万具
年产量
<5万具
应用范围
灭火性能试验
灭火器喷射性能及使用
温度喷射性能试验
灭火器简体、器头及连接
件、水压试验
灭火器爆破试验
塑料橡胶件性能试验
必配计量检测器具
可外协计量检测器具
计量检测器具
压力表
喷射试验架
恒温箱
钢卷尺
灭火剂接收盘
计时器
风速仪
B类火试油盘
A类火试支架
引燃油盘
普通螺纹塞规
普通螺纹环规
高低温箱
盐雾试验箱
酸度计
震动试验台
冲击试验架
X射线探伤仪
GA 15—91
续表5
计量检测器具配备量
(量程)
机械式3级
按*GB4400—84”
\GB 4401--84\”
3.1条要求
(恒温20±5℃)
(10 m)
全长允差±3.5mm
24 h误差
(0~10 m/s)
≤±0.5m/s
按\GB4351—84\
4.4条要求
按GB4351--84”
4.3条要求
±2℃(高温)
±3℃(低温)
按\GB4351—84”
4.9条要求
(频率10~100 Hz
振幅0~2mm
截荷≥50kg
方向X.Y.Z)
按\GB4351-84”
4.8条要求
(钢锤直径75mm
重量4-0.2kg)
按\GB3323—87\
年产量
≥5万具
,3只
年产量
<5万具wwW.bzxz.Net
按相应规格配备
各1只
企业自定
应用范圃
试压泵压力显示
灭火器喷射性能及使用
温度喷射性能试验
塑料橡胶件性能试验
灭火性能试验
灭火器喷射性能试验
灭火器喷射性能试验
灭火性能试验
舟车式灭火器内剂瓶盖
密封试验
灭火性能试验
灭火器螺纹检测
灭火器使用温度喷射性
能试验
塑料橡胶件性能试验
灭火器腐蚀试验
灭火器震动试验
灭火器冲击试验
灭火器受压焊缝检验
必配计量检测器具
GA15—91
手提式清水灭火器生产企业计量检测器具配备规范准确度
计量检测器具
非自动秤
电动试压泵
(或试压装置)
压力表
计时器
恒温水槽
普通螺纹塞规
普通螺纹环规
风速仪
A类火试支架
引燃油盘
喷射试验架
恒温箱
钢卷尺
灭火剂接收盘
(量程)
分度值≤28
分度值
(工作压力
≥4 MPa)
(工作压力
≥40 MPa)
(工作压力
≥100 MPa)
机械式3级
24 h误差
(慎温55-s℃)
(0~10 m/s)
≤±0.5m/s
按\GB4351—84\
4.3条要求
按\GB4398--84\
3.1条要求
(恒温20±5℃)
(10 m)
全长允差±3.5mm
计量检测器具配备量
年产量
年产量
≥5万具
各1台
各1只
<5万具
各1台
企业自定
各1只
应用范围
灭火器喷射性能及使用
温度喷射性能试验
灭火性能试验
灭火器充装系数测定
贮气瓶气密性能试验(十
五天存放)
灭火器筒体、器头及连接
件、水压爆破试验
贮气瓶爆破试验
贮气瓶超压保护装置试
塑料橡胶件性能试验
试压泵压力显示
灭火器喷射性能及使用
温度喷射性能试验
塑料橡胶件性能试验
灭火性能试验
贴气瓶气密试验(浸水)
灭火器螺纹检测
灭火性能试验
灭火器喷射性能试验
灭火性能试验
小提示:此标准内容仅展示完整标准里的部分截取内容,若需要完整标准请到上方自行免费下载完整标准文档。
GA 15-91
为了保证手提式灭火器的产品质量、完善计量检测手段,根据消防器材行业的实际情况,特制定本标准。凡生产手提式灭火器的企业均应按本标准要求进行配备。1主题内容与适用范围
本标准规定了手提式灭火器生产企业应具备的基本计量检测器具的名称、准确度及配备数量。本标准主要适用于手提式1211灭火器、手提式清水灭火器、手提式二氧化碳灭火器、手提式化学泡沫灭火器、手提式酸碱灭火器、手提式干粉灭火器生产企业生产过程中的主要零部件及成品计量检测项目的器具配备。
2引用标准
GB3323钢熔化焊对接接头射线照相和质量分级5二氟一氯一漠甲烷灭火剂
GB4065
GB4066#
碳酸氢钠干粉灭火剂
GB4351手提式灭火器通用技术条件GB4397
手提式1211灭火器
GB4398手提式清水灭火器
GB4399
手提式二氧化碳灭火器
GB4400
手提式化学泡沫灭火器
GB4401
手提式酸碱灭火器
GB4402手提式干粉灭火器
5手提贮压式干粉灭火器
GB 12515
JJG1003非自动秤准确度等级检定规程3计量检测器具的配备原则
3.1本标准中计量检测器具配备量是按每种产品年产5万具左右配备的,如年产量超过10万具,其计量检测器具配备量应相应增加。
3.2生产不同品种、规格手提式灭火器的企业,在计量检测器具准确度达到本标准要求情况下,必配通用计量检测器具可互相借用。
3.3本标准中计量检测器具必须经计量部门检定合格,并在有效期内方可使用。3.4本标准中的非自动秤准确度按JJG1003规定,凡高于此准确度的非自动秤或自动秤均可使用。3.5本标准中秒表只给出机械式秒表准确度,凡高于此准确度的计时器均可使用。3.6本标准中温箱的温度范围可根据不同手提式灭火器产品由企业自行确定。3.7标准中所给计量检测器具的准确度为最低要求,凡高于本标准准确度的相应器具均可使用。中华人民共和国公安部1991-12-05批准1992-10-01实施
GA 1591
3.8标准中所给必配计量检测器具是生产相应品种手提式灭火器的企业必须配备的器具,3.9标准中所给可外协计量检测器具,是生产相应品种手提式灭火器的企业可向外单位借用或请外单位进行协作的器具。
3.10计量检测器具配备表中压力表量程为试验压力的1.5~2倍。4计量检测器具配备规范
手提贮气瓶式干粉灭火器生产企业计量检测器具配备规范见表1。4.1
4.2手提贮压式干粉灭火器生产企业计量检测器具配备规范见表2。4.3手提式二氧化碳灭火器生产企业计量检测器具配备规范见表3。4.4手提式1211灭火器生产企业计量检测器具配备规范见表4。4.5手提式酸碱、化学泡沫灭火器生产企业计量检测器具配备规范见表5。手提式清水灭火器生产企业计量检测器具配备规范见表6。4.6
表1手提贮气瓶式干粉灭火器生产企业计量检测器具配备规范计量检测器具配备量
必配计量检测器具
计量检测器具
非自动秤
电动试压泵
(或试压装置)
压力表
准确度
(量程)
分度值≤5g
分度值≤28g
分度值<300mg
(工作压力
≥4 MPa)
(工作压力
≥40 MPa)
(工作压力
≥100 MPa)
机械式3级
年产量
5万具
生产一种规格以
上不少于3台,生
产二种规格以上
不少于6台
年产量
<5万具
应用范圈
灭火剂重量测定
灭火性能试验
灭火器喷射性能及使用
温度喷射性能试验
贮气瓶充装系数测定
上气瓶气密试验
(十五天存放)干粉灭火
剂流动性测试
簡体、器头、器头与简体
连接件水压试验
简体、器头、器头与筒体
连接件、喷射软管和接头
爆破试验,贮气瓶水压试
验,贴气瓶超压保护装置
贮气瓶爆破试验
试压泵压力显示
喷射性能及使用温度喷
射性能试验
塑料橡胶件性能试验
灭火性能试验
间歇喷射性能
必配计量检测器具
可外协计量检测器具
计量检测器具
恒温水槽
计时器
恒温箱
钢卷尺
接粉盘
喷射试验架
风速仪
B类火试油盘
A类火试支架
引燃油盘
玻璃砂钟
格氏烧杯
普通螺纹环规
普通螺纹塞规
非自动秤
高低温箱
压力表
X射线探伤仪
震动试验台
(量程)
GA15-91
续表1
计量检测器具配备量
年产量
≥5万具
(恒温55-s℃)
24h误差≤30s
(恒温20±5℃)
(10 m)
全长允差
盘尺寸(cm)
35×25X2
按\GB4402--84\
3.1条要求
(0~10 m/s)
≤±0. 5 m/s
按\GB 4351—84\
4.4条要求
按\GB 4351—84\
4.3条要求
按\GB4066-83\
2.5条要求
(100 mL)
2级分度值
±2℃(高温)
±3℃(低溢)
按\GB3323-87\
(频率10~100Hz
振幅0~2mm
载荷≥50kg
方向X、Y、Z)
年产量
<5万具
按相应规格配备
各1只
企业自定
各1只
应用范围
上气瓶气密试验(没水)
喷射性能试验
灭火性能试验
灭火性能试验
干粉流动性测试
干粉斥水性测试
灭火器螺纹检测
贮气瓶密封性能试验(年
泄漏量)
使用温度喷射性能试验
塑料橡胶件性能试验
灭火剂充填喷射率测试
贮气瓶密封性能试验
受压爆缝检验
灭火器震动试验
灭火剂充填喷射率测试
可外协计量检测器具
必配计基检测器具
计量检测器具
震实试验台
盐雾试验箱
酸度计
冲击试验架
拉力测力计
压力测力计
GA 15--91
续表1
计量检测器具配备量
(量程)
按\GB4351--84”
4.2条要求
按\GB4351—84”
4.9条要求
按\GB435184\
4.8条要求
钢锤直径0.75 mml
重量4-0.2kg
灭火器解脱力的
灭火器开启力的
按\GB4402—84\
绝缘性能试验装置
3.14条要求
年产量
≥5万具
年产量
<5万具
应用范围
灭火器使用温度喷射性
能试验
灭火器腐蚀试验
灭火器冲击试验
灭火器保险解脱力测定
灭火器开启力定
灭火器绝缘性能试验
手提贮压式干粉灭火器生产企业计量检测器具配备规范表2
雁确度
计量检测器具
非自动秤
电动试压泵
(或试压装置)
(量程)
分度值≤5g
分度值≤2g
分度值≤300mg
(工作压力
≥4 MPa)
(工作压力
≥15 MPa)
计量检测器具配备量
年产量
≥5万具
生产一种规格以
上不少于3台,生
产三种规格以上
不少于6台
年产量
≤5万具
应用范围
灭火剂重量测定
灭火性能试验
灭火器喷射性能及使用
温度喷射性能试验
干粉灭火剂流动性测试
简体、器头、器头与简体
连接件水压试验
简体、器头、器头与简体
连接件,喷射软管和接头
爆破试验
必配计量检测器具
可外协计量检测器具
计量检测器具
压力表
恒温箱
钢卷尺
接粉盘
喷射试验架
冲击试验架
拉力测力计
压力测力计
GA 15-91
续表2
准确度
(量程)
机械式3级
(恒温20±5℃)
全长允差
盘尺寸(cm)
35×25×2
按\GB12515-90\
5.1条要求
按\GB 4351—
4.8条要求
钢锤直径
重量40.2kg
灭火器解脱力
灭火器开启力
按\GB4402—84”
绝缘性能试验装置
3.14条要求
计量检测器具配备量
年产量
≥5万具
年产量
<5万具
应用范围
试压泵压力显示
灭火性能试验
灭火器喷射性能及使用
温度喷射性能试验
塑料橡胶件性能试验
间歇喷射性能试验
喷射性能试验
灭火性能试验
灭火器冲击试验
灭火器保险解脱力测定
灭火器开启力测定
灭火器绝缘性能试验
必配计量检测器具
GA 15-91
表3手提式二氧化碳灭火器生产企业计量检测器具配备规范计量检测器具
非自动秤
电动试压泵
(或试压装置)
压力表
恒温水槽
气压泵
计时器
恒温箱
钢卷尺
喷射试验架
准确度
(量程)
分度值≤58
分度值≤2g
(工作压力
≥40 MPa)
(工作压力
≥100 MPa)
(值温55-5℃)
(保持水温≥5℃)
(设计压力的
1.5倍)
24h误差
(恒温20±5℃)
机械式3级
全长允差士2mm
计量检测器具配备量
年产量
≥5万具
生产一种规格以
上不少于3台,生
产二种规格以上
不少于6台
各1个
按GB4399--84”
3.1条要求
年产量
<5万具
各1个
应用范围
灭火剂重量测定
灭火性能试验
简体容积测定
灭火器喷射性能及使用
温度喷射性能试验
灭火器充装系数测定
灭火器气密性能试验(十
五天存放)
简体、喷射软管和接头水
压试验
灭火器、安全膜片喷射软
管爆破试验
塑料橡胶件性能试验
试压泵压力显示
气压泵压力显示
阀门气密性能试验
灭火器气密性能试验(漫
喷射性能试验
喷簡挤压试验
灭火性能试验
阀门开启关闭试验
喷簡低温跌落试验
喷射性能及使用温度喷
射性能试验
塑料橡胶件性能试验
灭火性能试验
灭火器喷射性能试验
喷简低温跌落试验
必配计量梭测器具
可外协计量检测器具
计量检测器具
碳硫联合测定仪
电弧护
色谱分析仪
精密天平
普通螺纹环规
普通螺纹塞规
锥螺纹环塞规
风速仪
B类火试油盘
万能材料试验机
GA15-91
续表3
准确度
(量程)
C 0. 005%
S 0.0005%
(0~1300℃)
1 000 mV-mL/mg
7~10级
最大秤量≤200g
按\GB4399-84\
2.4条要求
(0~10 m/s)
≤±0.5m/s
按\GB4351-84\
4.4条要求
材料冲击试验机
非自动释
压力表
高低温箱
盐雾试验箱
酸度计
展动试验台
分度值≤300g
±2C(高温)
±3℃(低温)
按\GB4351-84\
4.9条要求
(频率10~100Hz
振幅0~2 mm
载荷≥50kg
方向 X,Y、Z)
计量检测器具配备量
年产量
≥5万具
年产量
<5万具
企业自定
按相应规格配备
应用范围
简体材料分析
CO,气体纯度检验
灭火器螺纹检测
灭火性能试验
原材料机械性能试验
贮气瓶密封性能试验(年
泄漏量)
使用温度喷射性能试验
塑料橡胶件性能试验
喷簡挤压试验、低温跌落
灭火器腐蚀试验
灭火器震动试验
可外协计量检测器具
必配计量检测器具
计量检测器具
冲击试验架
挤压试验台
拉力测力计
压力测力计
金相显徽镜
GA 15-91
续表3
准确度
(量程)
按\GB4351-84”
4.8条要求
(钢锤直径75mm
重量4-0.2kg)
压块底面直径
重量25±0.2kg
灭火器解脱力的
灭火器开启力的
计量检测器具配备量
年产量
5万具
年产量
5万具
手提式1211灭火器生产企业计量检测器具配备规范表4
计量检测器具
非自动秤
电动试压泵
(或试压装置)
压力表
植温水槽
计时器
灭火器压力表
气密试验装置
准确度
(量程)
分度值≤1g
(工作压力
≥4 MPa)
(工作压力
≥15 MPa)
(保持水温≥5℃)
24h误差≤30s
按\GB4351-84”
4.10条要求
计量检测器具配备量
年产量
≥5万具
生产一种规格以
上不少于3台,
生产二种规格以
上不少于6台
年产量
<5万具
应用范围
灭火器冲击试验
喷简挤压试验
灭火器保险解脱力测定
灭火器开启力测定
簡体金相组织检查
应用范围
灭火剂充装量测定
灭火器充装系数测定
灭火性能试验
灭火器喷射性能及使用
温度喷射性能试验
灭火剂水分测定
灭火器水压、爆破试验
簡体、器头及连接件、喷
射软管和接头水压爆破
塑料橡胶件性能试验
试压泵压力显示
灭火器气密性能试验(浸
灭火器压力表气密性能
必配计量检测器具
可外协计量检测器具
计量检测器具
普通螺纹塞规
普通螺纹环规
恒温箱
钢卷尺
喷射试验架
气相色谱仪
记录仪
色谱柱
水分测定装置
风速仪
B类火试油盘
压力表
高低温箱
盐雾试验箱
酸度计
GA 15—91
续表4
准确度
(量程)
机械式3级
(恒温20±5℃)
全长允差±3.5mm
按\GB4399--84\
3.1条要求
按\GB4065—83
2.1条要求
按\GB4065-83\
2.1条要求
按\GB4065—83\
2.1条要求
按\GB4065--83”\
2.2条要求
(0~10 m/s)
≤±0. 5 m/s
按\GB4351—84”
4.4条要求
±2℃(高温)
±3℃(低温)
按\GB4351—84”
4.9条要求
计量检测器具配备量
年产量
≥5万具
年产量
<5万具
企业自定
按相应规格配备
应用范翻
灭火器螺纹检测
灭火器喷射性能及使用
温度喷射性能试验
塑料橡胶件性能试验
灭火性能试验
灭火性能试验
灭火器喷射性能试验
灭火器密封性能试验
1211含量测定
1211水分测定
灭火性能试验
灭火器密封性能试验(年
泄漏量)
灭火器压力表性能试验
使用温度喷射性能试验
塑料橡胶件性能试验
灭火器腐蚀试验
可外协计量检测器具
必配计基检测器具
计量检测器具
震动试验台
冲击试验架
拉力测力计
压力测力计
X射线探伤仪
压力表试验台
压力表交变
负荷试验台
压力表防水
试验装置
GA 15-91
续表4
准碘度
(量程)
(额率0~100 Hz
报幅0~2mm
载荷≥50kg
方向X,Y2)
按\GB4351—84\
4.8条要求
钢锤直径75mm
重量4 -0. 2 kg
灭火器解脱力的
灭火器开启力的
按\GB3323-87\
按\GB4351-84\
4.10条要求
按\GB4351--84”
4.10条要求
按\GB4351--84”
4.10条要求
计量检测器具配备量
年产量
≥5万具
年产量
<5万具
应用范围
灭火器展动试验
灭火器冲击试验
灭火器保险解脱力测定
灭火器开启力测定
灭火器受压焊缝检验
灭火器压力表误差、静
压、超负荷、耐压爆破试
压力交变负荷试验
灭火器压力表防水试验
表5手提式酸碱、化学泡沫灭火器生产企业计量检测器具配备规范计量检测器具
非自动秤
电动试压泵
(或试压装置)
准确度
(量程)
分度值≤2g
(工作压力
≥4 MPa)
(工作压力
≥15 MPa)
计量检测器具配备量
年产量
≥5万具
年产量
<5万具
应用范围
灭火性能试验
灭火器喷射性能及使用
温度喷射性能试验
灭火器简体、器头及连接
件、水压试验
灭火器爆破试验
塑料橡胶件性能试验
必配计量检测器具
可外协计量检测器具
计量检测器具
压力表
喷射试验架
恒温箱
钢卷尺
灭火剂接收盘
计时器
风速仪
B类火试油盘
A类火试支架
引燃油盘
普通螺纹塞规
普通螺纹环规
高低温箱
盐雾试验箱
酸度计
震动试验台
冲击试验架
X射线探伤仪
GA 15—91
续表5
计量检测器具配备量
(量程)
机械式3级
按*GB4400—84”
\GB 4401--84\”
3.1条要求
(恒温20±5℃)
(10 m)
全长允差±3.5mm
24 h误差
(0~10 m/s)
≤±0.5m/s
按\GB4351—84\
4.4条要求
按GB4351--84”
4.3条要求
±2℃(高温)
±3℃(低温)
按\GB4351—84”
4.9条要求
(频率10~100 Hz
振幅0~2mm
截荷≥50kg
方向X.Y.Z)
按\GB4351-84”
4.8条要求
(钢锤直径75mm
重量4-0.2kg)
按\GB3323—87\
年产量
≥5万具
,3只
年产量
<5万具wwW.bzxz.Net
按相应规格配备
各1只
企业自定
应用范圃
试压泵压力显示
灭火器喷射性能及使用
温度喷射性能试验
塑料橡胶件性能试验
灭火性能试验
灭火器喷射性能试验
灭火器喷射性能试验
灭火性能试验
舟车式灭火器内剂瓶盖
密封试验
灭火性能试验
灭火器螺纹检测
灭火器使用温度喷射性
能试验
塑料橡胶件性能试验
灭火器腐蚀试验
灭火器震动试验
灭火器冲击试验
灭火器受压焊缝检验
必配计量检测器具
GA15—91
手提式清水灭火器生产企业计量检测器具配备规范准确度
计量检测器具
非自动秤
电动试压泵
(或试压装置)
压力表
计时器
恒温水槽
普通螺纹塞规
普通螺纹环规
风速仪
A类火试支架
引燃油盘
喷射试验架
恒温箱
钢卷尺
灭火剂接收盘
(量程)
分度值≤28
分度值
(工作压力
≥4 MPa)
(工作压力
≥40 MPa)
(工作压力
≥100 MPa)
机械式3级
24 h误差
(慎温55-s℃)
(0~10 m/s)
≤±0.5m/s
按\GB4351—84\
4.3条要求
按\GB4398--84\
3.1条要求
(恒温20±5℃)
(10 m)
全长允差±3.5mm
计量检测器具配备量
年产量
年产量
≥5万具
各1台
各1只
<5万具
各1台
企业自定
各1只
应用范围
灭火器喷射性能及使用
温度喷射性能试验
灭火性能试验
灭火器充装系数测定
贮气瓶气密性能试验(十
五天存放)
灭火器筒体、器头及连接
件、水压爆破试验
贮气瓶爆破试验
贮气瓶超压保护装置试
塑料橡胶件性能试验
试压泵压力显示
灭火器喷射性能及使用
温度喷射性能试验
塑料橡胶件性能试验
灭火性能试验
贴气瓶气密试验(浸水)
灭火器螺纹检测
灭火性能试验
灭火器喷射性能试验
灭火性能试验
小提示:此标准内容仅展示完整标准里的部分截取内容,若需要完整标准请到上方自行免费下载完整标准文档。

标准图片预览:





- 其它标准
- 热门标准
- 公共安全行业标准(GA)
- GA/T496-2004 闯红灯自动记录系统通用技术条件
- GA141-2001 警用防弹衣通用技术条件
- GA837-2009 民用爆炸物品储存库治安防范要求
- GA/T451-2020 居民身份证卡体技术规范
- GA/T492-2004 城市警用地理信息图形符号
- GA/T1330-2016 法庭科学吸毒人员尿液中四氢大麻酚和四氢大麻酸气相色谱-质谱检验方法
- GA1288-2016 七氟丙烷泡沫灭火系统
- GA921-2011 民用爆炸物品警示标识、登记标识通则
- GA241.8-2000 印章治安管理信息系统第8部分:印章自动识别系统的性能指标和检测方法
- GA/T1529-2018 信息安全技术安全型硬拷贝产品安全技术要求
- GA/T1300-2016 社会消防安全培训机构设置与评审
- GA/T704.7-2007 出入境管理信息代码 第7部分:境外人员入境事由代码
- GA837-2009 民用爆炸物品储存库治安防范要求
- GA/T1400.2-2017 公安视频图像信息应用系统 第2部分:应用平台技术要求
- GA/T1591-2019 警务智能语音服务平台接口规范
- 行业新闻
请牢记:“bzxz.net”即是“标准下载”四个汉字汉语拼音首字母与国际顶级域名“.net”的组合。 ©2009 标准下载网 www.bzxz.net 本站邮件:bzxznet@163.com
网站备案号:湘ICP备2023016450号-1
网站备案号:湘ICP备2023016450号-1