- 您的位置:
- 标准下载网 >>
- 标准分类 >>
- 煤炭行业标准(MT) >>
- MT/T 516.3-1995 煤矿液压凿岩机用钎具 钎杆
标准号:
MT/T 516.3-1995
标准名称:
煤矿液压凿岩机用钎具 钎杆
标准类别:
煤炭行业标准(MT)
标准状态:
现行-
发布日期:
1995-12-28 -
实施日期:
1996-05-01 出版语种:
简体中文下载格式:
.rar.pdf下载大小:
89.64 KB

点击下载
标准简介:
标准下载解压密码:www.bzxz.net
本标准规定了煤矿液压凿岩机用波形螺纹钎杆(以下简称“钎杆”)的技术要求、试验方法、检验规则以及标志、包装、运输和贮存。本标准适用于煤矿液压凿岩机用波形螺纹钎杆,重型气动凿岩机用波形螺纹钎杆亦应参照使用。 MT/T 516.3-1995 煤矿液压凿岩机用钎具 钎杆 MT/T516.3-1995

部分标准内容:
中华人民共和国煤炭行业标准
煤矿液压凿岩机用钰具
1主题内容与适用范围
MT/T516.3—1995免费标准bzxz.net
本标准规定了煤矿液压凿岩机用波形螺纹钎杆(以下简称“钎杆”)的技术要求、试验方法、检验规则以及标志、包装、运输和贮存。本标准适用于煤矿液压凿岩机用波形螺纹钎杆,重型气动凿岩机用波形螺纹钎杆亦应参照使用。2引用标准
GB 1301
GB 6247
GB 6482
凿岩钎杆用中空钢
凿岩机械与气动工具名词术语
凿岩用波形螺纹接杆钎杆
MT198煤矿用液压凿岩机通用技术条件MT/T516.1煤矿液压凿岩机用钎具波形螺纹3术语
3.1波形螺纹钎杆
两端带有外波形螺纹的六角形中空钢杆件。3.2针杆寿命
在本标准规定的现场或试验室条件下,从开始凿孔到钎杆失效时的凿孔累计长度(m)。4技术要求
4.1针钎杆应符合本标准的规定,并按经规定程序批准的图样及技术文件制造。连接尺寸相同的钎杆应具有互换性。4.2钎杆应选用B25或B28的六角形中空钢,其尺寸和公差符合GB1301的规定。4.3钎杆的长度尺寸及允许偏差见表1:表1
长度尺寸
充许偏差
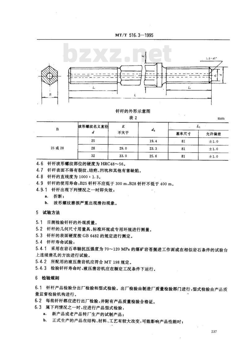
4.4钎杆波形螺纹应符合MT/T516.1规定。4.5钎杆的外形尺寸符合图和表2的规定。中华人民共和国煤炭工业部1995-12-28批准236
1996-05-01实施
25或28
波形螺纹名义直径:
MT/T 516.3--1995
钎杆的外形示意图
不大于
4.6钎杆波形螺纹部位的硬度为HRC48~56。4.7钎杆表面不得有裂纹、结疤、凹坑和其他有害缺陷。4.8钎杆的直线度为1000:1.3。d.
4.9钎杆的使用寿命:B25钎杆不应低于300m,B28钎杆不低于400m。4.9.1钎杆出现下列情况之一时即失效:a.折断;
b.波形螺纹磨损严重出现滑扣现象。5试验方法
5.1目测检验钎杆的外观质量。
5.2钎杆的几何尺寸用量具、标准环规或专用环规进行测量。5.3钎杆的表面硬度按GB6482的规定进行测定。5.4钎杆寿命试验:
基本尺寸
允许偏差
5.4.1采用在岩石单轴抗压强度为70~120MPa的煤矿岩苍掘进工作面或在相似岩石条件的试验台上连续凿孔的方法进行试验。
5.4.2所配用的液压凿岩机应符合MT198规定。5.4.3检验钎杆寿命时,液压凿岩机应在额定工况条件下运行。6检验规则
6.1钎杆产品检验分出厂检验和型式检验。出厂检验由制造厂质量检验部门进行,型式检验由产品质量监督检验机构进行。
6.2每批钎杆都应进行出厂检验,并附有产品质量检验合格证。6. 3属下列情况之一时,应进行产品型式检验:a。新产品或老产品转厂生产的试制产品,b。正式生产的产品在结构、材料、工艺有较大改变,可能影响产品性能时;237
MT/T516.3-1995
正常生产的产品,每年抽检一次;产品停产三年以上,又重新恢复生产时;d.
国家质量监督机构提出进行型式检验的要求时;出厂检验结果与上次型式检验结果有较大差异时。6.4产品的出厂检验与检验项目见表3。表3
检验项目
直线度
技术要求
4.1~4.5
检验方法
检验类别
6.5型式检验每批不得少于5根。使用寿命取各被检样品寿命的平均值。出厂检验时,硬度检验按批量的1%抽取,但每批不少于3根。有不合格产品时,加倍抽检,若再有不合格时,再加倍抽检。二次加倍抽检后,仍有不合格时,判定该批产品不合格。其他项目,逐根检验。7标志、包装、运输、储存
7.1钎杆两端波形螺纹应逐根用塑料套套上,成捆交货。每小捆不超过5根。可由若干小捆按同一批号捆成大捆,每大捆重量不超过2t。7.2针杆大捆包装上必须悬挂标牌,在钎杆标牌上应标明:a.
制造单位;
产品名称,
规格型号,
数量;
出厂日期。
7.3每批钎杆必须附有产品质量合格证书。注明:a.
制造单位;
产品规格,
出广日期,
型式检验单位和检验报告编号。7.4钎杆在运输中要注意堆放,以防止针钎杆弯曲;不得损坏包装;储存时,应注意防潮,不得随意拆散包装。
附加说明:
本标准由煤炭工业部煤矿专用设备标准化技术委员会提出。本标准由煤炭工业部煤矿专用设备标准化技术委员会井巷设备分会归口。本标准由煤炭科学研究总院北京建井研究所、湖北武穴长江工具厂、湖北威宁矿山机械厂共同起草。
本标准主要起草人邢庆贵、郭孝先、王维华、范洪胜、龙亚辉。本标准委托煤炭科学研究总院北京建井研究所负责解释。238
小提示:此标准内容仅展示完整标准里的部分截取内容,若需要完整标准请到上方自行免费下载完整标准文档。
煤矿液压凿岩机用钰具
1主题内容与适用范围
MT/T516.3—1995免费标准bzxz.net
本标准规定了煤矿液压凿岩机用波形螺纹钎杆(以下简称“钎杆”)的技术要求、试验方法、检验规则以及标志、包装、运输和贮存。本标准适用于煤矿液压凿岩机用波形螺纹钎杆,重型气动凿岩机用波形螺纹钎杆亦应参照使用。2引用标准
GB 1301
GB 6247
GB 6482
凿岩钎杆用中空钢
凿岩机械与气动工具名词术语
凿岩用波形螺纹接杆钎杆
MT198煤矿用液压凿岩机通用技术条件MT/T516.1煤矿液压凿岩机用钎具波形螺纹3术语
3.1波形螺纹钎杆
两端带有外波形螺纹的六角形中空钢杆件。3.2针杆寿命
在本标准规定的现场或试验室条件下,从开始凿孔到钎杆失效时的凿孔累计长度(m)。4技术要求
4.1针钎杆应符合本标准的规定,并按经规定程序批准的图样及技术文件制造。连接尺寸相同的钎杆应具有互换性。4.2钎杆应选用B25或B28的六角形中空钢,其尺寸和公差符合GB1301的规定。4.3钎杆的长度尺寸及允许偏差见表1:表1
长度尺寸
充许偏差
4.4钎杆波形螺纹应符合MT/T516.1规定。4.5钎杆的外形尺寸符合图和表2的规定。中华人民共和国煤炭工业部1995-12-28批准236
1996-05-01实施
25或28
波形螺纹名义直径:
MT/T 516.3--1995
钎杆的外形示意图
不大于
4.6钎杆波形螺纹部位的硬度为HRC48~56。4.7钎杆表面不得有裂纹、结疤、凹坑和其他有害缺陷。4.8钎杆的直线度为1000:1.3。d.
4.9钎杆的使用寿命:B25钎杆不应低于300m,B28钎杆不低于400m。4.9.1钎杆出现下列情况之一时即失效:a.折断;
b.波形螺纹磨损严重出现滑扣现象。5试验方法
5.1目测检验钎杆的外观质量。
5.2钎杆的几何尺寸用量具、标准环规或专用环规进行测量。5.3钎杆的表面硬度按GB6482的规定进行测定。5.4钎杆寿命试验:
基本尺寸
允许偏差
5.4.1采用在岩石单轴抗压强度为70~120MPa的煤矿岩苍掘进工作面或在相似岩石条件的试验台上连续凿孔的方法进行试验。
5.4.2所配用的液压凿岩机应符合MT198规定。5.4.3检验钎杆寿命时,液压凿岩机应在额定工况条件下运行。6检验规则
6.1钎杆产品检验分出厂检验和型式检验。出厂检验由制造厂质量检验部门进行,型式检验由产品质量监督检验机构进行。
6.2每批钎杆都应进行出厂检验,并附有产品质量检验合格证。6. 3属下列情况之一时,应进行产品型式检验:a。新产品或老产品转厂生产的试制产品,b。正式生产的产品在结构、材料、工艺有较大改变,可能影响产品性能时;237
MT/T516.3-1995
正常生产的产品,每年抽检一次;产品停产三年以上,又重新恢复生产时;d.
国家质量监督机构提出进行型式检验的要求时;出厂检验结果与上次型式检验结果有较大差异时。6.4产品的出厂检验与检验项目见表3。表3
检验项目
直线度
技术要求
4.1~4.5
检验方法
检验类别
6.5型式检验每批不得少于5根。使用寿命取各被检样品寿命的平均值。出厂检验时,硬度检验按批量的1%抽取,但每批不少于3根。有不合格产品时,加倍抽检,若再有不合格时,再加倍抽检。二次加倍抽检后,仍有不合格时,判定该批产品不合格。其他项目,逐根检验。7标志、包装、运输、储存
7.1钎杆两端波形螺纹应逐根用塑料套套上,成捆交货。每小捆不超过5根。可由若干小捆按同一批号捆成大捆,每大捆重量不超过2t。7.2针杆大捆包装上必须悬挂标牌,在钎杆标牌上应标明:a.
制造单位;
产品名称,
规格型号,
数量;
出厂日期。
7.3每批钎杆必须附有产品质量合格证书。注明:a.
制造单位;
产品规格,
出广日期,
型式检验单位和检验报告编号。7.4钎杆在运输中要注意堆放,以防止针钎杆弯曲;不得损坏包装;储存时,应注意防潮,不得随意拆散包装。
附加说明:
本标准由煤炭工业部煤矿专用设备标准化技术委员会提出。本标准由煤炭工业部煤矿专用设备标准化技术委员会井巷设备分会归口。本标准由煤炭科学研究总院北京建井研究所、湖北武穴长江工具厂、湖北威宁矿山机械厂共同起草。
本标准主要起草人邢庆贵、郭孝先、王维华、范洪胜、龙亚辉。本标准委托煤炭科学研究总院北京建井研究所负责解释。238
小提示:此标准内容仅展示完整标准里的部分截取内容,若需要完整标准请到上方自行免费下载完整标准文档。

标准图片预览:



- 其它标准
- 热门标准
- 煤炭行业标准(MT)
- MT/T1112-2011 煤矿图像监视系统通用技术条件
- MT187.7-1988 刮板输送机紧固件 半圆头方颈螺栓
- MT/T1131-2011 矿用以太网
- MT542-1996 单体支柱柱鞋
- MT/T619-1996 煤炭试验室分级和评定
- MT/T188.4-2000 煤矿用乳化液泵站 过滤器技术条件
- MT/T408-1995 煤矿用直流稳压电源
- MT/T528-1995 滚筒式泥浆固液分离机
- MT/T521-2006 煤矿坑道钻探用常规钻杆
- MT/T117-2005 采煤机用电缆夹型式和基本尺寸
- MT/T441-1995 巷道掘进混合式通风技术规范
- MT962-2005 煤矿带式输送机滚筒用橡胶包覆层技术条件
- MT/T588-1996 煤矿用防爆柴油机胶套轮/齿轨卡轨车技术条件
- MT/T1107-2011 煤矿局部通风机自动调速装置
- MT10-1975 矿山窄轨牵引网路搭接线夹
- 行业新闻
请牢记:“bzxz.net”即是“标准下载”四个汉字汉语拼音首字母与国际顶级域名“.net”的组合。 ©2009 标准下载网 www.bzxz.net 本站邮件:bzxznet@163.com
网站备案号:湘ICP备2023016450号-1
网站备案号:湘ICP备2023016450号-1