- 您的位置:
- 标准下载网 >>
- 标准分类 >>
- 林业行业标准(LY) >>
- LY/T 1206-1997 木工用氯丁橡胶胶粘剂
标准号:
LY/T 1206-1997
标准名称:
木工用氯丁橡胶胶粘剂
标准类别:
林业行业标准(LY)
标准状态:
已作废-
发布日期:
1997-04-15 -
实施日期:
1997-10-01 -
作废日期:
2008-05-01 出版语种:
简体中文下载格式:
.rar.pdf下载大小:
202.66 KB
替代情况:
被LY/T 1206-2008替代
点击下载
标准简介:
标准下载解压密码:www.bzxz.net
本标准规定了木工用氯丁橡胶胶粘剂的技术要求、试验方法、检验规则及标志、包装、运输和贮存。本标准适用于以氯丁橡胶为基料,添加改性剂、助剂和溶剂等制作而成的普通型木工用氯丁橡胶胶粘剂。 LY/T 1206-1997 木工用氯丁橡胶胶粘剂 LY/T1206-1997
部分标准内容:
LY/T1206--1997
本标准的制定和实施为生产企业、用户和质量监督部门提供有效的技术依据。本标准的附录 A 是标准的附录。本标准由全国人造板标准化技术委员会提出。本标准由全国人造板标准化技术委员会归口。本标准由广东省林产工业协会负责起草。本标准主要起草人:邓伟生、杨御平、杨武珍、房武龙、陈安丽、洗叙琼、练耀基、劳英昌。13]
中华人民共和国林业行业标准
木工用氨工橡胶胶粘剂
Chloroprene rubber adhesive forwood workingLY/T 1206--1997
本标准规定了木工用氯丁橡胶胶粘剂的技术要求、试验方法、检验规则及标志、包装、运输和贮存。本标准适用于以氟丁橡胶为基料,添加改性剂、助剂和溶剂等制作而成的普通型木工用氯丁橡胶胶粘剂。
2引用标准
下列标准所包含的条文,通过在本标准中引用而构成为本标准的条文。本标准出版时,所示版本均为有效。所有标准都会被修订,使用本标准的各方应探讨使用下列标准最新版本的可能性。GB/T2793—1995胶粘剂不挥发物含量的测定GB/T2794—1995胶粘剂粘度的测定GB/T2943—94胶粘剂术语
GB2944一82胶粘剂产品包装、标志、运输和贮存的规定GB3723一83工业用化学产品采样安全通则3技术要求
技术要求及指标应符合表1规定。表1
不挥发物含量
拉伸剪
切强度
胶合板/胶合板
胶合板/热固性装饰层压板
初粘性能
耐干热性能
(25℃±0.5℃)
注:粘度指标也可由供需双方自行商定。试验方法
4.1外观的测定
中华人民共和国林业部1997-04-15批准432
指标要求
黄色或棕褐色均匀粘稠液体,无悬浮物,无可见机械杂质,无相分离现象
120℃无鼓泡,无开胶现象
1997-10-01实施
4.1.1观察项目
4.1.1.1颜色。
4.1.1.2相分离现象。
4.1.1.3机械杂质。
4.1.1.4悬浮凝聚物。
4.1.2仪器
4.1.2.125mL比色管。
4.1.2.2玻璃棒。
4.1.3操作步骤
LY/T 1206-1997
将胶样约25mL倒入干燥洁净的比色管内,用眼睛在自然散射光或日光灯下对光观察胶液的颜色,胶样静置48h后观察相分离现象。记录胶液含机械杂质及悬浮物情况。4.2不挥发物含量的测定
按GB/T2793执行。
4.3粘度的测定
按GB/T2794执行。
4.4拉伸剪切强度的测定
4.4.1试验方法I
4.4.1.1试验仪器和设备
拉力试验机,载荷读数精度为5N;带鼓风的防爆烘箱(0~150℃);玻璃干燥器;
游标卡尺,精度为0.02mm;
0号砂布。
4.4.1.2被粘物及其处理
被粘物采用三层结构的1类阔叶树材胶合板,其尺寸长×宽×厚为(70mm士1mm)×(20mm土0.5mm)×(3mm士0.2mm),长度方向为顺纹理。所裁取的胶合板边缘应平滑、无毛刺,剪断面内不应含有影响胶合强度的材质缺陷或加工缺陷,邻边应互为直角,表面应平整,不应有鼓泡,翘曲等缺陷。涂胶面用0号砂布轻轻打磨,并除去表面粉尘。被粘物在涂胶前的含水率要求在12%或以下。如高于12%时,应在50℃士2℃温度下干燥30min,取出后置于玻璃干燥器内冷却备用。4.4.1.3试件的形状和尺寸见图1所示。为使试验保持力平衡,在试件两端的夹持面上加贴等宽等厚的胶合板。
4.4.1.4试件数量:常规试验不应少于5个;仲裁试验不应少于10个。4.4.1.5试件制备
胶样用玻璃棒搅拌均匀后,分别涂刷于两个基材被粘面上,各涂两遍,总涂胶量为200g/m2~250g/m。涂胶后的被粘物放在干燥箱中干燥,干燥温度为50℃士2℃,每涂一遍干燥时间5min~7min。此时,胶层应呈干膜状,用手指触及不粘指,如未达指干,可适当延长干燥时间,然后将被粘物按搭接尺寸要求平行顺纹互相胶接。将胶接后的一组试件5个(或以上)叠放在一起,用约0.4MPa的压力作用于搭接面上,加压时间为5min。专用加压装置见附录A(标准的附录)。卸压后将试件在室温下(不低于20℃)放置48h,方可进行强度试验。4.4.1.6试验条件
试验应在温度为23℃土5℃、相对湿度为55%~75%的环境中进行。133
LY/T 1206—1997
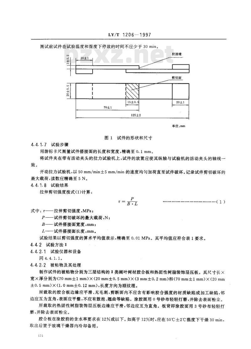
测试前试件在试验温度和湿度下停放的时间不应少于30min。20±1
125±2
图1试件的形状和尺寸
4.4.1.7试验步骤
用游标卡尺测量试件搭接面的长度和宽度,精确至0.1mm。胶接缝
剪切面
单位:mm
将试件夹在带有活动夹头的拉力试验机上,试件的放置应使其纵轴与试验机的活动夹头的轴线一致。
开动拉力试验机,以50mm/min士5mm/min的速度均匀加荷直至试件破坏。记录试件剪切破坏的最大载荷,读数应精确至5N。
4.4.1.8试验结果
拉伸剪切强度按式(1)计算:
式中:r——拉伸剪切强度,MPa;P—试件剪切破坏的最大载荷,N;B-—试件搭接面宽度,mm,
L-一试件搭接面长度,mm。
试验结果以剪切强度的算术平均值表示,精确至0.01 MPa。其平均值应符合表1要求。4.4.2试验方法Ⅱ
4.4.2.1试验仪器和设备
同4.4.1.1。
4.4.2.2被粘物及其处理
·(1)此内容来自标准下载网
制作试件的被粘物分别为三层结构的1类阔叶树材胶合板和热固性树脂装饰层压板。其尺寸长X宽×厚分别为(70 mm士l mm)×(20 mm±0.5 mm)×(3 mm±0.2mm)和(70 mm±l mm)×(20 mm±0.5mm)×(1.0mm士0.12mm),长度方向为顺纹理。所裁取的胶合板边缘应平滑、无毛刺,剪断面内不应含有影响胶合强度的材质缺陷或加工缺陷,邻边应互为直角,表面应平整,不应有鼓泡、翘曲等缺陷。涂胶面用0号砂布轻轻打磨,并除去表面粉尘。所裁取的热固性树脂装饰层压板边缘应平滑,邻边应互为直角。板背即涂胶面用3号砂布轻轻打磨,并除去表面粉尘。
胶合板在涂胶前的含水率要求在12%或以下。如高于12%时,应在50℃士2℃温度下干燥30min,取出后置于玻璃干燥器内冷却备用。131
LY/T 1206—1997
4.4.2.3试件的形状和尺寸见图2所示。为使试验保持力平衡,在试件两端的夹持面上分别加贴等宽等厚的胶合板和热固性树脂装饰层压板。装饰层压板
125±2
胶接缝
剪切面
图2试件的形状和尺寸
胶合板
单位:mm
4.4.2.4试件数量、试件制备、试验条件、试验步骤、试验结果分别同4.4.1.4、4.4.1.5、4.4.1.6、4. 4. 1. 7、4. 4. 1. 8.
4.5初粘性能的测定
初粘性能的测定同4.4,但试件卸压后至测试前的间隔时间应为30min。初粘强度用\。”表示。4.6耐干热性能的测定
4.6.1仪器及工具
4.6.7.1铜质油锅:外径87mm±1mm,壁厚1mm,底厚2.5mm+0.5mm,总高度为150mm土5mm。内装350mL土10mL高温油(甘油或葩麻油),锅外用石棉线缠满,锅底应平整清洁。4.6.1.2方形铁块:长度100mm±2mm,宽度100mm士2mm,高度64mm±0.5mm,重约5kg。4.6.1.3水银温度计:0~250℃。4.6.1.4衬垫板:厚度15mm~~19mm,边长为200mm士5mm的正方形普通胶合板或刨花板。4.6.1.5盖板:厚度3mm~5mm,边长为100mm士5mm正方形普通胶合板,板中心和距中心30mm处各钻一孔,中心孔插温度计,另一孔放入一搅拌棒。4.6.1.6加热源(如电炉或煤气炉等)。4.6.1.7计时器(如秒表)。
4.6.2试件制备
4.6.2.1选用厚度3.0mm士0.2mm的三层结构的Ⅱ类阔叶树材胶合板和厚度1.0mm士0.12mm的热固性树脂装饰层压板为被粘物。其尺寸长×宽均为(100mm士2mm)×(100mm土2mm)。涂胶面分别用1号和3号砂布轻轻打磨,并除去表面粉尘。4.6.2.2试件数量为1个。
4.6.2.3胶样用玻璃摔搅拌均匀后,分别涂刷于两个基材被粘面上,各涂两遍,总涂胶量为200g/m2~250g/m2。涂胶后的被粘物放在干燥箱中干燥,干燥温度为50℃士2℃,每涂一遍干燥时间5min~7min。此时,胶膜应呈干膜状,用手指触及不粘指,如未达指干,可适当延长干燥时间,然后将被粘物互相胶接。胶接后的试件用约0.4MPa的压力作用于搭接面上,加压时间为5min。卸压后将试件在室温下(不低于20℃)放置48h,方可进行耐干热性能试验。4.6.3试验步骤
4.6.3.1衬垫板水平放置在台面上,将试件(热固性树脂装饰层压板朝上)放在衬垫板上面。4.6.3.2将盛有高温油的铜锅加热到120℃士1℃(注意搅拌,保证底部和上部油温基本致),立刻置435
LY/T 1206--- 1997
于试件中心表面上,锅口盖上盖板,并压上5kg重铁块,开始记录时间。4.6.3.320min后取出试件,此时高温油的温度应不得低于80℃。4.6.3.4试件在室温下放置30min以上,观察试件变化情况。4.6.4试验结果
观察试件有无鼓泡、开胶等情况。5检验规则
5.1检验分类
检验分出厂检验和型式检验。
5.1.1出厂检验
出厂检验项目:外观、不挥发物含量、粘度、拉伸剪切强度。5.1.2型式检验
型式检验项目:外观、不挥发物含量、粘度、拉伸剪切强度、初粘性能、耐干热性能。5.1.3有下列情形之-时,应进行型式检验:a)若产品结构材料、工艺有较大变化,可能影响产品质量时,b)长期停产后恢复生产时;
c)出厂检验结果与上次型式检验有较大差异时;d)国家质量监督机构提出型式检验要求时。型式检验每年不少于1次。
5.2抽样与组批规则
5.2.1产品以1签为1批,每批均应按本标准技术指标的项目进行检测。5.2.2抽样数量按表2规定进行。表2
容器数
65~125
126~216
采样个数(最低)
容器数
217~343
344~512
513~-729
730~1000
采样个数(最低)
5.2.3取样总量不少于1kg,经均匀混合后即组成试验用平均试样。将平均试样存放于有磨口盖的瓶内保存。
5.2.4采样应按GB3723的有关规定执行。5.3判定规则
5.3.1所有检验项目均符合本标准3.1规定时判为合格。5.3.2检验结果如有项不符合本标准技术指标时,应从产品中双倍取样,对不合格项目进行复试。复试后仍未达到技术指标时,则该批胶粘剂为不合格品。5.3.3拉伸剪切强度试验方法1与试验方法亚等效,可任选-一种。仲裁按试验方法I进行。5.3.4供需双方检验结果不-一致时,可由双方协商解决,如不能解决,则由专业监督部门仲裁。6标志、包装、运输和贮存
6.1每批出厂的产品都应附有产品质量合格证。包括:产品名称、生产批号、生产日期。6.2木工用氯丁橡胶胶粘剂属易燃危险品,其标志、包装、运输和贮存按GB2944执行。6.3木工用氯丁橡胶胶粘剂宜在10℃~35℃室温下贮存,其贮存期为1年,超过贮存期的成品应按本标准的规定进行所有项目的检验,检验合格方可使用。136
LY/T1206-1997
附录A
(标准的附录)
专用加压装置
1-台秤:2-丝杆手柄:3—铁支架;4—试件定位装置;5—螺栓:6一台秤秤台;7一台秤底座图A1加压装置示意图()
1—手柄;2—铁支架;3--丝杆;4—垫块;5-试件;6-台秤秤台;7—台秤底座图A2加压装置示意图(二)
1活动挡板;2挡板:3-螺钉孔
图A3试件定位装置示意图
小提示:此标准内容仅展示完整标准里的部分截取内容,若需要完整标准请到上方自行免费下载完整标准文档。
本标准的制定和实施为生产企业、用户和质量监督部门提供有效的技术依据。本标准的附录 A 是标准的附录。本标准由全国人造板标准化技术委员会提出。本标准由全国人造板标准化技术委员会归口。本标准由广东省林产工业协会负责起草。本标准主要起草人:邓伟生、杨御平、杨武珍、房武龙、陈安丽、洗叙琼、练耀基、劳英昌。13]
中华人民共和国林业行业标准
木工用氨工橡胶胶粘剂
Chloroprene rubber adhesive forwood workingLY/T 1206--1997
本标准规定了木工用氯丁橡胶胶粘剂的技术要求、试验方法、检验规则及标志、包装、运输和贮存。本标准适用于以氟丁橡胶为基料,添加改性剂、助剂和溶剂等制作而成的普通型木工用氯丁橡胶胶粘剂。
2引用标准
下列标准所包含的条文,通过在本标准中引用而构成为本标准的条文。本标准出版时,所示版本均为有效。所有标准都会被修订,使用本标准的各方应探讨使用下列标准最新版本的可能性。GB/T2793—1995胶粘剂不挥发物含量的测定GB/T2794—1995胶粘剂粘度的测定GB/T2943—94胶粘剂术语
GB2944一82胶粘剂产品包装、标志、运输和贮存的规定GB3723一83工业用化学产品采样安全通则3技术要求
技术要求及指标应符合表1规定。表1
不挥发物含量
拉伸剪
切强度
胶合板/胶合板
胶合板/热固性装饰层压板
初粘性能
耐干热性能
(25℃±0.5℃)
注:粘度指标也可由供需双方自行商定。试验方法
4.1外观的测定
中华人民共和国林业部1997-04-15批准432
指标要求
黄色或棕褐色均匀粘稠液体,无悬浮物,无可见机械杂质,无相分离现象
120℃无鼓泡,无开胶现象
1997-10-01实施
4.1.1观察项目
4.1.1.1颜色。
4.1.1.2相分离现象。
4.1.1.3机械杂质。
4.1.1.4悬浮凝聚物。
4.1.2仪器
4.1.2.125mL比色管。
4.1.2.2玻璃棒。
4.1.3操作步骤
LY/T 1206-1997
将胶样约25mL倒入干燥洁净的比色管内,用眼睛在自然散射光或日光灯下对光观察胶液的颜色,胶样静置48h后观察相分离现象。记录胶液含机械杂质及悬浮物情况。4.2不挥发物含量的测定
按GB/T2793执行。
4.3粘度的测定
按GB/T2794执行。
4.4拉伸剪切强度的测定
4.4.1试验方法I
4.4.1.1试验仪器和设备
拉力试验机,载荷读数精度为5N;带鼓风的防爆烘箱(0~150℃);玻璃干燥器;
游标卡尺,精度为0.02mm;
0号砂布。
4.4.1.2被粘物及其处理
被粘物采用三层结构的1类阔叶树材胶合板,其尺寸长×宽×厚为(70mm士1mm)×(20mm土0.5mm)×(3mm士0.2mm),长度方向为顺纹理。所裁取的胶合板边缘应平滑、无毛刺,剪断面内不应含有影响胶合强度的材质缺陷或加工缺陷,邻边应互为直角,表面应平整,不应有鼓泡,翘曲等缺陷。涂胶面用0号砂布轻轻打磨,并除去表面粉尘。被粘物在涂胶前的含水率要求在12%或以下。如高于12%时,应在50℃士2℃温度下干燥30min,取出后置于玻璃干燥器内冷却备用。4.4.1.3试件的形状和尺寸见图1所示。为使试验保持力平衡,在试件两端的夹持面上加贴等宽等厚的胶合板。
4.4.1.4试件数量:常规试验不应少于5个;仲裁试验不应少于10个。4.4.1.5试件制备
胶样用玻璃棒搅拌均匀后,分别涂刷于两个基材被粘面上,各涂两遍,总涂胶量为200g/m2~250g/m。涂胶后的被粘物放在干燥箱中干燥,干燥温度为50℃士2℃,每涂一遍干燥时间5min~7min。此时,胶层应呈干膜状,用手指触及不粘指,如未达指干,可适当延长干燥时间,然后将被粘物按搭接尺寸要求平行顺纹互相胶接。将胶接后的一组试件5个(或以上)叠放在一起,用约0.4MPa的压力作用于搭接面上,加压时间为5min。专用加压装置见附录A(标准的附录)。卸压后将试件在室温下(不低于20℃)放置48h,方可进行强度试验。4.4.1.6试验条件
试验应在温度为23℃土5℃、相对湿度为55%~75%的环境中进行。133
LY/T 1206—1997
测试前试件在试验温度和湿度下停放的时间不应少于30min。20±1
125±2
图1试件的形状和尺寸
4.4.1.7试验步骤
用游标卡尺测量试件搭接面的长度和宽度,精确至0.1mm。胶接缝
剪切面
单位:mm
将试件夹在带有活动夹头的拉力试验机上,试件的放置应使其纵轴与试验机的活动夹头的轴线一致。
开动拉力试验机,以50mm/min士5mm/min的速度均匀加荷直至试件破坏。记录试件剪切破坏的最大载荷,读数应精确至5N。
4.4.1.8试验结果
拉伸剪切强度按式(1)计算:
式中:r——拉伸剪切强度,MPa;P—试件剪切破坏的最大载荷,N;B-—试件搭接面宽度,mm,
L-一试件搭接面长度,mm。
试验结果以剪切强度的算术平均值表示,精确至0.01 MPa。其平均值应符合表1要求。4.4.2试验方法Ⅱ
4.4.2.1试验仪器和设备
同4.4.1.1。
4.4.2.2被粘物及其处理
·(1)此内容来自标准下载网
制作试件的被粘物分别为三层结构的1类阔叶树材胶合板和热固性树脂装饰层压板。其尺寸长X宽×厚分别为(70 mm士l mm)×(20 mm±0.5 mm)×(3 mm±0.2mm)和(70 mm±l mm)×(20 mm±0.5mm)×(1.0mm士0.12mm),长度方向为顺纹理。所裁取的胶合板边缘应平滑、无毛刺,剪断面内不应含有影响胶合强度的材质缺陷或加工缺陷,邻边应互为直角,表面应平整,不应有鼓泡、翘曲等缺陷。涂胶面用0号砂布轻轻打磨,并除去表面粉尘。所裁取的热固性树脂装饰层压板边缘应平滑,邻边应互为直角。板背即涂胶面用3号砂布轻轻打磨,并除去表面粉尘。
胶合板在涂胶前的含水率要求在12%或以下。如高于12%时,应在50℃士2℃温度下干燥30min,取出后置于玻璃干燥器内冷却备用。131
LY/T 1206—1997
4.4.2.3试件的形状和尺寸见图2所示。为使试验保持力平衡,在试件两端的夹持面上分别加贴等宽等厚的胶合板和热固性树脂装饰层压板。装饰层压板
125±2
胶接缝
剪切面
图2试件的形状和尺寸
胶合板
单位:mm
4.4.2.4试件数量、试件制备、试验条件、试验步骤、试验结果分别同4.4.1.4、4.4.1.5、4.4.1.6、4. 4. 1. 7、4. 4. 1. 8.
4.5初粘性能的测定
初粘性能的测定同4.4,但试件卸压后至测试前的间隔时间应为30min。初粘强度用\。”表示。4.6耐干热性能的测定
4.6.1仪器及工具
4.6.7.1铜质油锅:外径87mm±1mm,壁厚1mm,底厚2.5mm+0.5mm,总高度为150mm土5mm。内装350mL土10mL高温油(甘油或葩麻油),锅外用石棉线缠满,锅底应平整清洁。4.6.1.2方形铁块:长度100mm±2mm,宽度100mm士2mm,高度64mm±0.5mm,重约5kg。4.6.1.3水银温度计:0~250℃。4.6.1.4衬垫板:厚度15mm~~19mm,边长为200mm士5mm的正方形普通胶合板或刨花板。4.6.1.5盖板:厚度3mm~5mm,边长为100mm士5mm正方形普通胶合板,板中心和距中心30mm处各钻一孔,中心孔插温度计,另一孔放入一搅拌棒。4.6.1.6加热源(如电炉或煤气炉等)。4.6.1.7计时器(如秒表)。
4.6.2试件制备
4.6.2.1选用厚度3.0mm士0.2mm的三层结构的Ⅱ类阔叶树材胶合板和厚度1.0mm士0.12mm的热固性树脂装饰层压板为被粘物。其尺寸长×宽均为(100mm士2mm)×(100mm土2mm)。涂胶面分别用1号和3号砂布轻轻打磨,并除去表面粉尘。4.6.2.2试件数量为1个。
4.6.2.3胶样用玻璃摔搅拌均匀后,分别涂刷于两个基材被粘面上,各涂两遍,总涂胶量为200g/m2~250g/m2。涂胶后的被粘物放在干燥箱中干燥,干燥温度为50℃士2℃,每涂一遍干燥时间5min~7min。此时,胶膜应呈干膜状,用手指触及不粘指,如未达指干,可适当延长干燥时间,然后将被粘物互相胶接。胶接后的试件用约0.4MPa的压力作用于搭接面上,加压时间为5min。卸压后将试件在室温下(不低于20℃)放置48h,方可进行耐干热性能试验。4.6.3试验步骤
4.6.3.1衬垫板水平放置在台面上,将试件(热固性树脂装饰层压板朝上)放在衬垫板上面。4.6.3.2将盛有高温油的铜锅加热到120℃士1℃(注意搅拌,保证底部和上部油温基本致),立刻置435
LY/T 1206--- 1997
于试件中心表面上,锅口盖上盖板,并压上5kg重铁块,开始记录时间。4.6.3.320min后取出试件,此时高温油的温度应不得低于80℃。4.6.3.4试件在室温下放置30min以上,观察试件变化情况。4.6.4试验结果
观察试件有无鼓泡、开胶等情况。5检验规则
5.1检验分类
检验分出厂检验和型式检验。
5.1.1出厂检验
出厂检验项目:外观、不挥发物含量、粘度、拉伸剪切强度。5.1.2型式检验
型式检验项目:外观、不挥发物含量、粘度、拉伸剪切强度、初粘性能、耐干热性能。5.1.3有下列情形之-时,应进行型式检验:a)若产品结构材料、工艺有较大变化,可能影响产品质量时,b)长期停产后恢复生产时;
c)出厂检验结果与上次型式检验有较大差异时;d)国家质量监督机构提出型式检验要求时。型式检验每年不少于1次。
5.2抽样与组批规则
5.2.1产品以1签为1批,每批均应按本标准技术指标的项目进行检测。5.2.2抽样数量按表2规定进行。表2
容器数
65~125
126~216
采样个数(最低)
容器数
217~343
344~512
513~-729
730~1000
采样个数(最低)
5.2.3取样总量不少于1kg,经均匀混合后即组成试验用平均试样。将平均试样存放于有磨口盖的瓶内保存。
5.2.4采样应按GB3723的有关规定执行。5.3判定规则
5.3.1所有检验项目均符合本标准3.1规定时判为合格。5.3.2检验结果如有项不符合本标准技术指标时,应从产品中双倍取样,对不合格项目进行复试。复试后仍未达到技术指标时,则该批胶粘剂为不合格品。5.3.3拉伸剪切强度试验方法1与试验方法亚等效,可任选-一种。仲裁按试验方法I进行。5.3.4供需双方检验结果不-一致时,可由双方协商解决,如不能解决,则由专业监督部门仲裁。6标志、包装、运输和贮存
6.1每批出厂的产品都应附有产品质量合格证。包括:产品名称、生产批号、生产日期。6.2木工用氯丁橡胶胶粘剂属易燃危险品,其标志、包装、运输和贮存按GB2944执行。6.3木工用氯丁橡胶胶粘剂宜在10℃~35℃室温下贮存,其贮存期为1年,超过贮存期的成品应按本标准的规定进行所有项目的检验,检验合格方可使用。136
LY/T1206-1997
附录A
(标准的附录)
专用加压装置
1-台秤:2-丝杆手柄:3—铁支架;4—试件定位装置;5—螺栓:6一台秤秤台;7一台秤底座图A1加压装置示意图()
1—手柄;2—铁支架;3--丝杆;4—垫块;5-试件;6-台秤秤台;7—台秤底座图A2加压装置示意图(二)
1活动挡板;2挡板:3-螺钉孔
图A3试件定位装置示意图
小提示:此标准内容仅展示完整标准里的部分截取内容,若需要完整标准请到上方自行免费下载完整标准文档。
标准图片预览:





- 其它标准
- 上一篇: LY/T 1204-1997 浮雕纤维板
- 下一篇: NY/T 221-1993 橡胶树栽培技术规程
- 热门标准
- 林业行业标准(LY)
- LY/T1863-2009 自然保护区生态旅游评价指标
- LY/T1185-1996 国有林区标准化苗圃
- LY/T1143-2006 饰面用浸渍胶膜纸
- LY/T1918-2010 野生动物饲养管理技术规程
- LY/T2115-2013 油茶饼粕有机肥
- LY/T1444.3-2005 林区木材生产能耗 第3部分:集材机械燃料消耗量
- LY/T1640-2005 药用单宁酸
- LY/T1171-1995 湿粘性单板封边胶纸带
- LY/T1257-1999 森林土壤浸提性铁、铝、锰、硅、碳的测定
- LY1120-1993 保鲜山野菜
- LY/T1357-2008 歧化松香
- LY/T1690-2007 低效林改造技术规程
- LY/T1646-2005 森林采伐作业规程
- LY/T1683-2006 中国野生植物受威胁等级划分标准
- LY/T1633-2005 中国水仙种球生产技术规程和质量等级
- 行业新闻
请牢记:“bzxz.net”即是“标准下载”四个汉字汉语拼音首字母与国际顶级域名“.net”的组合。 ©2025 标准下载网 www.bzxz.net 本站邮件:bzxznet@163.com
网站备案号:湘ICP备2025141790号-2
网站备案号:湘ICP备2025141790号-2