- 您的位置:
- 标准下载网 >>
- 标准分类 >>
- 林业行业标准(LY) >>
- LY/T 1143-2006 饰面用浸渍胶膜纸
标准号:
LY/T 1143-2006
标准名称:
饰面用浸渍胶膜纸
标准类别:
林业行业标准(LY)
标准状态:
现行-
发布日期:
2006-08-31 -
实施日期:
2006-12-01 出版语种:
简体中文下载格式:
.rar.pdf下载大小:
160.32 KB
替代情况:
替代LY/T 1143-1993
点击下载
标准简介:
标准下载解压密码:www.bzxz.net
本标准规定了饰面用浸渍胶膜纸的术语和定义、分类、要求、检验和试验方法、检验规则以及标志、包装、运输和贮存。本标准适用于生产浸渍胶膜纸饰面人造板和热固性浸渍纸高压装饰层压板(HPL)所用的浸渍胶膜纸。本标准不适用于混凝土模板覆膜用浸渍胶膜纸。 LY/T 1143-2006 饰面用浸渍胶膜纸 LY/T1143-2006
部分标准内容:
ICS 79.060
中华人民共和国林业行业标准
LY/T1143—2006
代替LY/T1143—1993
饰面用浸渍胶膜纸
Impregnated thermosetting resins paper for decoration2006-08-31发布
国家林业局
2006-12-01实施
本标准代替LY/T1143—1993《饰面用浸溃胶膜纸》。本标准与LY/T11431993相比主要技术变化如下:-修改了术语的定义,增加「术语的英文表述:-对浸胶量、预固化度,摔发物含量等指标做了调整;修改了浸溃胶膜纸的幅面尺寸规格。本标准的附录A为资料性附录。
本标准由全国人造板标准化技术委员会提出并归口本标准负责起草单位:中国林业科学研究院木材工业研究所。LY/T1143—2006
本标推参加起草单位:国营松江胶合厂、福州人造板厂、圣象实业(深圳)有限公司、佛山市南海耀东华家具板材有限公司、成都建诚实业有限公司、四川升达林产品有限公司。本标推主要起草人:彭立民、工正、周月、高淑兰、黄庆平、高秋玲、曾敏华、陈庆、石明安本标推1993年12月第一次发布,本次为第次修。本标推委托全国人造板标准化技术委员会负责解释。LY/T 1143—2006
胶粉glue powder
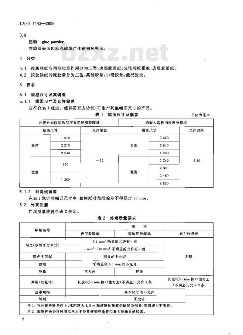
胶膜纸表面因胺泡破裂产生的白色粉末。4分类
4.1按胶膜纸应用部位及作用分为三类:表层胶膜纸,装饰层胶膜纸,底层胶膜纸。4.2按胶膜纸的漫胶量分为三型:高浸胶量,中浸胶量,低浸胶量。5要求
5. 1规格尺寸及其偏差
5.1.1面尺寸及允许偏差
应符合表1规定。经供需双方协议,可生产其他幅面尺寸的产品。表 幅面尺寸及偏差
热固性树脂装饰层压板用浸溃胶膜纸幅面尺寸
5. 1. 2 对角线偏差
允许偏差
饰面人造板用浸溃胶膜纸
幅面尺寸
在表 1 规定的幅面尺寸中,胶膜纸对角线偏差不得超过 20 mm。5.2外观质量
外观质量应符合表2 规定。
表 2 外观质量要求
缺陷名称
污斑(以每平方米计)
额色不匹配
撕裂(以张计)
边缘缺损
表层胶膜纸
装饰层胶膜纸
≤3 mm明显的允许有-处
3mm~30 mm2不明显的充允许有一处明显的不允许
平均直径>5mm的不允许
不允许
长度≤50mm撕口能对上(不明显),充许1条基本尺寸内不允许
不充许
单位为毫长
允许偏差
底昙胶膜纸
长度≤50mm撕口能对上
(不明显),允许38条
注1:在外观检验案件下,视距高为1.5m能清晰地观赛到缺陷为明显,否则即为不明显。注2:胶粉轻微是指胶膜纸从水平位置转变到垂直位置无胶粉自然脱落。2
5. 3物理性能
5.3.1胶膜纸浸胶量应符合表3规定。LY/T 1143—2006
a)同一张胶膜纸上各试件之间浸胶量的最大值与最小值与标示值之差不得超过10%;b)同一批产品中,各张胶膜纸的浸胶量算术平均值与标示值之差不得超过10%。表 3 物理性能指标
表层胶膜纸
装饰层胶膜纸
底层胶膜纸
5.3.2胶膜纸挥发物含鼠
浸胶最
每个试件的挥发物含量均应符合表3规定挥发物含量/(%)
5. 0 -~9, 0
同一张胶膜纸上挥发物含量与标示值含量挥发物之差不超过土1%。5.3.3胶膜纸预固化度要求
每个试件的预固化度均应符合表3规定。6检验和试验方法
6.1外观质量检验
6.1.1外观质量检验条件:
检验台高度为700 mm左右;
预固化度/(%)
30~-60
30~-70
30--70
照明光源为40W口光灯管三支,灯管间距约400mm,灯管长度方向与胶膜纸长度方向平行,灯管距检验台高度约为2m,自然光线应不影响检验;c)检验人员应有正常视力(或矫正为正常视力)。6. 1.2检验人员对胶膜纸外观质量应逐张检验,视距为 0.5m~3. 0 m。6.2规格尺寸测量免费标准bzxz.net
6.2. 1 量具
钢卷尺,精度为 1 tum。
6.2.2幅面尺寸测量
长度在纸宽两边,宽度在纸长两边任意位置用钢卷尺测量,精确至1 mm6.2.3对角线长度测量
用钢卷尺测量胶膜纸的对角线长度,精确至1mm。6.3理化性能试验方法
6.3.1试件制作及尺寸
6.3.1.1制取
沿原纸及饰面用浸渍胶膜纸横向在其中心和分别距两边50mm处各取一个试件,每张纸取三个试件。
LY/T 1143—2006
6. 3. 1. 2尺寸
试件面积为(100=1)ctn的正方形或圆形。6. 3. 2浸胶量与挥发物含量测定6.3.2.1原理
浸胶量是指胶膜纸在160℃十燥箱中十燥10min后.胶膜纸上胶的质量与原纸绝十质量之比,以百分数表示。
挥发物含量是指胶膜纸在 160℃干燥箱中干燥 10 min后,其干燥前后的质量差与干燥前质量之比,以百分数表示。
6.3.2.2仪器和工具
)天平,感量为1mg;
b)鼓风干燥箱,温度范围40℃~200℃,恒温灵敏度士1℃;c)干燥器。
6.3.2.3试件制取及尺寸
按6.3.1规定进行。
6.3.2.4方法
6.3.2.4.1将三个原纸试件放人控温在(160士2)℃的鼓风干燥箱内干燥(10二0.5)nin,取出后立即放入十燥器内冷却至室温,逐个称量,精确至1 mg。三个试件的算术平均值作为原纸的绝十质量6.3.2.4.2将三个胶膜纸试件逐个称量,精确至1mg。6.3.2.4.3将称过的胶膜纸试件放人控温在(160士2)℃的鼓风下燥箱内下燥(1010.5)min(在干燥的过程中,试件应悬挂,相互不得粘连),取山后立即放人下燥器内冷却至宰温,逐个称量,精确至1 mg。6.3.2.5结果计算和表示
6.3.2.5.1三个试件的浸胶量按式(1)计算,精确至0.1%。W, = mb =m × 100%
式中:
胶膜纸的浸胶量,%;
胶膜纸干燥后的质量,单位为克(g);原纸的绝干质量或原纸的标示质量,单位为克(g)(1)
每张胶膜纸的浸胶量的测试结果分别以三个试件所得结果值表示,每张胶膜纸的浸胶量以三个试件所得结果的算术平均值表示。6. 3. 2. 5.2 挥发物含量按式(2)计算,精确至 0. 01%。Wv= mam×100%
式中:
-胶膜纸的挥发物含量,%;
m。- 胶膜纸十燥前的质量,单位为克(g);mth
-胶膜纸下燥后的质量,单位为克(g)。.(2)
每张胶膜纸的挥发物含量的测试结果分别以三个试件所得结果值表示,每张胶膜纸的挥发物含量以一个试件所得结果的算术平均值表示。6.3.3预固化度的测定
6.3.3.1原理
预固化度是指胶膜纸在 40℃蒸馏水中浸20 min后,不溶于水的胶量与浸泡前胶膜纸上的绝干胶量之比,以百分数表示。
6. 3. 3. 2仪器和工具
a)大平,感量为!mgl
鼓风T燥箱,温度范围40℃~200℃,恒温灵度+1℃:b)
恒温水槽,可控温在(40±2)℃;c)
d)干燥器。
6. 3. 3. 3试性制取及尺寸
按 6. 3. 1 规定进行。
6. 3. 3. 4 试验程序
6. 3.3. 4. 1原纸的绝下质量和胶膜纸的挥发物含量按 6. 3.2 规定测定。6.3.3.4.2将胶膜纸试件逐个称量,精确至1mgLY/T 1143--2006
6,3.3.4.3将试件固定在试件夹上,放入盛有(40土2)℃的蒸馅水的恒温水槽中,试件和蒸馏水的比例为每个试件需有 1, 5 L 的蒸馏水蒸馏水不能重复使用,水面应高于试件 10 mm 以上。静置浸泡(20士0.5)min后取出试件,在室温下挂晾10min~15min,然后放人(160士2)℃下燥箱内十燥(10±0.5)min.
6.3.3.4.4从干燥箱中取出试件,立即放人下燥器内冷却至宰温,逐个称量,精确至1mg。6.3.3.5结果计算和表示
预固化度按式(3)计算,精确至0.01%。W.
胶膜纸的预固化度,%:
×100%
md-ms-Wv-m
胶膜纸浸泡前的质量,单位为克(g):胶膜纸浸泡、干燥后的质量,单位为克(g);Wy
胶膜纸的挥发物含量,%;
原纸的绝干质量或原纸的标示质量,单位为克(g)。每张胶膜纸的预固化度以三个试件所得结果的算术平均值表示。7检验规则
7.1检验分类
产品检验分出厂检验和型式检验。7,1.1出厂检验项目
出厂检验项日包括:
a)外观质量检验;
规格尺寸捡验;
浸胶量与挥发物含量的测定。
7.1.2型式检验项目
型式检验包括出厂检验的全部项目,另外还应进行预固化度的测定。7. 1.3型式检验条件
有下列情况之一时,应进行型式检验:当原辅助材料及生产工艺发生较大变动时;a)
b)停产3个月以上,恢复生产时;正常牛产时,每年检验不少于四欲;d)质量监督机构提出型式检验的要求时;(3)
LY/T1143—2006
e)新产品投入生产时。
7.2抽样方案和判定规则
7.2.1 外观质量检验采用按 GB/T 2828.1一2003 中的正常检验一次抽样方案。检验水平为 IⅡ,接收质量限AQL—4. 0,见表1。按 5.2规定对样本 n进行检验。表4外观质量检验抽样方案
批量范围N
281500
5011 200
1201~3200
3 201 -~10 000
10 001-~35 000
样本数社
接收数 Ac
单位为张
拒收数 Rc
规格尺寸检验采用接GB/T 2828.1一2003中的正常检验一次抽样方案,样本从外观质量检验7.2.2
的样本中任意抽取,检验水平为S-1,接收质量限AQ1.=6.5.见表5。按5.1规定对样本n进行检验。表5规格尺寸检验抽样方案
批量范围 N
281~500
501--1 200
1 2013 200
3 201~~10 000
10001~35000
样本数 n
接收数 Ac
单位为张
拒收数Rc
7.2.3物理性能检验抽样数量见表6。样本从成批拨交产品任意部位抽取。如果初检有1张不合格可在该批中加倍抽样,对不合格项目进行复检,每张胶膜纸复检项目均合格方可判为合格;如果初捡有2张或2张以上不合格,则判为不合格,不再复检表6物理性能检验抽样方案
批盘范围N
1001~3200
>3 200
7.3判定规则
样本数n
单位为张
外观质量、规格尺寸、物性能检验结果均符合标准规定的要求时,判定该批产品为合格品,否则判为不合格品。
7.4检验报告
检验报告包括以下内容:
检测所依据的标推,
检验结果:
检测过程中出现的各种异常情说。6
1范围
饰面用浸渍胶膜纸
LY/T 1143—2006
本标准规定了饰面用浸溃胶膜纸的术语和定义、分类,要求、检验和试验方法、检验规则以及标志、包装,运输和贮存。
本标准适用于生产浸溃胶膜纸饰面人造板和热固性浸渍纸高压装饰层压板(IIPL)所用的浸渍胶膜纸。
本标准不适用于混凝七模板覆膜用浸溃胶膜纸。2规范性引用文件
下列文件中的条款通过本标准的引用而成为本标准的条款。凡是注日期的引用文件,其随后所有的修改单(不包括谢误的内容)或修订版均不适用于本标准,然而,鼓励根据本标准达成协议的各方研究是否可使用这些文件的最新版本。凡是不注日期的引用文件,其最新版本适用于本标准。GB/T2828.1—2003计数抽样检验程序第1部分:按接收质量限(AQI.)检索的逐批检验抽样计划(IS0 2859-1:1999,IDT)
GB/T19367.2—2003人板板的垂直度和边缘直度的测定3术语和定义
下列术语和定义适用于本标准。3.1
饰面用漫溃胶膜纸impregnated paper fordecoration由专用纸浸渍氨基树脂或酚醛树脂,并十燥到一定程度,经热压可相互粘合或覆贴在人造板表面的浸胶纸(简称胶膜纸)。
表层胶膜纸surface impreguated paper由表层纸浸溃氨基树脂制成的胶膜纸。主要用于制品表面,对装饰层起保护作用。3.3
装饰层胶膜纸decorativesurfaceimpregnatcdpaper由具有各种颜色或花纹图案的装饰纸漫渍氢基树脂制成的胶膜纸,为制品提供装饰及覆盖作用。3.4
底层胶膜纸ground resin impregnated paper由底层纸浸渍氨基树脂或酚醛树脂制成的胶膜纸。为制品提供增强、增厚、防潮或平衡作用。3.5
污斑spots; dirt and similar surface defects原纸中的生埃,印刷时出现的油墨迹,以及加T,过程中杂物等造成的装饰缺陷。3.6
颜色不匹配:color unmatching某一图案的额色与给定标样图案的颜色视觉上不相同。3.7
胶泡glue inclnsions
胶膜纸上胶膜内含气体的异常突起。8标志、包装、运输和贮存
8.1标志
8.1.1产品标志
LY/T 1143—2006
成批拨交的产品包装内应附有标签,注明制造厂、产品名称或产品标记、商标、产品数量、产品主要指标(规格、浸胶量、挥发物含、原纸绝干重)、花色品种、生产H期。8.1.2包装标志
成批拨交产品包装物上应有收发货单位、产品名称或标记、产品数量、防潮、防高温、防压、防冲击等标志。
8.2包装
产品应按不同规格、型号、花色品种分别用塑料膜包封。运往外地时应装入木箱或铁箱内。8.3运输
产品在运输过程中,要防潮.防高温、防压、防冲击。8. 4 贮存
产品应在相对湿度为40%~65%,温度在10℃~25℃条件下贮存,保质期限为生产之口起3个月。LY/T 1143-2006
表层胺膜纸
装饰层胶模纸
底层胶膜纸
LY/T1143-2006
附录A
(资料性附录)
漫溃胶膜纸不同涂胶量的典型用途表A. 1
浸腔量(%)
>210~280
>170~210
120--170
>130~160
70~~130
110~160
>50~~110
>35-~50
典型用途
浸读纸层压木质地版
深色装饰层压板
浅色装饰层压板
饰面人造板
装饰层压板
饰面人造板
装饰层乐板
版权专有侵权必究
书号:155066:2-17376
定价:
9002-81
8标志,包装、运输和贮存
8.1标志
8.1.产品标志
T.Y/T1143—2006
成批拨交的产品包装内应附有标签,注明制造」产品名称或产品标记、商标,产品数量,产品主要指标(规格、浸胶量、挥发物含量、原纸绝干重)、花色品种、生产日期。8.1.2包装标志
成批拨交产品包装物上应有收发货单位、产品名称或标记、产品数量、防潮、防高温、防压、防冲击等标志,
8.2包装
产品应按不同规格、型号、花色品种分别用塑料膜包封。运往外地时应装人木箱或铁箱内,8.3运输
产品在运输过程中,要防潮、防高温、防压、防冲击。8. 4 贮存
产品应在相对湿度为40%~~65%温度在10℃~25℃条件下贮存,保质期限为生产之日起3个月LY/T 1143—2006
衣层胶膜纸
装饰层胶膜纸
底层胶膜纸
LY/T 1143-2006
附录A
(资料性附录)
漫渍胶膜纸不同涂胶量的典型用途表A.1
浸胶蛋/(%)
210~280
-170-210
120--170
>130~160
70-~130
>55--70
2-110-~160
>50~110
典型用途
浸流纸层压木质地板
深色装饰层压板
浅色装饰层压板
饰面人造板
装饰层压板
饰面人造板
装饰层乐板
版权专有便权必究
书号:155066-2-17376
定价:
小提示:此标准内容仅展示完整标准里的部分截取内容,若需要完整标准请到上方自行免费下载完整标准文档。
中华人民共和国林业行业标准
LY/T1143—2006
代替LY/T1143—1993
饰面用浸渍胶膜纸
Impregnated thermosetting resins paper for decoration2006-08-31发布
国家林业局
2006-12-01实施
本标准代替LY/T1143—1993《饰面用浸溃胶膜纸》。本标准与LY/T11431993相比主要技术变化如下:-修改了术语的定义,增加「术语的英文表述:-对浸胶量、预固化度,摔发物含量等指标做了调整;修改了浸溃胶膜纸的幅面尺寸规格。本标准的附录A为资料性附录。
本标准由全国人造板标准化技术委员会提出并归口本标准负责起草单位:中国林业科学研究院木材工业研究所。LY/T1143—2006
本标推参加起草单位:国营松江胶合厂、福州人造板厂、圣象实业(深圳)有限公司、佛山市南海耀东华家具板材有限公司、成都建诚实业有限公司、四川升达林产品有限公司。本标推主要起草人:彭立民、工正、周月、高淑兰、黄庆平、高秋玲、曾敏华、陈庆、石明安本标推1993年12月第一次发布,本次为第次修。本标推委托全国人造板标准化技术委员会负责解释。LY/T 1143—2006
胶粉glue powder
胶膜纸表面因胺泡破裂产生的白色粉末。4分类
4.1按胶膜纸应用部位及作用分为三类:表层胶膜纸,装饰层胶膜纸,底层胶膜纸。4.2按胶膜纸的漫胶量分为三型:高浸胶量,中浸胶量,低浸胶量。5要求
5. 1规格尺寸及其偏差
5.1.1面尺寸及允许偏差
应符合表1规定。经供需双方协议,可生产其他幅面尺寸的产品。表 幅面尺寸及偏差
热固性树脂装饰层压板用浸溃胶膜纸幅面尺寸
5. 1. 2 对角线偏差
允许偏差
饰面人造板用浸溃胶膜纸
幅面尺寸
在表 1 规定的幅面尺寸中,胶膜纸对角线偏差不得超过 20 mm。5.2外观质量
外观质量应符合表2 规定。
表 2 外观质量要求
缺陷名称
污斑(以每平方米计)
额色不匹配
撕裂(以张计)
边缘缺损
表层胶膜纸
装饰层胶膜纸
≤3 mm明显的允许有-处
3mm~30 mm2不明显的充允许有一处明显的不允许
平均直径>5mm的不允许
不允许
长度≤50mm撕口能对上(不明显),充许1条基本尺寸内不允许
不充许
单位为毫长
允许偏差
底昙胶膜纸
长度≤50mm撕口能对上
(不明显),允许38条
注1:在外观检验案件下,视距高为1.5m能清晰地观赛到缺陷为明显,否则即为不明显。注2:胶粉轻微是指胶膜纸从水平位置转变到垂直位置无胶粉自然脱落。2
5. 3物理性能
5.3.1胶膜纸浸胶量应符合表3规定。LY/T 1143—2006
a)同一张胶膜纸上各试件之间浸胶量的最大值与最小值与标示值之差不得超过10%;b)同一批产品中,各张胶膜纸的浸胶量算术平均值与标示值之差不得超过10%。表 3 物理性能指标
表层胶膜纸
装饰层胶膜纸
底层胶膜纸
5.3.2胶膜纸挥发物含鼠
浸胶最
每个试件的挥发物含量均应符合表3规定挥发物含量/(%)
5. 0 -~9, 0
同一张胶膜纸上挥发物含量与标示值含量挥发物之差不超过土1%。5.3.3胶膜纸预固化度要求
每个试件的预固化度均应符合表3规定。6检验和试验方法
6.1外观质量检验
6.1.1外观质量检验条件:
检验台高度为700 mm左右;
预固化度/(%)
30~-60
30~-70
30--70
照明光源为40W口光灯管三支,灯管间距约400mm,灯管长度方向与胶膜纸长度方向平行,灯管距检验台高度约为2m,自然光线应不影响检验;c)检验人员应有正常视力(或矫正为正常视力)。6. 1.2检验人员对胶膜纸外观质量应逐张检验,视距为 0.5m~3. 0 m。6.2规格尺寸测量免费标准bzxz.net
6.2. 1 量具
钢卷尺,精度为 1 tum。
6.2.2幅面尺寸测量
长度在纸宽两边,宽度在纸长两边任意位置用钢卷尺测量,精确至1 mm6.2.3对角线长度测量
用钢卷尺测量胶膜纸的对角线长度,精确至1mm。6.3理化性能试验方法
6.3.1试件制作及尺寸
6.3.1.1制取
沿原纸及饰面用浸渍胶膜纸横向在其中心和分别距两边50mm处各取一个试件,每张纸取三个试件。
LY/T 1143—2006
6. 3. 1. 2尺寸
试件面积为(100=1)ctn的正方形或圆形。6. 3. 2浸胶量与挥发物含量测定6.3.2.1原理
浸胶量是指胶膜纸在160℃十燥箱中十燥10min后.胶膜纸上胶的质量与原纸绝十质量之比,以百分数表示。
挥发物含量是指胶膜纸在 160℃干燥箱中干燥 10 min后,其干燥前后的质量差与干燥前质量之比,以百分数表示。
6.3.2.2仪器和工具
)天平,感量为1mg;
b)鼓风干燥箱,温度范围40℃~200℃,恒温灵敏度士1℃;c)干燥器。
6.3.2.3试件制取及尺寸
按6.3.1规定进行。
6.3.2.4方法
6.3.2.4.1将三个原纸试件放人控温在(160士2)℃的鼓风干燥箱内干燥(10二0.5)nin,取出后立即放入十燥器内冷却至室温,逐个称量,精确至1 mg。三个试件的算术平均值作为原纸的绝十质量6.3.2.4.2将三个胶膜纸试件逐个称量,精确至1mg。6.3.2.4.3将称过的胶膜纸试件放人控温在(160士2)℃的鼓风下燥箱内下燥(1010.5)min(在干燥的过程中,试件应悬挂,相互不得粘连),取山后立即放人下燥器内冷却至宰温,逐个称量,精确至1 mg。6.3.2.5结果计算和表示
6.3.2.5.1三个试件的浸胶量按式(1)计算,精确至0.1%。W, = mb =m × 100%
式中:
胶膜纸的浸胶量,%;
胶膜纸干燥后的质量,单位为克(g);原纸的绝干质量或原纸的标示质量,单位为克(g)(1)
每张胶膜纸的浸胶量的测试结果分别以三个试件所得结果值表示,每张胶膜纸的浸胶量以三个试件所得结果的算术平均值表示。6. 3. 2. 5.2 挥发物含量按式(2)计算,精确至 0. 01%。Wv= mam×100%
式中:
-胶膜纸的挥发物含量,%;
m。- 胶膜纸十燥前的质量,单位为克(g);mth
-胶膜纸下燥后的质量,单位为克(g)。.(2)
每张胶膜纸的挥发物含量的测试结果分别以三个试件所得结果值表示,每张胶膜纸的挥发物含量以一个试件所得结果的算术平均值表示。6.3.3预固化度的测定
6.3.3.1原理
预固化度是指胶膜纸在 40℃蒸馏水中浸20 min后,不溶于水的胶量与浸泡前胶膜纸上的绝干胶量之比,以百分数表示。
6. 3. 3. 2仪器和工具
a)大平,感量为!mgl
鼓风T燥箱,温度范围40℃~200℃,恒温灵度+1℃:b)
恒温水槽,可控温在(40±2)℃;c)
d)干燥器。
6. 3. 3. 3试性制取及尺寸
按 6. 3. 1 规定进行。
6. 3. 3. 4 试验程序
6. 3.3. 4. 1原纸的绝下质量和胶膜纸的挥发物含量按 6. 3.2 规定测定。6.3.3.4.2将胶膜纸试件逐个称量,精确至1mgLY/T 1143--2006
6,3.3.4.3将试件固定在试件夹上,放入盛有(40土2)℃的蒸馅水的恒温水槽中,试件和蒸馏水的比例为每个试件需有 1, 5 L 的蒸馏水蒸馏水不能重复使用,水面应高于试件 10 mm 以上。静置浸泡(20士0.5)min后取出试件,在室温下挂晾10min~15min,然后放人(160士2)℃下燥箱内十燥(10±0.5)min.
6.3.3.4.4从干燥箱中取出试件,立即放人下燥器内冷却至宰温,逐个称量,精确至1mg。6.3.3.5结果计算和表示
预固化度按式(3)计算,精确至0.01%。W.
胶膜纸的预固化度,%:
×100%
md-ms-Wv-m
胶膜纸浸泡前的质量,单位为克(g):胶膜纸浸泡、干燥后的质量,单位为克(g);Wy
胶膜纸的挥发物含量,%;
原纸的绝干质量或原纸的标示质量,单位为克(g)。每张胶膜纸的预固化度以三个试件所得结果的算术平均值表示。7检验规则
7.1检验分类
产品检验分出厂检验和型式检验。7,1.1出厂检验项目
出厂检验项日包括:
a)外观质量检验;
规格尺寸捡验;
浸胶量与挥发物含量的测定。
7.1.2型式检验项目
型式检验包括出厂检验的全部项目,另外还应进行预固化度的测定。7. 1.3型式检验条件
有下列情况之一时,应进行型式检验:当原辅助材料及生产工艺发生较大变动时;a)
b)停产3个月以上,恢复生产时;正常牛产时,每年检验不少于四欲;d)质量监督机构提出型式检验的要求时;(3)
LY/T1143—2006
e)新产品投入生产时。
7.2抽样方案和判定规则
7.2.1 外观质量检验采用按 GB/T 2828.1一2003 中的正常检验一次抽样方案。检验水平为 IⅡ,接收质量限AQL—4. 0,见表1。按 5.2规定对样本 n进行检验。表4外观质量检验抽样方案
批量范围N
281500
5011 200
1201~3200
3 201 -~10 000
10 001-~35 000
样本数社
接收数 Ac
单位为张
拒收数 Rc
规格尺寸检验采用接GB/T 2828.1一2003中的正常检验一次抽样方案,样本从外观质量检验7.2.2
的样本中任意抽取,检验水平为S-1,接收质量限AQ1.=6.5.见表5。按5.1规定对样本n进行检验。表5规格尺寸检验抽样方案
批量范围 N
281~500
501--1 200
1 2013 200
3 201~~10 000
10001~35000
样本数 n
接收数 Ac
单位为张
拒收数Rc
7.2.3物理性能检验抽样数量见表6。样本从成批拨交产品任意部位抽取。如果初检有1张不合格可在该批中加倍抽样,对不合格项目进行复检,每张胶膜纸复检项目均合格方可判为合格;如果初捡有2张或2张以上不合格,则判为不合格,不再复检表6物理性能检验抽样方案
批盘范围N
1001~3200
>3 200
7.3判定规则
样本数n
单位为张
外观质量、规格尺寸、物性能检验结果均符合标准规定的要求时,判定该批产品为合格品,否则判为不合格品。
7.4检验报告
检验报告包括以下内容:
检测所依据的标推,
检验结果:
检测过程中出现的各种异常情说。6
1范围
饰面用浸渍胶膜纸
LY/T 1143—2006
本标准规定了饰面用浸溃胶膜纸的术语和定义、分类,要求、检验和试验方法、检验规则以及标志、包装,运输和贮存。
本标准适用于生产浸溃胶膜纸饰面人造板和热固性浸渍纸高压装饰层压板(IIPL)所用的浸渍胶膜纸。
本标准不适用于混凝七模板覆膜用浸溃胶膜纸。2规范性引用文件
下列文件中的条款通过本标准的引用而成为本标准的条款。凡是注日期的引用文件,其随后所有的修改单(不包括谢误的内容)或修订版均不适用于本标准,然而,鼓励根据本标准达成协议的各方研究是否可使用这些文件的最新版本。凡是不注日期的引用文件,其最新版本适用于本标准。GB/T2828.1—2003计数抽样检验程序第1部分:按接收质量限(AQI.)检索的逐批检验抽样计划(IS0 2859-1:1999,IDT)
GB/T19367.2—2003人板板的垂直度和边缘直度的测定3术语和定义
下列术语和定义适用于本标准。3.1
饰面用漫溃胶膜纸impregnated paper fordecoration由专用纸浸渍氨基树脂或酚醛树脂,并十燥到一定程度,经热压可相互粘合或覆贴在人造板表面的浸胶纸(简称胶膜纸)。
表层胶膜纸surface impreguated paper由表层纸浸溃氨基树脂制成的胶膜纸。主要用于制品表面,对装饰层起保护作用。3.3
装饰层胶膜纸decorativesurfaceimpregnatcdpaper由具有各种颜色或花纹图案的装饰纸漫渍氢基树脂制成的胶膜纸,为制品提供装饰及覆盖作用。3.4
底层胶膜纸ground resin impregnated paper由底层纸浸渍氨基树脂或酚醛树脂制成的胶膜纸。为制品提供增强、增厚、防潮或平衡作用。3.5
污斑spots; dirt and similar surface defects原纸中的生埃,印刷时出现的油墨迹,以及加T,过程中杂物等造成的装饰缺陷。3.6
颜色不匹配:color unmatching某一图案的额色与给定标样图案的颜色视觉上不相同。3.7
胶泡glue inclnsions
胶膜纸上胶膜内含气体的异常突起。8标志、包装、运输和贮存
8.1标志
8.1.1产品标志
LY/T 1143—2006
成批拨交的产品包装内应附有标签,注明制造厂、产品名称或产品标记、商标、产品数量、产品主要指标(规格、浸胶量、挥发物含、原纸绝干重)、花色品种、生产H期。8.1.2包装标志
成批拨交产品包装物上应有收发货单位、产品名称或标记、产品数量、防潮、防高温、防压、防冲击等标志。
8.2包装
产品应按不同规格、型号、花色品种分别用塑料膜包封。运往外地时应装入木箱或铁箱内。8.3运输
产品在运输过程中,要防潮.防高温、防压、防冲击。8. 4 贮存
产品应在相对湿度为40%~65%,温度在10℃~25℃条件下贮存,保质期限为生产之口起3个月。LY/T 1143-2006
表层胺膜纸
装饰层胶模纸
底层胶膜纸
LY/T1143-2006
附录A
(资料性附录)
漫溃胶膜纸不同涂胶量的典型用途表A. 1
浸腔量(%)
>210~280
>170~210
120--170
>130~160
70~~130
110~160
>50~~110
>35-~50
典型用途
浸读纸层压木质地版
深色装饰层压板
浅色装饰层压板
饰面人造板
装饰层压板
饰面人造板
装饰层乐板
版权专有侵权必究
书号:155066:2-17376
定价:
9002-81
8标志,包装、运输和贮存
8.1标志
8.1.产品标志
T.Y/T1143—2006
成批拨交的产品包装内应附有标签,注明制造」产品名称或产品标记、商标,产品数量,产品主要指标(规格、浸胶量、挥发物含量、原纸绝干重)、花色品种、生产日期。8.1.2包装标志
成批拨交产品包装物上应有收发货单位、产品名称或标记、产品数量、防潮、防高温、防压、防冲击等标志,
8.2包装
产品应按不同规格、型号、花色品种分别用塑料膜包封。运往外地时应装人木箱或铁箱内,8.3运输
产品在运输过程中,要防潮、防高温、防压、防冲击。8. 4 贮存
产品应在相对湿度为40%~~65%温度在10℃~25℃条件下贮存,保质期限为生产之日起3个月LY/T 1143—2006
衣层胶膜纸
装饰层胶膜纸
底层胶膜纸
LY/T 1143-2006
附录A
(资料性附录)
漫渍胶膜纸不同涂胶量的典型用途表A.1
浸胶蛋/(%)
210~280
-170-210
120--170
>130~160
70-~130
>55--70
2-110-~160
>50~110
典型用途
浸流纸层压木质地板
深色装饰层压板
浅色装饰层压板
饰面人造板
装饰层压板
饰面人造板
装饰层乐板
版权专有便权必究
书号:155066-2-17376
定价:
小提示:此标准内容仅展示完整标准里的部分截取内容,若需要完整标准请到上方自行免费下载完整标准文档。
标准图片预览:





- 热门标准
- 林业行业标准(LY)
- LY/T3274—2021 木塑复合材料分级
- LY/T1087—2021 烤胶
- LY/T3275—2021 室外用木塑复合板材
- LY/T3250—2021 丝棉木苗木培育技术规程
- LY/T1763-2008 沿海防护林体系工程建设技术规范
- LY/T2200-2013 象牙及象牙制品注册标记管理技术规范
- LY/T2171-2013 林业信息交换体系技术规范
- LY/T1664-2006 古树名木代码与条码
- LY/T1142-2011 立式浸渍干燥生产线
- LY/T1525-1999 森林铁路车辆强度设计规范
- LY/T2173-2013 林业信息资源目录体系技术规范
- LY/T3253—2021 林业碳汇计量监测术语
- LY/T1170-2013 茶叶包装箱用胶合板
- LY/T1606-2003 森林生态系统定位观测指标体系
- LY/T1501-1999 森林铁路车辆 无导框滑动轴承铸钢轴箱体技术条件
- 行业新闻
请牢记:“bzxz.net”即是“标准下载”四个汉字汉语拼音首字母与国际顶级域名“.net”的组合。 ©2025 标准下载网 www.bzxz.net 本站邮件:bzxznet@163.com
网站备案号:湘ICP备2025141790号-2
网站备案号:湘ICP备2025141790号-2