- 您的位置:
- 标准下载网 >>
- 标准分类 >>
- 煤炭行业标准(MT) >>
- MT/T 788-1998 MP型平板防水闸门
标准号:
MT/T 788-1998
标准名称:
MP型平板防水闸门
标准类别:
煤炭行业标准(MT)
标准状态:
现行-
发布日期:
1998-11-10 -
实施日期:
1999-04-01 出版语种:
简体中文下载格式:
.rar.pdf下载大小:
156.50 KB
点击下载
标准简介:
标准下载解压密码:www.bzxz.net
本标准规定了MP型平板防水闸门的结构型式与产品分类、技术要求、试验方法、检验规则及标志、包装、运输、贮存。本标准适用于矿山井下1. 6MPa以下焊接结构平板式防水闸门(以下简称防水门)。 MT/T 788-1998 MP型平板防水闸门 MT/T788-1998
部分标准内容:
MT/T 788—1998
在煤炭开采中,凡属并下有水惠的矿并都需要安装防水阑门。本标准防水闸门分为1.0.1.6MPa两个压力等级。本标准图样在1982年审定为煤炭行业标准设计,两个压力等级的产品都进行过工业性试验。依据《煤矿安全规程》(1992年版第253条的规定,防水闸门必须采用定型设计和持有许可证的厂家制造·”。因此,本标准的制定十分有利于“煤矿安全规程”的贯彻执行。已颁发的企业标准,其条文内容与本标准条文内容相矛盾时,应按本标准执行。本标准的附录A为标准的附录。
本标准由国家煤炭工业局行业管理司提出。本标准由煤炭工业煤矿专用设备标准化技术委员会归口。本标准起草单位:煤炭工业武汉设计研究院。本标准主要起草人:薛贵发。
本标推委托煤炭工业武汉设计研究院负责解释。418
1范围
中华人民共和国煤炭行业标准
MP型平板防水闸门
Flat-plate water-resistant gate type MPMT/T 788-1998
本标准规定了MP型平板防水闸门的结构型式与产品分类、技术要求、试验方法、检验规则及标志、包装、运输、贮存。
本标准适用于矿山井下1.6MPa以下焊接结构平板式防水闸门(以下简称防水门)。2引用标准
下列标准所包含的条文,通过在本标准中引用而构成为本标准的条文。本标准出版时,所示版本均为有效。所有标准都会被修订,使用本标准的各方应探讨使用下列标准最新版本的可能性。GB/T700—1988碳素结构钢
GB/T985--1988气焊、手工电弧焊及气体保护焊焊缝坡口的基本型式与尺寸GBJ10—1989混凝土结构设计规范MT/T154.1一1992煤矿机电产品型号的编制导则和管理办法《煤矿安全规程》1992版)中华人民共和国能源部
3结构型式与产品分类
3.1结构型式
3.1.1防水门由门扇、门框、拉紧装置和门枢等部件组成。3.1.2门扇由面板与若干根焊接T字梁组成。3.1.3门框为工字梁组焊成井字形的焊接件。3.1.4门扇的拉紧方式采用楔形滑块模紧。3.1.5门枢采用带偏心套的滚动轴承支撑。3.1.6门扇与门框的间隙,采用方截面橡胶条密封。3.2产品分类
按承压分为两个压力等级,见表1。表1承压等级
门框洞口尺寸
1700×2300
3.3产品型号
3.3.1产品型号编制依据MT/T154.1的规定。3.3.2产品型号
国家煤炭工业局1998-11-10批准1.0
承压等级
1999-04-01实施
型号示例
MT/T788—1998
主参数代号
一特征代号
-类型代号
1. 6/1. 7 X 2. 3
设计承压1.6MPa
门框净高度为2300mm
门框净宽度为1700mm
防水门
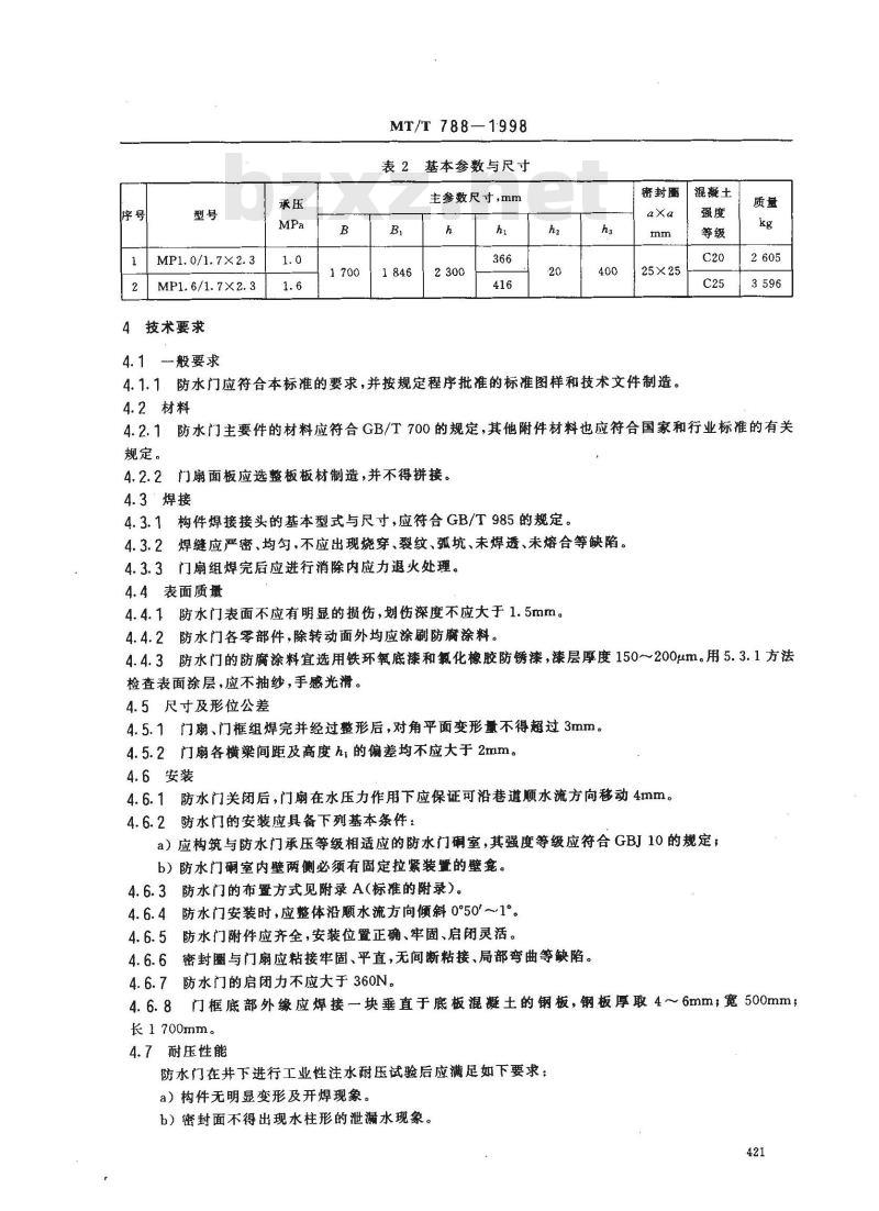
3.4防水门的基本参数与尺寸应符合表2和图1的规定。300
1一门扇2—门框:3拉紧装置:4—下门枢:5—上门枢图1平板防水闸门
MP1. 0/1.7X2. 3
MP1.6/1.7X2.3
4技术要求
4.1般要求
MT/T 788—1998
表2基本参数与尺寸
主参数尺寸,mm
密封图
25×25
4.1.1防水门应符合本标准的要求,并按规定程序批准的标准图样和技术文件制造。4.2材料
混凝土
4.2.1防水门主要件的材料应符合GB/T700的规定,其他附件材料也应符合国家和行业标准的有关规定。
4.2.2门扇面板应选整板板材制造,并不得拼接。4.3焊接
4.3.1构件焊接接头的基本型式与尺寸,应符合GB/T985的规定。4.3.2焊缝应严密、均匀,不应出现烧穿、裂纹、弧坑、未焊透、未熔合等缺陷。4.3.3门扇组焊完后应进行消除内应力退火处理。4.4表面质量
4.4.1防水门表面不应有明显的损伤,划伤深度不应大于1.5mm。4.4.2防水门各零部件,除转动面外均应涂刷防腐涂料。4.4.3防水门的防腐涂料宜选用铁环氧底漆和氧化橡胶防锈漆,漆层厚度150~~200μm。用5.3.1方法检查表面涂层,应不抽纱,手感光滑。4.5尺寸及形位公差
4.5. 1门扇、门框组焊完并经过整形后,对角平面变形量不得超过 3mm。4.5.2门扇各横梁间距及高度hl的偏差均不应大于2mm。4.6安装
4.6.1防水门关闭后,门扇在水压力作用下应保证可沿巷道顺水流方向移动4mm。4.6.2防水门的安装应具备下列基本条件:a)应构筑与防水门承压等级相适应的防水门碉室,其强度等级应符合GBJ 10的规定,b)防水门室内壁两侧必须有固定拉紧装置的壁。4.6.3防水门的布置方式见附录A(标准的附录)。4.6.4Www.bzxZ.net
防水门安装时,应整体沿顺水流方向倾斜0°50°~1°4.6.5防水门附件应齐全,安装位置正确、牢固、启闭灵活。4.6.6密封圈与门扇应粘接牢固、平直,无间断粘接、局部弯曲等缺陷。防水门的启闭力不应大于360N。4.6.7
4.6.8门框底部外缘应焊接一块垂直于底板混凝土的钢板,钢板厚取4~~6mmz宽500mm长1700mm。
4.7耐压性能
防水门在井下进行工业性注水耐压试验后应满足如下要求:a)构件无明显变形及开焊现象。b)密封面不得出现水柱形的泄漏水现象。421
5试验方法
5.1材料检验
MT/T 788—1998
门扇面板在下料前,应核准该板材出厂时的批墅合格证书。5.2焊缝质量检查
5.2.1主要件的焊缝检查,应在热处理或整形前进行,用目测和低于10倍的放大镜观察是否有裂纹、夹渣及低于焊缝高度的弧坑等缺陷。5.2.2主要件焊缝发现有质量可疑部位时,应作磁粉探伤检查。5.3表面质量检查
5.3.1用棉纱擦拭门扇表面,是否抽纱,手感光滑。5.3.2检查门扇表面划伤深度,应在防腐处理前进行,对超过本标准4.4.1规定,应填焊磨平。5.4几何尺寸及形位公差检查
尺寸及形位公差检查,用钢卷尺、钢板尺及塞尺一次测出。5.5安装质量检查
5.5.1防水门安装定位时,用挂线及钢板尺等量具,测得门框垂线与下门框之间的距离,计算倾斜度是否符合4.6.4规定。
5.5.2用手指拨动密封条,是否出现松动、剥离等现象。5. 6 耐压试验
5.6.1并下工业性注水的试验压力值不得低于防水门的使用压力值。5.6.2防水门工业性注水试验,必须遵守《煤矿安全规程》的有关规定。6检验规则
6.1出厂检验
6.1.1每台防水门必须经厂质检部门检查合格,并附有产品质量合格证方可出厂。6.1.2出广检验项目见表3。
表3检验项目
检验项目
材料检查
焊接质量检查
表面质量检查
几何尺寸及形位公差检查
安装质量检查
工业性注水试验
注:第5、6项检验在现场进行。6.2判定规则
技术要求(条款号)
4.2.14.2.2
4.4.14.4.2
4.5.14: 5.2
4.6.44.6.64.6.8
试验方法(条款号)
5.2.15.2.2
5.3.15.3.2
5.5.15.5.2
5.6.15.6.2
6.2.1产品经检验凡不符合4.2.2、4.3.2、4.5.1其中一条时,均为不合格产品。6.2.1不合格产品经整改仍不符合标准技术要求时,应降低20%的使用压力值为出厂标称压力,整改后的产品不再复验。
6.2.3安装现场无条件执行4.7条时,则可在厂内进行。7标志、包装、运输、贮存
7.1标志
MT/T788—1998
在防水门面板上部固定产品铭牌,铭牌应标以下内容:a)制造厂名和商标;
b)产品名称和型号;
c)产品承压等级(MPa)及门框尺寸宽×高(m);d)设备总重;
e)制造日期和出厂编号。
7.2包装
7.2.1产品附件的包装箱应有足够的强度,并有防潮措施。7.2.2附件装箱后,箱内应有装箱清单、产品检验合格证和安装图纸。7.3运输
7.3.1装运产品的运输车辆,应有固定产品的装暨和防水措施,保证产品在运输过程中不发生变形和锈蚀。
产品应采用合适的方式装卸,保证产品几何形状不变,表面完好。7.3.2
7.4贮存
7.4.1产品应放置在通风、干燥的地方,不应与酸、碱、盐类的物质接触,并防止雨水浸蚀。7.4.2产品宜水平放置在垫木上。423
可拆架线
活动轨
MT/T 788-1998
附录A
(标准的附录)
压力表
固定架线
高压电缆管
图A1平板防水闸门布置图
越重环
低压电烟管
一酒水管
排水管
小提示:此标准内容仅展示完整标准里的部分截取内容,若需要完整标准请到上方自行免费下载完整标准文档。
在煤炭开采中,凡属并下有水惠的矿并都需要安装防水阑门。本标准防水闸门分为1.0.1.6MPa两个压力等级。本标准图样在1982年审定为煤炭行业标准设计,两个压力等级的产品都进行过工业性试验。依据《煤矿安全规程》(1992年版第253条的规定,防水闸门必须采用定型设计和持有许可证的厂家制造·”。因此,本标准的制定十分有利于“煤矿安全规程”的贯彻执行。已颁发的企业标准,其条文内容与本标准条文内容相矛盾时,应按本标准执行。本标准的附录A为标准的附录。
本标准由国家煤炭工业局行业管理司提出。本标准由煤炭工业煤矿专用设备标准化技术委员会归口。本标准起草单位:煤炭工业武汉设计研究院。本标准主要起草人:薛贵发。
本标推委托煤炭工业武汉设计研究院负责解释。418
1范围
中华人民共和国煤炭行业标准
MP型平板防水闸门
Flat-plate water-resistant gate type MPMT/T 788-1998
本标准规定了MP型平板防水闸门的结构型式与产品分类、技术要求、试验方法、检验规则及标志、包装、运输、贮存。
本标准适用于矿山井下1.6MPa以下焊接结构平板式防水闸门(以下简称防水门)。2引用标准
下列标准所包含的条文,通过在本标准中引用而构成为本标准的条文。本标准出版时,所示版本均为有效。所有标准都会被修订,使用本标准的各方应探讨使用下列标准最新版本的可能性。GB/T700—1988碳素结构钢
GB/T985--1988气焊、手工电弧焊及气体保护焊焊缝坡口的基本型式与尺寸GBJ10—1989混凝土结构设计规范MT/T154.1一1992煤矿机电产品型号的编制导则和管理办法《煤矿安全规程》1992版)中华人民共和国能源部
3结构型式与产品分类
3.1结构型式
3.1.1防水门由门扇、门框、拉紧装置和门枢等部件组成。3.1.2门扇由面板与若干根焊接T字梁组成。3.1.3门框为工字梁组焊成井字形的焊接件。3.1.4门扇的拉紧方式采用楔形滑块模紧。3.1.5门枢采用带偏心套的滚动轴承支撑。3.1.6门扇与门框的间隙,采用方截面橡胶条密封。3.2产品分类
按承压分为两个压力等级,见表1。表1承压等级
门框洞口尺寸
1700×2300
3.3产品型号
3.3.1产品型号编制依据MT/T154.1的规定。3.3.2产品型号
国家煤炭工业局1998-11-10批准1.0
承压等级
1999-04-01实施
型号示例
MT/T788—1998
主参数代号
一特征代号
-类型代号
1. 6/1. 7 X 2. 3
设计承压1.6MPa
门框净高度为2300mm
门框净宽度为1700mm
防水门
3.4防水门的基本参数与尺寸应符合表2和图1的规定。300
1一门扇2—门框:3拉紧装置:4—下门枢:5—上门枢图1平板防水闸门
MP1. 0/1.7X2. 3
MP1.6/1.7X2.3
4技术要求
4.1般要求
MT/T 788—1998
表2基本参数与尺寸
主参数尺寸,mm
密封图
25×25
4.1.1防水门应符合本标准的要求,并按规定程序批准的标准图样和技术文件制造。4.2材料
混凝土
4.2.1防水门主要件的材料应符合GB/T700的规定,其他附件材料也应符合国家和行业标准的有关规定。
4.2.2门扇面板应选整板板材制造,并不得拼接。4.3焊接
4.3.1构件焊接接头的基本型式与尺寸,应符合GB/T985的规定。4.3.2焊缝应严密、均匀,不应出现烧穿、裂纹、弧坑、未焊透、未熔合等缺陷。4.3.3门扇组焊完后应进行消除内应力退火处理。4.4表面质量
4.4.1防水门表面不应有明显的损伤,划伤深度不应大于1.5mm。4.4.2防水门各零部件,除转动面外均应涂刷防腐涂料。4.4.3防水门的防腐涂料宜选用铁环氧底漆和氧化橡胶防锈漆,漆层厚度150~~200μm。用5.3.1方法检查表面涂层,应不抽纱,手感光滑。4.5尺寸及形位公差
4.5. 1门扇、门框组焊完并经过整形后,对角平面变形量不得超过 3mm。4.5.2门扇各横梁间距及高度hl的偏差均不应大于2mm。4.6安装
4.6.1防水门关闭后,门扇在水压力作用下应保证可沿巷道顺水流方向移动4mm。4.6.2防水门的安装应具备下列基本条件:a)应构筑与防水门承压等级相适应的防水门碉室,其强度等级应符合GBJ 10的规定,b)防水门室内壁两侧必须有固定拉紧装置的壁。4.6.3防水门的布置方式见附录A(标准的附录)。4.6.4Www.bzxZ.net
防水门安装时,应整体沿顺水流方向倾斜0°50°~1°4.6.5防水门附件应齐全,安装位置正确、牢固、启闭灵活。4.6.6密封圈与门扇应粘接牢固、平直,无间断粘接、局部弯曲等缺陷。防水门的启闭力不应大于360N。4.6.7
4.6.8门框底部外缘应焊接一块垂直于底板混凝土的钢板,钢板厚取4~~6mmz宽500mm长1700mm。
4.7耐压性能
防水门在井下进行工业性注水耐压试验后应满足如下要求:a)构件无明显变形及开焊现象。b)密封面不得出现水柱形的泄漏水现象。421
5试验方法
5.1材料检验
MT/T 788—1998
门扇面板在下料前,应核准该板材出厂时的批墅合格证书。5.2焊缝质量检查
5.2.1主要件的焊缝检查,应在热处理或整形前进行,用目测和低于10倍的放大镜观察是否有裂纹、夹渣及低于焊缝高度的弧坑等缺陷。5.2.2主要件焊缝发现有质量可疑部位时,应作磁粉探伤检查。5.3表面质量检查
5.3.1用棉纱擦拭门扇表面,是否抽纱,手感光滑。5.3.2检查门扇表面划伤深度,应在防腐处理前进行,对超过本标准4.4.1规定,应填焊磨平。5.4几何尺寸及形位公差检查
尺寸及形位公差检查,用钢卷尺、钢板尺及塞尺一次测出。5.5安装质量检查
5.5.1防水门安装定位时,用挂线及钢板尺等量具,测得门框垂线与下门框之间的距离,计算倾斜度是否符合4.6.4规定。
5.5.2用手指拨动密封条,是否出现松动、剥离等现象。5. 6 耐压试验
5.6.1并下工业性注水的试验压力值不得低于防水门的使用压力值。5.6.2防水门工业性注水试验,必须遵守《煤矿安全规程》的有关规定。6检验规则
6.1出厂检验
6.1.1每台防水门必须经厂质检部门检查合格,并附有产品质量合格证方可出厂。6.1.2出广检验项目见表3。
表3检验项目
检验项目
材料检查
焊接质量检查
表面质量检查
几何尺寸及形位公差检查
安装质量检查
工业性注水试验
注:第5、6项检验在现场进行。6.2判定规则
技术要求(条款号)
4.2.14.2.2
4.4.14.4.2
4.5.14: 5.2
4.6.44.6.64.6.8
试验方法(条款号)
5.2.15.2.2
5.3.15.3.2
5.5.15.5.2
5.6.15.6.2
6.2.1产品经检验凡不符合4.2.2、4.3.2、4.5.1其中一条时,均为不合格产品。6.2.1不合格产品经整改仍不符合标准技术要求时,应降低20%的使用压力值为出厂标称压力,整改后的产品不再复验。
6.2.3安装现场无条件执行4.7条时,则可在厂内进行。7标志、包装、运输、贮存
7.1标志
MT/T788—1998
在防水门面板上部固定产品铭牌,铭牌应标以下内容:a)制造厂名和商标;
b)产品名称和型号;
c)产品承压等级(MPa)及门框尺寸宽×高(m);d)设备总重;
e)制造日期和出厂编号。
7.2包装
7.2.1产品附件的包装箱应有足够的强度,并有防潮措施。7.2.2附件装箱后,箱内应有装箱清单、产品检验合格证和安装图纸。7.3运输
7.3.1装运产品的运输车辆,应有固定产品的装暨和防水措施,保证产品在运输过程中不发生变形和锈蚀。
产品应采用合适的方式装卸,保证产品几何形状不变,表面完好。7.3.2
7.4贮存
7.4.1产品应放置在通风、干燥的地方,不应与酸、碱、盐类的物质接触,并防止雨水浸蚀。7.4.2产品宜水平放置在垫木上。423
可拆架线
活动轨
MT/T 788-1998
附录A
(标准的附录)
压力表
固定架线
高压电缆管
图A1平板防水闸门布置图
越重环
低压电烟管
一酒水管
排水管
小提示:此标准内容仅展示完整标准里的部分截取内容,若需要完整标准请到上方自行免费下载完整标准文档。
标准图片预览:





- 其它标准
- 热门标准
- 煤炭行业标准(MT)
- MZ/T149-2020 行政区域界桩数据交换格式
- MT/T765-1997 液压支架用自动喷雾控制阀通用技术条件
- MT157-1996 煤矿用隔爆水槽和隔爆水袋通用技术条件
- MT/T467-1996 煤矿用带式输送机设计计算
- MT/T1170-2019 煤矿带式输送监控系统通用技术条件
- MT754-2005 小型煤矿地面用抽出式轴流通风机技术条件
- MZ/T150-2020 行政区域界线数据交换格式
- MT/T311-1992 采煤机牵引液压系统滤油器型式和基本参数
- MT717-1997 煤矿重要用途在用钢丝绳性能测定方法及判定规则
- MT/T1105-2009 锚杆钻机用玻璃钢支腿
- MT/T659-1997 GXS细粒分级筛
- MT/T341.1-1994 冶金焦用大屯煤电公司煤技术条件
- MT990-2006 矿用防爆柴油机通用技术条件
- MT/T1010-2006 矿井生产检查煤样采取方法
- MT298.1-1992 水泥回转窑用水城矿务局煤技术条件
- 行业新闻
请牢记:“bzxz.net”即是“标准下载”四个汉字汉语拼音首字母与国际顶级域名“.net”的组合。 ©2025 标准下载网 www.bzxz.net 本站邮件:bzxznet@163.com
网站备案号:湘ICP备2025141790号-2
网站备案号:湘ICP备2025141790号-2