- 您的位置:
 - 标准下载网 >>
 - 标准分类 >>
 - 煤炭行业标准(MT) >>
 - MT 188-1988 煤矿用乳化液泵站
 
标准号:
MT 188-1988
标准名称:
煤矿用乳化液泵站
标准类别:
煤炭行业标准(MT)
标准状态:
已作废- 
          	
发布日期:
1988-04-08 - 
		 
实施日期:
1988-10-01 - 
          	
作废日期:
2006-12-01 出版语种:
简体中文下载格式:
.rar.pdf下载大小:
466.81 KB
替代情况:
被MT/T 188.1-2006代替
部分标准内容:
					
					中华人民共和国煤炭工业部部标准煤矿用乳化液泵站
主题内容与适用范围
MT 188—88
1.1本标准规定了乳化液泵站的型号、参数、系列、技术要求、试验方法、检验规则、标志、包装、运输和贮存。
1.2本标准适用于煤矿井下以乳化液为工作液的乳化液泵站,煤矿井下以清水为工作液的灭尘泵站和注水泵站也可参照采用。
2引用标准
GB 191
包装储运图示标志
普通螺纹公差与配合(直径1~355mm)GB976
灰铁铸件分类及技术条件
GB1184形状和位置公差未注公差的规定GB1804
公差与配合未注公差尺寸的极限偏差JB8产品标牌
JB3338
Q/ZB 71
Q/ZB 74
3术语
渐开线圆柱齿轮
液压件圆柱螺旋压缩弹簧技术条件锻件通用技术条件
焊接通用技术条件
液压支架用乳化油
煤矿用乳化液泵试验规范
煤矿乳化液泵用安全阀试验规范煤矿乳化液泵站用自动卸载阀试验规范煤矿乳化液泵站用高压过滤器试验规范煤矿乳化液泵站用液位指示器试验规范3.1乳化液泵站(以下简称泵站):是由乳化液泵组和乳化液箱组组成。通常由二台乳化液泵组和一台乳化液箱组组成。
3.2乳化液泵组(以下简称泵组):是由乳化液泵、驱动电机、基架(或称底拖架)及装在同一基架上的元部件等组成。
3.3乳化液箱组(以下简称箱组):是由乳化液箱及装在液箱上的元件和连接胶管组成4产品分类
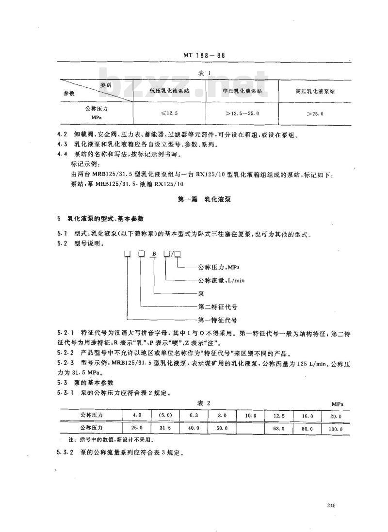
4.1本标准按其公称压力等级将乳化液泵站分为三类,如表1所示。中华人民共和国煤炭工业部1988-04-08批准244
1988-10-01实施
公称压力
MT188-88
低压乳化液泵站
中压乳化液泵站
>12. 5 ~ 25. 0
高压乳化液泵站
4.2卸载阀、安全阀、压力表、蓄能器、过滤器等元部件,可分设在箱组,或设在泵组。4.3乳化液泵和乳化液箱应各自设立型号、参数、系列。4.4泵站的名称和写法,按标记示例书写。标记示例:
由两台MRB125/31.5型乳化液泵组与-一台RX125/10型乳化液箱组组成的泵站,标记如下:泵站:泵MRB125/31.5-液箱RX125/10第一篇乳化液泵
5乳化液泵的型式、基本参数
5.1型式:乳化液泵(以下简称泵)的基本型式为卧式三柱塞往复泵,也可为其他的型式。5.2型号说明:
公称压力,MPa
公称流量,L/min
第二特征代号
第一特征代号
5.2.1特征代号为汉语大写拼音字母,其中I与0不得采用。第一特征代号一般为结构特征;第二特征代号为用途特征:R表示“乳”,P表示喷”,Z表示“注”。5.2.2产品型号中不允许以地区或单位名称作为“特征代号”来区别不同的产品。5.2.3型号示例:MRB125/31.5型乳化液泵,表示煤矿用的乳化液泵,公称流量为125L/min、公称压力为 31.5 MPa。
5.3泵的基本参数
5.3.1的公称压力应符合表2规定。表2
公称压力
公称压力
注:括号中的数值,新设计不采用。5.3.2
泵的公称流量系列应符合表3规定。6.3
公称流量
公称流量
6技术要求
MT 188—88
泵应符合本标准要求,并按照规定程序批准的图样及技术文件制造。6.2原材料、标准件、外购件、外协件应由泵制造厂质检部门验收合格。6.3
般技术要求
6.3.1铸铁件应符合GB976的规定。6.3.2锻件应符合Q/ZB71的规定。6.3.3焊接件应符合Q/ZB74的规定。80
6.3.4图样中未注明公差的机加工尺寸,凡属包容和被包容关系者,应符合GB1804中IT14级,非包容关系者应符合上述标准IT15级。6.3.5图样上机械加工未注形位公差,按GB1184中公差等级C。6.3.6普通螺纹配合采用GB197中的6H/6g、(7H/6h)、7H/6g。电镀螺纹应符合GB197中第8条规定。
6.3.7液压件圆柱螺旋压缩弹簧,应符合JB3338的规定。6.4主要零件的要求
6.4.1主要零件的材料,应与设计规定的材料相符。在不降低使用性能和寿命时,制造厂应按代料制度规定,允许临时代用。
6.4.2重要受力零件(如曲轴、泵头、吸排液阀)应进行无损伤探测。6.4.3当箱体吸液腔要承受液体压力时,应作耐压试验。试验压力为承受液体压力的1.5倍。并不得有渗漏和冒汗。
6.4.4渐开线圆柱齿轮的精度等级应不低于JB179规定的7级精度。6.4.5卧式三柱塞往复泵的主要零件如附录A(补充件)所示。6.5装配要求
6.5.1所有零件必须经过检查合格方可用于装配,不得将因保管或运输等原因造成变形、锈蚀、碰伤的零件用于装配。
6.5.2装配前零件应去除毛刺并清洗干净,特别是铸造型砂腔和钻孔,更需仔细清洗,不得残留铸砂、切屑、纤维等杂质,与水接触的非加工面应有防锈蚀措施,与油接触的非加工面应涂上防护漆。6.5.3阀芯与阀座应进行研磨,研磨后进行密封试验,不得渗漏。6.5.4连杆轴瓦与曲轴的曲拐轴颈的径向间隙、连杆的小头衬套孔与十字头销的径向间隙应严格保证设计要求。
6.5.5同一型号的各种相同的零部件应能互换。6.5.6各零部件应装配齐全,安装位置正确,连接牢固可靠。6.5.7联轴节的安装应尽量同心,确保运转中不得产生振动和噪声。6.5.8装配后,用手盘车检查,应无别卡现象。6.6外观要求
6.6.1铸件不加工表面应平整,无飞边,无氧化铁皮,无浇口、冒口、铸砂等。6.6.2外露加工表面应有防护镀(涂)层,外露非加工面应涂漆。6.6.3电镀件镀层应均匀、美观,没有锈蚀和起皮脱落现象。6.6.4外表漆层应光亮、平坦,色泽均匀一致,无裂纹剥落和流痕,无机械杂质,无修整痕迹。246
MT 188-- 88
6.6.5油漆的颜色应国感舒适、醒目,适应于井下观察。6.6.6各种指示标牌应安装正确、位置适当、牢固可靠。6.7安全卫生要求
6.7.1配用的电动机必须附有国家指定的防爆检验机构出具的防爆检验合格证。6.7.2
敞露在外的旋转部分应有可靠的隔离防护罩。6.7.3泵组、泵和其他较重的零部件,应预先设有便于组装、安装、检查之用的起吊位置或装置。6.7.4漏损的工作液及油液不得自由流失。6.7.5
泵组的综合噪声应不高于表4规定。表4
电机功率
质等级
优等品
合格品
6.8性能要求
>11~22
>22~37
>37~55
>55~75
>75~90
泵安装后应进行运转试验,达到运转平稳,振动、泄漏、声响、油温等无异常现象。6.8.1
>90~110
6.8.2泵在满载运转时的稳定油温:在环境温度不超过30℃时,合格品不得超过80℃,一等品不得超过75℃,优等品不得超过70℃。6.8.3泵满载容积效率不低于表5要求。表5
公称压力
质量等级
优等品
一等品
合格品
>12.5~20
泵满载总效率:合格品暂定为0.82,-6.8.5
耐久试验时间不低于表6要求。
质量等级
耐久试验时间
优等品
>20~25
>25~31.5
>31.5~40
等品暂定为0.84,优等品暂定为0.86。表6
一等品
江:①耐久试验除柱塞密封圈外,其他零件不得损坏。②耐久试验后各项性能指标值仍应符合本标准要求。③耐久试验全过程中,允许更换一次柱塞密封圈。合格品
在公称压力下工作液的外漏损量每4 h不超过2 kg,润滑油的外漏损量每4 h不超过0.2kg。6.8.6
6.8.7平均大修寿命不少于15000h。6.9泵的润滑要求
6.9.1泵的润滑方式可以是强迫润滑,也可以是飞溅润滑。6.9.2润滑油的种类与牌号应与使用说明书的规定相符。6.9.3泵应设有油标,无色透明的油位显示板应有最高、最低油位指示标志,油位显示应清晰并便于观247
MT188-88
6.9.4润滑油的温度应符合6.8.2条的要求。泵的外形尺寸、安装尺寸、连接尺寸、重量和泵组的外形尺寸、重量等应在使用文件中说明。6.10
泵经试验合格后,应放尽残存工作液,并作防锈处理。6.12泵组的成套供应范围)
6.12.1完整的泵组。
6.12.2专用工具。
6.12.3备件。
注:1)若有增减,按与用户签订的含同供货。6.13用户在遵守规定的保管、安装、运输和使用规则的条件下,从制造厂发货日期起,在表7所规定的时间内,因质量问题不能正常工作或发生损坏时,制造厂应无偿地为用户修理或更换。表7
质量类别
7试验方法
合格品
按MT87进行并应满足以下补充条款的要求:7.1各项技术性能指标应以本标准的要求为准。一等品
优等品
7.2耐久试验的时间为连续运转时间,在运转中因更换柱塞密封而停泵的时间应扣除,更换前后的运转时间可以累计作为连续运转时间。如需进行修理和更换零件而停泵,前一段运转时间则不能暴计作为连续运转时间,应重新从零开始。7.3在耐久试验过程中,允许每500h左右停泵检查一次,但检查时间不得超过1h(新产品样机试验除外)。
7.4泵在型式试验后,应对下列项目进行检查。7.4.1齿轮轴、曲轴等轴向游隙应在设计要求之内。7.4.2各连接件、紧固件是否松动。7.4.3轴承和各主要运动副零件的工作表面的磨损情况,卧式三柱塞往复泵,可按附录A(补充件)规定的各件进行测量。
除柱塞密封件外,泵的其余零件是否破坏和损伤。7.4.4
8检验规则
8.1每台泵须经制造厂质量检验部门检查合格后方可出厂,并附有产品合格证。8.2当用户提出要求对产品验收时,制造厂应将验收试验的日期通知用户或用户代表。8.3泵的检验分出厂检验与型式检验两种。检验项目及检验顺序按MT87中表2进行,并增加外观检验,外观质量的检验用目测法按6.6条进行。8.4出厂检验的抽检项目的样品,从交检合格品中抽取,每次为批量的5%,但不少于2台。如果抽检中发现不合格项目时,允许对该项目进行复检。如仍不合格时,则对该项目加倍抽检;再不合格时,则该批产品应逐台检验,并在以后连续生产的三批产品中,将抽检项目加严为“全检项目”。8.5型式检验
8.5.1凡属下列情况之,应做型式检验:a新产品鉴定定型时,或老产品转厂试制时;248
MT188-88
改变产品设计、工艺或材料而影产品性能时;产品停产三年以上再次生产时;连续生产的产品至少每五年进行一次;用户对产品质量有重大异议时
国家质量监督机构提出进行型式检验要求时。8.5.2型式检验样品的抽取,按如下两种情况进行:在为新产品检验时,用样机进行型式检验,取样数量为…台;b.在为批量生产的产品检验时,样品应从出厂检验合格的产品中抽取,每次抽取--台,抽样基数不少于10台。
8.5.3型式检验中发现不合格项目时,允许对该项目进行复测,如仍不合格则对该项目加倍抽测,再不合格则型式检验判为不合格。
8.6派生系列产品允许只对系列基型产品进行型式检验。基型产品必须是该系列中功率、流量、压力最大的产品,其检验结果应能代表该系列中全部产品的考核。第二篇乳化液箱、泵站系统及元件9乳化液箱的型式、基本参数
9.1型式:乳化液箱(以下简称液箱)的型式一般为卧式长方形或长圆简形的移动型结构。9.2型号说明:
公称容量代号(由公称容量的百分之一表示)公称流量,L/min
特征代号(也允许不设)
乳化液箱
9.2.1产品型号中不允许以地区或单位名称作为特征代号来区别不同的产品。9.2.2型号示例:RX125/10型乳化液箱,表示公称流量为125L/min,公称容量为1000L的乳化液箱。
注:液箱的公称容量为最高规定液位时的容积。9.3液箱的基本参数
液箱的公称容量应符合表8的规定。表8
公称容量
技术要求
10.1液箱和泵站元件应符合本标准的要求,并按照规定程序批准的图样及技术文件制造。10.2原材料、标准件、外购件、外协件,应由泵制造厂质检部门检验合格。10.3配用的电器控制设备应有国家指定的防爆检验单位出具的防爆检验合格证。10.4
一般技术要求同6.3条。
10.5液箱的基本要求
10.5.1液箱的容积应能保证在正常的工作条件下,使工作液的温度不超过40℃,并不少于配用泵的公称流量的6倍,必要时可设辅助液箱。249
MT 188--88
10.5.2工作液应具有较慢的循环速度,以便析出混入的空气和沉淀较重的杂质。10.5.3回液口与泵的供液口应尽量远离。10.5.4
液箱底部的形状必须能将工作液放净。10.5.5
在液箱最低处应设有排污装置。液箱的活动盖板,其结构必须能阻止杂质进入液箱,并便于清洗液箱内部。10.5.6
液箱的内表面必须采取防锈措施,但不得污染工作液。10.5.8
必须有液位显示,并要配置在易观察的明显处,液标应能长期清晰地显示液面位置。液箱的强度及尺寸应能满足并下运输和使用条件的要求。应有起吊和便于运输固定的位置或装置。10.5.10
10. 5. 11
液箱顶部应设有空气滤清器。
5受压元件的焊接
焊缝的外形尺寸应符合设计图纸和工艺文件的规定,焊缝与母材应滑过渡。10.6.1
焊缝及其热影响区,表面无裂纹、气孔、孤坑和焊渣。10. 6. 2
与高压软管连接的高压软管接头应与煤炭工业部液压支架用高压软管接头的统一图纸相符。10.8液压系统的要求
系统及其元件应能满足配套设备的要求。10.8.1
与液压支架配套的液压系统,应能满足一台泵工作,另一台泵可检修。应设有过滤装置及磁性过滤器。必须有两级压力保护装置。固定泵站应有失压保护。应设有压力指示,公称压力为压力表全量程的1/2~2/3。系统中应设有蓄能器。
在下列情况下,一般设有声光报警或安装有指示装置。如有增减,按与用户签订的合同供货。液箱液位低于规定的最低液位时;液箱液位高于规定的最高液位时;高压过滤器的压差大于0.35MPa时。10.9过滤装置的要求
过滤精度应符合配套设备的要求,并带有污染指示或安装测试装置。泵站的过滤装置在清洗或更换滤芯时,应能满足有一台泵能正常工作。卸载阀应能满足表9要求。
公称乐力
调压范围
40~~20
调定压力)
偏移值
恢复压力
按设计要求
注:1)调定压力即为通常所称的卸载压力。2)测试压力为公称压力的80%时进行。3)耐久试验不允许更换和损坏任何零件。10.11安全阀应满足表10要求。
恢复压力
偏移值
压力损失
内泄漏量
mL/min
耐久试验
动作次数
12 × 10* s)
公称压力
>12.5~25
>25~40
开启压力
MT188-88
开启乐力偏移值
公称压力的110%~120%
公称压力的110%~115%
公称压力的110%~115%
注:公称压力为配用泵的公称压力,10.12
配液阀应满足表11要求。
供水压力允许变动
0.3~1 MPa
交替单向阀应满足表12要求。
流量,L/min
过滤器应满足表13要求。
公称流量
10.15装配要求
过滤精度
乳化液中乳化油
压力损失
高压过滤器
压力摄失
按设计要求
按设计要求
公称压力下
的泄漏量
耐久试验
动作次数
乳化液中乳化油含量
调节范围
0% ~6%
公称压力下的外泄漏量
吸液(回液)过滤器
过滤精度
按设计要求
按设计要求
压力损失
10.15.1所有零部件必须检验合格,不得因保管或运输等原因造成变形、锈蚀、碰伤而影响产品质量的零件用于装配,
装配前,所有零件应清除毛刺,并清洗干净,特别是接头、管路及通道(包括铸造型砂腔或孔、钻孔等)更需仔细清洗,液箱内表面应彻底清洗干净,不得留有灰尘、焊渣、纤维和其他杂质10.15.3
10. 15. 4
同一型号的各种相同的零部件应能互换。装配时零件的接缝应平整,不得有明显的错边错位。各种零部件应装配齐全、安装位置正确、连接牢固可靠。各种活动阀门应开关灵活、可靠、无别卡现象。10.16
外观要求
焊接件外表面应平直,无飞边、毛刺和焊渣等。外露工表面应有电镀防护层,非加工面应涂漆。电镀件镀层应均匀、美观,无锈蚀和起皮、脱落现象,251
MT188—88
10.16.4外表漆层应光亮、平坦,色泽均匀一致,无裂缝、剥落和流痕,无机杂质,无修整痕迹。10.16.5油漆的颜色应目感舒适、醒目,便于井下观看。10.16.6各种指示标牌安装正确、位置适当、牢固可靠。10.17产品供应的成套范围\
10.17.1完整的箱组。
10.17.2专用工具。
10.17.3备件。
注:1)如有增加或减少,则按与用户签订的合同供应。10.18用户在遵守规定的保管、安装、运输和使用规则的条件下,从制造厂发货日期起;在表14所规定的时间内,因质量问题而发生损坏或不能正常工作时,制造厂应无偿地为用户修理或更换。表14
质量类别
试验方法
一般要求
合格品
一等品
优等品
11.1.1试验用的工作液,采用MT76所规定的乳化油与中性软水按5*95重量比配制而成的乳化液。
试验全过程中,工作液的温度应保持在10~40℃。11.1.2
11.1.3试验时所有仪表读数应同时读出或记录。每个参数的测量次数应不少于三次,取算术平均值为测量值。
11.1.4试验及计算结果,应记入试验记录表,按附录B(补充件)记录。11.2,外观质量检验
用目测法按10.16条进行。
11.3焊缝质量检验
11.3.1目测检查全部焊缝,必要时可用10倍放大镜。焊缝不准有裂缝、夹渣、烧穿、凹焊、焊瘤等缺陷。
受压元件的全部焊键,其表面质量应符合11.3.1,并在1.5倍的公称压力下进行水压试验,保11. 3.2
压5min,然后降至公称压力,并用手锤在焊缝附近轻敲检查,不得有渗漏。11.4盛水检验
检验前应将液箱箱体内清洗干净,再加满水,检验的持续时间应根据观察与检查所需的时间决定,要用手锤在焊缝附近轻敲,检验中焊缝应无渗漏。如有渗漏,修补后应重新检验。允许用煤油渗漏试验代替盛水检验。
11.5液位指示器检验
按MT92进行。
11.6蓄能器充气压力的检验
用充气工具检查蓄能器的充气压力,如图1。也允许用其他方法进行检验。充气压力应为卸载阀的恢复压力的90%,充气压力的上偏差为十0.5MPa,下偏差为一1.5MPa。252
11.7过滤器检验
MT 188--88
气工具
按10.14条要求进行。试验方法按MT91进行。但试验流量应与配用泵的公称流量相符。11.8交替单向阀检验
11.8.1密封性能检验免费标准下载网bzxz
试验系统如图 2 .
试验压力与泵的公称压力相等。堵住C、A处加压,B处应无渗漏;a.
堵住C、B处加压,A处无渗漏。
11.8.2压力损失检验
试验系统如图3,试验流量应与配用泵的公称流量相等。分别读出A处及C处的压力值,则压力损失P为:
AP-P -P
式中:P.A处压力值,MPa;
C处压力值,MPa。
11.9配液阀检验
11.9.1试验系统如图4。
P>1MPa
关闭配液阀的节流孔B。
MT 188-88
乳化油!
调节节流阀A,使P,0.3;0.4;0.5;1.0MPa。11.9.3
乳化液
11.9.4逐渐开启B,对应P的任一值,乳化油的含量都可从0%-3%4%→6%逐级变化。乳化液浓度的测量,可用体积法、重量法,也可用专用仪器。11. 9. 5
卸载阀检验
按MT90进行。
11.10.2调定压力与试验的流量,应与所配用泵的公称压力和公称流量相符。11.11安全阀检验
按MT88进行,试验的流量应与所配用泵的公称流量相符。11.12液箱液压系统密封性能检验液压系统在公称压力下保持30min,检查所有的焊缝及各元部件的连接密封部位,应无渗漏。此项试验允许与泵的运转试验同时进行。试验系统参照附录C(参考件)。11.13超压检验
液压系统在1.25倍的公称压力下保持15min,检查所有焊缝和元部件的各连接密封部位,应无渗漏;各光部件应无损坏现象。此项可允许与泵的超载试验同时进行。试验系统参照附录C(参考件)。检验规则
12.1液箱、泵站系统及元件,需经制造厂质量检验部门检查合格方可出厂,并附有产品合格证。12.2当用户提出要求对产品验收时,制造厂应将验收试验的日期通知用户或用户代表。12.3液箱及泵站系统的检验分出厂检验与型式检验两种,按表15所规定的内容进行。12.4出厂检验的抽检项目样品的抽取和判别规则同8.4条。12.5型式检验同8.5条。
12.6泵或液箱在进行出厂检验或型式检验时,装在其上的各元件只须进行本标准技术要求中规定的内容。允许不进行单个元件本身所规定的型式检验的全部内容。254
外观质量
焊缝质量
液位指示
蓄能器充气压力
过滤器
交替单向阀
配液阀
御载阀
安全阀
MT 188—88
检验项目
液箱液压系统密封性能
液箱液压系统超压
检验种类
出厂检验
注:“√”表示该项目为全检项目;“○”表示该项目为抽检项目;“”表示该项目不进行。第三篇标志、包装、运输与贮存13标志、包装
13.1标志
每台泵与液箱的对外连接处及操作位置应有指示标牌。每台泵与液箱都须分别装有产品标牌,各种标牌应符合JB8的规定。标牌应安装牢固、位置适当、文字图样清晰醒目。产品标牌至少包括表16内容:表16
产品名称、型号
制造厂名称
公称压力,MPa
公称流量,L/min
泵标牌
配用电机功率,kw
配用电机转速,r/min
外形尺寸(长×宽×高),mm
重量,kg
出厂编号
出厂日期:年月
产品名称、型号
制造厂名称
公称压力,MPa
公称流量,L/min
公称容量,L
液压系统原理图
液箱标牌
外形尺寸(长×宽×高),mm
重量,kg
出厂编号
出厂日期:
型式检验
获得质量奖的产品,在标牌上应有质量奖标志,如省优、部优、国优等。设有商标的应符合商标255
小提示:此标准内容仅展示完整标准里的部分截取内容,若需要完整标准请到上方自行免费下载完整标准文档。
	 
	        
	      主题内容与适用范围
MT 188—88
1.1本标准规定了乳化液泵站的型号、参数、系列、技术要求、试验方法、检验规则、标志、包装、运输和贮存。
1.2本标准适用于煤矿井下以乳化液为工作液的乳化液泵站,煤矿井下以清水为工作液的灭尘泵站和注水泵站也可参照采用。
2引用标准
GB 191
包装储运图示标志
普通螺纹公差与配合(直径1~355mm)GB976
灰铁铸件分类及技术条件
GB1184形状和位置公差未注公差的规定GB1804
公差与配合未注公差尺寸的极限偏差JB8产品标牌
JB3338
Q/ZB 71
Q/ZB 74
3术语
渐开线圆柱齿轮
液压件圆柱螺旋压缩弹簧技术条件锻件通用技术条件
焊接通用技术条件
液压支架用乳化油
煤矿用乳化液泵试验规范
煤矿乳化液泵用安全阀试验规范煤矿乳化液泵站用自动卸载阀试验规范煤矿乳化液泵站用高压过滤器试验规范煤矿乳化液泵站用液位指示器试验规范3.1乳化液泵站(以下简称泵站):是由乳化液泵组和乳化液箱组组成。通常由二台乳化液泵组和一台乳化液箱组组成。
3.2乳化液泵组(以下简称泵组):是由乳化液泵、驱动电机、基架(或称底拖架)及装在同一基架上的元部件等组成。
3.3乳化液箱组(以下简称箱组):是由乳化液箱及装在液箱上的元件和连接胶管组成4产品分类
4.1本标准按其公称压力等级将乳化液泵站分为三类,如表1所示。中华人民共和国煤炭工业部1988-04-08批准244
1988-10-01实施
公称压力
MT188-88
低压乳化液泵站
中压乳化液泵站
>12. 5 ~ 25. 0
高压乳化液泵站
4.2卸载阀、安全阀、压力表、蓄能器、过滤器等元部件,可分设在箱组,或设在泵组。4.3乳化液泵和乳化液箱应各自设立型号、参数、系列。4.4泵站的名称和写法,按标记示例书写。标记示例:
由两台MRB125/31.5型乳化液泵组与-一台RX125/10型乳化液箱组组成的泵站,标记如下:泵站:泵MRB125/31.5-液箱RX125/10第一篇乳化液泵
5乳化液泵的型式、基本参数
5.1型式:乳化液泵(以下简称泵)的基本型式为卧式三柱塞往复泵,也可为其他的型式。5.2型号说明:
公称压力,MPa
公称流量,L/min
第二特征代号
第一特征代号
5.2.1特征代号为汉语大写拼音字母,其中I与0不得采用。第一特征代号一般为结构特征;第二特征代号为用途特征:R表示“乳”,P表示喷”,Z表示“注”。5.2.2产品型号中不允许以地区或单位名称作为“特征代号”来区别不同的产品。5.2.3型号示例:MRB125/31.5型乳化液泵,表示煤矿用的乳化液泵,公称流量为125L/min、公称压力为 31.5 MPa。
5.3泵的基本参数
5.3.1的公称压力应符合表2规定。表2
公称压力
公称压力
注:括号中的数值,新设计不采用。5.3.2
泵的公称流量系列应符合表3规定。6.3
公称流量
公称流量
6技术要求
MT 188—88
泵应符合本标准要求,并按照规定程序批准的图样及技术文件制造。6.2原材料、标准件、外购件、外协件应由泵制造厂质检部门验收合格。6.3
般技术要求
6.3.1铸铁件应符合GB976的规定。6.3.2锻件应符合Q/ZB71的规定。6.3.3焊接件应符合Q/ZB74的规定。80
6.3.4图样中未注明公差的机加工尺寸,凡属包容和被包容关系者,应符合GB1804中IT14级,非包容关系者应符合上述标准IT15级。6.3.5图样上机械加工未注形位公差,按GB1184中公差等级C。6.3.6普通螺纹配合采用GB197中的6H/6g、(7H/6h)、7H/6g。电镀螺纹应符合GB197中第8条规定。
6.3.7液压件圆柱螺旋压缩弹簧,应符合JB3338的规定。6.4主要零件的要求
6.4.1主要零件的材料,应与设计规定的材料相符。在不降低使用性能和寿命时,制造厂应按代料制度规定,允许临时代用。
6.4.2重要受力零件(如曲轴、泵头、吸排液阀)应进行无损伤探测。6.4.3当箱体吸液腔要承受液体压力时,应作耐压试验。试验压力为承受液体压力的1.5倍。并不得有渗漏和冒汗。
6.4.4渐开线圆柱齿轮的精度等级应不低于JB179规定的7级精度。6.4.5卧式三柱塞往复泵的主要零件如附录A(补充件)所示。6.5装配要求
6.5.1所有零件必须经过检查合格方可用于装配,不得将因保管或运输等原因造成变形、锈蚀、碰伤的零件用于装配。
6.5.2装配前零件应去除毛刺并清洗干净,特别是铸造型砂腔和钻孔,更需仔细清洗,不得残留铸砂、切屑、纤维等杂质,与水接触的非加工面应有防锈蚀措施,与油接触的非加工面应涂上防护漆。6.5.3阀芯与阀座应进行研磨,研磨后进行密封试验,不得渗漏。6.5.4连杆轴瓦与曲轴的曲拐轴颈的径向间隙、连杆的小头衬套孔与十字头销的径向间隙应严格保证设计要求。
6.5.5同一型号的各种相同的零部件应能互换。6.5.6各零部件应装配齐全,安装位置正确,连接牢固可靠。6.5.7联轴节的安装应尽量同心,确保运转中不得产生振动和噪声。6.5.8装配后,用手盘车检查,应无别卡现象。6.6外观要求
6.6.1铸件不加工表面应平整,无飞边,无氧化铁皮,无浇口、冒口、铸砂等。6.6.2外露加工表面应有防护镀(涂)层,外露非加工面应涂漆。6.6.3电镀件镀层应均匀、美观,没有锈蚀和起皮脱落现象。6.6.4外表漆层应光亮、平坦,色泽均匀一致,无裂纹剥落和流痕,无机械杂质,无修整痕迹。246
MT 188-- 88
6.6.5油漆的颜色应国感舒适、醒目,适应于井下观察。6.6.6各种指示标牌应安装正确、位置适当、牢固可靠。6.7安全卫生要求
6.7.1配用的电动机必须附有国家指定的防爆检验机构出具的防爆检验合格证。6.7.2
敞露在外的旋转部分应有可靠的隔离防护罩。6.7.3泵组、泵和其他较重的零部件,应预先设有便于组装、安装、检查之用的起吊位置或装置。6.7.4漏损的工作液及油液不得自由流失。6.7.5
泵组的综合噪声应不高于表4规定。表4
电机功率
质等级
优等品
合格品
6.8性能要求
>11~22
>22~37
>37~55
>55~75
>75~90
泵安装后应进行运转试验,达到运转平稳,振动、泄漏、声响、油温等无异常现象。6.8.1
>90~110
6.8.2泵在满载运转时的稳定油温:在环境温度不超过30℃时,合格品不得超过80℃,一等品不得超过75℃,优等品不得超过70℃。6.8.3泵满载容积效率不低于表5要求。表5
公称压力
质量等级
优等品
一等品
合格品
>12.5~20
泵满载总效率:合格品暂定为0.82,-6.8.5
耐久试验时间不低于表6要求。
质量等级
耐久试验时间
优等品
>20~25
>25~31.5
>31.5~40
等品暂定为0.84,优等品暂定为0.86。表6
一等品
江:①耐久试验除柱塞密封圈外,其他零件不得损坏。②耐久试验后各项性能指标值仍应符合本标准要求。③耐久试验全过程中,允许更换一次柱塞密封圈。合格品
在公称压力下工作液的外漏损量每4 h不超过2 kg,润滑油的外漏损量每4 h不超过0.2kg。6.8.6
6.8.7平均大修寿命不少于15000h。6.9泵的润滑要求
6.9.1泵的润滑方式可以是强迫润滑,也可以是飞溅润滑。6.9.2润滑油的种类与牌号应与使用说明书的规定相符。6.9.3泵应设有油标,无色透明的油位显示板应有最高、最低油位指示标志,油位显示应清晰并便于观247
MT188-88
6.9.4润滑油的温度应符合6.8.2条的要求。泵的外形尺寸、安装尺寸、连接尺寸、重量和泵组的外形尺寸、重量等应在使用文件中说明。6.10
泵经试验合格后,应放尽残存工作液,并作防锈处理。6.12泵组的成套供应范围)
6.12.1完整的泵组。
6.12.2专用工具。
6.12.3备件。
注:1)若有增减,按与用户签订的含同供货。6.13用户在遵守规定的保管、安装、运输和使用规则的条件下,从制造厂发货日期起,在表7所规定的时间内,因质量问题不能正常工作或发生损坏时,制造厂应无偿地为用户修理或更换。表7
质量类别
7试验方法
合格品
按MT87进行并应满足以下补充条款的要求:7.1各项技术性能指标应以本标准的要求为准。一等品
优等品
7.2耐久试验的时间为连续运转时间,在运转中因更换柱塞密封而停泵的时间应扣除,更换前后的运转时间可以累计作为连续运转时间。如需进行修理和更换零件而停泵,前一段运转时间则不能暴计作为连续运转时间,应重新从零开始。7.3在耐久试验过程中,允许每500h左右停泵检查一次,但检查时间不得超过1h(新产品样机试验除外)。
7.4泵在型式试验后,应对下列项目进行检查。7.4.1齿轮轴、曲轴等轴向游隙应在设计要求之内。7.4.2各连接件、紧固件是否松动。7.4.3轴承和各主要运动副零件的工作表面的磨损情况,卧式三柱塞往复泵,可按附录A(补充件)规定的各件进行测量。
除柱塞密封件外,泵的其余零件是否破坏和损伤。7.4.4
8检验规则
8.1每台泵须经制造厂质量检验部门检查合格后方可出厂,并附有产品合格证。8.2当用户提出要求对产品验收时,制造厂应将验收试验的日期通知用户或用户代表。8.3泵的检验分出厂检验与型式检验两种。检验项目及检验顺序按MT87中表2进行,并增加外观检验,外观质量的检验用目测法按6.6条进行。8.4出厂检验的抽检项目的样品,从交检合格品中抽取,每次为批量的5%,但不少于2台。如果抽检中发现不合格项目时,允许对该项目进行复检。如仍不合格时,则对该项目加倍抽检;再不合格时,则该批产品应逐台检验,并在以后连续生产的三批产品中,将抽检项目加严为“全检项目”。8.5型式检验
8.5.1凡属下列情况之,应做型式检验:a新产品鉴定定型时,或老产品转厂试制时;248
MT188-88
改变产品设计、工艺或材料而影产品性能时;产品停产三年以上再次生产时;连续生产的产品至少每五年进行一次;用户对产品质量有重大异议时
国家质量监督机构提出进行型式检验要求时。8.5.2型式检验样品的抽取,按如下两种情况进行:在为新产品检验时,用样机进行型式检验,取样数量为…台;b.在为批量生产的产品检验时,样品应从出厂检验合格的产品中抽取,每次抽取--台,抽样基数不少于10台。
8.5.3型式检验中发现不合格项目时,允许对该项目进行复测,如仍不合格则对该项目加倍抽测,再不合格则型式检验判为不合格。
8.6派生系列产品允许只对系列基型产品进行型式检验。基型产品必须是该系列中功率、流量、压力最大的产品,其检验结果应能代表该系列中全部产品的考核。第二篇乳化液箱、泵站系统及元件9乳化液箱的型式、基本参数
9.1型式:乳化液箱(以下简称液箱)的型式一般为卧式长方形或长圆简形的移动型结构。9.2型号说明:
公称容量代号(由公称容量的百分之一表示)公称流量,L/min
特征代号(也允许不设)
乳化液箱
9.2.1产品型号中不允许以地区或单位名称作为特征代号来区别不同的产品。9.2.2型号示例:RX125/10型乳化液箱,表示公称流量为125L/min,公称容量为1000L的乳化液箱。
注:液箱的公称容量为最高规定液位时的容积。9.3液箱的基本参数
液箱的公称容量应符合表8的规定。表8
公称容量
技术要求
10.1液箱和泵站元件应符合本标准的要求,并按照规定程序批准的图样及技术文件制造。10.2原材料、标准件、外购件、外协件,应由泵制造厂质检部门检验合格。10.3配用的电器控制设备应有国家指定的防爆检验单位出具的防爆检验合格证。10.4
一般技术要求同6.3条。
10.5液箱的基本要求
10.5.1液箱的容积应能保证在正常的工作条件下,使工作液的温度不超过40℃,并不少于配用泵的公称流量的6倍,必要时可设辅助液箱。249
MT 188--88
10.5.2工作液应具有较慢的循环速度,以便析出混入的空气和沉淀较重的杂质。10.5.3回液口与泵的供液口应尽量远离。10.5.4
液箱底部的形状必须能将工作液放净。10.5.5
在液箱最低处应设有排污装置。液箱的活动盖板,其结构必须能阻止杂质进入液箱,并便于清洗液箱内部。10.5.6
液箱的内表面必须采取防锈措施,但不得污染工作液。10.5.8
必须有液位显示,并要配置在易观察的明显处,液标应能长期清晰地显示液面位置。液箱的强度及尺寸应能满足并下运输和使用条件的要求。应有起吊和便于运输固定的位置或装置。10.5.10
10. 5. 11
液箱顶部应设有空气滤清器。
5受压元件的焊接
焊缝的外形尺寸应符合设计图纸和工艺文件的规定,焊缝与母材应滑过渡。10.6.1
焊缝及其热影响区,表面无裂纹、气孔、孤坑和焊渣。10. 6. 2
与高压软管连接的高压软管接头应与煤炭工业部液压支架用高压软管接头的统一图纸相符。10.8液压系统的要求
系统及其元件应能满足配套设备的要求。10.8.1
与液压支架配套的液压系统,应能满足一台泵工作,另一台泵可检修。应设有过滤装置及磁性过滤器。必须有两级压力保护装置。固定泵站应有失压保护。应设有压力指示,公称压力为压力表全量程的1/2~2/3。系统中应设有蓄能器。
在下列情况下,一般设有声光报警或安装有指示装置。如有增减,按与用户签订的合同供货。液箱液位低于规定的最低液位时;液箱液位高于规定的最高液位时;高压过滤器的压差大于0.35MPa时。10.9过滤装置的要求
过滤精度应符合配套设备的要求,并带有污染指示或安装测试装置。泵站的过滤装置在清洗或更换滤芯时,应能满足有一台泵能正常工作。卸载阀应能满足表9要求。
公称乐力
调压范围
40~~20
调定压力)
偏移值
恢复压力
按设计要求
注:1)调定压力即为通常所称的卸载压力。2)测试压力为公称压力的80%时进行。3)耐久试验不允许更换和损坏任何零件。10.11安全阀应满足表10要求。
恢复压力
偏移值
压力损失
内泄漏量
mL/min
耐久试验
动作次数
12 × 10* s)
公称压力
>12.5~25
>25~40
开启压力
MT188-88
开启乐力偏移值
公称压力的110%~120%
公称压力的110%~115%
公称压力的110%~115%
注:公称压力为配用泵的公称压力,10.12
配液阀应满足表11要求。
供水压力允许变动
0.3~1 MPa
交替单向阀应满足表12要求。
流量,L/min
过滤器应满足表13要求。
公称流量
10.15装配要求
过滤精度
乳化液中乳化油
压力损失
高压过滤器
压力摄失
按设计要求
按设计要求
公称压力下
的泄漏量
耐久试验
动作次数
乳化液中乳化油含量
调节范围
0% ~6%
公称压力下的外泄漏量
吸液(回液)过滤器
过滤精度
按设计要求
按设计要求
压力损失
10.15.1所有零部件必须检验合格,不得因保管或运输等原因造成变形、锈蚀、碰伤而影响产品质量的零件用于装配,
装配前,所有零件应清除毛刺,并清洗干净,特别是接头、管路及通道(包括铸造型砂腔或孔、钻孔等)更需仔细清洗,液箱内表面应彻底清洗干净,不得留有灰尘、焊渣、纤维和其他杂质10.15.3
10. 15. 4
同一型号的各种相同的零部件应能互换。装配时零件的接缝应平整,不得有明显的错边错位。各种零部件应装配齐全、安装位置正确、连接牢固可靠。各种活动阀门应开关灵活、可靠、无别卡现象。10.16
外观要求
焊接件外表面应平直,无飞边、毛刺和焊渣等。外露工表面应有电镀防护层,非加工面应涂漆。电镀件镀层应均匀、美观,无锈蚀和起皮、脱落现象,251
MT188—88
10.16.4外表漆层应光亮、平坦,色泽均匀一致,无裂缝、剥落和流痕,无机杂质,无修整痕迹。10.16.5油漆的颜色应目感舒适、醒目,便于井下观看。10.16.6各种指示标牌安装正确、位置适当、牢固可靠。10.17产品供应的成套范围\
10.17.1完整的箱组。
10.17.2专用工具。
10.17.3备件。
注:1)如有增加或减少,则按与用户签订的合同供应。10.18用户在遵守规定的保管、安装、运输和使用规则的条件下,从制造厂发货日期起;在表14所规定的时间内,因质量问题而发生损坏或不能正常工作时,制造厂应无偿地为用户修理或更换。表14
质量类别
试验方法
一般要求
合格品
一等品
优等品
11.1.1试验用的工作液,采用MT76所规定的乳化油与中性软水按5*95重量比配制而成的乳化液。
试验全过程中,工作液的温度应保持在10~40℃。11.1.2
11.1.3试验时所有仪表读数应同时读出或记录。每个参数的测量次数应不少于三次,取算术平均值为测量值。
11.1.4试验及计算结果,应记入试验记录表,按附录B(补充件)记录。11.2,外观质量检验
用目测法按10.16条进行。
11.3焊缝质量检验
11.3.1目测检查全部焊缝,必要时可用10倍放大镜。焊缝不准有裂缝、夹渣、烧穿、凹焊、焊瘤等缺陷。
受压元件的全部焊键,其表面质量应符合11.3.1,并在1.5倍的公称压力下进行水压试验,保11. 3.2
压5min,然后降至公称压力,并用手锤在焊缝附近轻敲检查,不得有渗漏。11.4盛水检验
检验前应将液箱箱体内清洗干净,再加满水,检验的持续时间应根据观察与检查所需的时间决定,要用手锤在焊缝附近轻敲,检验中焊缝应无渗漏。如有渗漏,修补后应重新检验。允许用煤油渗漏试验代替盛水检验。
11.5液位指示器检验
按MT92进行。
11.6蓄能器充气压力的检验
用充气工具检查蓄能器的充气压力,如图1。也允许用其他方法进行检验。充气压力应为卸载阀的恢复压力的90%,充气压力的上偏差为十0.5MPa,下偏差为一1.5MPa。252
11.7过滤器检验
MT 188--88
气工具
按10.14条要求进行。试验方法按MT91进行。但试验流量应与配用泵的公称流量相符。11.8交替单向阀检验
11.8.1密封性能检验免费标准下载网bzxz
试验系统如图 2 .
试验压力与泵的公称压力相等。堵住C、A处加压,B处应无渗漏;a.
堵住C、B处加压,A处无渗漏。
11.8.2压力损失检验
试验系统如图3,试验流量应与配用泵的公称流量相等。分别读出A处及C处的压力值,则压力损失P为:
AP-P -P
式中:P.A处压力值,MPa;
C处压力值,MPa。
11.9配液阀检验
11.9.1试验系统如图4。
P>1MPa
关闭配液阀的节流孔B。
MT 188-88
乳化油!
调节节流阀A,使P,0.3;0.4;0.5;1.0MPa。11.9.3
乳化液
11.9.4逐渐开启B,对应P的任一值,乳化油的含量都可从0%-3%4%→6%逐级变化。乳化液浓度的测量,可用体积法、重量法,也可用专用仪器。11. 9. 5
卸载阀检验
按MT90进行。
11.10.2调定压力与试验的流量,应与所配用泵的公称压力和公称流量相符。11.11安全阀检验
按MT88进行,试验的流量应与所配用泵的公称流量相符。11.12液箱液压系统密封性能检验液压系统在公称压力下保持30min,检查所有的焊缝及各元部件的连接密封部位,应无渗漏。此项试验允许与泵的运转试验同时进行。试验系统参照附录C(参考件)。11.13超压检验
液压系统在1.25倍的公称压力下保持15min,检查所有焊缝和元部件的各连接密封部位,应无渗漏;各光部件应无损坏现象。此项可允许与泵的超载试验同时进行。试验系统参照附录C(参考件)。检验规则
12.1液箱、泵站系统及元件,需经制造厂质量检验部门检查合格方可出厂,并附有产品合格证。12.2当用户提出要求对产品验收时,制造厂应将验收试验的日期通知用户或用户代表。12.3液箱及泵站系统的检验分出厂检验与型式检验两种,按表15所规定的内容进行。12.4出厂检验的抽检项目样品的抽取和判别规则同8.4条。12.5型式检验同8.5条。
12.6泵或液箱在进行出厂检验或型式检验时,装在其上的各元件只须进行本标准技术要求中规定的内容。允许不进行单个元件本身所规定的型式检验的全部内容。254
外观质量
焊缝质量
液位指示
蓄能器充气压力
过滤器
交替单向阀
配液阀
御载阀
安全阀
MT 188—88
检验项目
液箱液压系统密封性能
液箱液压系统超压
检验种类
出厂检验
注:“√”表示该项目为全检项目;“○”表示该项目为抽检项目;“”表示该项目不进行。第三篇标志、包装、运输与贮存13标志、包装
13.1标志
每台泵与液箱的对外连接处及操作位置应有指示标牌。每台泵与液箱都须分别装有产品标牌,各种标牌应符合JB8的规定。标牌应安装牢固、位置适当、文字图样清晰醒目。产品标牌至少包括表16内容:表16
产品名称、型号
制造厂名称
公称压力,MPa
公称流量,L/min
泵标牌
配用电机功率,kw
配用电机转速,r/min
外形尺寸(长×宽×高),mm
重量,kg
出厂编号
出厂日期:年月
产品名称、型号
制造厂名称
公称压力,MPa
公称流量,L/min
公称容量,L
液压系统原理图
液箱标牌
外形尺寸(长×宽×高),mm
重量,kg
出厂编号
出厂日期:
型式检验
获得质量奖的产品,在标牌上应有质量奖标志,如省优、部优、国优等。设有商标的应符合商标255
小提示:此标准内容仅展示完整标准里的部分截取内容,若需要完整标准请到上方自行免费下载完整标准文档。
标准图片预览:





- 其它标准
 
- 上一篇: NY/T 36-1986 柿子酒
 - 下一篇: MT 189-1988 矿用隔爆型检漏继电器
 
- 热门标准
 - 煤炭行业标准(MT)
 
- MZ/T149-2020 行政区域界桩数据交换格式
 - MT/T154.1-2011 煤矿机电产品型号编制方法 第1部分:导则
 - MT/T510.2-1995 冶金焦用乌达矿务局煤技术条件
 - MT754-2005 小型煤矿地面用抽出式轴流通风机技术条件
 - MT/T107.5-1995 冶金焦用永荣矿务局煤技术条件
 - MT/T1097-2008 煤矿机电设备检修技术规范
 - MT292.1-1992 冶金焦用抚顺矿务局煤技术条件
 - MT/T311-1992 采煤机牵引液压系统滤油器型式和基本参数
 - MT295.1-1992 冶金焦用沈阳矿务局煤技术条件
 - MT/T608.1-1996 冶金焦用兖州矿务局煤技术条件
 - MT/T341.1-1994 冶金焦用大屯煤电公司煤技术条件
 - MT/T434.1-1995 冶金焦用六枝矿务局煤技术条件
 - MT/T659-1997 GXS细粒分级筛
 - MT/T588-1996 煤矿用防爆柴油机胶套轮/齿轨卡轨车技术条件
 - MT296.1-1992 冶金焦用双鸭山矿务局煤技术条件
 
- 行业新闻
 
请牢记:“bzxz.net”即是“标准下载”四个汉字汉语拼音首字母与国际顶级域名“.net”的组合。 ©2025 标准下载网 www.bzxz.net 本站邮件:bzxznet@163.com
网站备案号:湘ICP备2025141790号-2
网站备案号:湘ICP备2025141790号-2