- 您的位置:
- 标准下载网 >>
- 标准分类 >>
- 煤炭行业标准(MT) >>
- MT/T 154.2-1996 煤矿用电器设备产品型号编制方法和管理办法
标准号:
MT/T 154.2-1996
标准名称:
煤矿用电器设备产品型号编制方法和管理办法
标准类别:
煤炭行业标准(MT)
标准状态:
现行-
发布日期:
1996-04-01 -
实施日期:
1996-09-01 出版语种:
简体中文下载格式:
.rar.pdf下载大小:
185.58 KB
中标分类号:
矿业>>矿山机械设备>>D98煤矿专用设备器材
替代情况:
替代MT 154.2-1987
点击下载
标准简介:
标准下载解压密码:www.bzxz.net
本标准规定了煤矿用电器设备产品(以下简称产品)型号编制原则、编制方法、型号的组成和排列方式、管理办法。本标准适用于煤矿用的电器设备。本标准不适用于矿灯、充电架、照明灯具。 MT/T 154.2-1996 煤矿用电器设备产品型号编制方法和管理办法 MT/T154.2-1996
部分标准内容:
中华人民共和国煤炭行业标准
煤矿用电器设备
产品型号编制方法和管理办法
1主题内容与适用范围
MT/T 154.2-1996
本标准规定了煤矿用电器设备产品(以下简称产品)型号编制原则、编制方法、型号的组成和排列方式、管理办法。
本标准适用于煤矿用的电器设备。本标准不适用于矿灯、充电架、照明灯具。2引用标准
GB/T1.1标准化工作导则第一单元:标准的起草与表述规则第一部分:编写标准的基本规定
MT/T154.1煤矿机电产品型号的编制导则和管理办法3产品型号编制原则
3.1产品型号的命名应力求简单明了。3.2产品型号一律由大写汉语拼音字母及阿拉伯数字组成。3.3一般采用产品名称中每个词组的有代表意义的一个汉字的没语拼音第一个字母。3.4如按3.3条选字母造成型号重复或其他因素不能采用时,可采用词组中其他汉字的汉语拼音字母。
3.5达不到3.13.4条要求时,方可选用其他字母,但必须取得标准归口单位同意。3.6产品型号只代表一种产品,不应与其他产品型号发生混淆与重复。4产品型号的组成与排列方式
4.1产品型号主要由“产品类型代号”“第一特征代号”“顺序号”主参数组成。如这样表示仍难以区分时,再逐一增加“第二特征代号”“补充(派生)特征代号”和修改序号”。4.2产品型号的排列方式如下:
中华人民共和国煤炭工业部1996-04-01批准1996-09-01实施
5产品型号的编制方法
MT/T 154.2--1996
修改序号
-补充(派生)特征代号
主参数
一顺序号
第二特征代号
第一特征代号
产品类型代号
5.1产品型号中的“产品类型代号”表明产品的分类类别,一般用汉语拼音单字母表示,凡是出现区分困难时,充许用双字母表示(见表1)。表
产品类型代号
产品名称
电磁换向阀
传感器
电源箱
电磁铁
产品类型代号
产品名称
换向开关
互感器箱
进线装置
继电器箱
接线盒
开关,馈电开关
控制用电磁阀
控制箱
屏,配电装置
起动器
产品类型代号
产品名称
加热装置
熔断器箱
操纵台
限位开关,配电箱
信号灯
组合装置,制动器整
整流器箱
5.2产品型号中的“第一特征代号\表明产品的防爆结构型式,用汉语拼音字母表示(见表2)。480
第一特征代号
防爆型式
隔爆型
本质安全型
隔爆兼本质安全型
增安型
MT/T154.2--1996
第一特征代号
防爆型式
隔爆兼增安型
充砂型
正压型
充油型
第一特征代号
防爆型式
矿用一般型
非防爆型
浇封型
5.3产品型号中的“顺序号”表明产品登记顺序,以阿拉伯数字表示。由标准归口单位统一安排。5.4产品型号中的“主参数”表明产品的主要技术参数,如电流、电压、功率、主电路数(电流/电压、功率/电压),必要时可用配套机械的主参数。5.5产品型号中的“顺序号”与主参数中间应有一粗的横短线(占一格位置)以示区分。5.6产品型号中的“第二特征代号”是在“产品类型代号”“第一特征代号”“主参数”相同时,而结构、性能、原理等不同时需要区别之用,用汉语拼音字母表示,见表3)。5.7产品型号中的补充(派生)特征代号是在“产品类型代号”“第一特征代号”“第二特征代号”“主参数”相同,而需要进一步区分其有关的特征或表明与其主机的配套时作识别之用,用汉语拼音字母表示(见表3与表4)。
第二特征代号
产品特征名称
低压、动力电子保护
高压、固定
第二特征代号
产品特征名称
空气、负荷
电流、漏电
热保护
第二特征代号
产品特征名称
双速、手动、手车
调速、通用
微机、温度、无功功率
相敏选择
电压、液压
真空、直流、自动
总开关、综合、组合
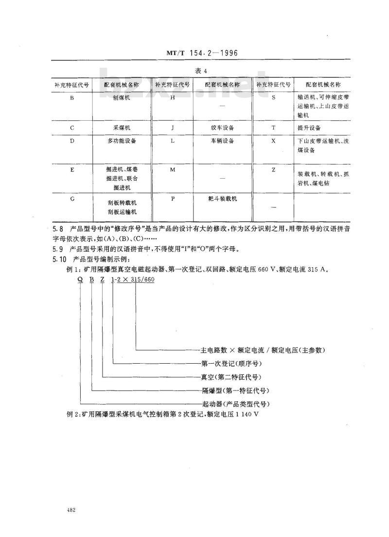
补充特征代号
配套机名称
刨煤机
采煤机
多功能设备
掘进机、煤巷
掘进机、联合
掘进机
刮板转载机
刮板运输机
MT/T 154.2—1996
补充特征代号
配套机械名称
绞车设备
车辆设备
粑斗装载机
补充特征代号
配套机械名称
输送机、可伸缩皮带
运输机、上山皮带运
提升设备
下山皮带运输机、洗
煤设备
装载机、转载机、抓
岩机、煤电钻
5.8产品型号中的“修改序号”是当产品的设计有大的修改,作为区分识别之用,用带括号的汉语拼音字母依次表示,如(A)、(B)、(C)5.9产品型号采用的汉语拼音中,不得使用“I”和O”两个字母。5.10产品型号编制示例:
例1:矿用隔爆型真空电磁起动器、第一次登记、双回路、额定电压660V、额定电流315A。QBZ 1-2X315/660
主电路数×额定电流/额定电压(主参数)-第一次登记(顺序号)
真空(第二特征代号)
-隔爆型(第一特征代号)
起动器(产品类型代号)
例2:矿用隔爆型采煤机电气控制箱第2次登记,额定电压1140V482
KX B2-150/660
MT/T 154.2--1996
配套机械采煤机(补充特征代号)额定功率/额定电压(主参数)第2次登记(顺序号)
隔爆型(第一特征代号)
控制箱(产品类型代号)
例3:矿用一般型低压动力配电箱、第2次登记,额定电压660V,额定电流315A。XKD
2-315/660
-额定电流/额定电压(主参数)第2次登记(顺序号)
低压(第二特征代号)
-矿用一般型(第一特征代号)
配电箱(产品类型代号)
例4矿用隔爆型电磁换向阀,第1次登记通径6mm,功率30WCF
B1-6/30
通径/功率(主参数)
-第1次登记(顺序号)
-隔爆型(第一特征代号)
电磁换向阀(产品类型代号)
例5:矿用一般型手车式高压开关柜,第3次登记,额定电压10kV483
6,产品型号管理办法
MT/T 154.2—1996
手车(补充特征)
一额定电压(主参数)
第3次登记(顺序号)
高压(第二特征代号)
矿用一般型(第一特征代号)
柜(产品类型代号)
6.1产品型号加上产品名称是产品全称,在正式技术文件中第一次出现时必须是产品全称,以后可以用规定的简称来代替产品的全称。6.2产品型号管理由煤炭工业部煤矿专用设备标准化技术委员会电气设备分会(以下简称电气分会)承担。
6.3产品型号申请办法:
6.3.1本标准规定编制的产品型号,由制造厂或设计单位,在新产品图样送国家指定检验机关审查前,应备文与产品型号申请表(见表5)一起向电气分会申请产品型号,该产品鉴定通过后必须办理确认手续(如是派生或系列产品不再鉴定时,则应向电气分会确认登记),确认后正式生效。若三年内未能鉴定,则应向电气分会提出申请继续保留该产品型号,否则该产品型号作废。6.3.2申请产品型号时应提供下列资料:a.
煤矿电器设备产品型号申请登记表一式3份,产品企业标(草案)或技术条件1份;b.
产品使用说明书1份;
产品总图1份。
6.3.3产品鉴定通过后一年内应向电气分会申请产品型号确认手续,并提供下列资料:煤矿电器设备产品型号确认申请登记表(见表6)一式3份;a.
产品鉴定证书(包括防爆合格证,“MA”安全检查合格证)复印件各1份;产品全貌照片1张;
d.产品鉴定后,若技术条件及使用说明书没有什么变动时可省略。6.3.4电气分会对6.3.2和6.3.3条规定上述申请资料经审查同意后,23周内将型号申请登记表或型号确认申请登记表反馈一份给申请单位。6.3.5已有型号的产品,转厂照样生产时,可以沿用原型号,但顺序号由电气分会重新拨给,同时应向电气分会办理型号确认手续。
6.3.6已有型号的产品在生产中作了较大改进,其基本规格已明显改变或设计修改(影响产品性能时),需更改其产品型号或加注派生代号。此时,应重新申请产品型号。申请手续仍按本标准规定程序办理。
6.3.7当新产品正式投产后2年内,若制造厂不按本标准规定办法申请确认产品型号;电气分会有权撤消原发出的产品型号。
MT/T 154.2-
—1996
6.4自本标准实施之日起,所有新设计的煤矿用电器产品均按本标准编制型号。表5煤矿电器设备产品型号申请登记表申请单位
产品名称
产品型号
产品计划
鉴定日期
产品基本
若属系列产品说明该
系列产品型号、名称和
制造厂
型号含义
申请单位
申请单位建议名称
电气分会确定名称
申请单位建议型号
电气分会确定型号
登记编号
产品用途
若属派生产品说明bzxZ.net
基型产品型号、名称
与制造厂
电气分会
(由电气分会填写)
(由电气分会填写)
邮编号
申请单位
产品名称
产品型号
鉴定主持
单位及日期
鉴定证书号
产品基本规格
若属系列产品说明该
系列产品型号、名称和
制造厂
型号含义
申请单位
附加说明:
MT/T154.2-1996
表6煤矿电器设备产品型号确认申请登记表地址
申请单位建议名称
电气分会确定名称
申请单位建议型号
电气分会确定型号
登记编号
确认编号
产品用途
若属派生产品说明
基型产品型号、名称
与制造厂
电气分会
日盖章
本标准由煤炭工业部煤矿专用设备标准化技术委员会提出。(由电气分会填写)
(由电气分会填写)
本标准由煤炭工业部煤矿专用设备标准化委员会电气设备分会归口,本标准由煤炭科学研究总院上海分院负责起草、上海矿用电器厂参加起草。本标准主要起草人陈荣中、黄永生。486
邮编号
小提示:此标准内容仅展示完整标准里的部分截取内容,若需要完整标准请到上方自行免费下载完整标准文档。
煤矿用电器设备
产品型号编制方法和管理办法
1主题内容与适用范围
MT/T 154.2-1996
本标准规定了煤矿用电器设备产品(以下简称产品)型号编制原则、编制方法、型号的组成和排列方式、管理办法。
本标准适用于煤矿用的电器设备。本标准不适用于矿灯、充电架、照明灯具。2引用标准
GB/T1.1标准化工作导则第一单元:标准的起草与表述规则第一部分:编写标准的基本规定
MT/T154.1煤矿机电产品型号的编制导则和管理办法3产品型号编制原则
3.1产品型号的命名应力求简单明了。3.2产品型号一律由大写汉语拼音字母及阿拉伯数字组成。3.3一般采用产品名称中每个词组的有代表意义的一个汉字的没语拼音第一个字母。3.4如按3.3条选字母造成型号重复或其他因素不能采用时,可采用词组中其他汉字的汉语拼音字母。
3.5达不到3.13.4条要求时,方可选用其他字母,但必须取得标准归口单位同意。3.6产品型号只代表一种产品,不应与其他产品型号发生混淆与重复。4产品型号的组成与排列方式
4.1产品型号主要由“产品类型代号”“第一特征代号”“顺序号”主参数组成。如这样表示仍难以区分时,再逐一增加“第二特征代号”“补充(派生)特征代号”和修改序号”。4.2产品型号的排列方式如下:
中华人民共和国煤炭工业部1996-04-01批准1996-09-01实施
5产品型号的编制方法
MT/T 154.2--1996
修改序号
-补充(派生)特征代号
主参数
一顺序号
第二特征代号
第一特征代号
产品类型代号
5.1产品型号中的“产品类型代号”表明产品的分类类别,一般用汉语拼音单字母表示,凡是出现区分困难时,充许用双字母表示(见表1)。表
产品类型代号
产品名称
电磁换向阀
传感器
电源箱
电磁铁
产品类型代号
产品名称
换向开关
互感器箱
进线装置
继电器箱
接线盒
开关,馈电开关
控制用电磁阀
控制箱
屏,配电装置
起动器
产品类型代号
产品名称
加热装置
熔断器箱
操纵台
限位开关,配电箱
信号灯
组合装置,制动器整
整流器箱
5.2产品型号中的“第一特征代号\表明产品的防爆结构型式,用汉语拼音字母表示(见表2)。480
第一特征代号
防爆型式
隔爆型
本质安全型
隔爆兼本质安全型
增安型
MT/T154.2--1996
第一特征代号
防爆型式
隔爆兼增安型
充砂型
正压型
充油型
第一特征代号
防爆型式
矿用一般型
非防爆型
浇封型
5.3产品型号中的“顺序号”表明产品登记顺序,以阿拉伯数字表示。由标准归口单位统一安排。5.4产品型号中的“主参数”表明产品的主要技术参数,如电流、电压、功率、主电路数(电流/电压、功率/电压),必要时可用配套机械的主参数。5.5产品型号中的“顺序号”与主参数中间应有一粗的横短线(占一格位置)以示区分。5.6产品型号中的“第二特征代号”是在“产品类型代号”“第一特征代号”“主参数”相同时,而结构、性能、原理等不同时需要区别之用,用汉语拼音字母表示,见表3)。5.7产品型号中的补充(派生)特征代号是在“产品类型代号”“第一特征代号”“第二特征代号”“主参数”相同,而需要进一步区分其有关的特征或表明与其主机的配套时作识别之用,用汉语拼音字母表示(见表3与表4)。
第二特征代号
产品特征名称
低压、动力电子保护
高压、固定
第二特征代号
产品特征名称
空气、负荷
电流、漏电
热保护
第二特征代号
产品特征名称
双速、手动、手车
调速、通用
微机、温度、无功功率
相敏选择
电压、液压
真空、直流、自动
总开关、综合、组合
补充特征代号
配套机名称
刨煤机
采煤机
多功能设备
掘进机、煤巷
掘进机、联合
掘进机
刮板转载机
刮板运输机
MT/T 154.2—1996
补充特征代号
配套机械名称
绞车设备
车辆设备
粑斗装载机
补充特征代号
配套机械名称
输送机、可伸缩皮带
运输机、上山皮带运
提升设备
下山皮带运输机、洗
煤设备
装载机、转载机、抓
岩机、煤电钻
5.8产品型号中的“修改序号”是当产品的设计有大的修改,作为区分识别之用,用带括号的汉语拼音字母依次表示,如(A)、(B)、(C)5.9产品型号采用的汉语拼音中,不得使用“I”和O”两个字母。5.10产品型号编制示例:
例1:矿用隔爆型真空电磁起动器、第一次登记、双回路、额定电压660V、额定电流315A。QBZ 1-2X315/660
主电路数×额定电流/额定电压(主参数)-第一次登记(顺序号)
真空(第二特征代号)
-隔爆型(第一特征代号)
起动器(产品类型代号)
例2:矿用隔爆型采煤机电气控制箱第2次登记,额定电压1140V482
KX B2-150/660
MT/T 154.2--1996
配套机械采煤机(补充特征代号)额定功率/额定电压(主参数)第2次登记(顺序号)
隔爆型(第一特征代号)
控制箱(产品类型代号)
例3:矿用一般型低压动力配电箱、第2次登记,额定电压660V,额定电流315A。XKD
2-315/660
-额定电流/额定电压(主参数)第2次登记(顺序号)
低压(第二特征代号)
-矿用一般型(第一特征代号)
配电箱(产品类型代号)
例4矿用隔爆型电磁换向阀,第1次登记通径6mm,功率30WCF
B1-6/30
通径/功率(主参数)
-第1次登记(顺序号)
-隔爆型(第一特征代号)
电磁换向阀(产品类型代号)
例5:矿用一般型手车式高压开关柜,第3次登记,额定电压10kV483
6,产品型号管理办法
MT/T 154.2—1996
手车(补充特征)
一额定电压(主参数)
第3次登记(顺序号)
高压(第二特征代号)
矿用一般型(第一特征代号)
柜(产品类型代号)
6.1产品型号加上产品名称是产品全称,在正式技术文件中第一次出现时必须是产品全称,以后可以用规定的简称来代替产品的全称。6.2产品型号管理由煤炭工业部煤矿专用设备标准化技术委员会电气设备分会(以下简称电气分会)承担。
6.3产品型号申请办法:
6.3.1本标准规定编制的产品型号,由制造厂或设计单位,在新产品图样送国家指定检验机关审查前,应备文与产品型号申请表(见表5)一起向电气分会申请产品型号,该产品鉴定通过后必须办理确认手续(如是派生或系列产品不再鉴定时,则应向电气分会确认登记),确认后正式生效。若三年内未能鉴定,则应向电气分会提出申请继续保留该产品型号,否则该产品型号作废。6.3.2申请产品型号时应提供下列资料:a.
煤矿电器设备产品型号申请登记表一式3份,产品企业标(草案)或技术条件1份;b.
产品使用说明书1份;
产品总图1份。
6.3.3产品鉴定通过后一年内应向电气分会申请产品型号确认手续,并提供下列资料:煤矿电器设备产品型号确认申请登记表(见表6)一式3份;a.
产品鉴定证书(包括防爆合格证,“MA”安全检查合格证)复印件各1份;产品全貌照片1张;
d.产品鉴定后,若技术条件及使用说明书没有什么变动时可省略。6.3.4电气分会对6.3.2和6.3.3条规定上述申请资料经审查同意后,23周内将型号申请登记表或型号确认申请登记表反馈一份给申请单位。6.3.5已有型号的产品,转厂照样生产时,可以沿用原型号,但顺序号由电气分会重新拨给,同时应向电气分会办理型号确认手续。
6.3.6已有型号的产品在生产中作了较大改进,其基本规格已明显改变或设计修改(影响产品性能时),需更改其产品型号或加注派生代号。此时,应重新申请产品型号。申请手续仍按本标准规定程序办理。
6.3.7当新产品正式投产后2年内,若制造厂不按本标准规定办法申请确认产品型号;电气分会有权撤消原发出的产品型号。
MT/T 154.2-
—1996
6.4自本标准实施之日起,所有新设计的煤矿用电器产品均按本标准编制型号。表5煤矿电器设备产品型号申请登记表申请单位
产品名称
产品型号
产品计划
鉴定日期
产品基本
若属系列产品说明该
系列产品型号、名称和
制造厂
型号含义
申请单位
申请单位建议名称
电气分会确定名称
申请单位建议型号
电气分会确定型号
登记编号
产品用途
若属派生产品说明bzxZ.net
基型产品型号、名称
与制造厂
电气分会
(由电气分会填写)
(由电气分会填写)
邮编号
申请单位
产品名称
产品型号
鉴定主持
单位及日期
鉴定证书号
产品基本规格
若属系列产品说明该
系列产品型号、名称和
制造厂
型号含义
申请单位
附加说明:
MT/T154.2-1996
表6煤矿电器设备产品型号确认申请登记表地址
申请单位建议名称
电气分会确定名称
申请单位建议型号
电气分会确定型号
登记编号
确认编号
产品用途
若属派生产品说明
基型产品型号、名称
与制造厂
电气分会
日盖章
本标准由煤炭工业部煤矿专用设备标准化技术委员会提出。(由电气分会填写)
(由电气分会填写)
本标准由煤炭工业部煤矿专用设备标准化委员会电气设备分会归口,本标准由煤炭科学研究总院上海分院负责起草、上海矿用电器厂参加起草。本标准主要起草人陈荣中、黄永生。486
邮编号
小提示:此标准内容仅展示完整标准里的部分截取内容,若需要完整标准请到上方自行免费下载完整标准文档。
标准图片预览:





- 其它标准
- 热门标准
- 煤炭行业标准(MT)
- MT429-1995 煤矿用隔爆型低压电缆接线盒
- MT/T411-1995 YBI系列装岩机用隔爆型三相异步电动机
- MT/T963-2005 煤中汞含量分级
- MT/T510.2-1995 冶金焦用乌达矿务局煤技术条件
- MT/T934-2005 煤矿许用炸药煤尘—可燃气安全度试验方法及判定
- MT/T522-2004 矿用高强度圆环链检验规范
- MT234-1991 3吨矿车 立井多绳罐笼
- MT284-1994 立井提升容器楔型连接装置技术条件
- MT378-1995 煤矿用炸药抗爆燃性测定方法和判定规则
- MT/T516.2-1995 煤矿液压凿岩机用钎具 钎头
- MT/T789-1998 煤田钻探金刚石取心钻头
- MT21-1990 立井箕斗计量装载设备
- MT/T883-2000 柴油机单轨吊车
- MT292.3-1992 蒸汽机车用抚顺矿务局煤技术条件
- MT299.3-1992 冶金焦用鹤岗矿务局煤技术条件
- 行业新闻
请牢记:“bzxz.net”即是“标准下载”四个汉字汉语拼音首字母与国际顶级域名“.net”的组合。 ©2025 标准下载网 www.bzxz.net 本站邮件:bzxznet@163.com
网站备案号:湘ICP备2025141790号-2
网站备案号:湘ICP备2025141790号-2