- 您的位置:
 - 标准下载网 >>
 - 标准分类 >>
 - 化工行业标准(HG) >>
 - HG/T 2880-1997 硅铝炭黑技术条件
 
标准号:
HG/T 2880-1997
标准名称:
硅铝炭黑技术条件
标准类别:
化工行业标准(HG)
英文名称:
Technical requirements for silicon aluminum carbon black标准状态:
已作废- 
          	
发布日期:
1997-04-21 - 
		 
实施日期:
1997-09-01 - 
          	
作废日期:
2008-04-01 出版语种:
简体中文下载格式:
.rar.pdf下载大小:
109.42 KB
替代情况:
被HG/T 2880-2007代替
部分标准内容:
					
					ICS83.040.20
备案号457—1997
中华人民共和国化工行业标准
HG/T 28801997
硅铝炭黑技术条件
Silica-alumina carbon black-Specification limits1997-04-21 发布Www.bzxZ.net
中华人民共和国化学工业部
1997-10-01实施
HG/T2880—1997
本标准是根据我国实际情况而制定的产品标准,为我国化工行业橡胶用硅铝炭黑提供了统一的技术依据.
本标准由中华人民共和国化学工业部技术监督司提出,本标准由化学工业部炭黑工业研究设计所归口,本标准由化学工业部炭黑工业研究设计所负责起草,富化钢铁公司炭黑厂参加起草,本标准主要起草人:胡开碧、于莲、薛蕾、王春雪。1范围
中华人民共和国化工行业标准
硅铝炭黑技术条件
Silica-nlumin carbon black-Spccification limitsHG/T 2880 —1997
本标准规定了橡胶用硅铝效黑技术要求,试验方法,检验规则及包装、采样、贮运要求。本标准适用了橡胶用各种硅铝炭黑。2引用标准
下列标准所包含的条文,通过在本标准中引用而构成为本标准的条文,本标证出版时,所示版本均为有效,所有标准都会被修订,使用本标准的各方应探讨使用下刻标推最新版本的可能性IIG/T27961996硅铝炭墨包装、运、采样及验收方法HG/T2797.1—1996链铝炭黑筛余物的测定HG/T2797.21996硅铝炭黑吸碘值的测定HG/T2797.3—1996硅铝炭黑邻苯二甲酸二门酯吸收值的测定HG/T2797.4--1996硅铝炭黑pH值的测定HG/T2797.5-1996硅铝炭黑裂质的測定HG / T 2797. 6--1996
硅铝炭熙倾注密度的测定(egyIS013061987)HG/T2797.7-1996硅铝炭黑加热减量的测定(cqVISO1126:1992)3定义及代号
3.1定义
硅铝炭熙指用煤研石为原料,经筛选、粉碎、焙烧(包括活性改性)等工艺制造的,以硅、铅碳等元素为主要戚份的橡胶填充剂3.2铝炭黑代号为 SAC,其品种为 SAC-I和 SAC-Ⅱ4技术要求
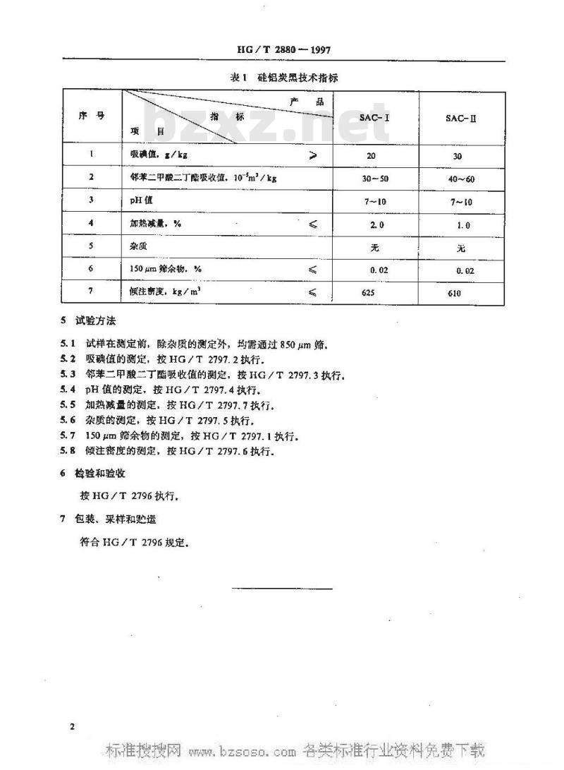
硅铝炭黑产品应符合表1中相应的各项技术指标的要求,中华人民共和国化学工业部1997-04-21批准1997-10-01实施
试验方法
吸碘值,三/ kg
HG/T2880-—1997
裴1硅铝炭黑技术指标
邻萍二甲酸二丁酯吸收值。10-m/kgpH值
加热减量,%
150 μm 筛余物。%
倾注亲度。kg/ m
试样在测定前,除杂质的测定外,均需通过850um筛,5.1
吸碘值的测定,按HG/T2797.2执行5.3邻苯二甲酸二丁酯吸收值的测定,按HG/T2797.3执行.5.4pH值的测定,按HG/T2797.4执行,5.5加热减量的测定,按HG/T2797.7执行,5.6杂质的测定,按HG/T2797.5执行,5.7150μm筛余物的测定,按HG/T2797.1执行,.5.8倾注密度的测定,按HG/T2797.6执行6
检验和验收
按HG/T2796执行
包装、采样和购运
符合HG/T2796规定,
30 -50
中华人民共和国
化工行业标准
硅铝炭黑技术条件
HIG/T2880—1997
编辑化工行业标准编辑出版组
(化工部标准化研究所)
邮政编码:100011
印刷化工部标准化研究所
版权专有不得翘印
开本 880× 1230 1 / 16印张%学数 5 0001997年11月第一次印刷
1997 年 10 月第一版
印数1 —500
工本费3. 00元
2661 - 088z
小提示:此标准内容仅展示完整标准里的部分截取内容,若需要完整标准请到上方自行免费下载完整标准文档。
	 
	        
	      备案号457—1997
中华人民共和国化工行业标准
HG/T 28801997
硅铝炭黑技术条件
Silica-alumina carbon black-Specification limits1997-04-21 发布Www.bzxZ.net
中华人民共和国化学工业部
1997-10-01实施
HG/T2880—1997
本标准是根据我国实际情况而制定的产品标准,为我国化工行业橡胶用硅铝炭黑提供了统一的技术依据.
本标准由中华人民共和国化学工业部技术监督司提出,本标准由化学工业部炭黑工业研究设计所归口,本标准由化学工业部炭黑工业研究设计所负责起草,富化钢铁公司炭黑厂参加起草,本标准主要起草人:胡开碧、于莲、薛蕾、王春雪。1范围
中华人民共和国化工行业标准
硅铝炭黑技术条件
Silica-nlumin carbon black-Spccification limitsHG/T 2880 —1997
本标准规定了橡胶用硅铝效黑技术要求,试验方法,检验规则及包装、采样、贮运要求。本标准适用了橡胶用各种硅铝炭黑。2引用标准
下列标准所包含的条文,通过在本标准中引用而构成为本标准的条文,本标证出版时,所示版本均为有效,所有标准都会被修订,使用本标准的各方应探讨使用下刻标推最新版本的可能性IIG/T27961996硅铝炭墨包装、运、采样及验收方法HG/T2797.1—1996链铝炭黑筛余物的测定HG/T2797.21996硅铝炭黑吸碘值的测定HG/T2797.3—1996硅铝炭黑邻苯二甲酸二门酯吸收值的测定HG/T2797.4--1996硅铝炭黑pH值的测定HG/T2797.5-1996硅铝炭黑裂质的測定HG / T 2797. 6--1996
硅铝炭熙倾注密度的测定(egyIS013061987)HG/T2797.7-1996硅铝炭黑加热减量的测定(cqVISO1126:1992)3定义及代号
3.1定义
硅铝炭熙指用煤研石为原料,经筛选、粉碎、焙烧(包括活性改性)等工艺制造的,以硅、铅碳等元素为主要戚份的橡胶填充剂3.2铝炭黑代号为 SAC,其品种为 SAC-I和 SAC-Ⅱ4技术要求
硅铝炭黑产品应符合表1中相应的各项技术指标的要求,中华人民共和国化学工业部1997-04-21批准1997-10-01实施
试验方法
吸碘值,三/ kg
HG/T2880-—1997
裴1硅铝炭黑技术指标
邻萍二甲酸二丁酯吸收值。10-m/kgpH值
加热减量,%
150 μm 筛余物。%
倾注亲度。kg/ m
试样在测定前,除杂质的测定外,均需通过850um筛,5.1
吸碘值的测定,按HG/T2797.2执行5.3邻苯二甲酸二丁酯吸收值的测定,按HG/T2797.3执行.5.4pH值的测定,按HG/T2797.4执行,5.5加热减量的测定,按HG/T2797.7执行,5.6杂质的测定,按HG/T2797.5执行,5.7150μm筛余物的测定,按HG/T2797.1执行,.5.8倾注密度的测定,按HG/T2797.6执行6
检验和验收
按HG/T2796执行
包装、采样和购运
符合HG/T2796规定,
30 -50
中华人民共和国
化工行业标准
硅铝炭黑技术条件
HIG/T2880—1997
编辑化工行业标准编辑出版组
(化工部标准化研究所)
邮政编码:100011
印刷化工部标准化研究所
版权专有不得翘印
开本 880× 1230 1 / 16印张%学数 5 0001997年11月第一次印刷
1997 年 10 月第一版
印数1 —500
工本费3. 00元
2661 - 088z
小提示:此标准内容仅展示完整标准里的部分截取内容,若需要完整标准请到上方自行免费下载完整标准文档。
标准图片预览:





- 其它标准
 
- 热门标准
 - 化工行业标准(HG)
 
- HG/T3985-2007 聚四氟乙烯波纹管膨胀节
 - HG/T3459-2003 化学试剂 顺丁烯二酸酐
 - HG/T20518-2008 化工粉体工程设计通用规范
 - HG/T3219-2009 代替 HG/T 3219-1999 搪玻璃平面阀
 - HG∕T5056-2016 GB 7544在天然橡胶胶乳避孕套质量管理中的使用指南
 - HG/T2017-2011 代替 HG/T 2017-2000 普通运动鞋
 - HG/T2956.5-2001 硼镁矿石中氧化亚铁含量的测定重铬酸钾 容量法
 - HG/T3276-2019 代替 HG/T 3276-2012 腐植酸铵肥料分析方法
 - HG/T5036-2016 常温有机硫转化吸收催化剂催化性能试验方法
 - HG/T4752-2014 整体浇铸乙烯基树脂混凝土电解槽
 - HG/T3449-1999 化学试剂 甲基红
 - HG/T2371-2003 代替 HG/T 2371-1992 搪玻璃开式搅拌容器
 - HG/T5780-2020 涂料用高氯化聚乙烯树脂
 - HG/T4221-2011 双组分室温硫化有机硅模具胶
 - HG/T3459-2003 化学试剂 顺丁烯二酸酐
 
- 行业新闻
 
请牢记:“bzxz.net”即是“标准下载”四个汉字汉语拼音首字母与国际顶级域名“.net”的组合。 ©2025 标准下载网 www.bzxz.net 本站邮件:bzxznet@163.com
网站备案号:湘ICP备2025141790号-2
网站备案号:湘ICP备2025141790号-2