- 您的位置:
- 标准下载网 >>
- 标准分类 >>
- 化工行业标准(HG) >>
- HG/T 2571-1994 抛光膏
标准号:
HG/T 2571-1994
标准名称:
抛光膏
标准类别:
化工行业标准(HG)
英文名称:
Polishing paste标准状态:
已作废-
发布日期:
1994-02-09 -
实施日期:
1994-07-01 -
作废日期:
2007-03-01 出版语种:
简体中文下载格式:
.rar.pdf下载大小:
218.78 KB
标准ICS号:
化工技术>>化工产品>>71.100.99其他化工产品中标分类号:
化工>>无机化工原料>>G14其他无机化工原料
替代情况:
被HG/T 2571-2006代替
相关标签:
抛光

部分标准内容:
中华人民共和国化工行业标准
HG/T2571—94
1994-02-09发布
中华人民共和国化学工业部免费标准下载网bzxz
1994-07-01实施
W中华人民共和国化工行业标准
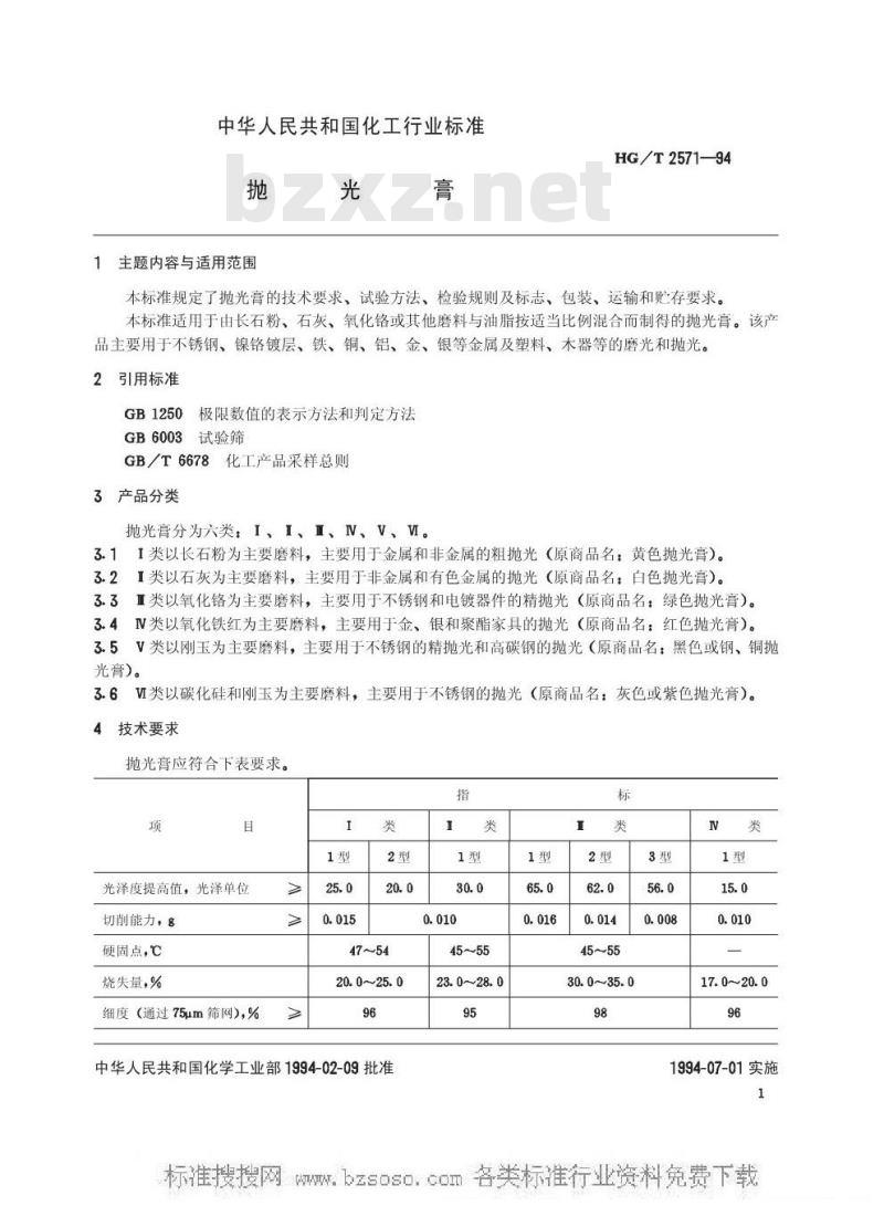
主题内容与适用范围
HG/T2571—94
本标准规定了抛光膏的技术要求、试验方法、检验规则及标志、包装、运输和贮存要求。本标准适用于由长石粉、石灰、氧化铬或其他磨料与油脂按适当比例混合而制得的抛光膏。该产品主要用于不锈钢、镍铬镀层、铁、铜、铝、金、银等金属及塑料、木器等的磨光和抛光。2引用标准
GB1250极限数值的表示方法和判定方法GB6003试验筛
GB/T6678化工产品采样总则
3产品分类
抛光膏分为六类:I、I、I、N、V、V。3.11类以长石粉为主要磨料,主要用于金属和非金属的粗抛光(原商品名:黄色抛光膏)。3.2I类以石灰为主要磨料,主要用于非金属和有色金属的抛光(原商品名:白色抛光)。3.3Ⅱ类以氧化铬为主要磨料,主要用于不锈钢和电镀器件的精抛光(原商品名:绿色抛光膏)。3.4V类以氧化铁红为主要磨料,主要用于金、银和聚酯家具的抛光(原商品名:红色抛光膏)。3.5V类以刚玉为主要磨料,主要用于不锈钢的精抛光和高碳钢的抛光(原商品名:黑色或钢、铜抛光膏)。
3.6V类以碳化硅和刚玉为主要磨料,主要用于不锈钢的抛光(原商品名:灰色或紫色抛光育)。技术要求
抛光育应符合下表要求。
光泽度提高值,光泽单位
切削能力,g
硬固点,℃
烧失量,%
细度(通过75um筛网),%
20.0~25.0
中华人民共和国化学工业部1994-02-09批准1
23.0~28.0
30.0~35.0
17.0~20.0
1994-07-01实施
W.bzsoso.coD项
光泽度提高值,光泽单位
切削能力,g
硬固点,℃
烧失量,%
细度(通过75um筛网),%
5试验方法
5.1光泽度提高值的测定
5.1.1仪器、设备
HG/T2571—94
28.0~30.023.0~29.022.0~24.030.0~35.031.0~33.030.0~35.0
20.022.03
5.1.1.1抛光试验机:单机转速1300r/min,压力0~1.6MPa;5.1.1.2H62黄铜样块:Φ64mm,5.1.1.3镜向光泽度仪:带有45°角金属光泽度测头。5.1.2分析步骤:
称取空白平绒抛布的质量(精确至0.001g),将空白平绒抛布装于抛盘上,启动抛盘,将试样从抛盘中心沿半径向边缘均匀涂抹;停机,取下抛布称其质量(精确至0.001g),抛布上试样的质量应符合下表规定,否则重新操作。类
I、I、V
试样涂抹量,g
0.40~0.50
0.20~0.25
0.08~0.12
将铜块用O#砂纸轻轻均勾打磨后,用镜头纸擦净,用镜向光泽度仪测量其固定三点的光泽度,其算术平均值应小于1.5光泽单位,然后称量铜块的质量(精确至0.001g);将其装于抛光试验机上,加0.4MPa压力,启动抛光机抛20s。停机后,取下铜块冷却;用镜头纸轻轻擦去油脂,测量其固定三点光泽度并称量(精确至0.001g)。每次抛磨后应将平绒抛布洗净、干燥。5.1.3分析结果的表述
光泽度提高值X按式(1)计算:X=GIG。
式中:G1—一抛光后标准样块固定三点光泽度的算术平均值,光泽单位;一抛光前标准样块固定三点光泽度的算术平均值,光泽单位。Go
5.1.4允许差
HG/T2571—94
取平行测定结果的算术平均值为测定结果,平行测定结果的绝对差值不大于2.0光泽单位。5.2切削能力的测定
5.2.1仪器、设备
同5.1.1条。
5.2.2分析步骤
同5.1.2条。
5.2.3分析结果的表述
切削能力X按式(2)计算:
X2=mo-ml
式中:m—抛光后标准样块的质量,g;mo——抛光前标准样块的质量,g。5.2.4允许差
取平行测定结果的算术平均值为测定结果,平行测定结果的绝对差值不大于0.002g。5.3硬固点的测定
5.3.1仪器、设备
5.3.1.1带柄蒸发血:30或50mL;5.3.1.2温度计:分度值为1℃。5.3.2分析步骤
称取约30~40g试样,置于带柄蒸发血中,加热至约80℃,熔融。从电炉上取下,冷却;用玻璃棒搅拌,使其逐渐固化,待其与蒸发皿内壁不再发生粘附时的温度,为其硬固点。5.3.3允许差
取平行测定结果的算术平均值为测定结果,平行测定结果的绝对差值不大于1℃。5.4烧失量的测定
5.4.1仪器、设备
瓷埚:30mL。
5.4.2分析步骤
称取1~2g试样(精确至0.0002g),置于已于550士10℃灼烧至恒重的瓷中。于550士10℃灼烧1h。于干燥器中冷却至室温,称量(精确至0.0002g)。5.4.3分析结果的表述
以质量百分数表示的烧失量X:按式(3)计算:m-mlx100
式中:m1——灼烧残渣的质量,g;一试料的质量,g。
5.4.4允许差
取平行测定结果的算术平均值为测定结果,平行测定结果的绝对差值不大于0.2%。5.5细度的测定
5.5.1试剂和材料
5.5.1.1煤油(GB253);
5.5.1.295%乙醇(GB/T679)。
5.5.2仪器、设备
W.bzsoso.coDHG/T2571—94
5.5.2.1试验筛(GB6003):R40/3系列,Φ50mm×30mm/0.075mm5.5.2.2小楷毛笔。
5.5.3分析步骤
称取约5g切碎的试样(精确至0.01g),置于250mL烧杯中;加入100mL煤油,用平头玻璃棒搅拌,将所有块状物弄碎,但不能研磨,必要时可在水浴上微热。将油脂与磨料完全分散的混合液缓缓倒入已于105~110℃干燥至恒重的试验筛中,并用装在洗瓶中的煤油冲洗烧杯和玻璃棒。用毛笔轻轻刷洗筛余物并将筛壁上的颗粒刷入筛网内。然后,将毛笔冲洗干净,用少量乙醇冲洗筛余物和试验筛的内壁,于空气中放置至溶剂挥发后,将试验筛连同筛余物于105~110℃干燥至恒重。5.5.4分析结果的表述
以质量百分数表示的细度X按式(4)计算:X,=\=\×100
式中:m1—筛余物的质量,g;
m——试料的质量,g。
5.5.5允许差
取平行测定结果的算术平均值为测定结果,平行测定结果的绝对差值不大于1.0%。6检验规则
(4)
6.1本标准中规定的光泽度提高值、切削能力、硬固点、烧失量和细度五项指标为型式检验项目,光泽度提高值、切削能力、硬固点和烧失量四项指标为出厂检验项目,必须逐批检验。在正常生产情况下,三个月至少进行一次型式检验。6.2抛光膏应由生产厂的质量监督检验部门按本标准的规定进行检验。生产厂应保证所有出厂产品都符合本标准要求。每批出厂产品都应附有质量证明书。内容包括生产厂名、厂址、产品名称、类别、型号、净重、批号或生产日期、产品质量符合本标准的证明及标准编号。6.3使用单位有权按照本标准规定对所收到的抛光育进行验收。6.4每批产品不超过40t。
6.5按照GB/T6678第6.6条规定确定采样单元数,从选取的每箱(袋)中任取一条(听);采样时,从抛光膏的1/4处开,于断面处切取一整片。所采样品不得少于200g,将样品置于带柄蒸发皿中,加热熔融,搅匀,均分为两份。一份用于检验,另一份密封保存并粘贴标签,注明生产厂名、产品名称、类别、型号、批号、采样日期和采样者姓名。6.6检验结果如有一项指标不符合本标准要求时,应重新自两倍量的包装中采样核验,核验结果即使有一项指标不符合本标准要求时,则整批产品不能验收。6.7当供需双方对产品质量发生异议时,按《中华人民共和国产品质量法》的规定办理。6.8采用GB1250规定的修约值比较法判定检验结果是否符合标准。7标志、包装、运输、贮存
7.1抛光膏包装容器上应有牢固清晰的标志,内容包括生产厂名、厂址、产品名称、商标、类别、型号、净重、批号或生产日期及本标准编号。可以在产品名称后加括号注明按颜色划分的类别、型号。7.2抛光膏采用四种包装方式。
7.2.1抛光膏用马口铁听或聚氯乙烯塑料听包装,每听净重1kg,每20听用纸箱包装。7.2.2抛光膏用薄膜塑料袋作为内包装,用塑料桶集装,每两桶用塑料编织袋作为外包装。每袋净4
W.bzsoso.cOm各美标准行业资料免费下载HG/T2571—94
重40 kg。
7.2.3抛光膏用纸箱包装,每箱净重16、18或20kg。7.2.41类抛光膏可采用简装或散装。7.3抛光膏在运输过程中应有遮盖物,防止雨淋、受潮。7.4抛光膏应贮存于荫凉、通风、干燥处。附加说明:
本标准由中华人民共和国化学工业部技术监督司提出。本标准由化学工业部天津化工研究院归口。本标准由上海新华化工厂、化工部天津化工研究院、广州新塘化工厂、重庆抛光膏厂、北京怀柔抛光膏厂负责起草。
本标准主要起草人杨承荫、王琪、邱承彦、夏惠兰、陈世华、彭兴儒。5
小提示:此标准内容仅展示完整标准里的部分截取内容,若需要完整标准请到上方自行免费下载完整标准文档。
HG/T2571—94
1994-02-09发布
中华人民共和国化学工业部免费标准下载网bzxz
1994-07-01实施
W中华人民共和国化工行业标准
主题内容与适用范围
HG/T2571—94
本标准规定了抛光膏的技术要求、试验方法、检验规则及标志、包装、运输和贮存要求。本标准适用于由长石粉、石灰、氧化铬或其他磨料与油脂按适当比例混合而制得的抛光膏。该产品主要用于不锈钢、镍铬镀层、铁、铜、铝、金、银等金属及塑料、木器等的磨光和抛光。2引用标准
GB1250极限数值的表示方法和判定方法GB6003试验筛
GB/T6678化工产品采样总则
3产品分类
抛光膏分为六类:I、I、I、N、V、V。3.11类以长石粉为主要磨料,主要用于金属和非金属的粗抛光(原商品名:黄色抛光膏)。3.2I类以石灰为主要磨料,主要用于非金属和有色金属的抛光(原商品名:白色抛光)。3.3Ⅱ类以氧化铬为主要磨料,主要用于不锈钢和电镀器件的精抛光(原商品名:绿色抛光膏)。3.4V类以氧化铁红为主要磨料,主要用于金、银和聚酯家具的抛光(原商品名:红色抛光膏)。3.5V类以刚玉为主要磨料,主要用于不锈钢的精抛光和高碳钢的抛光(原商品名:黑色或钢、铜抛光膏)。
3.6V类以碳化硅和刚玉为主要磨料,主要用于不锈钢的抛光(原商品名:灰色或紫色抛光育)。技术要求
抛光育应符合下表要求。
光泽度提高值,光泽单位
切削能力,g
硬固点,℃
烧失量,%
细度(通过75um筛网),%
20.0~25.0
中华人民共和国化学工业部1994-02-09批准1
23.0~28.0
30.0~35.0
17.0~20.0
1994-07-01实施
W.bzsoso.coD项
光泽度提高值,光泽单位
切削能力,g
硬固点,℃
烧失量,%
细度(通过75um筛网),%
5试验方法
5.1光泽度提高值的测定
5.1.1仪器、设备
HG/T2571—94
28.0~30.023.0~29.022.0~24.030.0~35.031.0~33.030.0~35.0
20.022.03
5.1.1.1抛光试验机:单机转速1300r/min,压力0~1.6MPa;5.1.1.2H62黄铜样块:Φ64mm,5.1.1.3镜向光泽度仪:带有45°角金属光泽度测头。5.1.2分析步骤:
称取空白平绒抛布的质量(精确至0.001g),将空白平绒抛布装于抛盘上,启动抛盘,将试样从抛盘中心沿半径向边缘均匀涂抹;停机,取下抛布称其质量(精确至0.001g),抛布上试样的质量应符合下表规定,否则重新操作。类
I、I、V
试样涂抹量,g
0.40~0.50
0.20~0.25
0.08~0.12
将铜块用O#砂纸轻轻均勾打磨后,用镜头纸擦净,用镜向光泽度仪测量其固定三点的光泽度,其算术平均值应小于1.5光泽单位,然后称量铜块的质量(精确至0.001g);将其装于抛光试验机上,加0.4MPa压力,启动抛光机抛20s。停机后,取下铜块冷却;用镜头纸轻轻擦去油脂,测量其固定三点光泽度并称量(精确至0.001g)。每次抛磨后应将平绒抛布洗净、干燥。5.1.3分析结果的表述
光泽度提高值X按式(1)计算:X=GIG。
式中:G1—一抛光后标准样块固定三点光泽度的算术平均值,光泽单位;一抛光前标准样块固定三点光泽度的算术平均值,光泽单位。Go
5.1.4允许差
HG/T2571—94
取平行测定结果的算术平均值为测定结果,平行测定结果的绝对差值不大于2.0光泽单位。5.2切削能力的测定
5.2.1仪器、设备
同5.1.1条。
5.2.2分析步骤
同5.1.2条。
5.2.3分析结果的表述
切削能力X按式(2)计算:
X2=mo-ml
式中:m—抛光后标准样块的质量,g;mo——抛光前标准样块的质量,g。5.2.4允许差
取平行测定结果的算术平均值为测定结果,平行测定结果的绝对差值不大于0.002g。5.3硬固点的测定
5.3.1仪器、设备
5.3.1.1带柄蒸发血:30或50mL;5.3.1.2温度计:分度值为1℃。5.3.2分析步骤
称取约30~40g试样,置于带柄蒸发血中,加热至约80℃,熔融。从电炉上取下,冷却;用玻璃棒搅拌,使其逐渐固化,待其与蒸发皿内壁不再发生粘附时的温度,为其硬固点。5.3.3允许差
取平行测定结果的算术平均值为测定结果,平行测定结果的绝对差值不大于1℃。5.4烧失量的测定
5.4.1仪器、设备
瓷埚:30mL。
5.4.2分析步骤
称取1~2g试样(精确至0.0002g),置于已于550士10℃灼烧至恒重的瓷中。于550士10℃灼烧1h。于干燥器中冷却至室温,称量(精确至0.0002g)。5.4.3分析结果的表述
以质量百分数表示的烧失量X:按式(3)计算:m-mlx100
式中:m1——灼烧残渣的质量,g;一试料的质量,g。
5.4.4允许差
取平行测定结果的算术平均值为测定结果,平行测定结果的绝对差值不大于0.2%。5.5细度的测定
5.5.1试剂和材料
5.5.1.1煤油(GB253);
5.5.1.295%乙醇(GB/T679)。
5.5.2仪器、设备
W.bzsoso.coDHG/T2571—94
5.5.2.1试验筛(GB6003):R40/3系列,Φ50mm×30mm/0.075mm5.5.2.2小楷毛笔。
5.5.3分析步骤
称取约5g切碎的试样(精确至0.01g),置于250mL烧杯中;加入100mL煤油,用平头玻璃棒搅拌,将所有块状物弄碎,但不能研磨,必要时可在水浴上微热。将油脂与磨料完全分散的混合液缓缓倒入已于105~110℃干燥至恒重的试验筛中,并用装在洗瓶中的煤油冲洗烧杯和玻璃棒。用毛笔轻轻刷洗筛余物并将筛壁上的颗粒刷入筛网内。然后,将毛笔冲洗干净,用少量乙醇冲洗筛余物和试验筛的内壁,于空气中放置至溶剂挥发后,将试验筛连同筛余物于105~110℃干燥至恒重。5.5.4分析结果的表述
以质量百分数表示的细度X按式(4)计算:X,=\=\×100
式中:m1—筛余物的质量,g;
m——试料的质量,g。
5.5.5允许差
取平行测定结果的算术平均值为测定结果,平行测定结果的绝对差值不大于1.0%。6检验规则
(4)
6.1本标准中规定的光泽度提高值、切削能力、硬固点、烧失量和细度五项指标为型式检验项目,光泽度提高值、切削能力、硬固点和烧失量四项指标为出厂检验项目,必须逐批检验。在正常生产情况下,三个月至少进行一次型式检验。6.2抛光膏应由生产厂的质量监督检验部门按本标准的规定进行检验。生产厂应保证所有出厂产品都符合本标准要求。每批出厂产品都应附有质量证明书。内容包括生产厂名、厂址、产品名称、类别、型号、净重、批号或生产日期、产品质量符合本标准的证明及标准编号。6.3使用单位有权按照本标准规定对所收到的抛光育进行验收。6.4每批产品不超过40t。
6.5按照GB/T6678第6.6条规定确定采样单元数,从选取的每箱(袋)中任取一条(听);采样时,从抛光膏的1/4处开,于断面处切取一整片。所采样品不得少于200g,将样品置于带柄蒸发皿中,加热熔融,搅匀,均分为两份。一份用于检验,另一份密封保存并粘贴标签,注明生产厂名、产品名称、类别、型号、批号、采样日期和采样者姓名。6.6检验结果如有一项指标不符合本标准要求时,应重新自两倍量的包装中采样核验,核验结果即使有一项指标不符合本标准要求时,则整批产品不能验收。6.7当供需双方对产品质量发生异议时,按《中华人民共和国产品质量法》的规定办理。6.8采用GB1250规定的修约值比较法判定检验结果是否符合标准。7标志、包装、运输、贮存
7.1抛光膏包装容器上应有牢固清晰的标志,内容包括生产厂名、厂址、产品名称、商标、类别、型号、净重、批号或生产日期及本标准编号。可以在产品名称后加括号注明按颜色划分的类别、型号。7.2抛光膏采用四种包装方式。
7.2.1抛光膏用马口铁听或聚氯乙烯塑料听包装,每听净重1kg,每20听用纸箱包装。7.2.2抛光膏用薄膜塑料袋作为内包装,用塑料桶集装,每两桶用塑料编织袋作为外包装。每袋净4
W.bzsoso.cOm各美标准行业资料免费下载HG/T2571—94
重40 kg。
7.2.3抛光膏用纸箱包装,每箱净重16、18或20kg。7.2.41类抛光膏可采用简装或散装。7.3抛光膏在运输过程中应有遮盖物,防止雨淋、受潮。7.4抛光膏应贮存于荫凉、通风、干燥处。附加说明:
本标准由中华人民共和国化学工业部技术监督司提出。本标准由化学工业部天津化工研究院归口。本标准由上海新华化工厂、化工部天津化工研究院、广州新塘化工厂、重庆抛光膏厂、北京怀柔抛光膏厂负责起草。
本标准主要起草人杨承荫、王琪、邱承彦、夏惠兰、陈世华、彭兴儒。5
小提示:此标准内容仅展示完整标准里的部分截取内容,若需要完整标准请到上方自行免费下载完整标准文档。

标准图片预览:





- 其它标准
- 上一篇: HG/T 2570-1994 工业硫酸铬钾
- 下一篇: HG/T 2572-1994 工业活性氧化锌
- 热门标准
- 化工行业标准(HG)
- HG/T20615-2009 钢制管法兰(Class系列)
- HG/T20592-2009 钢制管法兰(PN系列)
- HG/T2028-2009 代替 HG/T 2028-1991 工业用二甲基甲酰胺
- HG/T3533-2003 工业循环冷却水污垢和腐蚀产物中灼烧失重测定方法
- HG/T5087-2016 2,6-二叔丁基苯酚
- HG/T4010-2008 化学试剂 百里香酚蓝
- HG/T2765.6-2005 B 型硅胶
- HG/T3525-2003 工业循环冷却水中铝离子的测定邻苯二酚紫分光光度法
- HG/T3139.4-2001 釜用立式减速机 LPJ 系列圆柱齿轮减速机
- HG/T3536-2003 工业循环冷却水污垢和腐蚀产物中二氧化碳含量的测定方法
- HG/T2301-1992 压缩空气用织物增强热塑性塑料软管
- HG/T3793-2019 代替 HG/T 3793-2005 热熔型氟树脂(PVDF)涂料
- HG/T3858-2006 稀释剂、防潮剂水分测定法
- HG/T4004-2008 医用感绿X射线胶片
- HG/T3538-2003 水处理剂 乙二胺四亚甲基膦酸钠(EDTMPS)
- 行业新闻
请牢记:“bzxz.net”即是“标准下载”四个汉字汉语拼音首字母与国际顶级域名“.net”的组合。 ©2009 标准下载网 www.bzxz.net 本站邮件:bzxznet@163.com
网站备案号:湘ICP备2023016450号-1
网站备案号:湘ICP备2023016450号-1