- 您的位置:
- 标准下载网 >>
- 标准分类 >>
- 化工行业标准(HG) >>
- HG/T 2013-2001 胶辊 第三部分:织物预缩橡胶毯
标准号:
HG/T 2013-2001
标准名称:
胶辊 第三部分:织物预缩橡胶毯
标准类别:
化工行业标准(HG)
英文名称:
Rubber Rollers Part 3: Fabric Pre-Shrunk Rubber Blankets标准状态:
现行-
发布日期:
2002-01-24 -
实施日期:
2002-07-01 出版语种:
简体中文下载格式:
.rar.pdf下载大小:
122.06 KB
替代情况:
HG/T 2013-1991
部分标准内容:
备案号:10137—2002
HG/T 2013—2001
本标准是依据国内生产实测数据及使用要求,对推荐性化工行业标准HG/T2013—1991《织物预缩橡胶毯》进行修订而成的。
本标准与HG/T2013—1991的主要技术差异:-提高了产品的回弹性指标。
增加了届挠龟裂要求。
取消了产品分级。
本标准的附录A为提示的附录。
本标准自实施之日起,同时代替HG/T2013—1991。本标准由原国家石油和化学工业局政策法规司提出。本标准由全国橡胶与橡胶制品标准化技术委员会橡胶杂品分会提出并归口。本标准负责起草单位:北京市橡胶制品设计研究院。本标准参加起草单位:北京市橡塑制品厂、总后三五三一一工厂、无锡市第六橡胶厂。本标准主要起草人:宋宝清、孟琪、史春喜、朱晓峰。本标准首次发布日期为1991年6月27日。220
中华人民共和国化工行业标准
第三部分:织物预缩橡胶毯
Rubber roller-
Part 3 :rubber blanket for preshrinking fabricHG/T2013—2001
代替HG/T2013—1991
本标准规定了织物预缩橡胶毯(以下简称预缩毯)的产品分类、要求、试验方法、检验规则及包装、标志、贮存、运输等。
本标准适用于纺织印染等行业织物预缩处理使用的预缩毯。2引用标准
下列标准所包含的条文,通过在本标准中引用而构成为本标准的条文。本标准出版时,所有版本均:为有效。所有标准都会被修订,使用本标准的各方应探讨使用下列标准最新版本的可能性。GB/T528-1998硫化橡胶和热塑性橡胶拉伸应力应变性能的测定(eqvISO37:1994)GB/T531-1999橡胶袖珍硬度计压人硬度试验方法(idtISO7619:1986)GB/T1681—1991硫化橡胶回弹性的测定GB/T2941-1991橡胶试样环境调节和试验的标准温度、湿度及时间(eqvISO471:1983)GB/T3512--1983(1989)橡胶热空气老化试验方法(negISO188:1976)GB/T13934-1992硫化橡胶屈挠龟裂的测定3产品分类
3.1产品分类
预缩毯按厚度分为以下两类:
A类普通预缩毯,厚度为25~~40mm;B类增厚预缩毯,厚度为≥40~70mm。3.2产品标记
3.2.1标记方法
产品应按下列顺序标记:类型、硬度、厚度。3.2.2标记示例
硬度为40度、厚度为25mm的普通预缩毯标记为:A-40-25.mm。4要求
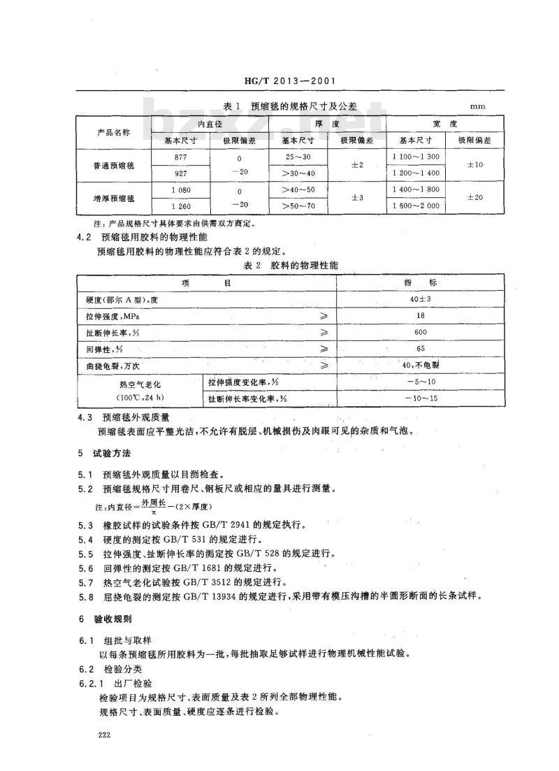
4.1预缩毯的规格尺寸及公差
预缩毯的规格尺寸及公差按表1规定。国家经济贸易委员会2002-01-24批准2002-07-01实施
产品名称
普通预缩毯
增厚预缩毯
HG/T 2013-2001
表1预缩毯的规格尺寸及公差
内直径
基本尺寸
极限偏差
注:产品规格尺寸具体要求由供需双方商定。4.2预缩毯用胶料的物理性能
基本尺寸
25~30
>30~40
>40~50
>50~70
预缩毯用胶料的物理性能应符合表2的规定。表2胶料的物理性能
硬度(邵尔A型),度
拉伸强度,MPa
扯断伸长率,%
回弹性,%
曲挠龟裂,万次
热空气老化
(100℃,24h))
4.3预缩毯外观质量
拉伸强度变化率,%
扯断伸长率变化率,%
极限偏差
基本尺寸
1 100~1 300
1 200~1 400
1400~1800
1 600 ~~2 000
40,不龟裂
-5~10
10~15
预缩毯表面应平整光洁,不允许有脱层、机械损伤及肉眼可见的杂质和气泡。5试验方法
5.1预缩毯外观质量以目测检查。5.2预缩毯规格尺寸用卷尺、钢板尺或相应的量具进行测量。注:内直径外周长-(2×厚度)
橡胶试样的试验条件按GB/T2941的规定执行。5.3
硬度的测定按GB/T531的规定进行。5.4
拉伸强度、扯断伸长率的测定按GB/T528的规定进行。5.5
回弹性的测定按 GB/T 1681的规定进行。热空气老化试验按GB/T3512的规定进行。度
极限偏差
屈挠龟裂的测定按GB/T13934的规定进行,采用带有模压沟槽的半圆形断面的长条试样。验收规则
组批与取样
以每条预缩毯所用胶料为一批,每批抽取足够试样进行物理机械性能试验。6.2检验分类
6.2.1出厂检验
检验项目为规格尺寸、表面质量及表2所列全部物理性能。规格尺寸、表面质量、硬度应逐条进行检验。222
HG/T 2013—2001
预缩毯用胶料的物理性能按批进行检验。6.2.2型式检验
6.2.2.1预缩毯应在下列情况之一时进行型式检验。新产品的试制定型鉴定。
生产的结构、设计、工艺、材料、生产设备、管理等方面有重大改变。b.
转产、转厂、长期停产(超过6个月)后复产。d.
合同规定。
出厂检验结果与上次型式试验有较大差异。e.
仲裁检验或国家质量监督检验机构提出进行该项试验的要求。f.
6.2.2.2检验项目为本标准第4章所列全部要求。6.3判定规则
规格尺寸、表面质量、硬度如有一项不合格,则该条预缩毯为不合格品。其他性能如有一项不符合要求,则应另取双倍试样进行该项复试。复试结果如仍不符合要求,则该批产品为不合格品。
7包装、标志、贮存、运输
7.1每条预缩毯用不透光的纸或塑料薄膜包装。如用其他包装材料需由供需双方商定。7.2每一包装应有产品合格证,内容包括产品名称、产品标记、商标、制造厂名、厂址、生产日期及执行标准号等。
7.3包好的每条预缩毯用木箱或铁箱包装并应注明下列标志:发往单位、制造单位、产品名称、产品规格、制造日期。本埠运输时,可根据具体情况决定。7.4运往一10℃以下严寒地区的预缩毯必须采取适当的保温措施。7.5预缩毯应贮存在室温为0~40℃、相对湿度为50%~80%的库房中。7.6预缩毯在运输和贮存中,应避免阳光直射、雨雪漫淋;禁止与酸、碱、油类等影响橡胶质量的物质接触。应远离热源3m以外。
7.7预缩毯贮存时,应由包装箱中取出,直立码放。7.8在满足上述条件下,产品自制造之日起九个月内其性能应符合本标准要求。7.9预缩毯的使用与保养按附录A规定。223
HG/T2013--2001
附录A
(提示的附录)www.bzxz.net
织物预缩橡胶毯使用与保养
A1预缩毯安装后,在使用前需开空车预热5min。加热辊蒸汽表压不宜过高,一般0.25~~0.40MPa为宜。A2
A3预缩毯使用中表面产生轻微裂纹时,应立即磨光后再使用。修整后必须注意规格精确,避免受压不匀。
A4在使用过程中,不宜将预缩毯受压过大,使用完毕后,应减压放松并冷却至室温,承压辊离开预缩毯。
A5预缩毯使用时,必须有内外喷淋冷却装置,使预缩毯内、外表面温度控制在使用范围内,以延长其使用寿命。
A6每次开车运转时,应逐渐均匀加压;机械停止不运转时,预缩毯不得承受机械压力及张力。224
小提示:此标准内容仅展示完整标准里的部分截取内容,若需要完整标准请到上方自行免费下载完整标准文档。
HG/T 2013—2001
本标准是依据国内生产实测数据及使用要求,对推荐性化工行业标准HG/T2013—1991《织物预缩橡胶毯》进行修订而成的。
本标准与HG/T2013—1991的主要技术差异:-提高了产品的回弹性指标。
增加了届挠龟裂要求。
取消了产品分级。
本标准的附录A为提示的附录。
本标准自实施之日起,同时代替HG/T2013—1991。本标准由原国家石油和化学工业局政策法规司提出。本标准由全国橡胶与橡胶制品标准化技术委员会橡胶杂品分会提出并归口。本标准负责起草单位:北京市橡胶制品设计研究院。本标准参加起草单位:北京市橡塑制品厂、总后三五三一一工厂、无锡市第六橡胶厂。本标准主要起草人:宋宝清、孟琪、史春喜、朱晓峰。本标准首次发布日期为1991年6月27日。220
中华人民共和国化工行业标准
第三部分:织物预缩橡胶毯
Rubber roller-
Part 3 :rubber blanket for preshrinking fabricHG/T2013—2001
代替HG/T2013—1991
本标准规定了织物预缩橡胶毯(以下简称预缩毯)的产品分类、要求、试验方法、检验规则及包装、标志、贮存、运输等。
本标准适用于纺织印染等行业织物预缩处理使用的预缩毯。2引用标准
下列标准所包含的条文,通过在本标准中引用而构成为本标准的条文。本标准出版时,所有版本均:为有效。所有标准都会被修订,使用本标准的各方应探讨使用下列标准最新版本的可能性。GB/T528-1998硫化橡胶和热塑性橡胶拉伸应力应变性能的测定(eqvISO37:1994)GB/T531-1999橡胶袖珍硬度计压人硬度试验方法(idtISO7619:1986)GB/T1681—1991硫化橡胶回弹性的测定GB/T2941-1991橡胶试样环境调节和试验的标准温度、湿度及时间(eqvISO471:1983)GB/T3512--1983(1989)橡胶热空气老化试验方法(negISO188:1976)GB/T13934-1992硫化橡胶屈挠龟裂的测定3产品分类
3.1产品分类
预缩毯按厚度分为以下两类:
A类普通预缩毯,厚度为25~~40mm;B类增厚预缩毯,厚度为≥40~70mm。3.2产品标记
3.2.1标记方法
产品应按下列顺序标记:类型、硬度、厚度。3.2.2标记示例
硬度为40度、厚度为25mm的普通预缩毯标记为:A-40-25.mm。4要求
4.1预缩毯的规格尺寸及公差
预缩毯的规格尺寸及公差按表1规定。国家经济贸易委员会2002-01-24批准2002-07-01实施
产品名称
普通预缩毯
增厚预缩毯
HG/T 2013-2001
表1预缩毯的规格尺寸及公差
内直径
基本尺寸
极限偏差
注:产品规格尺寸具体要求由供需双方商定。4.2预缩毯用胶料的物理性能
基本尺寸
25~30
>30~40
>40~50
>50~70
预缩毯用胶料的物理性能应符合表2的规定。表2胶料的物理性能
硬度(邵尔A型),度
拉伸强度,MPa
扯断伸长率,%
回弹性,%
曲挠龟裂,万次
热空气老化
(100℃,24h))
4.3预缩毯外观质量
拉伸强度变化率,%
扯断伸长率变化率,%
极限偏差
基本尺寸
1 100~1 300
1 200~1 400
1400~1800
1 600 ~~2 000
40,不龟裂
-5~10
10~15
预缩毯表面应平整光洁,不允许有脱层、机械损伤及肉眼可见的杂质和气泡。5试验方法
5.1预缩毯外观质量以目测检查。5.2预缩毯规格尺寸用卷尺、钢板尺或相应的量具进行测量。注:内直径外周长-(2×厚度)
橡胶试样的试验条件按GB/T2941的规定执行。5.3
硬度的测定按GB/T531的规定进行。5.4
拉伸强度、扯断伸长率的测定按GB/T528的规定进行。5.5
回弹性的测定按 GB/T 1681的规定进行。热空气老化试验按GB/T3512的规定进行。度
极限偏差
屈挠龟裂的测定按GB/T13934的规定进行,采用带有模压沟槽的半圆形断面的长条试样。验收规则
组批与取样
以每条预缩毯所用胶料为一批,每批抽取足够试样进行物理机械性能试验。6.2检验分类
6.2.1出厂检验
检验项目为规格尺寸、表面质量及表2所列全部物理性能。规格尺寸、表面质量、硬度应逐条进行检验。222
HG/T 2013—2001
预缩毯用胶料的物理性能按批进行检验。6.2.2型式检验
6.2.2.1预缩毯应在下列情况之一时进行型式检验。新产品的试制定型鉴定。
生产的结构、设计、工艺、材料、生产设备、管理等方面有重大改变。b.
转产、转厂、长期停产(超过6个月)后复产。d.
合同规定。
出厂检验结果与上次型式试验有较大差异。e.
仲裁检验或国家质量监督检验机构提出进行该项试验的要求。f.
6.2.2.2检验项目为本标准第4章所列全部要求。6.3判定规则
规格尺寸、表面质量、硬度如有一项不合格,则该条预缩毯为不合格品。其他性能如有一项不符合要求,则应另取双倍试样进行该项复试。复试结果如仍不符合要求,则该批产品为不合格品。
7包装、标志、贮存、运输
7.1每条预缩毯用不透光的纸或塑料薄膜包装。如用其他包装材料需由供需双方商定。7.2每一包装应有产品合格证,内容包括产品名称、产品标记、商标、制造厂名、厂址、生产日期及执行标准号等。
7.3包好的每条预缩毯用木箱或铁箱包装并应注明下列标志:发往单位、制造单位、产品名称、产品规格、制造日期。本埠运输时,可根据具体情况决定。7.4运往一10℃以下严寒地区的预缩毯必须采取适当的保温措施。7.5预缩毯应贮存在室温为0~40℃、相对湿度为50%~80%的库房中。7.6预缩毯在运输和贮存中,应避免阳光直射、雨雪漫淋;禁止与酸、碱、油类等影响橡胶质量的物质接触。应远离热源3m以外。
7.7预缩毯贮存时,应由包装箱中取出,直立码放。7.8在满足上述条件下,产品自制造之日起九个月内其性能应符合本标准要求。7.9预缩毯的使用与保养按附录A规定。223
HG/T2013--2001
附录A
(提示的附录)www.bzxz.net
织物预缩橡胶毯使用与保养
A1预缩毯安装后,在使用前需开空车预热5min。加热辊蒸汽表压不宜过高,一般0.25~~0.40MPa为宜。A2
A3预缩毯使用中表面产生轻微裂纹时,应立即磨光后再使用。修整后必须注意规格精确,避免受压不匀。
A4在使用过程中,不宜将预缩毯受压过大,使用完毕后,应减压放松并冷却至室温,承压辊离开预缩毯。
A5预缩毯使用时,必须有内外喷淋冷却装置,使预缩毯内、外表面温度控制在使用范围内,以延长其使用寿命。
A6每次开车运转时,应逐渐均匀加压;机械停止不运转时,预缩毯不得承受机械压力及张力。224
小提示:此标准内容仅展示完整标准里的部分截取内容,若需要完整标准请到上方自行免费下载完整标准文档。
标准图片预览:





- 其它标准
- 热门标准
- 化工行业标准(HG)
- HG/T2027-2017 代替 HG/T 2027-1991 工业用氯化苄
- HG/T5402-2018 丙烯聚合催化剂活性试验方法丙烯(本体)聚合法
- HG/T21559.1-2013 代替 HG/T 21559.1-1995 不锈钢网孔板波纹填料工程技术规范
- HG/T4995-2016 胶鞋 运动鞋附件 鞋眼
- HG/T2145.3-2015 代替 HG/T 2145.3-2009 搪玻璃快开手孔
- HG/T4582-2013 高效液相色谱淋洗液 乙腈
- HG/T4533-2013 化妆品用硫酸钡
- HG/T4536-2013 化妆品用聚合氯化铝
- HG∕T5056-2016 GB 7544在天然橡胶胶乳避孕套质量管理中的使用指南
- HG/T5523-2019 胶鞋、运动鞋抓地性能试验方法
- HG/T5056-2016 GB 7544 在天然橡胶胶乳避孕套质量管理中的使用指南
- HG/T3047-2004 代替 HG/T 3047-1985 橡胶或塑料涂覆织物 透气性的测定
- HG/T3536-2003 工业循环冷却水污垢和腐蚀产物中二氧化碳含量的测定方法
- HG/T3418-2010 代替 HG/T 3418-2002 硫化还原深蓝 4RB(C.I. 还原蓝 43)
- HG/T2956.5-2001 硼镁矿石中氧化亚铁含量的测定重铬酸钾 容量法
- 行业新闻
请牢记:“bzxz.net”即是“标准下载”四个汉字汉语拼音首字母与国际顶级域名“.net”的组合。 ©2025 标准下载网 www.bzxz.net 本站邮件:bzxznet@163.com
网站备案号:湘ICP备2025141790号-2
网站备案号:湘ICP备2025141790号-2