- 您的位置:
- 标准下载网 >>
- 标准分类 >>
- 化工行业标准(HG) >>
- HG 3209-2002 耐酸陶瓷设备通用技术条件
标准号:
HG 3209-2002
标准名称:
耐酸陶瓷设备通用技术条件
标准类别:
化工行业标准(HG)
英文名称:
General technical requirements for acid-resistant ceramic equipment标准状态:
现行-
发布日期:
2002-09-28 -
实施日期:
2003-06-01 出版语种:
简体中文下载格式:
.rar.pdf下载大小:
152.82 KB
替代情况:
HG 3209-1986(原标准号ZB G94002-1986)采标情况:
JIS R1501-1991 MOD
点击下载
标准简介:
标准下载解压密码:www.bzxz.net
本标准规定了耐酸陶瓷设备的材质分类、技术要求、试验方法、检验规则、标志、包装和贮运。本标准适用于化学工业及其他工业用耐酸陶瓷设备及零部件。 HG 3209-2002 耐酸陶瓷设备通用技术条件 HG3209-2002
部分标准内容:
ICy 71 - 120 ;31. 060
备号:109382002
中华人民共和国化丁行业标准
HG 3209--2002
代替HG3209-1986
耐酸陶瓷设备通用技术条件
General technic specificationfnr acid resistant ceramic egaipmcm2002-0928发布
2003-06-01实施
中华人民共和国国家经济贸易委员会发布前言
木标准1.1和i.3.2的规定厚强刺收,其他规定厚推痒些本标准代替强制性化工行业标准H行32091886时践陶瓷设备通用技术条件:HG3209—202
本标准是德采用本业标准JISR一931化学业用时酸瓷的·通圳对H
3809193能订配成,
沐标准与HG32C9196的主要技术差异为:材质分类由三类燃收为四类,增划丁第1类所将照标准中的1、2.8类情收为2.3、4类:技术性能指标保持不变:
技术要求中书加了法“尺允许偏案。试险力法·中对外观缺陷、尺中偏差和服击音响做广补充定:一:举验规划的内穿做丁改和补充一标志、标签、包装法忙运学也说了补充完善。本杯准出原国家石油和化学业局政策法规司提出本标准巾全尽非金展化工设备标准化技术委员会门口本标推起草单,汇苏省宜兴非金同化工机城厂、天华化凯械及自歌化研究设计院、伴乡市化工填科(集团)公司.
本标准土要起草人:张龙顺、李洪发,陈呷。本标准198%年首次表布为化二专业标准2B4002—1986,1997年调整为强制性化.T行业标准、开重新编号为H(320—[586
1英围
耐酸陶瓷设备通用技术条件
IG32092002
本环准规定了耐酸网瓷设备的材质分类、技术要求、试方认检验规测,标志,包装和贮运。本标准适用了化学工业及其他工业用晚南党设各及零部件。2规范性引用文性
下列文件中的款通料本标准的引用血构或本标准的条款。凡是注月期的用文件,其随后所有的修变单(不包拆误的内穿>或修订版均不适用于本标准,热而,费融报抵本标准达成协议的各力研究是否使卫建些文你的基新版本。凡是不注期的用文件,其量新版木近币于本标准,H/T3210附酸附瓷材料性能试验方站3材分类
前酸陶丧材质按物现化学性能不间.分为1、2、3、西类,4技术丢求
4.1物理化学性能
而网瓷材质的理化学件能应符合表1的规定,衰1耐瞰陶瓷树质的分类及性能
化皮,%
抗弯忙变,Mra
型证急免性(.
的酸安·5
吸水牢.
。学成分范险所为等书政据,不件为监收依据识虚点变性试金民后·式样盘无其穿性器纹。4.2外质址
材所类期及性陆
1C~·15
耐跑陶瓷产品的外观形状必练规将,不允许有影响使用的变形,裂纹必访痕学缺陷。各类耐酸陶资产品具外观缺陷成符合柜业产品标准的有关规定,4.3酸士音响
用小铁锂轻轻故打时酸陶密产品时,应发白清晚的纲育,不元许有沙碰卢。(5)
HG32092002
4.4形状与尺于偏差
4.4.1耐酸降瓷产品长尽的充许偏差荐在相应产品析准中术作规定时.则应符合表多闪规定,表2
长度充许偏差
元许垫·
大许偏茎!
单位净客米
舞※产品弯曲变形见图1)的充许假差当在料虚产品标准中术作规定吋,则按式(1>计算at: - - (o. o1L 1. 0)
式中!
最大弯山变形注的允许偏差小数点以行保风-位数),单位为些米(m):长高要,单位为壶米(m拍)。
南 1管类产品
4.4.3极类产品含曲变形(以图2)为充许临差芳在相应产品标准中未作规定时.则按式(2)或式(8)引算:
*150m时,3C-.15+1.n)
肖150时,C-0.01211.5)
一-展人变典变形处的心许愉差(小效总以后保留一位数!.单位为患米()1
文质,单位为旁米mn。
图2板类产品
HG 32092002
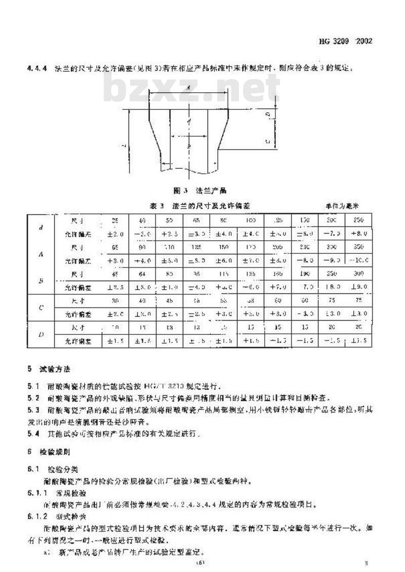
4.4.4法兰的尺寸及充许偏差(见图3)若在柜证产品标准中未作规定时,则应符会表3的规定:a免费标准下载网bzxz
法兰产品
光许隔者
允计静差
充圩询
5试验方法
法兰的尺寸及免许偏差
5.1耐酸瓷材质的偿能成验披H13213规实行.上a..
单位为毫来
-2.5 13. 5
时整有瓷产品的外观缺陷,形伏与尺寸偏养同精度相当的业且测监计算和日检查。5.2
5.3耐海产品的龄山音响式验须将耐酸密瓷产品局部拥空,用小铁锈轮轮融击产品各部位,听其发的响卢是绩脑卵音还是沙吓音。5.4共他试验心落相应产品标准的有关规定进行6检验规则
按验分类
耐酸陶整产品的检验分带见检验(儿厂检验)和型式验验叫种。6.1.1常现检验
陶瓷产品出」前必师做常规检险.4,2、4.3,4.4规定的内容为常规检验项日。6.1.2独式检临
而酸离案产品的型式检验项日为技术要求的全部内穿,通带情况下型式查险每*年进行一次。有下到情况之一时,-股应进行职式检验a:新产品或老产作转厂生产的试验完型鉴定。61
11G3209—2002
1)正式生产后,如站构、原料、工艺有较人改变可能影响产品性能时c)产品良期产后·恢复生产时。d)出」检临站果与上次望式检临有较人关异时.)目家质左技术监督机构摄出型式应验要求时。6.2组批与拍押
6.2.1维批
以相同1.艺条件生产的同一规格、一定数止(数且随产品大小和批量不同前异)的产品为..批、最小批量应符合相应产品标准的见定,不足-批时,市供需双方办商而定。6.2.2期
用随机抑择方出从组批产品中批取各控验项日所需的样本:非破坏性试验的试样,检验后可用作其他项日的检验。
6.3料定规现则
6.3.1耐酸驾产品验时的性本大小及合资别定效应符合应产品标准的规定。6.3.2耐酸陶究村原的理化性能检验项日全部合悼时,判核批产品合格:若有一项.小会格,则判该产品合格。
6.3.3形状与尺寸偏差,外观质量和题击音响不合格数不待合不合格划定数时,可接相应产品标准规定进行第二次抽样复检,复举合格,判该批产品合格,否则判该批产吊不合格。安.3.4凡内办规质量,最击音响和尺守像考拒收的严品,无许供方整件复检后,重新期批交村按临.7标志、标签
7.1根耐酸降瓷产品特点利包装方过划作相造应的标志和标签。7.2产品的标志标等需包括以下向率,产品名称、标准流号、商标:
1)生产企业名称、比圳地址。
心)产品规格型号变代号,拍号。d牛产非期。
+)检羟格印记
7.3产品包装标志需包拆以下内窄:8)收发货标志。
1)循运图示标志:
)勋碎品督示标惠。
B包装、贮遇
8.1包辈
且.1.1耐酸降瓷产品通常采用草绳、联绝等效压材料安善扎,使干装再运输.8.1.2有持深要求的产品可木筛包装或接洪需效协议规定要求执行:8.1.3包发产品需随供以下文件:a产品检验合格证。
L)产品使用说明书,
e>装粘单.
8.2烂运
8.2.1而酸产品的存端均应平整,尤商温热源,以避免局部受热血铜坏.8.2.2车寒冷示节弃额产品忙存要采取措吨,阴止内部积水冻裂,r
8.2.3容器产品只元许单旋,其他产品可适当橙固摊站。HG 32092002
8.2.4耐酸购瓷产品在装评运输过程中,应小心心轻敢,为呆取措随避免刷烈震决、摊滤而损坏。
小提示:此标准内容仅展示完整标准里的部分截取内容,若需要完整标准请到上方自行免费下载完整标准文档。
备号:109382002
中华人民共和国化丁行业标准
HG 3209--2002
代替HG3209-1986
耐酸陶瓷设备通用技术条件
General technic specificationfnr acid resistant ceramic egaipmcm2002-0928发布
2003-06-01实施
中华人民共和国国家经济贸易委员会发布前言
木标准1.1和i.3.2的规定厚强刺收,其他规定厚推痒些本标准代替强制性化工行业标准H行32091886时践陶瓷设备通用技术条件:HG3209—202
本标准是德采用本业标准JISR一931化学业用时酸瓷的·通圳对H
3809193能订配成,
沐标准与HG32C9196的主要技术差异为:材质分类由三类燃收为四类,增划丁第1类所将照标准中的1、2.8类情收为2.3、4类:技术性能指标保持不变:
技术要求中书加了法“尺允许偏案。试险力法·中对外观缺陷、尺中偏差和服击音响做广补充定:一:举验规划的内穿做丁改和补充一标志、标签、包装法忙运学也说了补充完善。本杯准出原国家石油和化学业局政策法规司提出本标准巾全尽非金展化工设备标准化技术委员会门口本标推起草单,汇苏省宜兴非金同化工机城厂、天华化凯械及自歌化研究设计院、伴乡市化工填科(集团)公司.
本标准土要起草人:张龙顺、李洪发,陈呷。本标准198%年首次表布为化二专业标准2B4002—1986,1997年调整为强制性化.T行业标准、开重新编号为H(320—[586
1英围
耐酸陶瓷设备通用技术条件
IG32092002
本环准规定了耐酸网瓷设备的材质分类、技术要求、试方认检验规测,标志,包装和贮运。本标准适用了化学工业及其他工业用晚南党设各及零部件。2规范性引用文性
下列文件中的款通料本标准的引用血构或本标准的条款。凡是注月期的用文件,其随后所有的修变单(不包拆误的内穿>或修订版均不适用于本标准,热而,费融报抵本标准达成协议的各力研究是否使卫建些文你的基新版本。凡是不注期的用文件,其量新版木近币于本标准,H/T3210附酸附瓷材料性能试验方站3材分类
前酸陶丧材质按物现化学性能不间.分为1、2、3、西类,4技术丢求
4.1物理化学性能
而网瓷材质的理化学件能应符合表1的规定,衰1耐瞰陶瓷树质的分类及性能
化皮,%
抗弯忙变,Mra
型证急免性(.
的酸安·5
吸水牢.
。学成分范险所为等书政据,不件为监收依据识虚点变性试金民后·式样盘无其穿性器纹。4.2外质址
材所类期及性陆
1C~·15
耐跑陶瓷产品的外观形状必练规将,不允许有影响使用的变形,裂纹必访痕学缺陷。各类耐酸陶资产品具外观缺陷成符合柜业产品标准的有关规定,4.3酸士音响
用小铁锂轻轻故打时酸陶密产品时,应发白清晚的纲育,不元许有沙碰卢。(5)
HG32092002
4.4形状与尺于偏差
4.4.1耐酸降瓷产品长尽的充许偏差荐在相应产品析准中术作规定时.则应符合表多闪规定,表2
长度充许偏差
元许垫·
大许偏茎!
单位净客米
舞※产品弯曲变形见图1)的充许假差当在料虚产品标准中术作规定吋,则按式(1>计算at: - - (o. o1L 1. 0)
式中!
最大弯山变形注的允许偏差小数点以行保风-位数),单位为些米(m):长高要,单位为壶米(m拍)。
南 1管类产品
4.4.3极类产品含曲变形(以图2)为充许临差芳在相应产品标准中未作规定时.则按式(2)或式(8)引算:
*150m时,3C-.15+1.n)
肖150时,C-0.01211.5)
一-展人变典变形处的心许愉差(小效总以后保留一位数!.单位为患米()1
文质,单位为旁米mn。
图2板类产品
HG 32092002
4.4.4法兰的尺寸及充许偏差(见图3)若在柜证产品标准中未作规定时,则应符会表3的规定:a免费标准下载网bzxz
法兰产品
光许隔者
允计静差
充圩询
5试验方法
法兰的尺寸及免许偏差
5.1耐酸瓷材质的偿能成验披H13213规实行.上a..
单位为毫来
-2.5 13. 5
时整有瓷产品的外观缺陷,形伏与尺寸偏养同精度相当的业且测监计算和日检查。5.2
5.3耐海产品的龄山音响式验须将耐酸密瓷产品局部拥空,用小铁锈轮轮融击产品各部位,听其发的响卢是绩脑卵音还是沙吓音。5.4共他试验心落相应产品标准的有关规定进行6检验规则
按验分类
耐酸陶整产品的检验分带见检验(儿厂检验)和型式验验叫种。6.1.1常现检验
陶瓷产品出」前必师做常规检险.4,2、4.3,4.4规定的内容为常规检验项日。6.1.2独式检临
而酸离案产品的型式检验项日为技术要求的全部内穿,通带情况下型式查险每*年进行一次。有下到情况之一时,-股应进行职式检验a:新产品或老产作转厂生产的试验完型鉴定。61
11G3209—2002
1)正式生产后,如站构、原料、工艺有较人改变可能影响产品性能时c)产品良期产后·恢复生产时。d)出」检临站果与上次望式检临有较人关异时.)目家质左技术监督机构摄出型式应验要求时。6.2组批与拍押
6.2.1维批
以相同1.艺条件生产的同一规格、一定数止(数且随产品大小和批量不同前异)的产品为..批、最小批量应符合相应产品标准的见定,不足-批时,市供需双方办商而定。6.2.2期
用随机抑择方出从组批产品中批取各控验项日所需的样本:非破坏性试验的试样,检验后可用作其他项日的检验。
6.3料定规现则
6.3.1耐酸驾产品验时的性本大小及合资别定效应符合应产品标准的规定。6.3.2耐酸陶究村原的理化性能检验项日全部合悼时,判核批产品合格:若有一项.小会格,则判该产品合格。
6.3.3形状与尺寸偏差,外观质量和题击音响不合格数不待合不合格划定数时,可接相应产品标准规定进行第二次抽样复检,复举合格,判该批产品合格,否则判该批产吊不合格。安.3.4凡内办规质量,最击音响和尺守像考拒收的严品,无许供方整件复检后,重新期批交村按临.7标志、标签
7.1根耐酸降瓷产品特点利包装方过划作相造应的标志和标签。7.2产品的标志标等需包括以下向率,产品名称、标准流号、商标:
1)生产企业名称、比圳地址。
心)产品规格型号变代号,拍号。d牛产非期。
+)检羟格印记
7.3产品包装标志需包拆以下内窄:8)收发货标志。
1)循运图示标志:
)勋碎品督示标惠。
B包装、贮遇
8.1包辈
且.1.1耐酸降瓷产品通常采用草绳、联绝等效压材料安善扎,使干装再运输.8.1.2有持深要求的产品可木筛包装或接洪需效协议规定要求执行:8.1.3包发产品需随供以下文件:a产品检验合格证。
L)产品使用说明书,
e>装粘单.
8.2烂运
8.2.1而酸产品的存端均应平整,尤商温热源,以避免局部受热血铜坏.8.2.2车寒冷示节弃额产品忙存要采取措吨,阴止内部积水冻裂,r
8.2.3容器产品只元许单旋,其他产品可适当橙固摊站。HG 32092002
8.2.4耐酸购瓷产品在装评运输过程中,应小心心轻敢,为呆取措随避免刷烈震决、摊滤而损坏。
小提示:此标准内容仅展示完整标准里的部分截取内容,若需要完整标准请到上方自行免费下载完整标准文档。
标准图片预览:





- 其它标准
- 热门标准
- 化工行业标准(HG)
- HG/T20518-2008 化工粉体工程设计通用规范
- HG/T3219-2009 代替 HG/T 3219-1999 搪玻璃平面阀
- HG∕T5056-2016 GB 7544在天然橡胶胶乳避孕套质量管理中的使用指南
- HG/T2956.5-2001 硼镁矿石中氧化亚铁含量的测定重铬酸钾 容量法
- HG/T2017-2011 代替 HG/T 2017-2000 普通运动鞋
- HG/T3276-2019 代替 HG/T 3276-2012 腐植酸铵肥料分析方法
- HG/T3449-1999 化学试剂 甲基红
- HG/T5036-2016 常温有机硫转化吸收催化剂催化性能试验方法
- HG/T2371-2003 代替 HG/T 2371-1992 搪玻璃开式搅拌容器
- HG/T3459-2003 化学试剂 顺丁烯二酸酐
- HG/T4221-2011 双组分室温硫化有机硅模具胶
- HG/T4323-2012 循环冷却水中军团菌的检测与计数
- HG/T3431-2010 代替 HG/T 3431-2001 酸性红 R(C. I. 酸性红 18)
- HG/T22805.1-2016 代替 HG 22805.1-1993 化工矿山企业施工图设计内容和深度的规范一地质●采矿专业
- HG/T4019-2008 化学试剂 间甲酚紫
- 行业新闻
请牢记:“bzxz.net”即是“标准下载”四个汉字汉语拼音首字母与国际顶级域名“.net”的组合。 ©2025 标准下载网 www.bzxz.net 本站邮件:bzxznet@163.com
网站备案号:湘ICP备2025141790号-2
网站备案号:湘ICP备2025141790号-2