- 您的位置:
- 标准下载网 >>
- 标准分类 >>
- 电力行业标准(DL) >>
- DL/T 575.8-1999 控制中心人机工程设计导则 第8部分:工作站的布局和尺寸
标准号:
DL/T 575.8-1999
标准名称:
控制中心人机工程设计导则 第8部分:工作站的布局和尺寸
标准类别:
电力行业标准(DL)
英文名称:
Ergonomic principles for the design of control centres Part 8 : Workstation layout and dimensions标准状态:
现行-
发布日期:
2000-02-24 -
实施日期:
2000-07-01 出版语种:
简体中文下载格式:
.rar.pdf下载大小:
875.60 KB
点击下载
标准简介:
标准下载解压密码:www.bzxz.net
本标准规定了控制室中监控工作站(下简称工作站)人机工程设计的一般原则。包括r作站的设日步骤、布局原则、尺寸,以及控制台的详细设计方法。本标准适用于各类控制室(或调度室)中的工作站,以及坐姿、立姿、坐立姿控制台的设计。 DL/T 575.8-1999 控制中心人机工程设计导则 第8部分:工作站的布局和尺寸 DL/T575.8-1999
本标准规定了控制室中监控工作站(下简称工作站)人机工程设计的一般原则。包括r作站的设日步骤、布局原则、尺寸,以及控制台的详细设计方法。
本标准适用于各类控制室(或调度室)中的工作站,以及坐姿、立姿、坐立姿控制台的设计。
部分标准内容:
DL/T 575. 8--.1999
本标准系参考国内外人机工程标准化研究成果(见附录C)中有关工作站设计的内容编制而成,其中与人体尺寸有关的数据均按GB/T10000-1988《中国成年人人体尺寸》确定。本系列标准DL/T575以《控制中心人机工程设计导则》为总标题,包括12个子标准:DL/T575.1控制中心人机工程设计导则第1部分:术语及定义;DL/T575.2控制中心人机工程设计导则DL/T575.3控制中心人机工程设计导则DL/T575.4控制中心人机工程设计导则DL/T575.5控制中心人机工程设计导则DI./T575.6控制中心人机工程设计导则DL/T575.7控制中心人机工程设计导则控制中心人机工程设计导则
DL/T 575.8
DL/T575.9控制中心人机工程设计导则第2部分:视野与视区划分;
第3部分:手可及范围与操作区划分;第4部分:受限空间尺寸
第5部分:控制中心设计原则;
第6部分:控制中心总体布局原则;第7部分:控制室的布局;
第8部分:工作站的布局和尺寸,第9部分:显示器、控制器及相互作用;DI./T575.10控制中心人机工程设计导则第10部分:环境要求原则;
第11部分:控制室的评价原则;DL/T575.11控制中心人机工程设计导则DL/T575.12控制中心人机工程设计导则第12部分:视觉显示终端(VDT)工作站。本标准的附录A、附录B、附录C均是提示的附录。本标准由原中华人民共和国电力工业部提出。本标准由国家电力公司电力自动化研究院归口。本标准主要起草单位:国家电力公司电力自动化研究院、南京航空航天大学、中国标准化与信息分类编码研究所。
本标准主要起草人:童时中、陈毅然、马长山、张锦华、滑东红、刘伟。1298
1范围
中华人民共和国电力行业标准
控制中心人机工程设计导则
第8部分:工作站的布局和尺寸
Ergonomic principles for the design of control centresPart 8: Workstation layout and dimensionsDL/T 575.8-- 1999
本标准规定了控制室中监控工作站(下简称工作站)人机工程设计的一般原则。包括工作站的设计步骤、布局原则、尺寸,以及控制台的详细设计方法。本标准适用于各类控制室(或调度室)中的工作站,以及坐姿、立姿、坐立姿控制台的设计。2引用标准
下列标准所包含的条文,通过在本标准中引用而构成为本标准的条文。本标准出版时,所示版本均为有效。所有标准都会被修订,使用本标准的各方应探讨使用下列标准最新版本的可能性。DI./T575.1-1999控制中心人机工程设计导则第1部分:术语及定义DL/T575.2--1999控制中心人机工程设计导则第2部分:视野与视区划分第3部分:手可及范围与操作区划分DL/T575.3—1999控制中心人机工程设计导则3DL/T 575.4-1999 #
控制中心人机工程设计导则第4部分:受限空间尺寸控制中心人机工程设计导则第5部分:控制中心设计原则DL/T 575. 5-1999 #
DI/T575.6一1999控制中心人机工程设计导则第6部分:控制中心总体布局原则DL/T 575.7--1999E
控制中心人机工程设计导则
第7部分:控制室的布局
DL/T 575.9—1999
3定义
控制中心人机工程设计导则第9部分:显示器、控制器及相互作用本标准采用的定义见DL/T575.11999。4确定工作站尺寸的因素
4.1一般方法
控制中心设计的一般方法,已在DL/T575.5中给出。在设计工作站时,应考虑人的能力、生理限度和心理需要,工作站的设计数据应符合使用者群体特性。工作站设计应以作业分析为基础,工作站设计的起始点是确定工作任务表和相应的作业区。每项作业及其结果和相应的作业区的要求是工作站详细设计的输人资料。另外,工作站的形状还受输人装置的特征、通信设备和显示器的使用方法和频次以及使用紧急性的影响。4.2工作站设计的步骤
工作站设计应按下述步骤:
a)列出控制中心所需工作站和每个工作站的作业区的清单,并包括概念设计阶段的全部要求。例中华人民共和国国家经济贸易委员会2000-02-24批准2000-07-01实施
DL/T 575.8--1999
如:使用者人数、视觉要求和与其他工作站的通信联络。b)列出工作站所需使用的工具(显示器、控制器)、通信设备和其他材料的清单,以及有关设备的详细说明,例如屏幕大小、输人装置的型号和形状等。起始点:
任舞积雙业
DLT 575.5
概念设计
(第三阶段)
+(幽)
操作站布局
控制中心作业区布局
DL/ T 575. 6
作业和作业区
BEA BTS
交互设计
DL卡 575. 9
图1设计阶段和DL/T575各部分之间关系c)确定预期的使用者群体(民族.男女,伤残者等)并确定所需的人体尺可数据。
d)确定工作姿势(坐、立)要求。)工作站布置设计,即作业区和设备的平面布置:
1)从一个中心操作者的位置开始:2)在布置中优先考虑视觉作业:f)设计工作站不同位置的渐面图,用操作者的位置分别观察主要显示器、次要显示器和其他工作空间。
g)评价工作站布局和尺寸的设计方案,建议邀请使用者参与审查设计方案和选择最佳方案。评价还应考设备的可维护性,例如,对视觉显示终端(VDT),布线/连接器和信息处理设备的可达性。4.3使用者群体
在控制中心内,至少应有一个固定的坐姿工作站。本条主要涉及包括个或多个视觉显示终端(VDT)、通信工具和用于管理及放置文件的空间在内的工作站。「作站的尺寸取决于使用者群体的人体尺寸和其他的相关数据(例如视野)。人体尺寸数据通常以百分位数形式给出。例,在工作面下的容膝空间应用第95百分位数,是指使用者群体的95的人有足够的放置腿的空间。可及距离尺寸宜取第5百分位数。选用人体尺寸应考虑使用者群体的类型,男子数据只适用于没有(或很少有)女子工作的控制中心在有女子工作者的情况下,则应考虑兼顾男子、女子的人体尺寸。注:通常给出的人体尺寸数据是体测量值。然而,某些测量值是着装(如衣、鞋等)测量值还有些不是正直姿势、而是人在自然状态下的测量值。因此,在使用人体尺寸数据前,应注意该数据的来源。4.4人体尺寸的一般使用原则
一般的人体尺寸要求如下:
a)使用本标准中的百分位数.应选用适宜的数据进行计算;b)工作站的尺寸应能适应90%~95%的使用者群体;c)如果设施是不可调节的,应以矮小身材人(例如第5百分位数)的人体尺寸,确定手功能可及范围,应以高大身材人(例如第95百分位数)的人体尺寸,确定容膝空间尺寸;d)如果设施是可调节的,其调节范围应在第5百分位数至95百分位数之间,其调节装置应易于使用;
e)当人体尺寸数据是裸体测量值时,可使用如下修正量:1)着衣修正量:坐姿时的坐高、眼高、肩高、肘高加6mm,胸厚加10mm,臀膝距加20mm;2)穿鞋修正量:身高、眼高、肩高、肘高加25mm;3)姿势(自然放松)修正量:立姿时的身高、眼高等减10mm;坐姿时的坐高、眼高减44mm4.5I作姿势及相关要素
4.5.1坐姿工作站涉及的主要人体尺寸a)坐姿肘高(上臂处于垂直位置);b)坐姿眼高;
c)坐姿大腿厚;
d)小腿加足高(高);
e)坐姿臀膝距。
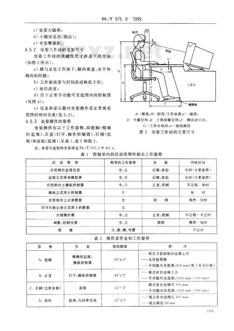
4.5.2、坐姿工作站的主要尺寸
DL/T 575. 8.-.. 999
坐姿工作站的关键性尺寸涉及下列方面(如图2所示):
a)膝与足在工作面下,腿的垂直、水平和侧向的间隙;
b)工作面高度与肘同高或略低于肘;c)座位高度;
d)位于正常手功能可及范围内的控制器(见图4);
e)仪表和显示器对坐姿操作者正常视觉范围的相对关系(见5.2)。
4.5.3坐姿操作的姿势
坐姿操作有以下工作姿势,即前倾(精确的监视),正直(打字、操作控制器)、后倾(监视)和放松(监视),见表1、表2和图3。注:坐姿与监控的关系详见DL/T575.2中A2.4。100
厂作台
一搁脚板
A—眼高;B—肘高/工作面高;C--胸高;L)、大腿空间;E·上部容膝空间:F·脚活动空间;G—工作台面厚1α—视线倾角
图2坐姿工作站的主要尺寸
表1控制室内的活动类型和相关工作姿势活动类型
在控制台监视仪表
监视立式屏和模拟屏
在控制台上操纵控制器
操纵立式屏上控制器
在控制台上记录数据
用书写板记录立式屏上的数据
办理操作票
调整、控制仪器Www.bzxZ.net
C.后倾(主要坐姿)
精确的监视,
操纵控制器
典型的工作姿势
坐、立
坐、立
坐、立
坐、立
坐、立
立、跪、、弯腰
表2操作者作业和工作姿势
视线倾角
后倾,放松
后倾,放松
正直、前倾
正真、前倾
持续时间
长时(主要姿势)
长时(主要姿势)
不定期…短时
不定期一-不定时
偶然-短时
不定时
肩关节在控制台边缘上方
20°±5°
打字,操纵控制器
监视、与同事交谈
30°±5°
15°-:5°
15°±5°
允许短周期
手功能可及范围:610mm(第5百分位数)视点在台边缘上方
手功能可及范围:(610mm100mm)视点在台边缘后150mm
手功能可及范围:(610mm200mm)视点在台边缘后300mm
视点降低30mm
手功能可及范围
(第5百分)
DL/T 575.8---1999
限粒X
一肩关节中心
图3作业姿势、视线和手功能可及范围4.5.4工作面高度
适宜的工作面高度相当于肘高,它取决于坐高(即脚正好放在地板上或放在搁脚板上)。4.5.4.1高度可调节的工作面仅用于:a)如果使用者群体有很大的可变性(即男女合用;由来自不同国家或地区的使用者混合使用;或操作者频繁变换,例如每8h~10h轮班工作);b)如果工作面频繁地用于书写或打字(一个周期超过30min)。4.5.4.2高度固定的工作面应提供以下条件:a)对身材较高的使用者(第95百分位数)的腿有足够的容膝空间。b)为身材较矮的使用者(第5百分位数)提供一个合用的高度可调搁脚板:1)最小使用面:450mm×350mm(宽×深);2)正面的最小高度为50mm,高度可调范围应不小于110mm;3)最小倾角为5,倾角可调范围应不小于15°c)尽可能使较多的使用者能将其脚放在地面上(不受脚垫的限制),这一规定意味着桌面的厚度是很小的,应是40mm或更小(见图6)。d)有关操作者坐椅的详细要求,见DL/T575.12之第9章或附录C之[11]。坐椅的高度应是可调节的。
e)经常使用的控制器应置于,操作者正直坐姿的手功能可及范围内。在工程应用中,通常为距控制台前缘500mm的范围内(见图4),需要快速和频繁操作的控制器应布置在这个区域内。f)不应将控制器设置在第5百分位数肩高以上的位置。309
府关节中心
良好(水平)视区:土)
效(平)貌区:圭30。(或±35°)手功能可及范围
图4坐姿操作者手功能可及范围和主要视区g)输人装置(键盘、其他输入装置、电话)最好能在显示器前的工作面上自由地移动。1302
4.6视觉作业
4.6.1眼高
DL/T 575.8 - 1999
视觉信息显示是监控工作站的主要功能。工作台的设计中,应考虑使用后倾坐姿的眼高,这是监视作业的主要工作姿势。在工程应用中,通常使用“平均眼高”。4.6.2视距
标记等的准确辨认,取决于标记的清晰度(字体和大小等)以及视角和视距。a)对主要显示器(VDT)和其他显示器的视距应大于500mm,因为使用者(尤其是老年使用者)的眼睛光法适应较小的视距。
b)对于已选用的显示器需了解最大允许视距。对于VDT,学符最小高度的视角为15',合理的范阔为 18°~~20°。
c)对VDT的最大视距,可用公式快速计算:1)对于高质量(例如21\显视器≥1280×1024像素)视觉显示终端,最大视距=250×字符高:般显示器按:200×字符高度。
2)字符高度由屏幕上所使用的字母和数字的最小字体的高度来确定的。4.6.3视觉范围
处于后倾坐姿执行监视作业时,视线在水平线下约15°处(后倾坐姿的自然视线,见图A4)。主要T作区(视觉作业)不需移动头部就能看到。这个视觉范用位于:垂直面内后倾坐姿自然视线的士15°(即在水平线与水平线下30°之间,为良好视区)范围内;水平面内是正前方视线的士15°(良好视区),监视闪光信号灯可用土30有效视区)。
4.6.4显示器的布置
a)频繁使用的显示器(例如操作员使用的显示屏)应布置在最佳视野范围内(垂直和水平方向正常视线的士15°)。
b)次要显示器应布置于有效视区(见DL/T575.2)内(必要时可辅以头部转动)。通常,在水平面内,布置于正前方视线土80°的范围内。在此160°范围内,当操作者向前看时,能够发觉亮度的突然变化、或者看到某物的移动。在垂直面内,工程中可用水平视线士45°的范围。工作站后的共享显示屏(如立式屏)上的信息应是可见的。显示器布置的上限取决于矮小操作者(第5百分位)的视线,当其在与显示器最接近的位置时,显示器的位置不超出水平视线以上45°的范围。5工作站的尺寸
5.1概述
工作站布局设计应以操作者为中心展开。5.1.1优先安排监控作业:
a)布置主要的VDT(视觉显尔终端);b)布置重要的控制器(键盘、输人装置);c)布置其他手动作业空间(如书写):d)布置控制器和显示器的维修点;e)布置其他仪器、装置,应考虑使用的优先顺序和频繁程度。5.1.2设计控制台不同位置、不同方向的几个截面图:a)观察主要显示器(面向主要控制器和显示器);b)观察次要显示器;
c)面向频繁使用的通信装置,和(或)面向偶然使用的通信装置等;d)在次要的工作位置中,如与同事商议问题或进行管理工作。5.1.3控制器和显示装置的选择,对工作站布局有一定影响。选择控制器和显示器的原则和要求,见DL/T575.9。应考虑下列方面:
a)对安装显示器的立式屏,需附加视觉要求(参阅DIL/T575.7,共享显示屏)。b)根据视觉作业的需要,确定工作站上VDT的数量(士要显示器、次要显示器)。通常,考到清晰1303
DL/T 575.8—1999
度,在一般识别空间中,一排最多配置3台VDT(21\显视器,眼动或头部微动):通过头和身体的转动,可监视4台5台VIDT。如果显视器多于3台,最好布置成两排(见5.3)。关了所需的显示器数量、应考虑最差的情况(例如非正常过程状态)。c)控制器:应考虑工作任务之间的差别,例如数据(文本、数值、编码)的输入和用点选器选定1)输人装置应耐用、易于更换,且具有柔性电缆。2)在工作站设计中,输人装置的尺寸是重要因素。例如,不使用大的键盘,因为许多键不用,或义本/数据的输人任务极少(每小时一次)。3)使用点选器,可以让使用者持续进行对显示屏的察看,4)对于频繁使用的控制器,建议采用鼠标器或台面跟踪球。这适含于使用者用左手操纵或石手操纵。屏幕联系装置,如触感显示器,不宜频繁使用,但可用它们作为非频繁使用的装置,例如每半小时种新图像的选择。
5)一位操作者使用的所有显示器,应安装一个共享的点选器(不需要每个显示器都装个点选器)。为保证使用的有效性需配备第二输人装置。5.2坐姿工作站
5.2.1控制室的作业,以坐姿为佳,还应考虑下列两点:a)工作站设计应有利于作业姿势的随意变动。b)为方便操作者,在有些监视作业中,操作者应能在控制台前站立。5.2.2显示器清晰度的范围可按下列要求近似地估出(见图5):个字符
近似三角形
识别面积
在最小视角(15')情况下,具有弧形屏面的通用显示器的识别空间尺寸
基准线
屏幕对角线
个单独字符号
全部符号共用屏幕Amax
37cm51cm
117cm/160cm
97cm/133cm
在清晰度范围内的区域称为识别空间,[即图(a)、图(b)中的阴影区一识别面积。当观察者的眼位处在识别空间范围内时,可获得清晰的字符。2图中的\max\表示最大,“min\表示最小,下同。图 5—个 VDT 的清晰度范围
(a)垂直识别面积,(b)水平识别面积(b)
符号v垂直范围;符号h-水平范围;G-识别面积底边,mm;屏幕高度,mm;B-屏幕宽度,mm;R一屏幕曲率半径,mm;Amx“垂直观察一个符号的最大视距,mm,A3438h符号高度,mm;Amx-\全部符号共用屏幕时的最人视距;0mis--视角,15;Amiu最小视距α5001mma)最小视距建议取500mm;
DL/T 575.8 --·-1999
b)在工程应用时,应考虑VDT采用平面显示屏;c)首先校验最大视距,可按下式计算:(200~250)×字符高度。例如4mm字符高度的最大视距为800 mm~1 000 mm。
5.2.3应对所有作业提供足够的空间,包括书写工作(如填写工作记录表、值班报告、生产过程文件编制等)。
5.2.4显视器应置于台面上,在实际应用中允许将显示屏设计成嵌入式,但应符合人机工程学原则。5.2.5工作站设计时应考:维修的接近要求、空间的利用率和电缆的合理布置。台上的VDT、输人装置和通信设备应易于接近以及维修和更换。对嵌入式装置应考虑:易于拆卸、装置周围留出一些空间。特别是安装在工作站的信息处理机和电子装置,应考虑其可达性。5.2.6应考虑工作站的安全性和稳定性(如工作面的突然损坏或过度受热的危险)。5.2.7工作站应能调整,以使操作者能保持一个良好的工作姿势。在工作台高度不能调整的情况下,特别要注意VDT垂直方向的位置。主要应考虑:a)眼位高;
b)视距;
c)视线、视野和识别空间。
5.2.82建议视距取750mm~1000mm21显示器,4 mm字符高)。
工作高度固定的VDT工作站的典型截面图,如图6所示。
5.3工作台的布置
5.3.1个显示器的布置
显示器应位于操作者的正前方。其屏幕应与较高(例如男子第95百分位数)和较矮(例如女子第5百分位数)操作者在后倾姿势坐姿限高
+40max
460min
(第50百分位数)
台面高!
650min
图6VDT工作站截面图
时的视线相垂直。较高操作者的视线应落在VDT的上部,当其处于正直坐姿时仍可处于良好的视觉条件,如图7所示。
5.3.2两个显示器的布置
如需同时使用两个显示器,必须弄清VDT的应用要求。两个VDT的布置有二种方式:布置于一排或土下布置。
5.3.2.1布置于排
主要的显示器应布置在操作者正前方;次要显示器(如通信显示器)通常布置在右手,如图8所示。图8两个显示器布置于排
个显视器的布置
注:倾斜大于30°,就可能产生眩光,1305
DL/T 575. 8.1999
注:不宜将两个显示器对称于操作者布置:操作者将面对两个显示器间的空间,需移动眼和头进行观察:使用CRT时操作者正前方视线的30范围是信号呈现的最大感知范围。5.3.2.2上下布置方案A[见图9(a)]用作输人装置的显示器宜放在下面。工作台的前缘到显示器的距离应允许操作者将肘部靠在台面上操作(典型尺寸:300)mm)。显示器屏面的倾斜度:与垂直面成25°~30°的仰角。5.3.2.3上下布置方案B[见图9(b)用于概略观察信息的显示器放在上面。下面的显示器的安置方式,与具有一个显示器的工作台相间(见5.3.1):上面显示器放置于下面显示器之上,其屏面可以是垂直的或对操作者有·个小的倾角(典型值0°10。
两种方案的VDI安装方式均可获得最大的通用的识别空间。5.3.3三个显示器的布置
如果作业要求使用三个显示器时,它们可以布置在一排上,主要显示器安置在操作者正前方,其他两个一左一右。如果布置成弧形,对于工作姿势不固定的操作者,其通用识别空间是足够大的,如图10所示。
5.3.4多于一个显示器的布置
考虑到识别空间,可将19\~21\的显示器分两排布置成2×3,这种布置方式适合于驾驶室的特性,但不适用于控制室。
较好的布置方式是三个显示器放在一排,另一个显示器放在上面--排(方案A:在前方;方案B;在右侧)。如果边上的显示器很少使用.也可将四个或五个监视器布置在排。(a)
(a)方案A;(b)方案B
图9两个显示器上下布置
(a)方案A:(h)方案B
图10二个监视器的布置
5.4工作站的其他类型作业区域
DL/T 575.8---1999
5.4.1在许多情况下,个工作台必须包含事务处理、文件编制和个人通信等作业区.即工作台面可用作书写、监视和休息时喝饮料等。
5.4.2某些工作站,可使用小型的个人计算机系统、VDT或CCTV(闭路电视)系统(典型的VDT尺寸为15\),应按视野要求确定小屏幕的位置。这种工作站的典型形状如图11所示。工作台的后部一般要比正常工作面高一些。
5.4.3控制中心如需进行出人管理,则宜在人口处附近设置单独的作业区。坐姿眼商
(第50百分位敷)
450min!
台面高!
小型VDT工作台
A1概述
A1.1控制室的功能及配置
DL/T 575.8--1999
附录A
(提示的附录)
控制台设计
控制室的基本功能是对生产过程进行监视和控制。控制室设有接受信息装置、控制装置和与系统中其他部分工作人员联系的通信设备。典型的控制室工作空间中包含:坐姿控制台;立式屏;屏幕显示器:必要的作业空间以及为维修和服务性作业留出的空间。在控制室中的主要工作任务有:监视装在控制台和屏上的显示器;操纵装在控制台和屏上的控制器;记录显示在控制台和屏上的数据;维修和其他为完成工作任务有关的辅助活动。在设计控制室以及控制台之前,对所有必要的作业应作出估计,并了以充分考虑。
注:本附录中控制台的设计原则系参考德国标准DIN33414-1(1985),为适用于我国实际.已将有关尺寸按GB/T10000--1988转换为相应的中国人人体尺寸。A1.2控制台的类型
图A1控制台基本结构型式
-——无前仪表板的控制台;
有低前仪表板的控制台·
---有中前仪表板的控制台;
-·-有分段式高前仪表板的控制台控制台的基本结构主要由三部分组成:台身;台面;台上结构。台身为基础支撑件,台面是主要工作面,台上结构则主要是前仪表板。A1.2.1按台上结构的特点,控制台可分为四类(见图A1):a)无前仪表板的控制台;
b)有低前仪表板的控制台;
)有中前仪表板的控制台;
d)有分段式高前仪表板的控制台。A1.2.2按台面结构的特点,控制台可分为三类(见图A3):a)薄型台面(控制台):台面不装显示、控制元件,台面上可放置键盘,如图A2(a)所示。
b)厚型台面(控制台):台面上可安装显示。控制元件,如图A2(b)所示。台面可以是水平的或向前倾斜的,台面内也可装设抽屉,c)前置附加台面:指附加在屏、柜类结构体上的台面,台面用以安装显示。控制元件,如图A2(c)所示。(c)
(a)薄型台面;(b)厚型台面,(c)前置附加台面图A2台面结构型式
A1.2.3按自动化程度,控制台可分为二类:a)全自动化(或半自动化)过程控制:控制室的运行人员的主要任务是监视,很少使用控制器;b)手动过程控制:控制室的运行人员需持续地进行监视和操作控制器。1308
A2控制台的人机工程设计原则
A2.1控制台人机工程设计的基本要求DL/T 575- 81999
控制台及相关设备(如屏幕显示器、屏等)的人机工程设计的基本要求如下:a)结构体的舒适度:控制台必须按人体尺寸进行设计,各个设计参数的大小必须在使用者群体中第5百分位数(Ps)至第95百分位数(Pgs)的人员可接受的范围内。b)显示信息的可见度:显示装置的设置位置,应考虑人的视觉儿何参数(视线、视野)、观察范围、视距、观察角和入射角等,保证人对显示信息的准确辩认。c)控制元件的可操作性:控制元件应设置在人的手功能可及范圈内。d)足够的工作空间:控制台本身及与相关设备的布局,以及工作空间及通道等的设计,应为人的活动留有足够的裕量。控制台的台面应留出放置文件或书写用的水平台面。A2.2控制台结构尺寸的构成
控制台的结构尺寸由三部分组成:a)与人体相关的尺寸;
b)与产品功能相关的尺寸;
c)与外观(造型)相关的尺寸
本标准是确定控制台的与人体相关的尺寸。A2.3人体尺寸百分位数及其运用原则在对人群进行人体尺寸测量时,各种身材的人的频数分布状态用百分位数表示。GB10000分别给出了男、女不同年龄段的第1、5、10、50、90、95、99百分位数的人体尺寸。在控制台设计中,主要使用男子18岁~60岁(女子18岁~~55岁)年龄组的第5百分位数(P,)和第95百分位数(Pg5),它能适应90%~95%的使用者群体。
A2.3.1身高等级
分析GB10000所规定的人体尺寸测量值,可以发现,高大身材女子与中等身材男子身高相近,而矮小身材男子与中等身材女子的身高相近,由此可将男女身高划分为四个等级,见表A1。四个身高等级模板及其身高尺寸表Al
身高等级
矮小女子
中等女子
矮小男子
高大女子
中等男子
高大男子
百分位数
女子P:
女子Pso
男子P,
女子Pes
男子Pso
男子P9s
5%的女子低于该百分位数身高
50%的女子低于或高于该百分位数身高5%的男子低于该百分位数身高
5%的女子高于该百分位数身高
50%的男子低于或高于该百分位数身高5%的男子高于该百分位数身高
模板的各身高尺寸,均在GB10000中的身高尺寸上增加25mm鞋跟高度1
2四个身高等级模板的各个部分尺寸,详见附录C之[14]。A2.3.2百分位数的运用原则
按人体尺寸确定相关实体结构与空间尺寸的原则:身
a)包容空间尺寸,按第95百分位数(Pa):包容空间是指以人为中心,包容人体(或其某部分)的空1309
小提示:此标准内容仅展示完整标准里的部分截取内容,若需要完整标准请到上方自行免费下载完整标准文档。
本标准系参考国内外人机工程标准化研究成果(见附录C)中有关工作站设计的内容编制而成,其中与人体尺寸有关的数据均按GB/T10000-1988《中国成年人人体尺寸》确定。本系列标准DL/T575以《控制中心人机工程设计导则》为总标题,包括12个子标准:DL/T575.1控制中心人机工程设计导则第1部分:术语及定义;DL/T575.2控制中心人机工程设计导则DL/T575.3控制中心人机工程设计导则DL/T575.4控制中心人机工程设计导则DL/T575.5控制中心人机工程设计导则DI./T575.6控制中心人机工程设计导则DL/T575.7控制中心人机工程设计导则控制中心人机工程设计导则
DL/T 575.8
DL/T575.9控制中心人机工程设计导则第2部分:视野与视区划分;
第3部分:手可及范围与操作区划分;第4部分:受限空间尺寸
第5部分:控制中心设计原则;
第6部分:控制中心总体布局原则;第7部分:控制室的布局;
第8部分:工作站的布局和尺寸,第9部分:显示器、控制器及相互作用;DI./T575.10控制中心人机工程设计导则第10部分:环境要求原则;
第11部分:控制室的评价原则;DL/T575.11控制中心人机工程设计导则DL/T575.12控制中心人机工程设计导则第12部分:视觉显示终端(VDT)工作站。本标准的附录A、附录B、附录C均是提示的附录。本标准由原中华人民共和国电力工业部提出。本标准由国家电力公司电力自动化研究院归口。本标准主要起草单位:国家电力公司电力自动化研究院、南京航空航天大学、中国标准化与信息分类编码研究所。
本标准主要起草人:童时中、陈毅然、马长山、张锦华、滑东红、刘伟。1298
1范围
中华人民共和国电力行业标准
控制中心人机工程设计导则
第8部分:工作站的布局和尺寸
Ergonomic principles for the design of control centresPart 8: Workstation layout and dimensionsDL/T 575.8-- 1999
本标准规定了控制室中监控工作站(下简称工作站)人机工程设计的一般原则。包括工作站的设计步骤、布局原则、尺寸,以及控制台的详细设计方法。本标准适用于各类控制室(或调度室)中的工作站,以及坐姿、立姿、坐立姿控制台的设计。2引用标准
下列标准所包含的条文,通过在本标准中引用而构成为本标准的条文。本标准出版时,所示版本均为有效。所有标准都会被修订,使用本标准的各方应探讨使用下列标准最新版本的可能性。DI./T575.1-1999控制中心人机工程设计导则第1部分:术语及定义DL/T575.2--1999控制中心人机工程设计导则第2部分:视野与视区划分第3部分:手可及范围与操作区划分DL/T575.3—1999控制中心人机工程设计导则3DL/T 575.4-1999 #
控制中心人机工程设计导则第4部分:受限空间尺寸控制中心人机工程设计导则第5部分:控制中心设计原则DL/T 575. 5-1999 #
DI/T575.6一1999控制中心人机工程设计导则第6部分:控制中心总体布局原则DL/T 575.7--1999E
控制中心人机工程设计导则
第7部分:控制室的布局
DL/T 575.9—1999
3定义
控制中心人机工程设计导则第9部分:显示器、控制器及相互作用本标准采用的定义见DL/T575.11999。4确定工作站尺寸的因素
4.1一般方法
控制中心设计的一般方法,已在DL/T575.5中给出。在设计工作站时,应考虑人的能力、生理限度和心理需要,工作站的设计数据应符合使用者群体特性。工作站设计应以作业分析为基础,工作站设计的起始点是确定工作任务表和相应的作业区。每项作业及其结果和相应的作业区的要求是工作站详细设计的输人资料。另外,工作站的形状还受输人装置的特征、通信设备和显示器的使用方法和频次以及使用紧急性的影响。4.2工作站设计的步骤
工作站设计应按下述步骤:
a)列出控制中心所需工作站和每个工作站的作业区的清单,并包括概念设计阶段的全部要求。例中华人民共和国国家经济贸易委员会2000-02-24批准2000-07-01实施
DL/T 575.8--1999
如:使用者人数、视觉要求和与其他工作站的通信联络。b)列出工作站所需使用的工具(显示器、控制器)、通信设备和其他材料的清单,以及有关设备的详细说明,例如屏幕大小、输人装置的型号和形状等。起始点:
任舞积雙业
DLT 575.5
概念设计
(第三阶段)
+(幽)
操作站布局
控制中心作业区布局
DL/ T 575. 6
作业和作业区
BEA BTS
交互设计
DL卡 575. 9
图1设计阶段和DL/T575各部分之间关系c)确定预期的使用者群体(民族.男女,伤残者等)并确定所需的人体尺可数据。
d)确定工作姿势(坐、立)要求。)工作站布置设计,即作业区和设备的平面布置:
1)从一个中心操作者的位置开始:2)在布置中优先考虑视觉作业:f)设计工作站不同位置的渐面图,用操作者的位置分别观察主要显示器、次要显示器和其他工作空间。
g)评价工作站布局和尺寸的设计方案,建议邀请使用者参与审查设计方案和选择最佳方案。评价还应考设备的可维护性,例如,对视觉显示终端(VDT),布线/连接器和信息处理设备的可达性。4.3使用者群体
在控制中心内,至少应有一个固定的坐姿工作站。本条主要涉及包括个或多个视觉显示终端(VDT)、通信工具和用于管理及放置文件的空间在内的工作站。「作站的尺寸取决于使用者群体的人体尺寸和其他的相关数据(例如视野)。人体尺寸数据通常以百分位数形式给出。例,在工作面下的容膝空间应用第95百分位数,是指使用者群体的95的人有足够的放置腿的空间。可及距离尺寸宜取第5百分位数。选用人体尺寸应考虑使用者群体的类型,男子数据只适用于没有(或很少有)女子工作的控制中心在有女子工作者的情况下,则应考虑兼顾男子、女子的人体尺寸。注:通常给出的人体尺寸数据是体测量值。然而,某些测量值是着装(如衣、鞋等)测量值还有些不是正直姿势、而是人在自然状态下的测量值。因此,在使用人体尺寸数据前,应注意该数据的来源。4.4人体尺寸的一般使用原则
一般的人体尺寸要求如下:
a)使用本标准中的百分位数.应选用适宜的数据进行计算;b)工作站的尺寸应能适应90%~95%的使用者群体;c)如果设施是不可调节的,应以矮小身材人(例如第5百分位数)的人体尺寸,确定手功能可及范围,应以高大身材人(例如第95百分位数)的人体尺寸,确定容膝空间尺寸;d)如果设施是可调节的,其调节范围应在第5百分位数至95百分位数之间,其调节装置应易于使用;
e)当人体尺寸数据是裸体测量值时,可使用如下修正量:1)着衣修正量:坐姿时的坐高、眼高、肩高、肘高加6mm,胸厚加10mm,臀膝距加20mm;2)穿鞋修正量:身高、眼高、肩高、肘高加25mm;3)姿势(自然放松)修正量:立姿时的身高、眼高等减10mm;坐姿时的坐高、眼高减44mm4.5I作姿势及相关要素
4.5.1坐姿工作站涉及的主要人体尺寸a)坐姿肘高(上臂处于垂直位置);b)坐姿眼高;
c)坐姿大腿厚;
d)小腿加足高(高);
e)坐姿臀膝距。
4.5.2、坐姿工作站的主要尺寸
DL/T 575. 8.-.. 999
坐姿工作站的关键性尺寸涉及下列方面(如图2所示):
a)膝与足在工作面下,腿的垂直、水平和侧向的间隙;
b)工作面高度与肘同高或略低于肘;c)座位高度;
d)位于正常手功能可及范围内的控制器(见图4);
e)仪表和显示器对坐姿操作者正常视觉范围的相对关系(见5.2)。
4.5.3坐姿操作的姿势
坐姿操作有以下工作姿势,即前倾(精确的监视),正直(打字、操作控制器)、后倾(监视)和放松(监视),见表1、表2和图3。注:坐姿与监控的关系详见DL/T575.2中A2.4。100
厂作台
一搁脚板
A—眼高;B—肘高/工作面高;C--胸高;L)、大腿空间;E·上部容膝空间:F·脚活动空间;G—工作台面厚1α—视线倾角
图2坐姿工作站的主要尺寸
表1控制室内的活动类型和相关工作姿势活动类型
在控制台监视仪表
监视立式屏和模拟屏
在控制台上操纵控制器
操纵立式屏上控制器
在控制台上记录数据
用书写板记录立式屏上的数据
办理操作票
调整、控制仪器Www.bzxZ.net
C.后倾(主要坐姿)
精确的监视,
操纵控制器
典型的工作姿势
坐、立
坐、立
坐、立
坐、立
坐、立
立、跪、、弯腰
表2操作者作业和工作姿势
视线倾角
后倾,放松
后倾,放松
正直、前倾
正真、前倾
持续时间
长时(主要姿势)
长时(主要姿势)
不定期…短时
不定期一-不定时
偶然-短时
不定时
肩关节在控制台边缘上方
20°±5°
打字,操纵控制器
监视、与同事交谈
30°±5°
15°-:5°
15°±5°
允许短周期
手功能可及范围:610mm(第5百分位数)视点在台边缘上方
手功能可及范围:(610mm100mm)视点在台边缘后150mm
手功能可及范围:(610mm200mm)视点在台边缘后300mm
视点降低30mm
手功能可及范围
(第5百分)
DL/T 575.8---1999
限粒X
一肩关节中心
图3作业姿势、视线和手功能可及范围4.5.4工作面高度
适宜的工作面高度相当于肘高,它取决于坐高(即脚正好放在地板上或放在搁脚板上)。4.5.4.1高度可调节的工作面仅用于:a)如果使用者群体有很大的可变性(即男女合用;由来自不同国家或地区的使用者混合使用;或操作者频繁变换,例如每8h~10h轮班工作);b)如果工作面频繁地用于书写或打字(一个周期超过30min)。4.5.4.2高度固定的工作面应提供以下条件:a)对身材较高的使用者(第95百分位数)的腿有足够的容膝空间。b)为身材较矮的使用者(第5百分位数)提供一个合用的高度可调搁脚板:1)最小使用面:450mm×350mm(宽×深);2)正面的最小高度为50mm,高度可调范围应不小于110mm;3)最小倾角为5,倾角可调范围应不小于15°c)尽可能使较多的使用者能将其脚放在地面上(不受脚垫的限制),这一规定意味着桌面的厚度是很小的,应是40mm或更小(见图6)。d)有关操作者坐椅的详细要求,见DL/T575.12之第9章或附录C之[11]。坐椅的高度应是可调节的。
e)经常使用的控制器应置于,操作者正直坐姿的手功能可及范围内。在工程应用中,通常为距控制台前缘500mm的范围内(见图4),需要快速和频繁操作的控制器应布置在这个区域内。f)不应将控制器设置在第5百分位数肩高以上的位置。309
府关节中心
良好(水平)视区:土)
效(平)貌区:圭30。(或±35°)手功能可及范围
图4坐姿操作者手功能可及范围和主要视区g)输人装置(键盘、其他输入装置、电话)最好能在显示器前的工作面上自由地移动。1302
4.6视觉作业
4.6.1眼高
DL/T 575.8 - 1999
视觉信息显示是监控工作站的主要功能。工作台的设计中,应考虑使用后倾坐姿的眼高,这是监视作业的主要工作姿势。在工程应用中,通常使用“平均眼高”。4.6.2视距
标记等的准确辨认,取决于标记的清晰度(字体和大小等)以及视角和视距。a)对主要显示器(VDT)和其他显示器的视距应大于500mm,因为使用者(尤其是老年使用者)的眼睛光法适应较小的视距。
b)对于已选用的显示器需了解最大允许视距。对于VDT,学符最小高度的视角为15',合理的范阔为 18°~~20°。
c)对VDT的最大视距,可用公式快速计算:1)对于高质量(例如21\显视器≥1280×1024像素)视觉显示终端,最大视距=250×字符高:般显示器按:200×字符高度。
2)字符高度由屏幕上所使用的字母和数字的最小字体的高度来确定的。4.6.3视觉范围
处于后倾坐姿执行监视作业时,视线在水平线下约15°处(后倾坐姿的自然视线,见图A4)。主要T作区(视觉作业)不需移动头部就能看到。这个视觉范用位于:垂直面内后倾坐姿自然视线的士15°(即在水平线与水平线下30°之间,为良好视区)范围内;水平面内是正前方视线的士15°(良好视区),监视闪光信号灯可用土30有效视区)。
4.6.4显示器的布置
a)频繁使用的显示器(例如操作员使用的显示屏)应布置在最佳视野范围内(垂直和水平方向正常视线的士15°)。
b)次要显示器应布置于有效视区(见DL/T575.2)内(必要时可辅以头部转动)。通常,在水平面内,布置于正前方视线土80°的范围内。在此160°范围内,当操作者向前看时,能够发觉亮度的突然变化、或者看到某物的移动。在垂直面内,工程中可用水平视线士45°的范围。工作站后的共享显示屏(如立式屏)上的信息应是可见的。显示器布置的上限取决于矮小操作者(第5百分位)的视线,当其在与显示器最接近的位置时,显示器的位置不超出水平视线以上45°的范围。5工作站的尺寸
5.1概述
工作站布局设计应以操作者为中心展开。5.1.1优先安排监控作业:
a)布置主要的VDT(视觉显尔终端);b)布置重要的控制器(键盘、输人装置);c)布置其他手动作业空间(如书写):d)布置控制器和显示器的维修点;e)布置其他仪器、装置,应考虑使用的优先顺序和频繁程度。5.1.2设计控制台不同位置、不同方向的几个截面图:a)观察主要显示器(面向主要控制器和显示器);b)观察次要显示器;
c)面向频繁使用的通信装置,和(或)面向偶然使用的通信装置等;d)在次要的工作位置中,如与同事商议问题或进行管理工作。5.1.3控制器和显示装置的选择,对工作站布局有一定影响。选择控制器和显示器的原则和要求,见DL/T575.9。应考虑下列方面:
a)对安装显示器的立式屏,需附加视觉要求(参阅DIL/T575.7,共享显示屏)。b)根据视觉作业的需要,确定工作站上VDT的数量(士要显示器、次要显示器)。通常,考到清晰1303
DL/T 575.8—1999
度,在一般识别空间中,一排最多配置3台VDT(21\显视器,眼动或头部微动):通过头和身体的转动,可监视4台5台VIDT。如果显视器多于3台,最好布置成两排(见5.3)。关了所需的显示器数量、应考虑最差的情况(例如非正常过程状态)。c)控制器:应考虑工作任务之间的差别,例如数据(文本、数值、编码)的输入和用点选器选定1)输人装置应耐用、易于更换,且具有柔性电缆。2)在工作站设计中,输人装置的尺寸是重要因素。例如,不使用大的键盘,因为许多键不用,或义本/数据的输人任务极少(每小时一次)。3)使用点选器,可以让使用者持续进行对显示屏的察看,4)对于频繁使用的控制器,建议采用鼠标器或台面跟踪球。这适含于使用者用左手操纵或石手操纵。屏幕联系装置,如触感显示器,不宜频繁使用,但可用它们作为非频繁使用的装置,例如每半小时种新图像的选择。
5)一位操作者使用的所有显示器,应安装一个共享的点选器(不需要每个显示器都装个点选器)。为保证使用的有效性需配备第二输人装置。5.2坐姿工作站
5.2.1控制室的作业,以坐姿为佳,还应考虑下列两点:a)工作站设计应有利于作业姿势的随意变动。b)为方便操作者,在有些监视作业中,操作者应能在控制台前站立。5.2.2显示器清晰度的范围可按下列要求近似地估出(见图5):个字符
近似三角形
识别面积
在最小视角(15')情况下,具有弧形屏面的通用显示器的识别空间尺寸
基准线
屏幕对角线
个单独字符号
全部符号共用屏幕Amax
37cm51cm
117cm/160cm
97cm/133cm
在清晰度范围内的区域称为识别空间,[即图(a)、图(b)中的阴影区一识别面积。当观察者的眼位处在识别空间范围内时,可获得清晰的字符。2图中的\max\表示最大,“min\表示最小,下同。图 5—个 VDT 的清晰度范围
(a)垂直识别面积,(b)水平识别面积(b)
符号v垂直范围;符号h-水平范围;G-识别面积底边,mm;屏幕高度,mm;B-屏幕宽度,mm;R一屏幕曲率半径,mm;Amx“垂直观察一个符号的最大视距,mm,A3438h符号高度,mm;Amx-\全部符号共用屏幕时的最人视距;0mis--视角,15;Amiu最小视距α5001mma)最小视距建议取500mm;
DL/T 575.8 --·-1999
b)在工程应用时,应考虑VDT采用平面显示屏;c)首先校验最大视距,可按下式计算:(200~250)×字符高度。例如4mm字符高度的最大视距为800 mm~1 000 mm。
5.2.3应对所有作业提供足够的空间,包括书写工作(如填写工作记录表、值班报告、生产过程文件编制等)。
5.2.4显视器应置于台面上,在实际应用中允许将显示屏设计成嵌入式,但应符合人机工程学原则。5.2.5工作站设计时应考:维修的接近要求、空间的利用率和电缆的合理布置。台上的VDT、输人装置和通信设备应易于接近以及维修和更换。对嵌入式装置应考虑:易于拆卸、装置周围留出一些空间。特别是安装在工作站的信息处理机和电子装置,应考虑其可达性。5.2.6应考虑工作站的安全性和稳定性(如工作面的突然损坏或过度受热的危险)。5.2.7工作站应能调整,以使操作者能保持一个良好的工作姿势。在工作台高度不能调整的情况下,特别要注意VDT垂直方向的位置。主要应考虑:a)眼位高;
b)视距;
c)视线、视野和识别空间。
5.2.82建议视距取750mm~1000mm21显示器,4 mm字符高)。
工作高度固定的VDT工作站的典型截面图,如图6所示。
5.3工作台的布置
5.3.1个显示器的布置
显示器应位于操作者的正前方。其屏幕应与较高(例如男子第95百分位数)和较矮(例如女子第5百分位数)操作者在后倾姿势坐姿限高
+40max
460min
(第50百分位数)
台面高!
650min
图6VDT工作站截面图
时的视线相垂直。较高操作者的视线应落在VDT的上部,当其处于正直坐姿时仍可处于良好的视觉条件,如图7所示。
5.3.2两个显示器的布置
如需同时使用两个显示器,必须弄清VDT的应用要求。两个VDT的布置有二种方式:布置于一排或土下布置。
5.3.2.1布置于排
主要的显示器应布置在操作者正前方;次要显示器(如通信显示器)通常布置在右手,如图8所示。图8两个显示器布置于排
个显视器的布置
注:倾斜大于30°,就可能产生眩光,1305
DL/T 575. 8.1999
注:不宜将两个显示器对称于操作者布置:操作者将面对两个显示器间的空间,需移动眼和头进行观察:使用CRT时操作者正前方视线的30范围是信号呈现的最大感知范围。5.3.2.2上下布置方案A[见图9(a)]用作输人装置的显示器宜放在下面。工作台的前缘到显示器的距离应允许操作者将肘部靠在台面上操作(典型尺寸:300)mm)。显示器屏面的倾斜度:与垂直面成25°~30°的仰角。5.3.2.3上下布置方案B[见图9(b)用于概略观察信息的显示器放在上面。下面的显示器的安置方式,与具有一个显示器的工作台相间(见5.3.1):上面显示器放置于下面显示器之上,其屏面可以是垂直的或对操作者有·个小的倾角(典型值0°10。
两种方案的VDI安装方式均可获得最大的通用的识别空间。5.3.3三个显示器的布置
如果作业要求使用三个显示器时,它们可以布置在一排上,主要显示器安置在操作者正前方,其他两个一左一右。如果布置成弧形,对于工作姿势不固定的操作者,其通用识别空间是足够大的,如图10所示。
5.3.4多于一个显示器的布置
考虑到识别空间,可将19\~21\的显示器分两排布置成2×3,这种布置方式适合于驾驶室的特性,但不适用于控制室。
较好的布置方式是三个显示器放在一排,另一个显示器放在上面--排(方案A:在前方;方案B;在右侧)。如果边上的显示器很少使用.也可将四个或五个监视器布置在排。(a)
(a)方案A;(b)方案B
图9两个显示器上下布置
(a)方案A:(h)方案B
图10二个监视器的布置
5.4工作站的其他类型作业区域
DL/T 575.8---1999
5.4.1在许多情况下,个工作台必须包含事务处理、文件编制和个人通信等作业区.即工作台面可用作书写、监视和休息时喝饮料等。
5.4.2某些工作站,可使用小型的个人计算机系统、VDT或CCTV(闭路电视)系统(典型的VDT尺寸为15\),应按视野要求确定小屏幕的位置。这种工作站的典型形状如图11所示。工作台的后部一般要比正常工作面高一些。
5.4.3控制中心如需进行出人管理,则宜在人口处附近设置单独的作业区。坐姿眼商
(第50百分位敷)
450min!
台面高!
小型VDT工作台
A1概述
A1.1控制室的功能及配置
DL/T 575.8--1999
附录A
(提示的附录)
控制台设计
控制室的基本功能是对生产过程进行监视和控制。控制室设有接受信息装置、控制装置和与系统中其他部分工作人员联系的通信设备。典型的控制室工作空间中包含:坐姿控制台;立式屏;屏幕显示器:必要的作业空间以及为维修和服务性作业留出的空间。在控制室中的主要工作任务有:监视装在控制台和屏上的显示器;操纵装在控制台和屏上的控制器;记录显示在控制台和屏上的数据;维修和其他为完成工作任务有关的辅助活动。在设计控制室以及控制台之前,对所有必要的作业应作出估计,并了以充分考虑。
注:本附录中控制台的设计原则系参考德国标准DIN33414-1(1985),为适用于我国实际.已将有关尺寸按GB/T10000--1988转换为相应的中国人人体尺寸。A1.2控制台的类型
图A1控制台基本结构型式
-——无前仪表板的控制台;
有低前仪表板的控制台·
---有中前仪表板的控制台;
-·-有分段式高前仪表板的控制台控制台的基本结构主要由三部分组成:台身;台面;台上结构。台身为基础支撑件,台面是主要工作面,台上结构则主要是前仪表板。A1.2.1按台上结构的特点,控制台可分为四类(见图A1):a)无前仪表板的控制台;
b)有低前仪表板的控制台;
)有中前仪表板的控制台;
d)有分段式高前仪表板的控制台。A1.2.2按台面结构的特点,控制台可分为三类(见图A3):a)薄型台面(控制台):台面不装显示、控制元件,台面上可放置键盘,如图A2(a)所示。
b)厚型台面(控制台):台面上可安装显示。控制元件,如图A2(b)所示。台面可以是水平的或向前倾斜的,台面内也可装设抽屉,c)前置附加台面:指附加在屏、柜类结构体上的台面,台面用以安装显示。控制元件,如图A2(c)所示。(c)
(a)薄型台面;(b)厚型台面,(c)前置附加台面图A2台面结构型式
A1.2.3按自动化程度,控制台可分为二类:a)全自动化(或半自动化)过程控制:控制室的运行人员的主要任务是监视,很少使用控制器;b)手动过程控制:控制室的运行人员需持续地进行监视和操作控制器。1308
A2控制台的人机工程设计原则
A2.1控制台人机工程设计的基本要求DL/T 575- 81999
控制台及相关设备(如屏幕显示器、屏等)的人机工程设计的基本要求如下:a)结构体的舒适度:控制台必须按人体尺寸进行设计,各个设计参数的大小必须在使用者群体中第5百分位数(Ps)至第95百分位数(Pgs)的人员可接受的范围内。b)显示信息的可见度:显示装置的设置位置,应考虑人的视觉儿何参数(视线、视野)、观察范围、视距、观察角和入射角等,保证人对显示信息的准确辩认。c)控制元件的可操作性:控制元件应设置在人的手功能可及范圈内。d)足够的工作空间:控制台本身及与相关设备的布局,以及工作空间及通道等的设计,应为人的活动留有足够的裕量。控制台的台面应留出放置文件或书写用的水平台面。A2.2控制台结构尺寸的构成
控制台的结构尺寸由三部分组成:a)与人体相关的尺寸;
b)与产品功能相关的尺寸;
c)与外观(造型)相关的尺寸
本标准是确定控制台的与人体相关的尺寸。A2.3人体尺寸百分位数及其运用原则在对人群进行人体尺寸测量时,各种身材的人的频数分布状态用百分位数表示。GB10000分别给出了男、女不同年龄段的第1、5、10、50、90、95、99百分位数的人体尺寸。在控制台设计中,主要使用男子18岁~60岁(女子18岁~~55岁)年龄组的第5百分位数(P,)和第95百分位数(Pg5),它能适应90%~95%的使用者群体。
A2.3.1身高等级
分析GB10000所规定的人体尺寸测量值,可以发现,高大身材女子与中等身材男子身高相近,而矮小身材男子与中等身材女子的身高相近,由此可将男女身高划分为四个等级,见表A1。四个身高等级模板及其身高尺寸表Al
身高等级
矮小女子
中等女子
矮小男子
高大女子
中等男子
高大男子
百分位数
女子P:
女子Pso
男子P,
女子Pes
男子Pso
男子P9s
5%的女子低于该百分位数身高
50%的女子低于或高于该百分位数身高5%的男子低于该百分位数身高
5%的女子高于该百分位数身高
50%的男子低于或高于该百分位数身高5%的男子高于该百分位数身高
模板的各身高尺寸,均在GB10000中的身高尺寸上增加25mm鞋跟高度1
2四个身高等级模板的各个部分尺寸,详见附录C之[14]。A2.3.2百分位数的运用原则
按人体尺寸确定相关实体结构与空间尺寸的原则:身
a)包容空间尺寸,按第95百分位数(Pa):包容空间是指以人为中心,包容人体(或其某部分)的空1309
小提示:此标准内容仅展示完整标准里的部分截取内容,若需要完整标准请到上方自行免费下载完整标准文档。
标准图片预览:





- 热门标准
- 电力行业标准(DL)
- DL/T634.5101-2002 远动设备及系统 第5101部分:传输规约 基本远动任务配套标准
- DL/T5483-2013 火力发电厂再生水深度处理设计规范
- DL/T787-2001 火电厂用15CrMo钢珠光体球化评级标准
- DL/T567.7-2007 火力发电厂燃料试验方法 第7部分:灰及渣中硫的测定和燃煤可燃硫的计算
- DL/T695-2014 电站钢制对焊管件
- DL5162-2013 水电水利工程施工安全防护设施技术规范
- DL/T5168-2002 110kV~500 kV架空电力线路工程施工质量及评定规程
- DL/T912-2005 超临界火力发电机组水汽质量标准
- DL/T516-2006 电力调度自动化系统运行管理规程
- DL/T5033-2006 输电线路对电信线路危险和干扰影响防护设计规程
- DL/T5173-2012 水电水利工程施工测量规范
- DL/T5461.13-2013 火力发电厂施工图设计文件内容深度规定 第13部分水工工艺
- DL/T5100-2014 水工混凝土外加剂技术规程 缺少附录和条文说明
- DL/T5198-2004 水电水利工程岩壁梁施工规程
- DL/T5193-2004 环氧树脂砂浆技术规程
- 行业新闻
请牢记:“bzxz.net”即是“标准下载”四个汉字汉语拼音首字母与国际顶级域名“.net”的组合。 ©2025 标准下载网 www.bzxz.net 本站邮件:bzxznet@163.com
网站备案号:湘ICP备2025141790号-2
网站备案号:湘ICP备2025141790号-2