- 您的位置:
- 标准下载网 >>
- 标准分类 >>
- 国家标准(GB) >>
- GB/T 14067-1993 DDZ-III系列电动单元组合仪表 信号限制器
标准号:
GB/T 14067-1993
标准名称:
DDZ-III系列电动单元组合仪表 信号限制器
标准类别:
国家标准(GB)
标准状态:
已作废-
发布日期:
1993-01-04 -
实施日期:
1993-07-01 -
作废日期:
2005-10-14 出版语种:
简体中文下载格式:
.rar.pdf下载大小:
366.44 KB
点击下载
标准简介:
标准下载解压密码:www.bzxz.net
本标准规定了DDZ-Ⅲ系列电动单组合仪表 信号限制器的基本参数、质量指标以及评定方法等。本标准适用于DDZ-Ⅲ系列电动单组合仪表 信号限制器。 GB/T 14067-1993 DDZ-III系列电动单元组合仪表 信号限制器 GB/T14067-1993
部分标准内容:
unc 621. 317. 3
中华人民共和国国家标准
GB/T 14067—93
DDZ-而系列电动单元组合仪表
信号限制器
DZ- Il series process electronic control systenSignal limiter
1993-01-04发布
1993-0701实施
国家技术篮督局发布
中华人民共和国国家标准
DZ-Ⅲ系列电动单元组合仪表
信号限制器
DDZ-series processelectranic contrel systemSignal limiter
1、主题内容与适用范围
GB/T 14067 -93
大标准规定了DD21系列生动单元组合仪表信号限制器内性本教数,质量指标以改评定方偿本标照适月于DDZ-I票列凹动单元年今仪表告号限司器(以下尚限制器)。5]用标准
GF2928遥批检查计数拍详序及描祥丧(适门于连续批的将查)GB工业过栏测东和控制改统用比豹和气动莫技计并器非能证造方运ZBY002
议器议表运第、证输贮存牌大条件及试验方法ZHY0
3术语
仪器仪表他炭通月摄术条1
下列定义交遇用于本标降。
3.1信号限制器
对传拍估号进行上,下限限制的表。3.2限划区
限器没定范上,下限获压以外的信号风域。3.3非限制区
限司设定上,十限范压以的信号区域4产品美与参数
产品型号,规格与基本参数
限制变的型号、规落与基本参数瓦表券1
产品型弓免费标准下载网bzxz
摘入信弓
-愉信
围家按术监督同1993-01-04批准J:FF-1000
--20uA IC
25u~50
993.07.01实族
产品型号
上限设定性用
限读定控图
CB/T 14067—93
续表1
注:上限议定获目均为势入量用的百分数,4.2正带工作系件
的物质,
环境追斑
相对登度
人气压力
540℃
10X-5;
se~.-o8kpa
EFIGOC
755~106%
周日空气中应不含有对铭,筷馈层,有每金扇及其合金起魔决作用的介成,应人含有易燃,易强4.3电源
限制器供电毛卡为直流24,差六5:较鼓小于1.0%。1.4接浅端子
限制器换端子号式搭线位置见图14.5结构型式5尺寸
限带器结构型式为采装式,外长尺寸及装心寸见2.安装媒钉为M3。VDC
图1线端了编号利报然位置图
5技术要求
5.1通用获术要求
限制带证再技术要求况“衰
杀文号
. 1. 4
本误募限
上下限复设定范图
上下限滑定值指示
CB/T 14067-93
图2外形及装
平坞误差
环境温度对输出彩响
相对提退对抢白影呵!
安装位对输当等响
最大镇
最六值
最小俏
条支号
颜跌对输出影响
机械拆动
CD/T 14067—93
项日芝称
对鞘出影响
对机械给钩影响
源电化影
输出群叶变化持续时可1
电源纪中眠
验出变化量1
输出瞬时大您化
电源低降
电源冠均对输出影响
共模下忧
书漠干忧
外场工我对士影吧
自期十护输出您
接地对翁凹影响
长载变化别输托彩响
持续时间“
输出变化乐”
对箱出影响
户变资公基有效值变化量1:
孔许干抗耳
输出交流分量有效值变化虽
工作寿命如速试骗对前出好呵
无松动、完环
录文号
GD/T 14967- 93
项日名称
输人过载对出影!
始要”
长期深移
耗电电
有效值
输出交流分量
绝淼甄度
培缘电阳
开抵间座定时间
峰燥值\3
电网瓶率含
信:①表事单位偿中的百分引均指对应量样的下分数。1)领项目及指标中别道厂用户协商确定。5.2其它技元要求
无击穿、光心证
限制器的外壳知馨件表前靠盖层,而板放铛牌等均应光洁完好,不得有落技伤疫等缺陷.需或件小很有松动,损怖等现款。
5-2-2输入电阻对节号影响
限制器维入电阻对信号的影响放不超还量程的士0.2%(辖入端取压电阻为2C门)5.2-3抗运辅环竞性能
限制器在达输包装案件下,成等合ZEY502的婴求,其中:高调达55℃,低选-10T:相对温度选(2自由跌落高度送
6试验方法与检验规则
6.1试验条件
除条文十另有规定以及下列补究规定外,均按G已1U75在关规定。基本试验按图步行接数,图十开关K处于闭合状态,a
为便下测试.消常以输出电流在收压电准201间端上的电正降为拍出偿号影响丘试验时将限步器的1.限设定值烂十最人值,下限设定值胃十段小值,使输出信号稳定在早程芯50%处,通日摘出变化量。路京池量玉电临
6.2证验方达
6.2. 1苯本设差,回差试腔
GH/T 1406793
燕本试验来战国
诚亲前,应在虑定条牛下,快阅扭检备充分稳定,所有挑有谢试的条件均应随时职宽开记,将上限设定使干最值:下限证定值微于量小值,改度输入信号,以输入程的025%,5C,75%,100%,75%,50%,25火,%为·个空化确环其进行三个保环.记录每个试验点刘放的辨出信号试采时,物入借虑疫划始变化的向方同,级世地避近试验点,不允许补过冲说承,测试附谢人信号成保持稳定,吉到黄测获数稳定为止,诚举中,本充有两打效报动限制登的现象限烈试结来,抗支()计节追举
一某选鉴点测得的误装位,治:或中:
Y,…一荣台验点测得的实示尚出,以输出信号证程的百分数示了,-该民照点相的辅白信学标准值、以出伴号整程的百分教表展;Y一辆出信号早理其值为10,%
根调各试些点测得的误差值,计算基本误差,以举。共中,基本误差以三个葡环试验1,弃试验点谢得的绝值效人的正,负误案表示,区差:可一赖人信号所对应的上行性平均说差与行程半片误差之间的差值,取各个试丝点得回差中的最光值列人报告,
6-2-2上下限设定也因及指示误差6
GB/T 14067-93
试验的,应在靓定柔件下,使测量设备充分稳定,所有影哟测试的案件均成随时观案井记录,免将辅人信号定在小于民程的5外处次降下限设定值指示置于最大也和最小值,分别测至限制器输出值,确定限制器下限设定范用的最大值式最小值.然后改变下限设定值的标度示值,以0%、5%.15%,25%.15%、6%,0%为一个变化谢环,共进行三个衍环+记录每个试验点对应的输出信号值。再样输人管号定在大量程的1W兴处,依次将上限设定值指示置十录大和最小值.分别测基限器赖出值,确定限制器上设定范团的最大值和小值,然后改变上限设定的标险示随,以15%,88%,9%、100以,95%,55岁,7.5头为一个变化循环,共进行三个循环,记录每个试验点对序的输出信号值
试验时,输入信号应按材始变化前同一方向,级慢地通近试验点,不允许有过冲现象。两试时,输入号应保持究,直到被测整数额定为上:试验中,不并许有短行效振动限制签的现,根据测试续果:按式(2)计原误差:Y-F..100
式中,6.——基试验点创得的误差值,长Y禁试整点标度示值,%
一该标度示值对应的出信号值,以转自信号整群的百分款示:Y.
,—赖法估基程笋值为100,%,根据各试降点得得的误差值,计算平均误差,回差:其中:(2)
平均误差:各试追点一次意发测得的绝最大的正、负平均误差:回兰:因一试点所对应的上行程平均误效与下行程平的识差之间的差顾,取各个试验点阅役回差中的最大值列入报告。
6.2.9环境温度试验
环造源度减验时+阻度皮按下列项序变化:20.40.20.5.20.
左上湿每档速准拍处.内保温2h,每档码度折第土?按上逆猛变受化账序,连续进行两个循环,达验中,对限制器不作任何谢能,于保漏临近结束时,测出限制的出值。计算相邻两档温理之间,平均每变化10的输出变化整。将两个错环中,对变变湿区间测出平均变化量的最大值列入报告。6.2.4,相对超电查化试资
首先参比大气条件下测盘限制能能等出值,然托性温度计到C,相对整在升--95火之间,深持24h,临结克时谢出双制器的给出值:试冷滑,或在参比大气系心下,放性24上,然后再次测量限制器输出值。将限制器的额房教大减化量、试验后测察的有无跳火戎展迹求元伴损以据流到入报告:62.5专装位要变化试
变限制费从正常工作位置向能,后、左,右各作…-次10\约倾斜,分别激出输出的录大变化量。62.6例试验
先将限到想安正位承空放在平拆,收又车固的据爆上就钢台面士,将底边境起使与台面够高为10,或者使滤面气台有双的每,选需着中读料宽小的一程,微后让限刮器自由便队到台面上:四承底边均按上述方法试题次。GB/T1406/—93
试峻后,测其输出疫化盘,并检育机模损坏情况,6.2.7执械抵动试整
试骏时,将眼制器按安装说明书规定·安装在探动台上,要求振动台、安装核,安装托架均成有足够的刚度使传到限制器上的动变化最小。限制器应在三个互相垂直的轴线(其中一个为铅垂方间)上承受任弦拒动,试验先左个人可上效下运三个阶良进行,再在另两个方向上重复上述试骗,三个方司试险结束后,作录终检查,一骄子圾初始浩旅
本阶段试验的目的尽了解限制举X机谁诉动的吨应,到定机械谐振题率,为享找最终造据收来您料。
试验的频率范臣取10~~25Hz.位移报幅表0.07Smm。试验应接上述的颗率范压·按对数规逆续扫频,扫频速率对为每分钟0.5个结频孕,扫数期叫应记录机械谐报赖率,输出直以及引起辅出值有要显变化时所对应的频率值。第二阶安前报性试验
按第一阶找出的最商机械谐拒频率,准0.的前振性试验,如果第阶段没找到机械谐振点,则按上述频率范固的上限进行报动。第三阶表寻找最暂谐系
接第阶段相问与送重更进行-次试验。将第三阶段测得的机减诊据数率、使输出值有明显变化的频率值与第阶段测得值也行之效,如益较大变化,则应列入报告。固这独变化可能是白导致机献结拘开始酸器的非弹性变所引起。最终量:振裁减验后·应格查爆制器的款城情况是否长好,并再饮测量输击6..将摘出殖的最大变化量技机械损坏情况列入报告。6.2.8电源电压变化试始
将电源电压分别稳定在公称尚、工限值及下限值·分别纠量限制器的输出估,再将箱出归整到量程的1%,电源电玉稳定在下限值,再次测年限器箱出值,性后,将资出值展大婆化量列入报告。5.2.9电源知时宁断试验
电源短时中断时间为m%,重高进行2次,两次试验的间两时川不少十5%。量由了电源中断而引起的暂出瞬时变化扫续时间即输出达到非能保特与接态消扫茎1%及内为止所声时问)改摘出水久变化斑。6.2.20电源低泽试验
试些所,成将输出定士尽程的上限值。将电源凸乐突降至公称值的75%,保转5,然后恢量对源米传。记录概降试验前后的输自求久多比,假静与资复瞬间的出避时变化好及持续时闻。6.2.77电源反向保护试验
将电源出乐的上限俏·向施加十限制器电源端,然店快多正带传电,测基前出变化岳,5-2.12共模千扰试验
先将电压有效值为250?,额率为电网题享的正我下提信号,依改加到输人子整自举子改端与接地端了之间1可时微变十携信号的相位(0°~369°%。再用自流电压代替交法状信号,直流电片的阅值取5V,并且分别以正向设反向形据圳工限剂器上述端于之间
试验时殖入信号源两端应并联10F电容闪基限制密在共模下抗作用下,输出最大变化基及交流分基有效值变化量。6.2.13申模一优试验
试验按图跨线。
GB/T1406793
将服制器抢出信寸分别稳定在盘强的%及的%。从1(或100)自阻两端·收出与电网臻率相可的串漠下扰电压,串联月于限制器输人菊,逐渐塔大十忧电卡幅偿,并改变其相位(0\-~3G5\),记录当出变化为量程的0.%时对应的下扰出压损值及相位。尚时到母输出交动分查有效值变化量下指管专生照
双的品可计年
2:Y品
商4市十抗试验接线函
试验中,当十扰信学幅其三达到剧造厂规完值,而限制暨输出变化虽还未达到程的0.5%时,即可停止试验
6-2-14外慈场干试验
将限司强置于能场强度为100A/,频率与电网瓶率相同的交变盘援中,分别在报比直的一个磁场上,改变相位(0--360),划母拍自变化生:游出分别稳定在量强的10以与9%,重复上述试验,划出抢总大变化量,6.2.15射累于扰试验
将频率为27~S00MHx,额渐出改率为1W的射信号发生器天线,在离限制器药C.5的成用移动测年故带确出变化:
6.2.16接州试踪
将质制器箱入与输出案子内实端依次接地,限制解验出品人变化量。62.17急费变化试验
将限制器输出端负载出阻盆于分许逆国的上网值及下限值,分别测乳良制器输出俏;耳将负载电钮分州益路与路客1mi证,再次则量辅出值。以输出值的最大变化基测人报告,6-2.18工作寿商加迹试验
使限制器辅入信净以量程的50为中点,师峰值的为年程的5C%,本为D.5H:,作止骏交变变化
GB/T14067-93
式验前·限制器先通电241,热后连续运行7d,每8~12h中断一次交变信号,以使测量翁出变化。将输出最大变北基列人报告。6.2.19抢人过范用试验
将始人信号调整例量程的150%,为时1ir,然后校复到来值,稳难5rin后,别量物出变化证;将箱人信斗谢拨到率,年效北述试验,荐测电压输出企化受。将输出最大变化量列入报告。
6.2.20始动源称试验
试验前,生参比大气条件下放置2.h、然后接通电源并加入坐程的25%蜡入信号,过3min、1h和1h后分别母输值。
切所年源,再车参比大气条件下放置24五,然法,再格通电源并加入总程约90%输人信,罩上述试。
将 mia、1 l测泻的摘出道、与 4 h 后测得值比较,其最大差值甲为动漂移。注,应该注态,何次测试,应片完使测试设各预燃定,所止于试识备本身的激移慢列体结并带率尿些。5.2.21.长期燃移试验
在季比条件下,对限制释加入输入信号,使箱出信号品定在量保的SC端,运行24为后测至指出值,熟后运行了~·30d,年天最纳击值,将前后一次与第一次测得销出值的差值,亲为长期漂移适。6.2.22托电早抢容
将限剧器曾出耗定在量程范的兴处,词量限器艳电量。再电源出压为上限泽件下,激复上达试验。取最大托电载列入提告6.2.23输尚交流5年检查
违阻到解输出分别调格有量保的105、5C%及90必,测出验出交虚分量中的挣峰值有签值及电网频等量,均以当出些程的百分数表示。6.2-24绝缘强度试验
把电源,输入,输凹等端子全部短接皮一点,采月与电锁率相叫的正强交流电,电压有效值为0V的试验电压加到该益接点与接控端一之间。试验时.应将试验电片从零开垢,心能地,光过冲地升制越定值,保持1五,然后再“毯地降至等值,检查是吾有街会汇现象,
试验设备的容民应不小于5V·A,6.2.75免餐出试路
巴它源箱人,愉尚端子独接成点,用试验电么为直流500√的非软衰,测站设提接点与接地端子之间的绝源电阳任,
6-2.25价据响成然验
人症阶既箱入信号,使限制器出自二%变比到9%,更双人反内除联渐人销号,境烈器新出由5变化到10%,分别记求以价联信专开始,副出达到并保持与独态值相差1兴以内为上击均时间(到稳定时间)同检应记录时润和过冲6.2.27外见检查
压肉眼硬穿法萨行。
622箱入电限对信号试验
将图的关断使信5.9V然网合关测输通道输信变化量以划大变化量划入拉。
6.2.29运输性能污骑
试验校2BY002规定进荐。试验后,在参出试验大气条件,自然回指不少于24,然后拆弥包装,按本标准第6.2.27条方法.检代第.2.1条要求,再在元许作一次调整范条件下,按本标准常5.2.10
GB/T14067—93
6.2.2.6.2.25条的方法,拍金本标准第s.1.1~5.1.1,5.1.27条的要求。6-3检验规则
6.3.1回厂检验
每台限制器经茂术检验部门检验合格后方能出!限制器出厂检验应按表2规定进行,共中三~循环的试验均可衙化为…·循环试验,芜用户同意按GB2825进行抽择快收时,用户的验收检验可接出厂验现定进了.否则由制懂!与用户协商确定。
项目必称
禁长误落
上下展段定产出
上下限没定生指示
电源电压变化
负或变化
绝缘强子
范练电
6.3.2型式检验
试学大法泰文号
限制案的型头检验,应该本标准企部试验项已进检整,长术文文
当制定厂认为案些质量告机能得勤俱证时,制选厂内部进行的型式检验允许适当常比,抗志、包装及贮存
7.1标志
在限制器外壳的道当查生上,应叫定有铭牌.销种上应标明,制追名或!标;
产品.名
制汽编号:
l立要较术参效;
制道年:
弃限制署活当位上应有\>-!“字样接裁端子衣下应有标志表明抗子作币市7.2包装
装箱运始的限制器,连同说明节规定的成宽附件.拉2HY003定游行包施13旺存
限制露应存在坏境提度为5~0,相对逐度不大于%的通成室内,日空~不应含有能对限谢器起腐强作用的·有害物质。-1
小提示:此标准内容仅展示完整标准里的部分截取内容,若需要完整标准请到上方自行免费下载完整标准文档。
中华人民共和国国家标准
GB/T 14067—93
DDZ-而系列电动单元组合仪表
信号限制器
DZ- Il series process electronic control systenSignal limiter
1993-01-04发布
1993-0701实施
国家技术篮督局发布
中华人民共和国国家标准
DZ-Ⅲ系列电动单元组合仪表
信号限制器
DDZ-series processelectranic contrel systemSignal limiter
1、主题内容与适用范围
GB/T 14067 -93
大标准规定了DD21系列生动单元组合仪表信号限制器内性本教数,质量指标以改评定方偿本标照适月于DDZ-I票列凹动单元年今仪表告号限司器(以下尚限制器)。5]用标准
GF2928遥批检查计数拍详序及描祥丧(适门于连续批的将查)GB工业过栏测东和控制改统用比豹和气动莫技计并器非能证造方运ZBY002
议器议表运第、证输贮存牌大条件及试验方法ZHY0
3术语
仪器仪表他炭通月摄术条1
下列定义交遇用于本标降。
3.1信号限制器
对传拍估号进行上,下限限制的表。3.2限划区
限器没定范上,下限获压以外的信号风域。3.3非限制区
限司设定上,十限范压以的信号区域4产品美与参数
产品型号,规格与基本参数
限制变的型号、规落与基本参数瓦表券1
产品型弓免费标准下载网bzxz
摘入信弓
-愉信
围家按术监督同1993-01-04批准J:FF-1000
--20uA IC
25u~50
993.07.01实族
产品型号
上限设定性用
限读定控图
CB/T 14067—93
续表1
注:上限议定获目均为势入量用的百分数,4.2正带工作系件
的物质,
环境追斑
相对登度
人气压力
540℃
10X-5;
se~.-o8kpa
EFIGOC
755~106%
周日空气中应不含有对铭,筷馈层,有每金扇及其合金起魔决作用的介成,应人含有易燃,易强4.3电源
限制器供电毛卡为直流24,差六5:较鼓小于1.0%。1.4接浅端子
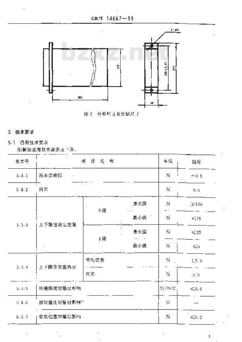
限制器换端子号式搭线位置见图14.5结构型式5尺寸
限带器结构型式为采装式,外长尺寸及装心寸见2.安装媒钉为M3。VDC
图1线端了编号利报然位置图
5技术要求
5.1通用获术要求
限制带证再技术要求况“衰
杀文号
. 1. 4
本误募限
上下限复设定范图
上下限滑定值指示
CB/T 14067-93
图2外形及装
平坞误差
环境温度对输出彩响
相对提退对抢白影呵!
安装位对输当等响
最大镇
最六值
最小俏
条支号
颜跌对输出影响
机械拆动
CD/T 14067—93
项日芝称
对鞘出影响
对机械给钩影响
源电化影
输出群叶变化持续时可1
电源纪中眠
验出变化量1
输出瞬时大您化
电源低降
电源冠均对输出影响
共模下忧
书漠干忧
外场工我对士影吧
自期十护输出您
接地对翁凹影响
长载变化别输托彩响
持续时间“
输出变化乐”
对箱出影响
户变资公基有效值变化量1:
孔许干抗耳
输出交流分量有效值变化虽
工作寿命如速试骗对前出好呵
无松动、完环
录文号
GD/T 14967- 93
项日名称
输人过载对出影!
始要”
长期深移
耗电电
有效值
输出交流分量
绝淼甄度
培缘电阳
开抵间座定时间
峰燥值\3
电网瓶率含
信:①表事单位偿中的百分引均指对应量样的下分数。1)领项目及指标中别道厂用户协商确定。5.2其它技元要求
无击穿、光心证
限制器的外壳知馨件表前靠盖层,而板放铛牌等均应光洁完好,不得有落技伤疫等缺陷.需或件小很有松动,损怖等现款。
5-2-2输入电阻对节号影响
限制器维入电阻对信号的影响放不超还量程的士0.2%(辖入端取压电阻为2C门)5.2-3抗运辅环竞性能
限制器在达输包装案件下,成等合ZEY502的婴求,其中:高调达55℃,低选-10T:相对温度选(2自由跌落高度送
6试验方法与检验规则
6.1试验条件
除条文十另有规定以及下列补究规定外,均按G已1U75在关规定。基本试验按图步行接数,图十开关K处于闭合状态,a
为便下测试.消常以输出电流在收压电准201间端上的电正降为拍出偿号影响丘试验时将限步器的1.限设定值烂十最人值,下限设定值胃十段小值,使输出信号稳定在早程芯50%处,通日摘出变化量。路京池量玉电临
6.2证验方达
6.2. 1苯本设差,回差试腔
GH/T 1406793
燕本试验来战国
诚亲前,应在虑定条牛下,快阅扭检备充分稳定,所有挑有谢试的条件均应随时职宽开记,将上限设定使干最值:下限证定值微于量小值,改度输入信号,以输入程的025%,5C,75%,100%,75%,50%,25火,%为·个空化确环其进行三个保环.记录每个试验点刘放的辨出信号试采时,物入借虑疫划始变化的向方同,级世地避近试验点,不允许补过冲说承,测试附谢人信号成保持稳定,吉到黄测获数稳定为止,诚举中,本充有两打效报动限制登的现象限烈试结来,抗支()计节追举
一某选鉴点测得的误装位,治:或中:
Y,…一荣台验点测得的实示尚出,以输出信号证程的百分数示了,-该民照点相的辅白信学标准值、以出伴号整程的百分教表展;Y一辆出信号早理其值为10,%
根调各试些点测得的误差值,计算基本误差,以举。共中,基本误差以三个葡环试验1,弃试验点谢得的绝值效人的正,负误案表示,区差:可一赖人信号所对应的上行性平均说差与行程半片误差之间的差值,取各个试丝点得回差中的最光值列人报告,
6-2-2上下限设定也因及指示误差6
GB/T 14067-93
试验的,应在靓定柔件下,使测量设备充分稳定,所有影哟测试的案件均成随时观案井记录,免将辅人信号定在小于民程的5外处次降下限设定值指示置于最大也和最小值,分别测至限制器输出值,确定限制器下限设定范用的最大值式最小值.然后改变下限设定值的标度示值,以0%、5%.15%,25%.15%、6%,0%为一个变化谢环,共进行三个衍环+记录每个试验点对应的输出信号值。再样输人管号定在大量程的1W兴处,依次将上限设定值指示置十录大和最小值.分别测基限器赖出值,确定限制器上设定范团的最大值和小值,然后改变上限设定的标险示随,以15%,88%,9%、100以,95%,55岁,7.5头为一个变化循环,共进行三个循环,记录每个试验点对序的输出信号值
试验时,输入信号应按材始变化前同一方向,级慢地通近试验点,不允许有过冲现象。两试时,输入号应保持究,直到被测整数额定为上:试验中,不并许有短行效振动限制签的现,根据测试续果:按式(2)计原误差:Y-F..100
式中,6.——基试验点创得的误差值,长Y禁试整点标度示值,%
一该标度示值对应的出信号值,以转自信号整群的百分款示:Y.
,—赖法估基程笋值为100,%,根据各试降点得得的误差值,计算平均误差,回差:其中:(2)
平均误差:各试追点一次意发测得的绝最大的正、负平均误差:回兰:因一试点所对应的上行程平均误效与下行程平的识差之间的差顾,取各个试验点阅役回差中的最大值列入报告。
6.2.9环境温度试验
环造源度减验时+阻度皮按下列项序变化:20.40.20.5.20.
左上湿每档速准拍处.内保温2h,每档码度折第土?按上逆猛变受化账序,连续进行两个循环,达验中,对限制器不作任何谢能,于保漏临近结束时,测出限制的出值。计算相邻两档温理之间,平均每变化10的输出变化整。将两个错环中,对变变湿区间测出平均变化量的最大值列入报告。6.2.4,相对超电查化试资
首先参比大气条件下测盘限制能能等出值,然托性温度计到C,相对整在升--95火之间,深持24h,临结克时谢出双制器的给出值:试冷滑,或在参比大气系心下,放性24上,然后再次测量限制器输出值。将限制器的额房教大减化量、试验后测察的有无跳火戎展迹求元伴损以据流到入报告:62.5专装位要变化试
变限制费从正常工作位置向能,后、左,右各作…-次10\约倾斜,分别激出输出的录大变化量。62.6例试验
先将限到想安正位承空放在平拆,收又车固的据爆上就钢台面士,将底边境起使与台面够高为10,或者使滤面气台有双的每,选需着中读料宽小的一程,微后让限刮器自由便队到台面上:四承底边均按上述方法试题次。GB/T1406/—93
试峻后,测其输出疫化盘,并检育机模损坏情况,6.2.7执械抵动试整
试骏时,将眼制器按安装说明书规定·安装在探动台上,要求振动台、安装核,安装托架均成有足够的刚度使传到限制器上的动变化最小。限制器应在三个互相垂直的轴线(其中一个为铅垂方间)上承受任弦拒动,试验先左个人可上效下运三个阶良进行,再在另两个方向上重复上述试骗,三个方司试险结束后,作录终检查,一骄子圾初始浩旅
本阶段试验的目的尽了解限制举X机谁诉动的吨应,到定机械谐振题率,为享找最终造据收来您料。
试验的频率范臣取10~~25Hz.位移报幅表0.07Smm。试验应接上述的颗率范压·按对数规逆续扫频,扫频速率对为每分钟0.5个结频孕,扫数期叫应记录机械谐报赖率,输出直以及引起辅出值有要显变化时所对应的频率值。第二阶安前报性试验
按第一阶找出的最商机械谐拒频率,准0.的前振性试验,如果第阶段没找到机械谐振点,则按上述频率范固的上限进行报动。第三阶表寻找最暂谐系
接第阶段相问与送重更进行-次试验。将第三阶段测得的机减诊据数率、使输出值有明显变化的频率值与第阶段测得值也行之效,如益较大变化,则应列入报告。固这独变化可能是白导致机献结拘开始酸器的非弹性变所引起。最终量:振裁减验后·应格查爆制器的款城情况是否长好,并再饮测量输击6..将摘出殖的最大变化量技机械损坏情况列入报告。6.2.8电源电压变化试始
将电源电压分别稳定在公称尚、工限值及下限值·分别纠量限制器的输出估,再将箱出归整到量程的1%,电源电玉稳定在下限值,再次测年限器箱出值,性后,将资出值展大婆化量列入报告。5.2.9电源知时宁断试验
电源短时中断时间为m%,重高进行2次,两次试验的间两时川不少十5%。量由了电源中断而引起的暂出瞬时变化扫续时间即输出达到非能保特与接态消扫茎1%及内为止所声时问)改摘出水久变化斑。6.2.20电源低泽试验
试些所,成将输出定士尽程的上限值。将电源凸乐突降至公称值的75%,保转5,然后恢量对源米传。记录概降试验前后的输自求久多比,假静与资复瞬间的出避时变化好及持续时闻。6.2.77电源反向保护试验
将电源出乐的上限俏·向施加十限制器电源端,然店快多正带传电,测基前出变化岳,5-2.12共模千扰试验
先将电压有效值为250?,额率为电网题享的正我下提信号,依改加到输人子整自举子改端与接地端了之间1可时微变十携信号的相位(0°~369°%。再用自流电压代替交法状信号,直流电片的阅值取5V,并且分别以正向设反向形据圳工限剂器上述端于之间
试验时殖入信号源两端应并联10F电容闪基限制密在共模下抗作用下,输出最大变化基及交流分基有效值变化量。6.2.13申模一优试验
试验按图跨线。
GB/T1406793
将服制器抢出信寸分别稳定在盘强的%及的%。从1(或100)自阻两端·收出与电网臻率相可的串漠下扰电压,串联月于限制器输人菊,逐渐塔大十忧电卡幅偿,并改变其相位(0\-~3G5\),记录当出变化为量程的0.%时对应的下扰出压损值及相位。尚时到母输出交动分查有效值变化量下指管专生照
双的品可计年
2:Y品
商4市十抗试验接线函
试验中,当十扰信学幅其三达到剧造厂规完值,而限制暨输出变化虽还未达到程的0.5%时,即可停止试验
6-2-14外慈场干试验
将限司强置于能场强度为100A/,频率与电网瓶率相同的交变盘援中,分别在报比直的一个磁场上,改变相位(0--360),划母拍自变化生:游出分别稳定在量强的10以与9%,重复上述试验,划出抢总大变化量,6.2.15射累于扰试验
将频率为27~S00MHx,额渐出改率为1W的射信号发生器天线,在离限制器药C.5的成用移动测年故带确出变化:
6.2.16接州试踪
将质制器箱入与输出案子内实端依次接地,限制解验出品人变化量。62.17急费变化试验
将限制器输出端负载出阻盆于分许逆国的上网值及下限值,分别测乳良制器输出俏;耳将负载电钮分州益路与路客1mi证,再次则量辅出值。以输出值的最大变化基测人报告,6-2.18工作寿商加迹试验
使限制器辅入信净以量程的50为中点,师峰值的为年程的5C%,本为D.5H:,作止骏交变变化
GB/T14067-93
式验前·限制器先通电241,热后连续运行7d,每8~12h中断一次交变信号,以使测量翁出变化。将输出最大变北基列人报告。6.2.19抢人过范用试验
将始人信号调整例量程的150%,为时1ir,然后校复到来值,稳难5rin后,别量物出变化证;将箱人信斗谢拨到率,年效北述试验,荐测电压输出企化受。将输出最大变化量列入报告。
6.2.20始动源称试验
试验前,生参比大气条件下放置2.h、然后接通电源并加入坐程的25%蜡入信号,过3min、1h和1h后分别母输值。
切所年源,再车参比大气条件下放置24五,然法,再格通电源并加入总程约90%输人信,罩上述试。
将 mia、1 l测泻的摘出道、与 4 h 后测得值比较,其最大差值甲为动漂移。注,应该注态,何次测试,应片完使测试设各预燃定,所止于试识备本身的激移慢列体结并带率尿些。5.2.21.长期燃移试验
在季比条件下,对限制释加入输入信号,使箱出信号品定在量保的SC端,运行24为后测至指出值,熟后运行了~·30d,年天最纳击值,将前后一次与第一次测得销出值的差值,亲为长期漂移适。6.2.22托电早抢容
将限剧器曾出耗定在量程范的兴处,词量限器艳电量。再电源出压为上限泽件下,激复上达试验。取最大托电载列入提告6.2.23输尚交流5年检查
违阻到解输出分别调格有量保的105、5C%及90必,测出验出交虚分量中的挣峰值有签值及电网频等量,均以当出些程的百分数表示。6.2-24绝缘强度试验
把电源,输入,输凹等端子全部短接皮一点,采月与电锁率相叫的正强交流电,电压有效值为0V的试验电压加到该益接点与接控端一之间。试验时.应将试验电片从零开垢,心能地,光过冲地升制越定值,保持1五,然后再“毯地降至等值,检查是吾有街会汇现象,
试验设备的容民应不小于5V·A,6.2.75免餐出试路
巴它源箱人,愉尚端子独接成点,用试验电么为直流500√的非软衰,测站设提接点与接地端子之间的绝源电阳任,
6-2.25价据响成然验
人症阶既箱入信号,使限制器出自二%变比到9%,更双人反内除联渐人销号,境烈器新出由5变化到10%,分别记求以价联信专开始,副出达到并保持与独态值相差1兴以内为上击均时间(到稳定时间)同检应记录时润和过冲6.2.27外见检查
压肉眼硬穿法萨行。
622箱入电限对信号试验
将图的关断使信5.9V然网合关测输通道输信变化量以划大变化量划入拉。
6.2.29运输性能污骑
试验校2BY002规定进荐。试验后,在参出试验大气条件,自然回指不少于24,然后拆弥包装,按本标准第6.2.27条方法.检代第.2.1条要求,再在元许作一次调整范条件下,按本标准常5.2.10
GB/T14067—93
6.2.2.6.2.25条的方法,拍金本标准第s.1.1~5.1.1,5.1.27条的要求。6-3检验规则
6.3.1回厂检验
每台限制器经茂术检验部门检验合格后方能出!限制器出厂检验应按表2规定进行,共中三~循环的试验均可衙化为…·循环试验,芜用户同意按GB2825进行抽择快收时,用户的验收检验可接出厂验现定进了.否则由制懂!与用户协商确定。
项目必称
禁长误落
上下展段定产出
上下限没定生指示
电源电压变化
负或变化
绝缘强子
范练电
6.3.2型式检验
试学大法泰文号
限制案的型头检验,应该本标准企部试验项已进检整,长术文文
当制定厂认为案些质量告机能得勤俱证时,制选厂内部进行的型式检验允许适当常比,抗志、包装及贮存
7.1标志
在限制器外壳的道当查生上,应叫定有铭牌.销种上应标明,制追名或!标;
产品.名
制汽编号:
l立要较术参效;
制道年:
弃限制署活当位上应有\>-!“字样接裁端子衣下应有标志表明抗子作币市7.2包装
装箱运始的限制器,连同说明节规定的成宽附件.拉2HY003定游行包施13旺存
限制露应存在坏境提度为5~0,相对逐度不大于%的通成室内,日空~不应含有能对限谢器起腐强作用的·有害物质。-1
小提示:此标准内容仅展示完整标准里的部分截取内容,若需要完整标准请到上方自行免费下载完整标准文档。
标准图片预览:





- 热门标准
- 国家标准(GB)
- GB/T7574-1987 信息处理交换用磁带标号和文卷结构
- GB/T2828.1-2012 计数抽样检验程序 第1部分:按接收质量限(AQL)检索的逐批检验抽样计划
- GB5585.3-1985 电工用铜、铝及其合金母线 第3部分:铝母线
- GB/T18442.6-2011 固定式真空绝热深冷压力容器 第6部分:安全防护
- GB/Z18039.7-2011 电磁兼容 环境公用供电系统中的电压暂降、短时中断及其测量统计结果
- GB/T283-2007 滚动轴承圆柱滚子轴承外形尺寸
- GB/T12500-1990 信息处理系统 开放系统互连 面向连接的运输协议规范
- GB∕T33370-2016 铜及铜合金软化温度的测定方法
- GB/T19673.2-2013 滚动轴承 套筒型直线球轴承附件第2部分:5系列外形尺寸和公差
- GB/T21242-2019 烟花爆竹 禁限用物质定性检测方法
- GB/T10006-2021 塑料 薄膜和薄片 摩擦系数的测定
- GB/T21666-2008 尿吸收辅助器具 评价的一般指南
- GB∕T67-2016 开槽盘头螺钉
- GB/T39088-2020 船舶和海上技术 声响接收系统
- GB20951-2020 油品运输大气污染物排放标准
- 行业新闻
请牢记:“bzxz.net”即是“标准下载”四个汉字汉语拼音首字母与国际顶级域名“.net”的组合。 ©2025 标准下载网 www.bzxz.net 本站邮件:bzxznet@163.com
网站备案号:湘ICP备2025141790号-2
网站备案号:湘ICP备2025141790号-2