- 您的位置:
- 标准下载网 >>
- 标准分类 >>
- 建筑材料行业标准(JC) >>
- JC/T 489-1992 美铝曲面装饰板
标准号:
JC/T 489-1992
标准名称:
美铝曲面装饰板
标准类别:
建筑材料行业标准(JC)
标准状态:
现行-
发布日期:
1992-08-11 -
实施日期:
1993-07-01 出版语种:
简体中文下载格式:
.rar.pdf下载大小:
235.51 KB
点击下载
标准简介:
标准下载解压密码:www.bzxz.net
本标准规定了美铝曲面装饰板的产品分类、技术要求、试验方法和检验规则。本标准适用于以特种牛皮纸为底面纸,纤维板或蔗板为中间基材,着色铝合金箔为装饰面层,经粘结、刻沟等工艺生产的用作内装饰和家具装瑛的美铝曲面装饰板。 JC/T 489-1992 美铝曲面装饰板 JC/T489-1992
部分标准内容:
中华人民共和国建材行业标准
白面装饰板
美铝曲
1主题内容与适用范围
JC/T 489—92
本标准规定了美铝曲面装饰板的产品分类、技术要求、试验方法和检验规则。本标准适用于以特种牛皮纸为底面纸,纤维板或蔗板为中间基材,着色铝合金箔为装饰面层,经粘结、刻沟等工艺生产的用作内装饰和家具装璜的美铝曲面装饰板。2 引用标准
GB250评定变色用灰色样卡
GB2828逐批检查计数抽样程序及抽样表(适用于连续批的检查)3产品分类
3.1分类
产品按沟距的宽度分为:
窄沟距美铝曲面板代号为ZQ;
中沟距美铝曲面板代号为ZhQ;
宽沟距美铝曲面板代号为KQ。
3.2等级
产品等级分为优等品(A)、一等品(B)和合格品(C)。3.3标记
3.3.1标记方法
美铝曲面板标记的顺序为:产品名称、代号、规格尺寸、等级和本标准号。3.3.2标记示例
窄沟距,板长2440mm,板宽1220mm,板厚3.5mm的优等品美铝曲面板表示为:美铝曲面板ZQ2440×1220×3.5AJC/T489。4技术要求
4.1规格尺寸
4.1.1幅面尺寸、有效尺寸、厚度及允许偏差应符合表1规定。不裁边板符合幅面尺寸规定,裁边板应符合有效尺寸规定。
国家壁筑材料工业局1992-08-11批准活装
1.993-07-01实施
幅面尺寸
2440×1220
2440×1220
2440×1220
JC/T 489--92
有效尺寸
2440×1209
2440×1197
2440X1188
沟间距尺寸及允许偏差应符合表2规定。表2
基本尺寸
优等品
21(19)
33(31)
注:其他规格可按供需双方协议供货。4.2 外观质量
外观质量应符合表3规定。
沟面裂纹
沟边铝箱损伤
沟距不均
底面纸刻透、皱、断
整板想曲
4.3物理性能
优等品
不允许
极轻微
不允许
允许偏差
一等品
不允许
不允许
不充许
外标注行业资米免费
尺寸允许偏差
合格品
合格品
不允许
不明显
不明显
不允许
极轻微
不允许
物理性能应符合表4规定。
湿粘结
热翘曲量,mm
剥离力,N/cm
褪色性,级
5试验方法
5.1规格尺寸定
5.1.1长度和宽度的测定
5.1.1.1量具
3m钢卷尺,最小分度值1mm。
5.1.1.2测定方法
JC/T 489—92
优等品
一等品
不得剥离
合格品
用钢卷尺在与美铝曲板宽度和长度的中间部位测量,所得数值为板的宽度和长度尺寸,精确至1mm。
5.1.2厚度尺寸测定
5. 1.2. 1 量具
游标卡尺,最小分度值为0.02mm。5.1.2.2测定方法
用游标卡尺在板四边中心线上,距板边20mm左右,板条的中部位置测量,取四个数据的平均值,精确至 0. 02 mm。
5.2沟间距尺寸检验
5.2.1量具
游标卡尺,最小分度值0.02mm。5.2.2测定方法
从板长方向,距板边20mm处,在板宽范围任取4处,用游标卡尺测定相邻两条板相彼两侧边间的距离,取四个数据的平均值,精确至0.02mm。5. 3外观检查
在自然光或日光灯下,光照度为100士20Ix,距离试样300mm,斜向目测检查外观,并对照附录A(补充件)进行。
5. 4°物理性能试验
5.4.1试验环境
温度23士2℃,相对湿度50%±5%。5. 4.2试样制取
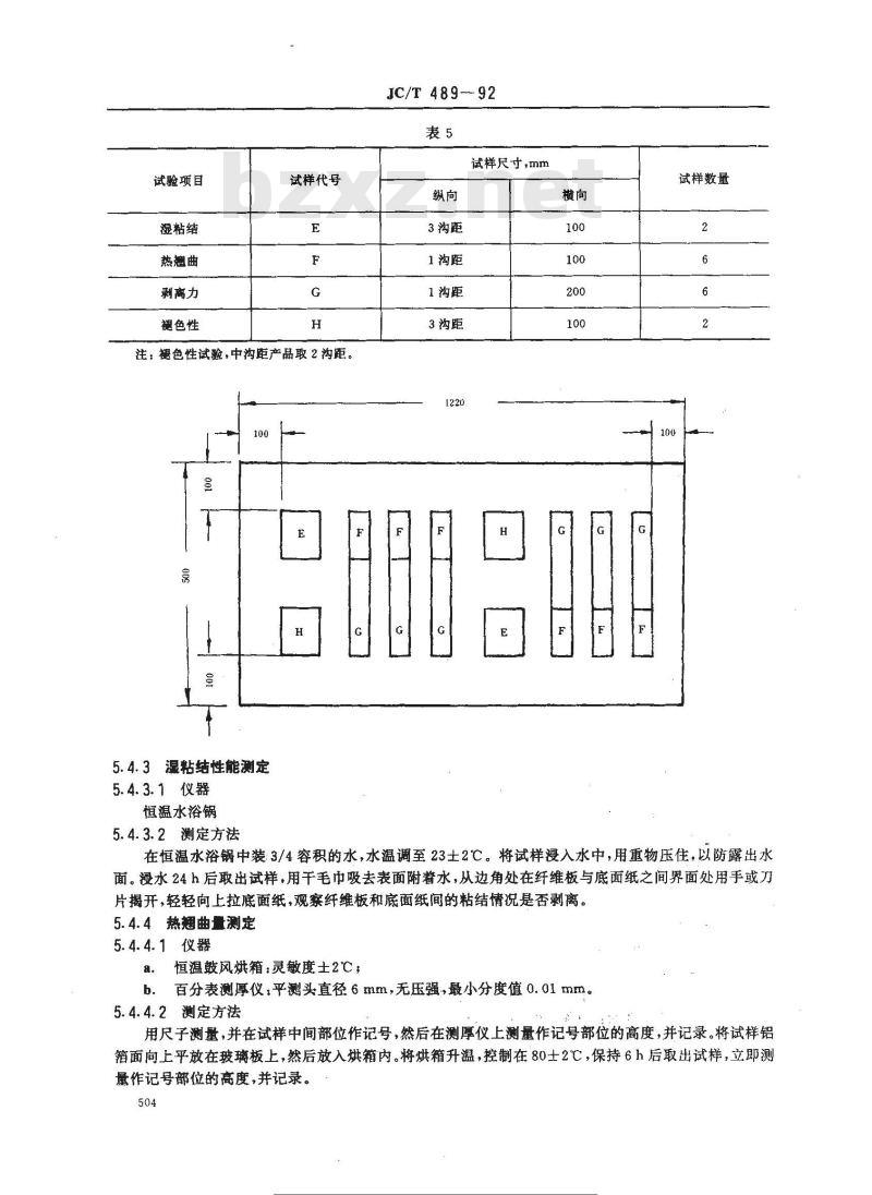
从美铝曲面板一端截取长500mm,宽为板幅面宽的一块样板,并按表5的规定,参照下图布置截取试样。截取时需在距两板边各100mm内取样,试样间距大于或等于100mm。503
标注行业米免费卖
试验项目
湿粘结
热翘曲
剥离力
褪色性
试样代号
注:褪色性试验,中沟距产品取2沟距。O01
5.4.3湿粘结性能测定
5.4.3.1仪器
恒温水浴锅
5.4.3.2测定方法
JC/T 489-92
试样尺寸,mm
3沟距
1沟距
1沟距
3沟距
试样数量
在恒温水浴锅中装3/4容积的水,水温调至23士2℃。将试样浸入水中,用重物压住,以防露出水面。漫水24h后取出试样,用干毛巾吸去表面附着水,从边角处在纤维板与底面纸之间界面处用手或刀片揭开,轻轻向上拉底面纸,观纤维板和底面纸间的粘结情况是否剥离。5.4.4热想曲量测定
5.4.4.1仪器
恒温鼓风烘箱:灵敏度士2℃;
b百分表测厚仪:平测头直径6mm,无压强,最小分度值0.01mm5.4.4.2测定方法
用尺子测量,并在试样中间部位作记号,然后在测厚仪上测量作记号部位的高度,并记录。将试样铝箱面向上平放在玻璃板上,然后放入烘箱内。将烘箱升温,控制在80士2℃,保持6h后取出试样,立即测量作记号部位的高度,并记录。504
5.4.4.3结果计算与评定
热翘曲量按式(1)计算:
式中:AH一-热翘曲量,mm;
H,--—加热后试样的高度,mm;H,-——加热前试样的高度,mm。JC/T 489—92
AH = H, - H,
结果以6个试样的算术平均值表示,精确至0.01mm。5.4.5剃离力的测定
5.4.5.1仪器
300N的拉力试验机、示值相对误差小于士1.0%,示值应在表盘满刻度的10~90%之间。5.4.5.2测定方法
(1)
测定每条试样中部的铝箔宽度,并记录。将试样自由端的铝箔与纤维板界面剥开20 mm,然后将纤维板条垂直夹在上夹持器中,铝箔条垂直夹在下夹持器中,试验过程中,试样夹持部分不能滑动。开动试验机以200士10mm/min的加载速度以180°方式进行剥离,有效剥离长度应在70mm以上,记录此情况下试样被剥离的最大负荷。
5.4.5.3结果计算与评定
最大剥离力按式(2)计算:
式中:F
-铝箔最大剥离力,N/cm;
P—试样铝箔被剥离的最大负荷,N;b-试样铝箔的宽度,cm。
结果以 6个试样的算术平均值表示,精确至0.1 N/cm。5.4.6褪色性测定
5.4.6.1仪器
(2)
人工加速耐气候试验箱,光源为色温区在5500~6000K的氙弧灯。在光源和试样之间装有滤光片,试样上照射强度的差异不得超过平均值的士10%。5.4.6.2测定方法
将一块试样装入样板夹,插到试验箱转鼓上,另一块留作比较样。按试验箱的操作规程开动机器,机内黑板温度为45士5℃,相对湿度60%~70%,试样接受20h照射后,按GB250的规定评定试样铝箔着色层和沟的颜色褪色性。
6检验规则
6:1捡验分类
6.1.1出厂检验
出厂检验的项目包括规格尺寸和外观质量。6.1.2型式检验
6.1.2.1型式检验的项目包括本标准第4章规定的全部项目。6.1.2.2有下列情况之一时,一般应进行型式检验;新产品或老产品转厂生产的试制定型鉴定,b.
正式生产后,如结构、材料、工艺有较大改变,可能影响产品性能时;正常生产时,每半年进行次检验,产品长期停产后,恢复生产时,505
注行业米免费卖
JC/T489--92免费标准下载网bzxz
出厂检验结果与上次型式检验有较大差异时;e.
国家质量监督机构提出进行型式检验要求时。6.2组批规则
美铝曲面板,同卷铝箔生产的产品600张为一批,不足规定数量时仍按一批计。6.3抽样及判定规则
6.3.1出厂检验交收量不大于5批,随机抽取一批,按GB2828正常检查二次抽样方案抽样和检验。样本大小、检查水平IL、合格质量水平见表6,不合格分类见表7,按表6及本标准4.1.4.2规定判定合格或不合格。
抽样方案
批量范围(张)
1~50
91~150
151~280
281~500
501~1200
注, A —
合格判定数,R。
不合格分类
检验项目
样本大小
不合格判定数。
正常检查二软抽样方案IL=I
B类不合格品
累计样本大小
B类不合格
外观质量
C类不合格品
AQL=10
C 类不合格
幅面尺寸或有效尺寸、厚度、沟间距6.3.2型式检验中外观质量和规格尺寸检验按本标准6.3.1规定进行。物理性能检验采用二次抽样,样本大小5张,在完成上述检验的样本中随机抽取,按本标准5.4.2规定制取试样。合格质量水平及不合格分类见表8,按表8和本标准4.3条规定判定合格或不合格。表8
样本大小
累计样本大小
标性授授网:
B类不合格品
各炎标性行业资料免费下载
不合格分类
B类不合格
湿粘结、热翘曲量、剥高力、褪色性7标志、包装、运输与贮存
7.1标志
7.1.1产品标志
JC/T489—92
在每张板的背面都应有包括生产厂名或商标、产品标记、批次或生产日期的标志。7.1.2包装标志
包装材料外表应有收发货标志及不准倒置的字样或图示标志。7.2包装
7.2.1产品应按不同额色、不同规格、等级分类包装。7.2.2包装时产品正面朝上,板与板间用纸隔开,防止板材滑动及板面摩擦损伤,防止受压、颠簸、变形、受潮。
7.2.3外包装用纤维板、聚丙烯打包带包扎或用箱包装,也可根据双方协议进行。7.2.4每件包装中应有装箱单,注明颜色、数量和产品标志。7.3运输
7.3.1产品在搬运时应轻拿轻放,由上而下顺序提取,防止板面受损。7.3.2产品在运输过程中防止错动、弯曲、重压、机械碰撞,并应有防雨、防晒措施。7.4贮存
7.4.1仓库要干燥通风,防潮防水,严禁烟火,板材应放在离地100mm的架子上。7.4.2产品应按不同规格、额色、等级、批号存放。507
六注行业资米免费
A1颜色差异
JC/T489—92
附录A
(补充件)
指同批美铝曲面装饰板中有颜色深浅的不同。A2污迹
指涂沟不当留下的涂料痕迹。
污迹不明显:指板面有长×宽不超过30mm×0.5mm的涂料细痕不超过10处。A3划衰
在生产过程中板面因摩擦等原因而造成的伤痕。A3.1划痕轻微:指长×宽不超过150mm×0.3mm,深度不刻透铝合金箔表面着色层的划痕每平方米不超过1条,每张板不超过3条。A3.2划痕不明显:指长×宽不超过150mm×0.3rmm稍有刻透铝合金箔表面着色层,每平方米不超过1条,每张板不超过3条。
A4沟面裂纹
沟横斜面上各基材之间因粘结质量差,而产生的开胶、分层。A5开胶
由于粘结质量差,使铝合金箔与纤维板之间未粘结好,在板端、板中、板四周产生的铝合金箔翘曲现象。
A5.1开胶极轻微:指板端面铝合金箔未粘结长度不超过5mm的不多于5处,其他部分无开胶。A5.2开胶轻微:指板端面铝合金箔未粘结长度不超过8mm的不多于8处,其他部分无开胶。A5.3开胶不明显:指板端面铝合金箔未粘结长度不超过10mm的不多于10处,其他部分无开胶。A6色斑
着色层上形成的斑点、细纹或漆膜脱落现象。色斑轻微:正常视力,视距30cm自然光或日光灯下能看清细纹,但无斑点和漆膜脱落现象。A7 凹痕
由于纤维板质量差或板遇碰撞或在压力作用下产生的凹印。A7.1凹痕极轻微:面积小于1×1 mm2,深度不超过0.15mm的凹印每平方米不超过1个,每张板不超过3个。
A7.2凹痕轻微:面积小于2×2mm2,深度不超过0.15mm的凹印每平方米不超过2个,每张板不超过5个。
A7.3凹痕不明显:面积小于3×3mm,深度不超过0.2mm的凹印,每平方米不超过3个,每张板不超过8个。
标搜接网
存炎标法行业资术-免费下载
A8波纹
JC/T489—92
由于纤维板表面均匀性不好,铝合金箔太薄及涂胶质量等问题,使板面产生鱼鳞状纹理。A8.1波纹轻微:正常视力30cm视距内自然光或日光灯下,鱼鳞状纹理模糊可见。A8.2波纹不明显:正常视力30cm视距内自然光或日光灯下,鱼鳞状纹理清晰可见。A9凸点
由于纤维板面及胶粘剂的质量或灰尘而造成板面的凸痕小点。A9.1凸点极轻微:直径1mm,高度0.1mm的凸点每平方米不超过1个,每张板不超过3个。A9.2凸点轻微:直径1mm,高度0.2mm的凸点每平方米不超过2个,每张板不超过5个。A9.3凸点不明显:直径1mm,高度0.3mm的凸点每平方米不超过3个,每张板不超过8个。A10湿粘结不得剩离
指用人工进行湿粘结剥离时,无空粘现象,胶仍有粘结力,即剥开时底面纸与纤维板之间互粘有对方的纤维毛。
附加说明:
本标准由中国新型建筑材料工业杭州设计研究院归口。本标准由中国新型建筑材料工业杭州设计研究院、北京京达轻型建材有限公司负责起草。本标准起草人王静华、崔玉茹、秦世麟、张进。本标准委托中国新型建筑材料工业杭州设计研究院负责解释。509
小提示:此标准内容仅展示完整标准里的部分截取内容,若需要完整标准请到上方自行免费下载完整标准文档。
白面装饰板
美铝曲
1主题内容与适用范围
JC/T 489—92
本标准规定了美铝曲面装饰板的产品分类、技术要求、试验方法和检验规则。本标准适用于以特种牛皮纸为底面纸,纤维板或蔗板为中间基材,着色铝合金箔为装饰面层,经粘结、刻沟等工艺生产的用作内装饰和家具装璜的美铝曲面装饰板。2 引用标准
GB250评定变色用灰色样卡
GB2828逐批检查计数抽样程序及抽样表(适用于连续批的检查)3产品分类
3.1分类
产品按沟距的宽度分为:
窄沟距美铝曲面板代号为ZQ;
中沟距美铝曲面板代号为ZhQ;
宽沟距美铝曲面板代号为KQ。
3.2等级
产品等级分为优等品(A)、一等品(B)和合格品(C)。3.3标记
3.3.1标记方法
美铝曲面板标记的顺序为:产品名称、代号、规格尺寸、等级和本标准号。3.3.2标记示例
窄沟距,板长2440mm,板宽1220mm,板厚3.5mm的优等品美铝曲面板表示为:美铝曲面板ZQ2440×1220×3.5AJC/T489。4技术要求
4.1规格尺寸
4.1.1幅面尺寸、有效尺寸、厚度及允许偏差应符合表1规定。不裁边板符合幅面尺寸规定,裁边板应符合有效尺寸规定。
国家壁筑材料工业局1992-08-11批准活装
1.993-07-01实施
幅面尺寸
2440×1220
2440×1220
2440×1220
JC/T 489--92
有效尺寸
2440×1209
2440×1197
2440X1188
沟间距尺寸及允许偏差应符合表2规定。表2
基本尺寸
优等品
21(19)
33(31)
注:其他规格可按供需双方协议供货。4.2 外观质量
外观质量应符合表3规定。
沟面裂纹
沟边铝箱损伤
沟距不均
底面纸刻透、皱、断
整板想曲
4.3物理性能
优等品
不允许
极轻微
不允许
允许偏差
一等品
不允许
不允许
不充许
外标注行业资米免费
尺寸允许偏差
合格品
合格品
不允许
不明显
不明显
不允许
极轻微
不允许
物理性能应符合表4规定。
湿粘结
热翘曲量,mm
剥离力,N/cm
褪色性,级
5试验方法
5.1规格尺寸定
5.1.1长度和宽度的测定
5.1.1.1量具
3m钢卷尺,最小分度值1mm。
5.1.1.2测定方法
JC/T 489—92
优等品
一等品
不得剥离
合格品
用钢卷尺在与美铝曲板宽度和长度的中间部位测量,所得数值为板的宽度和长度尺寸,精确至1mm。
5.1.2厚度尺寸测定
5. 1.2. 1 量具
游标卡尺,最小分度值为0.02mm。5.1.2.2测定方法
用游标卡尺在板四边中心线上,距板边20mm左右,板条的中部位置测量,取四个数据的平均值,精确至 0. 02 mm。
5.2沟间距尺寸检验
5.2.1量具
游标卡尺,最小分度值0.02mm。5.2.2测定方法
从板长方向,距板边20mm处,在板宽范围任取4处,用游标卡尺测定相邻两条板相彼两侧边间的距离,取四个数据的平均值,精确至0.02mm。5. 3外观检查
在自然光或日光灯下,光照度为100士20Ix,距离试样300mm,斜向目测检查外观,并对照附录A(补充件)进行。
5. 4°物理性能试验
5.4.1试验环境
温度23士2℃,相对湿度50%±5%。5. 4.2试样制取
从美铝曲面板一端截取长500mm,宽为板幅面宽的一块样板,并按表5的规定,参照下图布置截取试样。截取时需在距两板边各100mm内取样,试样间距大于或等于100mm。503
标注行业米免费卖
试验项目
湿粘结
热翘曲
剥离力
褪色性
试样代号
注:褪色性试验,中沟距产品取2沟距。O01
5.4.3湿粘结性能测定
5.4.3.1仪器
恒温水浴锅
5.4.3.2测定方法
JC/T 489-92
试样尺寸,mm
3沟距
1沟距
1沟距
3沟距
试样数量
在恒温水浴锅中装3/4容积的水,水温调至23士2℃。将试样浸入水中,用重物压住,以防露出水面。漫水24h后取出试样,用干毛巾吸去表面附着水,从边角处在纤维板与底面纸之间界面处用手或刀片揭开,轻轻向上拉底面纸,观纤维板和底面纸间的粘结情况是否剥离。5.4.4热想曲量测定
5.4.4.1仪器
恒温鼓风烘箱:灵敏度士2℃;
b百分表测厚仪:平测头直径6mm,无压强,最小分度值0.01mm5.4.4.2测定方法
用尺子测量,并在试样中间部位作记号,然后在测厚仪上测量作记号部位的高度,并记录。将试样铝箱面向上平放在玻璃板上,然后放入烘箱内。将烘箱升温,控制在80士2℃,保持6h后取出试样,立即测量作记号部位的高度,并记录。504
5.4.4.3结果计算与评定
热翘曲量按式(1)计算:
式中:AH一-热翘曲量,mm;
H,--—加热后试样的高度,mm;H,-——加热前试样的高度,mm。JC/T 489—92
AH = H, - H,
结果以6个试样的算术平均值表示,精确至0.01mm。5.4.5剃离力的测定
5.4.5.1仪器
300N的拉力试验机、示值相对误差小于士1.0%,示值应在表盘满刻度的10~90%之间。5.4.5.2测定方法
(1)
测定每条试样中部的铝箔宽度,并记录。将试样自由端的铝箔与纤维板界面剥开20 mm,然后将纤维板条垂直夹在上夹持器中,铝箔条垂直夹在下夹持器中,试验过程中,试样夹持部分不能滑动。开动试验机以200士10mm/min的加载速度以180°方式进行剥离,有效剥离长度应在70mm以上,记录此情况下试样被剥离的最大负荷。
5.4.5.3结果计算与评定
最大剥离力按式(2)计算:
式中:F
-铝箔最大剥离力,N/cm;
P—试样铝箔被剥离的最大负荷,N;b-试样铝箔的宽度,cm。
结果以 6个试样的算术平均值表示,精确至0.1 N/cm。5.4.6褪色性测定
5.4.6.1仪器
(2)
人工加速耐气候试验箱,光源为色温区在5500~6000K的氙弧灯。在光源和试样之间装有滤光片,试样上照射强度的差异不得超过平均值的士10%。5.4.6.2测定方法
将一块试样装入样板夹,插到试验箱转鼓上,另一块留作比较样。按试验箱的操作规程开动机器,机内黑板温度为45士5℃,相对湿度60%~70%,试样接受20h照射后,按GB250的规定评定试样铝箔着色层和沟的颜色褪色性。
6检验规则
6:1捡验分类
6.1.1出厂检验
出厂检验的项目包括规格尺寸和外观质量。6.1.2型式检验
6.1.2.1型式检验的项目包括本标准第4章规定的全部项目。6.1.2.2有下列情况之一时,一般应进行型式检验;新产品或老产品转厂生产的试制定型鉴定,b.
正式生产后,如结构、材料、工艺有较大改变,可能影响产品性能时;正常生产时,每半年进行次检验,产品长期停产后,恢复生产时,505
注行业米免费卖
JC/T489--92免费标准下载网bzxz
出厂检验结果与上次型式检验有较大差异时;e.
国家质量监督机构提出进行型式检验要求时。6.2组批规则
美铝曲面板,同卷铝箔生产的产品600张为一批,不足规定数量时仍按一批计。6.3抽样及判定规则
6.3.1出厂检验交收量不大于5批,随机抽取一批,按GB2828正常检查二次抽样方案抽样和检验。样本大小、检查水平IL、合格质量水平见表6,不合格分类见表7,按表6及本标准4.1.4.2规定判定合格或不合格。
抽样方案
批量范围(张)
1~50
91~150
151~280
281~500
501~1200
注, A —
合格判定数,R。
不合格分类
检验项目
样本大小
不合格判定数。
正常检查二软抽样方案IL=I
B类不合格品
累计样本大小
B类不合格
外观质量
C类不合格品
AQL=10
C 类不合格
幅面尺寸或有效尺寸、厚度、沟间距6.3.2型式检验中外观质量和规格尺寸检验按本标准6.3.1规定进行。物理性能检验采用二次抽样,样本大小5张,在完成上述检验的样本中随机抽取,按本标准5.4.2规定制取试样。合格质量水平及不合格分类见表8,按表8和本标准4.3条规定判定合格或不合格。表8
样本大小
累计样本大小
标性授授网:
B类不合格品
各炎标性行业资料免费下载
不合格分类
B类不合格
湿粘结、热翘曲量、剥高力、褪色性7标志、包装、运输与贮存
7.1标志
7.1.1产品标志
JC/T489—92
在每张板的背面都应有包括生产厂名或商标、产品标记、批次或生产日期的标志。7.1.2包装标志
包装材料外表应有收发货标志及不准倒置的字样或图示标志。7.2包装
7.2.1产品应按不同额色、不同规格、等级分类包装。7.2.2包装时产品正面朝上,板与板间用纸隔开,防止板材滑动及板面摩擦损伤,防止受压、颠簸、变形、受潮。
7.2.3外包装用纤维板、聚丙烯打包带包扎或用箱包装,也可根据双方协议进行。7.2.4每件包装中应有装箱单,注明颜色、数量和产品标志。7.3运输
7.3.1产品在搬运时应轻拿轻放,由上而下顺序提取,防止板面受损。7.3.2产品在运输过程中防止错动、弯曲、重压、机械碰撞,并应有防雨、防晒措施。7.4贮存
7.4.1仓库要干燥通风,防潮防水,严禁烟火,板材应放在离地100mm的架子上。7.4.2产品应按不同规格、额色、等级、批号存放。507
六注行业资米免费
A1颜色差异
JC/T489—92
附录A
(补充件)
指同批美铝曲面装饰板中有颜色深浅的不同。A2污迹
指涂沟不当留下的涂料痕迹。
污迹不明显:指板面有长×宽不超过30mm×0.5mm的涂料细痕不超过10处。A3划衰
在生产过程中板面因摩擦等原因而造成的伤痕。A3.1划痕轻微:指长×宽不超过150mm×0.3mm,深度不刻透铝合金箔表面着色层的划痕每平方米不超过1条,每张板不超过3条。A3.2划痕不明显:指长×宽不超过150mm×0.3rmm稍有刻透铝合金箔表面着色层,每平方米不超过1条,每张板不超过3条。
A4沟面裂纹
沟横斜面上各基材之间因粘结质量差,而产生的开胶、分层。A5开胶
由于粘结质量差,使铝合金箔与纤维板之间未粘结好,在板端、板中、板四周产生的铝合金箔翘曲现象。
A5.1开胶极轻微:指板端面铝合金箔未粘结长度不超过5mm的不多于5处,其他部分无开胶。A5.2开胶轻微:指板端面铝合金箔未粘结长度不超过8mm的不多于8处,其他部分无开胶。A5.3开胶不明显:指板端面铝合金箔未粘结长度不超过10mm的不多于10处,其他部分无开胶。A6色斑
着色层上形成的斑点、细纹或漆膜脱落现象。色斑轻微:正常视力,视距30cm自然光或日光灯下能看清细纹,但无斑点和漆膜脱落现象。A7 凹痕
由于纤维板质量差或板遇碰撞或在压力作用下产生的凹印。A7.1凹痕极轻微:面积小于1×1 mm2,深度不超过0.15mm的凹印每平方米不超过1个,每张板不超过3个。
A7.2凹痕轻微:面积小于2×2mm2,深度不超过0.15mm的凹印每平方米不超过2个,每张板不超过5个。
A7.3凹痕不明显:面积小于3×3mm,深度不超过0.2mm的凹印,每平方米不超过3个,每张板不超过8个。
标搜接网
存炎标法行业资术-免费下载
A8波纹
JC/T489—92
由于纤维板表面均匀性不好,铝合金箔太薄及涂胶质量等问题,使板面产生鱼鳞状纹理。A8.1波纹轻微:正常视力30cm视距内自然光或日光灯下,鱼鳞状纹理模糊可见。A8.2波纹不明显:正常视力30cm视距内自然光或日光灯下,鱼鳞状纹理清晰可见。A9凸点
由于纤维板面及胶粘剂的质量或灰尘而造成板面的凸痕小点。A9.1凸点极轻微:直径1mm,高度0.1mm的凸点每平方米不超过1个,每张板不超过3个。A9.2凸点轻微:直径1mm,高度0.2mm的凸点每平方米不超过2个,每张板不超过5个。A9.3凸点不明显:直径1mm,高度0.3mm的凸点每平方米不超过3个,每张板不超过8个。A10湿粘结不得剩离
指用人工进行湿粘结剥离时,无空粘现象,胶仍有粘结力,即剥开时底面纸与纤维板之间互粘有对方的纤维毛。
附加说明:
本标准由中国新型建筑材料工业杭州设计研究院归口。本标准由中国新型建筑材料工业杭州设计研究院、北京京达轻型建材有限公司负责起草。本标准起草人王静华、崔玉茹、秦世麟、张进。本标准委托中国新型建筑材料工业杭州设计研究院负责解释。509
小提示:此标准内容仅展示完整标准里的部分截取内容,若需要完整标准请到上方自行免费下载完整标准文档。
标准图片预览:





- 其它标准
- 热门标准
- 建筑材料行业标准(JC)
- JC248-1981 水力旋流器铸石衬里
- JC/T1013-2006 盘转式压砖机
- JC253-1981 铸石制品检验、验收、标志、包装、运输规则
- JC250-1981 水膜除尘器铸石衬里
- JC/T925-2003 玻璃窑用烧结AZS砖
- JC/T620-2009 石灰取样方法
- JC/T863-2011 高分子防水卷材胶粘剂
- JC/T806-1988(1996) 玻璃熔窑用耐火材料静态下抗玻璃液侵蚀试验方法
- JC/T835-2011 水泥工业用取料机 技术条件
- JC220-1979(1996) 天然金刚石
- JC/T2167-2013 玻璃釉料
- JC/T1026-2007 玻璃纤维增强热固性树脂承载型格栅
- JC/T1041-2007 混凝土裂缝用环氧树脂灌浆材料
- JC/T989-2006 非结构承载用石材胶粘剂
- JC/T613-2005 混凝土和钢筋混凝土排水管钢模
- 行业新闻
请牢记:“bzxz.net”即是“标准下载”四个汉字汉语拼音首字母与国际顶级域名“.net”的组合。 ©2025 标准下载网 www.bzxz.net 本站邮件:bzxznet@163.com
网站备案号:湘ICP备2025141790号-2
网站备案号:湘ICP备2025141790号-2