- 您的位置:
- 标准下载网 >>
- 标准分类 >>
- 石油天然气行业标准(SY) >>
- SY/T 5832-2002 抽油杆扶正器
标准号:
SY/T 5832-2002
标准名称:
抽油杆扶正器
标准类别:
石油天然气行业标准(SY)
标准状态:
现行-
发布日期:
2002-05-28 -
实施日期:
2002-08-01 出版语种:
简体中文下载格式:
.rar.pdf下载大小:
159.51 KB
替代情况:
SY/T 5832-1993
相关标签:
抽油杆
部分标准内容:
ICS 75.020
备案号:10451—2002
中华人民共和国石油天然气行业标准SY /T 5832--2002
代者SY/T 5832—93
抽油杆扶正器
Sucker rod centralizer
2002 - 05 - 28 发布
国家经济贸易委员会
2002 - 08-01 实施
规范性引用文件
术语和定义
产品分类及命名
基本参数
制造要求
性能试验
8验验
9称志、装、运输和贮存
附录A(规范性附录)挂油杆闻器试验录表格式谢录(资料性附录)产品台格证SY/T5832—2002
1范围
抽油杆扶正器
SY/T 5832—2002
本标殖规无了抽剂迁扶正器的分类及命名、基本参数、制造要求、性能试验、检验及标志、包表、运输和存等。
本标准适用于拥机并用拍训计止器的设计、制造和检验。2规范性引用文件
下列文件的条款通选本标准的引川而成为本标推的条款。凡是闪期的引川文件,其随属所有的修改单(小包括勋读的内容)或修订版弯不迟用丁本标准,然而,鼓厕根据本标谁达贼协议的备方研究是否而使用这些文件的最新版本。凡是不注日期的引用文件,其最新版本迈用于本标准:G3-033
G/T 043
G/1 1220
G3r 1634
GB/ 3077
GB 3960
GB/ 9341
SY/T S029
长密度和相对缔度试验力法
使质塑料筛支粱冲山试验力法
不锈翁棒
塑料弯负载热变形温度(简称热变形温度)试验方法合金结构钢
塑料滑动晖擦磨损试瑜方法
料曲性能试输方法
抽汨杆(抽油杆杯短、光杆、
接箍和异径接箍)
SY5306
,油钻采机械产品可机械加「通技术条件
3术语和定义
列术谱机定义延用于本标准:
cenfralixing elenent
扶正件
滚轮、扶正套均称祛正件,
轮节 rulling whel sul
淡轮扶正器的滚轮安装部位,
1产品分类及命名
4.1分类方法
一滚轮获而器(见图1)公为A性、1型:[状就正释(图2)分为A、;
卡箍式扶正器(见图引
」滚轮:体:3站辑
图1滚轮扶正器
SY/T 5832—2002
4.2命名
1一接箍:2轩体;3—快正套
图 2 柱状扶正器
卡箍式扶正器
按工具名称代号、使用技术参数、结构特征代号进行命名,型式:A,B
结构特征代号:GL一滚轮扶正器;2Z—柱状扶正器
QG—卜箍式扶正器
用技术参数(外轻×连接烟效尺寸)扶止器名称代号
示例:F758×1s/uGl。A表示外径58mm,螺纹尺为5/in推油杆螺纹的A型滚轮抽油杆正器。2
5基本参数
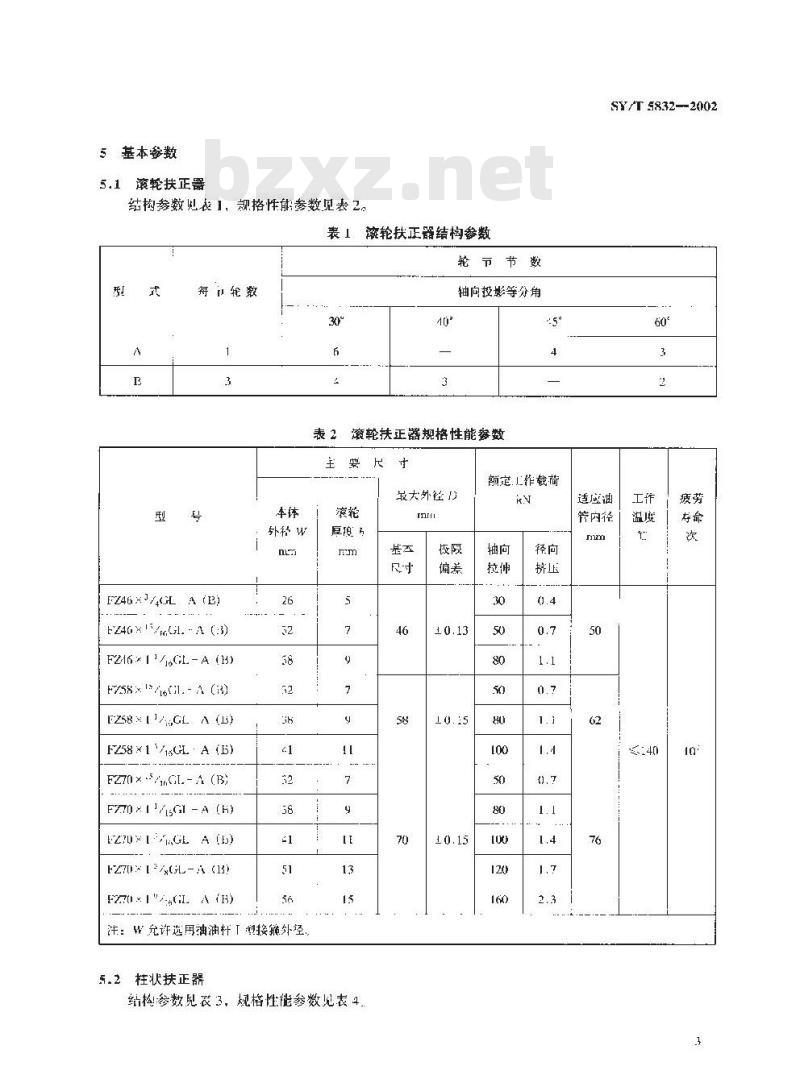
5.1滚轮扶正器
结构参数见表1,规格性能参数见表2。裘1滚轮扶正器结构参数
轮节节数
舞市轮效
FZ46×J/4GL A (E)此内容来自标准下载网
FZ4G X/mGl. -A (:3)
F246×1/,GL -A (H)
F758x 1>/16Gl. - A (3)
[258311/,GLA (B)
FZ58 ×1 /1sGL A (B)
FZ70 × 5/nGI. - A (3)
F770 ×1 1/5GI -A (H)
EZ7UXIGE A (b)
FZ7×[3/GL -A (13)
F27( ×I\GLA (H)
外络W
注:W充许选用油油杆「型接箍外径,5.2 柱状扶正器
抽向投影等分角
滚轮扶正器规格性能睿数
构参数见表3,规格性能参数见表4.皱大外径
颤定,儿作载荷
SY/T 5832--2002
适应油
管内径
SY/T 5832—2002
F24G×/,ZZ-A (B)
扶正套形式
螺旋齿
F746× 1+/1622 -A (B)
FZAG× 1/16ZX A (B)
FZ58 ×15/77.-A (B)
FZ58 ×1 1/1622-A (B)
1Z58 ×[3/42Z:A (B)
FZ70 ×-5/nZZ-A (B)
IZ0×1//nZZ 4 (B)
FZ7UX13/1ZZ-A (B)
FZ70 x 1 3/gZZA (B)
FZ70 X19/1ZZ -A (B)
5.3卡箍式扶正器
规格性能参数见表 5
6制造要求
6.1材料
表3柱状扶正器结构参数
表4柱状扶正器规格性能参数
主尺寸
扶正器
长正套
执正套
扶正套外径D
翻定工
作载荷
轴向径向
肩部倒角
工作丨波劳
6.1.1扶,F器杆体和接箍采用35CrMo材料,其调质硬度257H3.-283HB。允许用综合机械性能不低于35(rMo的其它材料代替,材料应符合GB/3077的化学成分及机械性能的规定。6.1.2滚轮扶正器销轴采用3Cr13材料,其调质处理硬度208IB--240HB。材料应符合GB/T1220的化学成分及机械性能的规定。6.1.3扶正件材料按表6选用,其中尼龙66、尼龙1010优先选用含30%一35%玻璃纤维增强剂的增强材料,技术指称见表7。
FZ46 ×^CX
FZ46 × 15/16QG
F246 × 11/jgQ
F258 × 1/716QG
F758×11/H
F758 × 1 3/.C2G
FZT0 ×13/1QG
FZ70×11/.QG
FZ70 X13/GG
FZ70 X1/sQG
F270 ×1*/:6(G
二作温度,t
选材拖围
雅芯察
表5卡式扶正器规格性能参数
≠要尺
扶止器外径D
基本尺寸
改限偏差
拟正套
换正器
额定径向
T作毂荷
表 6扶正件材料选择方法
尼求66
尼龙1010
表7增强尼龙材料技术指标
室温下轴
向锁紧力
SY/T 5832—2002
适应泊管
75 - 140
塑料、金属
增鼎尼龙
光滑,无伤
弯山强度,MPa
缺口冲击强度,l/m2
雌擦系数 (油介质)
密度,kg'm
热变形湿度,t
≤.0.018
了作温度
5Y/T 5832--2002
6.2加工
6.2.1抽油杆螺纹及披手方颈部信按SY7[5029进行加1检验。6.2.2其余的几械加1要求应符合SY5306的有关规定。6.2.3塑料扶正套采用一次成型!艺加“。6.2.4含属滚轮制贼品表面硬度不大」16HRC(208HB)7性能试验
7.1轴向载荷试验
7.1.1 试验设备及工具
万能材料试验机及试验火头.
7.1.2试样
滚轮扶正器、柱状扶正器成品。7.1.3试验条件
常温。室内。
7.1.4试验程序
7.1.4.1将试两端接1试验爽头:7.1.4.2将试样置于试验机.上下夹具门,使夹具关紧试验火头,保持试样与上下夹具同辅。7.1.4.3对试详施加拉独载荷,最大拉伸载莅大于或等于1.5倍轴可额定T作载荷,静载5mim,试样不发生塑性变形为合格,
7.1.5 录取资料
见附录 A表 A,1.
7.2径向载荷和工作温度试验
7.2.1 试验装直
)温油搏;
b)圆弧商轨道:弧面直径等于油管内径。7.2.2试样
滚轮技正器、壮状状正器、卡箍式扶正欲戒品。7.2.3试验介质
闪点不低十17Ut;的机油。
7.2.4试验程序
7.2.4.1将融烊平放于汕槽内的轨道圆弧面内、并使试捡介避腌没试样。7.2.4.2对试样施加径间载荷,其值等于额定1作载倘:7.2.4.3对试验介质加滤至工作温度,惜30n:t1g将试样取出在空气却冷却至室温:7.2.4.4
7.2.4.5检存扶正件
7.2.5 录取资料
见附录A表A.2g
7.3疲劳寿命试验
7.3.1试验设备及工具
辅向疲疫劳成验机及试验火头
7.3.2 试样
滚轮扶幕、耗状扶臣摄成品。
7.3.3试验条件
常温、宰内
7.3.4试验参数
最大载荷:轴间额定工作载苟:最小载荷:1.5k;
循环颖率;3Hz~10Hz
7.3.5试验程序
7.3.5.1将试样两端接上试验夹头,上紧抽油杆螺纹,$Y/1 5832—2002
7.3.5.2将试样置于试验机下夹具间,使具夹紧试验火头、保持试样等上下夹月同轴7.3.5.3对试样励加轴向循环载荷,试验结果合表2、表4的要求为台格:7.3.6录取资料
见附录 A表 A.3,
7.4轴向锁紧力试验
7.4.1试验设备及工具
a)力能材料试验机:
b)抽油杆短节;
)瓦验来头:
7.4.2试样
卡箍式拟正器成品。
7.4.3试验条件
常温,空内。
7.4.4试验程序
7.4,4.1将灿润杆节穿过下试验夹头中心孔,将试样卡在穿出的一端,再接工土试验夹头。7.4.4.2游试样置于试验机上下交具间,使叉具爽紧试验夹头,保持试样与工下夹具同轴。7.4.4.3对试样施加3kN+0.1kN的拉仲载何,试样不移为个格。7.4.5 录取资料
见附录 A表 A,1.
7.5扶正材料性能试验
7.5.1试验设备、仪器
a)摆链式简支梁冲击试验机;
6M200型磨摄试验机;
塑料弯曲性能试验装置;
担温箱;
r)天平;
)相对密度瓶.
7.5.2试验方法
7.5.,2.1 外观
目测,光滑无损伤。
7.5.2.2弯曲强度
根据(B/T9341进行试验。
7.5.2.3缺口击强度
根据CB/I 1043进行试验。
SY /T 5832-242
7.5.2.4摩擦系数
根据GH/13960进行试验。
7.5.2.5密度
根据 GB/T 033送行验,
7.5.2.6热变形温度
根据(B/T1634遇行试验。
8检验
8.1出厂检验
制造厂对产品迅行100%的检验,险验内穿包活:外观无裂纹,损伤,尺寸符合图纸要求;一抽油杆燃纹经规校验符合要求;滚轮扶止器、柱状扶1器扶止件手试转动灵证、无阻滞现象,卡箍式扶正器锁紧牢节:8.2型式检验
8.2.1金属滚轮制成品表面硬度检骑每批品按5%拍样(最少描样三套),核6.2,4进行检验:如有一套不格,则加倍抽检;碧再与套不合格,则视该批产品为不合格产品:8.2.2轴向载荷检验
每北产品按3%抽样(最少抽样两套)避行轴间裁检,按7【进行。如有套不合格,则那培抽检:若再有-套不合格,则视该批产品为不合格产品。8.2.3径向载荷和工作温度检验
每产品按3%抽样(最少抽样两套)进行径向载荷和工作温度检验、按7.2逊行:知行套不台格,则加替抽检:若再有-套不含格,则视该批品为不合帝产品:8.2.4疲劳寿命检验
年批产品抽样一查进行疲劳寿命检验,按7.3进。妇有不合格,侧加倍检:右再有套不合格:则规该批产品为不合格产品8.2.5轴向锁紧力检验
每批卡箍式扶正器产品按2%拥样,最少抽样一会进行轴向锁紧力检验,技74过行,如行一套不个格,则加倍抽检;花再有套合格,则视该批产品:为不个格产品:9标志、包装、运输和贮存
9.1标志
在扳于方颈平的讨打上永久性标志,为容为产品型号,产品缆号,制造厂标(或代号)和牛产已湖
9.2包装
9.2单套产塑学膜包墨,再木箱也袭,纳箱不越,并在包装箱划间上品规格剧号、执行准编号、产日划、制造!山:七、净年以及防:防尚温标志。9.2.2包箱内应附产品独周说明书.装箱单利产品台格证:品合格证格式则附录E9.3远输
产品在装卸利和运划程,业禁猜诞并避免闻淋,9.4贮存
垃验合落的产品减置于室内其架:不群山呐雨称接触其有腐蚀引的物联,详离热源n为外
附录A
【规范性附录】
抽油杆扶正器试验记录表格式
拟正器试验记录表格式如表 A,1、表 A.2和表 A.3 所示。表A.1轴向载荷试验记录
试样型号
最人拉伸载荷
试验缩论
试验人
审核人
试样型号
扶正件材料
试验辈论
试验人
市核人
试样世号
最大荷
循环频率
试验结论
试验人
试样编号
试验日期
市核口期
表A,2径向载荷和工作温度试验记录试样编号
径向载荷,kN
径,aurr
试验H期
审核口期
表A.3疲劳寿命试验记录
试样编号
最小栽荷
疲劳专命
试验日期
审核日期
SY:T 5832—2002
恒温时间
外观始查
SY/T 5832—2002
附录B
【资料性附录】
产品合格证
扶正器产品合格证格武如表 B.1、表B.2和表 L.3所示表B.1滚轮扶正器合格证
产品型号
出!“日期
測造广名
产品型
出!期
制造,名
产品型号
出厂日期
制造,名
产品端识
凝轮材料
格验战
表B.2柱状技正器合格证
产品编号
正套松料
险验员
卡箍式扶正器合格证
产鼠编凸
扶止套材料
检验员
小提示:此标准内容仅展示完整标准里的部分截取内容,若需要完整标准请到上方自行免费下载完整标准文档。
备案号:10451—2002
中华人民共和国石油天然气行业标准SY /T 5832--2002
代者SY/T 5832—93
抽油杆扶正器
Sucker rod centralizer
2002 - 05 - 28 发布
国家经济贸易委员会
2002 - 08-01 实施
规范性引用文件
术语和定义
产品分类及命名
基本参数
制造要求
性能试验
8验验
9称志、装、运输和贮存
附录A(规范性附录)挂油杆闻器试验录表格式谢录(资料性附录)产品台格证SY/T5832—2002
1范围
抽油杆扶正器
SY/T 5832—2002
本标殖规无了抽剂迁扶正器的分类及命名、基本参数、制造要求、性能试验、检验及标志、包表、运输和存等。
本标准适用于拥机并用拍训计止器的设计、制造和检验。2规范性引用文件
下列文件的条款通选本标准的引川而成为本标推的条款。凡是闪期的引川文件,其随属所有的修改单(小包括勋读的内容)或修订版弯不迟用丁本标准,然而,鼓厕根据本标谁达贼协议的备方研究是否而使用这些文件的最新版本。凡是不注日期的引用文件,其最新版本迈用于本标准:G3-033
G/T 043
G/1 1220
G3r 1634
GB/ 3077
GB 3960
GB/ 9341
SY/T S029
长密度和相对缔度试验力法
使质塑料筛支粱冲山试验力法
不锈翁棒
塑料弯负载热变形温度(简称热变形温度)试验方法合金结构钢
塑料滑动晖擦磨损试瑜方法
料曲性能试输方法
抽汨杆(抽油杆杯短、光杆、
接箍和异径接箍)
SY5306
,油钻采机械产品可机械加「通技术条件
3术语和定义
列术谱机定义延用于本标准:
cenfralixing elenent
扶正件
滚轮、扶正套均称祛正件,
轮节 rulling whel sul
淡轮扶正器的滚轮安装部位,
1产品分类及命名
4.1分类方法
一滚轮获而器(见图1)公为A性、1型:[状就正释(图2)分为A、;
卡箍式扶正器(见图引
」滚轮:体:3站辑
图1滚轮扶正器
SY/T 5832—2002
4.2命名
1一接箍:2轩体;3—快正套
图 2 柱状扶正器
卡箍式扶正器
按工具名称代号、使用技术参数、结构特征代号进行命名,型式:A,B
结构特征代号:GL一滚轮扶正器;2Z—柱状扶正器
QG—卜箍式扶正器
用技术参数(外轻×连接烟效尺寸)扶止器名称代号
示例:F758×1s/uGl。A表示外径58mm,螺纹尺为5/in推油杆螺纹的A型滚轮抽油杆正器。2
5基本参数
5.1滚轮扶正器
结构参数见表1,规格性能参数见表2。裘1滚轮扶正器结构参数
轮节节数
舞市轮效
FZ46×J/4GL A (E)此内容来自标准下载网
FZ4G X/mGl. -A (:3)
F246×1/,GL -A (H)
F758x 1>/16Gl. - A (3)
[258311/,GLA (B)
FZ58 ×1 /1sGL A (B)
FZ70 × 5/nGI. - A (3)
F770 ×1 1/5GI -A (H)
EZ7UXIGE A (b)
FZ7×[3/GL -A (13)
F27( ×I\GLA (H)
外络W
注:W充许选用油油杆「型接箍外径,5.2 柱状扶正器
抽向投影等分角
滚轮扶正器规格性能睿数
构参数见表3,规格性能参数见表4.皱大外径
颤定,儿作载荷
SY/T 5832--2002
适应油
管内径
SY/T 5832—2002
F24G×/,ZZ-A (B)
扶正套形式
螺旋齿
F746× 1+/1622 -A (B)
FZAG× 1/16ZX A (B)
FZ58 ×15/77.-A (B)
FZ58 ×1 1/1622-A (B)
1Z58 ×[3/42Z:A (B)
FZ70 ×-5/nZZ-A (B)
IZ0×1//nZZ 4 (B)
FZ7UX13/1ZZ-A (B)
FZ70 x 1 3/gZZA (B)
FZ70 X19/1ZZ -A (B)
5.3卡箍式扶正器
规格性能参数见表 5
6制造要求
6.1材料
表3柱状扶正器结构参数
表4柱状扶正器规格性能参数
主尺寸
扶正器
长正套
执正套
扶正套外径D
翻定工
作载荷
轴向径向
肩部倒角
工作丨波劳
6.1.1扶,F器杆体和接箍采用35CrMo材料,其调质硬度257H3.-283HB。允许用综合机械性能不低于35(rMo的其它材料代替,材料应符合GB/3077的化学成分及机械性能的规定。6.1.2滚轮扶正器销轴采用3Cr13材料,其调质处理硬度208IB--240HB。材料应符合GB/T1220的化学成分及机械性能的规定。6.1.3扶正件材料按表6选用,其中尼龙66、尼龙1010优先选用含30%一35%玻璃纤维增强剂的增强材料,技术指称见表7。
FZ46 ×^CX
FZ46 × 15/16QG
F246 × 11/jgQ
F258 × 1/716QG
F758×11/H
F758 × 1 3/.C2G
FZT0 ×13/1QG
FZ70×11/.QG
FZ70 X13/GG
FZ70 X1/sQG
F270 ×1*/:6(G
二作温度,t
选材拖围
雅芯察
表5卡式扶正器规格性能参数
≠要尺
扶止器外径D
基本尺寸
改限偏差
拟正套
换正器
额定径向
T作毂荷
表 6扶正件材料选择方法
尼求66
尼龙1010
表7增强尼龙材料技术指标
室温下轴
向锁紧力
SY/T 5832—2002
适应泊管
75 - 140
塑料、金属
增鼎尼龙
光滑,无伤
弯山强度,MPa
缺口冲击强度,l/m2
雌擦系数 (油介质)
密度,kg'm
热变形湿度,t
≤.0.018
了作温度
5Y/T 5832--2002
6.2加工
6.2.1抽油杆螺纹及披手方颈部信按SY7[5029进行加1检验。6.2.2其余的几械加1要求应符合SY5306的有关规定。6.2.3塑料扶正套采用一次成型!艺加“。6.2.4含属滚轮制贼品表面硬度不大」16HRC(208HB)7性能试验
7.1轴向载荷试验
7.1.1 试验设备及工具
万能材料试验机及试验火头.
7.1.2试样
滚轮扶正器、柱状扶正器成品。7.1.3试验条件
常温。室内。
7.1.4试验程序
7.1.4.1将试两端接1试验爽头:7.1.4.2将试样置于试验机.上下夹具门,使夹具关紧试验火头,保持试样与上下夹具同辅。7.1.4.3对试详施加拉独载荷,最大拉伸载莅大于或等于1.5倍轴可额定T作载荷,静载5mim,试样不发生塑性变形为合格,
7.1.5 录取资料
见附录 A表 A,1.
7.2径向载荷和工作温度试验
7.2.1 试验装直
)温油搏;
b)圆弧商轨道:弧面直径等于油管内径。7.2.2试样
滚轮技正器、壮状状正器、卡箍式扶正欲戒品。7.2.3试验介质
闪点不低十17Ut;的机油。
7.2.4试验程序
7.2.4.1将融烊平放于汕槽内的轨道圆弧面内、并使试捡介避腌没试样。7.2.4.2对试样施加径间载荷,其值等于额定1作载倘:7.2.4.3对试验介质加滤至工作温度,惜30n:t1g将试样取出在空气却冷却至室温:7.2.4.4
7.2.4.5检存扶正件
7.2.5 录取资料
见附录A表A.2g
7.3疲劳寿命试验
7.3.1试验设备及工具
辅向疲疫劳成验机及试验火头
7.3.2 试样
滚轮扶幕、耗状扶臣摄成品。
7.3.3试验条件
常温、宰内
7.3.4试验参数
最大载荷:轴间额定工作载苟:最小载荷:1.5k;
循环颖率;3Hz~10Hz
7.3.5试验程序
7.3.5.1将试样两端接上试验夹头,上紧抽油杆螺纹,$Y/1 5832—2002
7.3.5.2将试样置于试验机下夹具间,使具夹紧试验火头、保持试样等上下夹月同轴7.3.5.3对试样励加轴向循环载荷,试验结果合表2、表4的要求为台格:7.3.6录取资料
见附录 A表 A.3,
7.4轴向锁紧力试验
7.4.1试验设备及工具
a)力能材料试验机:
b)抽油杆短节;
)瓦验来头:
7.4.2试样
卡箍式拟正器成品。
7.4.3试验条件
常温,空内。
7.4.4试验程序
7.4,4.1将灿润杆节穿过下试验夹头中心孔,将试样卡在穿出的一端,再接工土试验夹头。7.4.4.2游试样置于试验机上下交具间,使叉具爽紧试验夹头,保持试样与工下夹具同轴。7.4.4.3对试样施加3kN+0.1kN的拉仲载何,试样不移为个格。7.4.5 录取资料
见附录 A表 A,1.
7.5扶正材料性能试验
7.5.1试验设备、仪器
a)摆链式简支梁冲击试验机;
6M200型磨摄试验机;
塑料弯曲性能试验装置;
担温箱;
r)天平;
)相对密度瓶.
7.5.2试验方法
7.5.,2.1 外观
目测,光滑无损伤。
7.5.2.2弯曲强度
根据(B/T9341进行试验。
7.5.2.3缺口击强度
根据CB/I 1043进行试验。
SY /T 5832-242
7.5.2.4摩擦系数
根据GH/13960进行试验。
7.5.2.5密度
根据 GB/T 033送行验,
7.5.2.6热变形温度
根据(B/T1634遇行试验。
8检验
8.1出厂检验
制造厂对产品迅行100%的检验,险验内穿包活:外观无裂纹,损伤,尺寸符合图纸要求;一抽油杆燃纹经规校验符合要求;滚轮扶止器、柱状扶1器扶止件手试转动灵证、无阻滞现象,卡箍式扶正器锁紧牢节:8.2型式检验
8.2.1金属滚轮制成品表面硬度检骑每批品按5%拍样(最少描样三套),核6.2,4进行检验:如有一套不格,则加倍抽检;碧再与套不合格,则视该批产品为不合格产品:8.2.2轴向载荷检验
每北产品按3%抽样(最少抽样两套)避行轴间裁检,按7【进行。如有套不合格,则那培抽检:若再有-套不合格,则视该批产品为不合格产品。8.2.3径向载荷和工作温度检验
每产品按3%抽样(最少抽样两套)进行径向载荷和工作温度检验、按7.2逊行:知行套不台格,则加替抽检:若再有-套不含格,则视该批品为不合帝产品:8.2.4疲劳寿命检验
年批产品抽样一查进行疲劳寿命检验,按7.3进。妇有不合格,侧加倍检:右再有套不合格:则规该批产品为不合格产品8.2.5轴向锁紧力检验
每批卡箍式扶正器产品按2%拥样,最少抽样一会进行轴向锁紧力检验,技74过行,如行一套不个格,则加倍抽检;花再有套合格,则视该批产品:为不个格产品:9标志、包装、运输和贮存
9.1标志
在扳于方颈平的讨打上永久性标志,为容为产品型号,产品缆号,制造厂标(或代号)和牛产已湖
9.2包装
9.2单套产塑学膜包墨,再木箱也袭,纳箱不越,并在包装箱划间上品规格剧号、执行准编号、产日划、制造!山:七、净年以及防:防尚温标志。9.2.2包箱内应附产品独周说明书.装箱单利产品台格证:品合格证格式则附录E9.3远输
产品在装卸利和运划程,业禁猜诞并避免闻淋,9.4贮存
垃验合落的产品减置于室内其架:不群山呐雨称接触其有腐蚀引的物联,详离热源n为外
附录A
【规范性附录】
抽油杆扶正器试验记录表格式
拟正器试验记录表格式如表 A,1、表 A.2和表 A.3 所示。表A.1轴向载荷试验记录
试样型号
最人拉伸载荷
试验缩论
试验人
审核人
试样型号
扶正件材料
试验辈论
试验人
市核人
试样世号
最大荷
循环频率
试验结论
试验人
试样编号
试验日期
市核口期
表A,2径向载荷和工作温度试验记录试样编号
径向载荷,kN
径,aurr
试验H期
审核口期
表A.3疲劳寿命试验记录
试样编号
最小栽荷
疲劳专命
试验日期
审核日期
SY:T 5832—2002
恒温时间
外观始查
SY/T 5832—2002
附录B
【资料性附录】
产品合格证
扶正器产品合格证格武如表 B.1、表B.2和表 L.3所示表B.1滚轮扶正器合格证
产品型号
出!“日期
測造广名
产品型
出!期
制造,名
产品型号
出厂日期
制造,名
产品端识
凝轮材料
格验战
表B.2柱状技正器合格证
产品编号
正套松料
险验员
卡箍式扶正器合格证
产鼠编凸
扶止套材料
检验员
小提示:此标准内容仅展示完整标准里的部分截取内容,若需要完整标准请到上方自行免费下载完整标准文档。
标准图片预览:





- 其它标准
- 热门标准
- 石油天然气行业标准(SY)
- SY/T5412-2005 下套管作业规程
- SY/T5615-2004 石油天然气地质编图规范及图式
- SY/T5896-1993 采气工程劳动定额
- SY/T6747-2008 油气探井核磁共振录井规范
- SY/T5703-2012 石油测井数据项名称规范
- SY/T6176-2012 气藏开发井资料录取技术规范
- SY/T5187-1997 游梁式抽油机大修理技术条件
- SY5312.6-1987 石油及天然气探井数据库编码 油、气、水层代码
- SY5368.5-1989 岩石薄片鉴定方法 碳酸盐岩
- SY6043-1994 钻井设备拆装安全规定
- SY/T6118-2013 热力采油蒸汽发生器水处理系统运行技术规程
- SY/T4078-1995 钢质管道内涂层液体涂料补口机补口工艺
- SY/T5230-1991 石油勘探开发仪器基本环境试验方法 试验C: 盐雾试验
- SY0055-1993 长距离输油输气管道测量规范
- SY/T5864-1993 抽油机井示功图测试
- 行业新闻
请牢记:“bzxz.net”即是“标准下载”四个汉字汉语拼音首字母与国际顶级域名“.net”的组合。 ©2025 标准下载网 www.bzxz.net 本站邮件:bzxznet@163.com
网站备案号:湘ICP备2025141790号-2
网站备案号:湘ICP备2025141790号-2