- 您的位置:
- 标准下载网 >>
- 标准分类 >>
- 石油天然气行业标准(SY) >>
- SY/T 6585-2003 碳纤维复合材料连续抽油杆
标准号:
SY/T 6585-2003
标准名称:
碳纤维复合材料连续抽油杆
标准类别:
石油天然气行业标准(SY)
标准状态:
现行-
发布日期:
2003-03-18 -
实施日期:
2003-08-01 出版语种:
简体中文下载格式:
.rar.pdf下载大小:
165.22 KB
部分标准内容:
1075.180.10
备率号:11614—2003
中华人民共和国石油天然气行业标准SY/T6585—2003
碳纤维复合材料连续抽油杆
Carhon fihrc compksite continuous sucker rrd2003-03-18发布
国家经济贸晶委员会
2003-01实施
SY/T6585-2003
本标准出全函石油站采设各和工其标准化技.代委站会提出并汽口。本标难起萨单位:胜利为洲管理局1程机鼓总1,北京化工大学。本标残主興起草人:顾平林、杨小平,张始节、王戚忠、朱改峰,常德、艳华、市1范图
碳纤维复合材料连续抽油杆
SY/6565—2003
本标准规定了碳纤维复合材料连续拍证杆(杆体、金减端接头)的坚式,判格、装术要求、诚验方法、检验规则、怀志、包装,、阅赖和等,本标牵适用十以燃纤维为主要增强材料、树脂为基体材料制备的碳红维复合材料连续抽油杆,2规范性引用文件
下列文件中的条敏过本标准的引用而成为不标准的余款。凡是注月期的引用文件,其断后所有的整改单(不包括劫误的内案)些修订题均不厚用于本标准,恭而,鼓感报情本标准达成协议的各方研究是否可使用过些文件的最新版本,凡不注百期的引用文件,共其最新版木渣用本标准。GB/T1220—1992不锈钢带
【H/1446-1983纤维增出塑料性能试验方法总则G/11463—1988纤维增渠塑料需度和对对密度试验方法[B/T33541999定间纤维增强塑料拉伸性能试验方法GR/T3355—1999单向纤业增驱塑料肾曲性能试验法单向纤维增强塑料层间剪切螺度试验方法JC:717731996
SY/T 6029—1995
油泊杆(抽油杆短节、光杆、接箍和异径接拖)3型式与规格
3.1型式
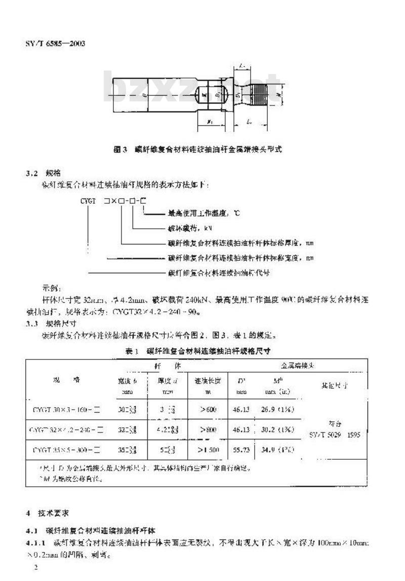
领纤维复合材料连续动油杆型式见图1:碳纤维高介财料库续抽油杆杆伙的横做面形状见用2;碳纤维发合材料述续独油杆金属谢接头式见图3。金属据工
我红建复合材注描油杆环位
图1碳纤维总合材料连续抽油杆型式国2磷轩辨合材料连皱抽油杆杆体的横截面形状金属劵替头
SY行65%5—23
3.2规格
图3碳纤维复合材料硅经抽油杆金属燃接头型式红维合材料迁续抽油订肥格的类示方法好下CYGI3XO--
量高使用工作溢度,
坡坏,ky
碘纤维发合材料连续拍油杆杆体标称厚座,TM联纤维忘合料连续拍油析杆休标称宽度,嵌红邹复合忆料连梦州油标代号示:
开体寸宽2、74.21ml、破载荷240kN、最高更用T作温度州的碳纤辨合材料连续油,现表小为:GYGT32×4.2-2090。3.3规格尺寸
炭纤继多介材料准续扯油杆规格尺寸等个图2,图3,表1的规定,表1
CYG汀 ×3 - IG- 二
G 32×: .2 2iG -
GT ax5 ---
碳纤维空合材料连续抽油杆规格尺金而端接义
违实长
2,2+8:3
尺民为全品络接最人外形小,其体当料前当产」家自行通是,M为数教公称A作。
4拉术要求
4.1碳纤维克合材料连续推油杆开体ari (u.)
30.2(K)
$T 50291595
4.11红划复合材料连线油杆体表面速无裂,不号出现大下K宽×深100元m100.2的降、刻离。
4.1.2碳纤维女合材料续灿油杆体的瓷度为1.50g/m--1.65g/m。4.1.3碳纤维复会材料连统抽和机体的强度性能应衍合表2的现定。表?碳纤维复食材料连续抽油杆杆体的静强度性能功
坑:M
伸单积量,(
“当强,VP
学口禅杜类鼠,(:
-I 80n
SY76585—2003
4.1.4磺纤维复个材料注数抽油纤杆体的最高使用T准温度分为90T:12门,150三>等级。4.2金两端核头
4.2.1企网接头材料的力学性能符合SYT5029—1995中第2章D级抽油杆的1关规定,4.2.2金压滑接头财料剂耐腐蚀要水应符合B/T1220—1992的有关规正4.2.3全服端频头的外螺放、成力减轻惜、外拨效接头台阶、板于方预问原度符会SY/个5029199中的期完
4.1连接强虚
企属端度头与微发合材到连续拍法杆本接后,在5.1.4的试验中,微纤维复合材料连统打打体护拉尝度达列4.1.3的要求时、会属端变头与打体车接处不能山现断系,帮脱。S试验方法
5.1碳纤维复台衬料连续抽油杆杆体5.1.1外观:含自续光照下日测。5.1.2培,寸:采马精度0.02mn:前乐1尺及摘度10m的长度测量尺退行测量5.1.3密度按GR.T143—1988进行试验。5.1.4扩拉漏度及拉伸弹性模单:)试样:或段段接纤继复合材料涯续捕油杆朴体作为试样,在州编连接企底端头,保证杆体有效长度大于170mm
b)其饱:按B/T33$4—1999进行诚骏。5.1.5李山也质及学出弹性模量按GR/T3356—1999进行试独,5.1.6层间剪继度做JC/T773—1996进行试验5.1.7最高使比T含温度:
a)仪器:热机械分折设(MA)免费标准下载网bzxz
b)试验件及步骤:频中1Hz,升温速度10t:/mir,则股璃化特安温度T、T,减40C即为品高使用工作温度:
诚样司备:制各一段长×宽×厚%45证×4m2mm的碳纤维复含制料连续插油评计体作为样:
d)其构:投(T144G—1583选行试验5.2底端接头
≤.2.1会展端按头材料耐窗蚀号求的试验报51220一1925实执行5.2.2金满端变头其他性朗要求的试验接5?5129-19951对D级挡油杆的有关规定执行,SY/'0585—2003
5.3连掩强度
金端接头与碳纤维复合材料连抽冲杆托杆体连接强度的试验控5.1.4热行、6检验规则
6.1取样方法
取样方法符合表3的规定:
表3职拌方法
收样方法
磷纤维豆合划科连续油油杆体
规格尺!
金周洲丧头
6.2出厂检险
6.1.1 组抵规则
在接再
腐油要术
随机、·端
按G/12201992规宠执行
拉SYT 5029
1995规定执行
防机,
轩维友合材料额抽油托按批进行拉合、捡隐和跑收,每批成由同种原材料、间一规格、同一工艺例度组成.
6.2.2检验项目
出厂检验且为3.3,4.1.1,4.2.3,4.3规定的项H及4.1.3中规定的抗拉强资和拉伸弹性校盘。
6.2.3判定规
6.2.3.1碳纤灌复合材料连续抽油杆杆体3.3,4.1.1规定的各项技术指标达不到要求时,格不合格处去偿:但应保证剩余续长度符合表1的要求。说位殖度和拉仲弹性模量达到1.1.3魂定的技不指标,则判该托合格,否照为不合格。
6.2.3.2金属端接头
金风端接头符合3.3,4,2.3的规定,则判件会格,否则为不合格,6.2.3.3连接强度
连接强度全部符台4.3的规定,测期该批合落,香则为不合格,6.3型式检验
型式应验项日为技术要求的全部测,避到以上情况之一时,应进行型式检验)新产品试制鉴定:
15)产品配有、材料或T.艺条性发生较大效变时:c)止常上产时、每年至少-次;山)件产半午后,重新牛产时;e出」检与上一次型式检验结有较大差异时:)国家质量监督机构提出要求时。7标志,包装、运输、购存
7.1 标志
sYr 65852003
每根碳纤维复合材料连续抽油杆在杆体和接头上应有明品标识。标识时应求用一种不破环碳纤维复合材料连续插注杆性能的标识方法。在正带装卸和步装内标识应保持消断,标识成色括下列内客:a)生产名称商标;
h)产品规格;
产品标号;
d)生产口期,
了.2包装
每-根碳纤维荒合材料连续抽油杆杆体为一件,以单列金列盘老方式盘凳在有内芯和两侧保护的回盘上:刚盘上应有固定杆体两端的锁累窄保护装量,最小盘绕半径应大干托体序患的150倍。余典端接头螺纹应设计螺纹护丝,所设计的颊教护丝应能防止外螺效及接题耐的携伤、碰伤、潮湿和污移的流取,并做到不需锈击便可拆下。外包吸成有产异标志。包装内应附带产品使用说明书、产战合格证等技术文件。
运输时,破纤维复合材料连抽准托托体不将与其他赖体链撤,与其他物体接触对需用软物垫村,表卸时不得避撞杆体。流属端按头成用木箱装运,运输过程中不得口晒、南。了.4胜存
应些存丁道风度好、十燥清、达消防要求的库房内,不得带近火源履气,并按规格分别存微。
小提示:此标准内容仅展示完整标准里的部分截取内容,若需要完整标准请到上方自行免费下载完整标准文档。
备率号:11614—2003
中华人民共和国石油天然气行业标准SY/T6585—2003
碳纤维复合材料连续抽油杆
Carhon fihrc compksite continuous sucker rrd2003-03-18发布
国家经济贸晶委员会
2003-01实施
SY/T6585-2003
本标准出全函石油站采设各和工其标准化技.代委站会提出并汽口。本标难起萨单位:胜利为洲管理局1程机鼓总1,北京化工大学。本标残主興起草人:顾平林、杨小平,张始节、王戚忠、朱改峰,常德、艳华、市1范图
碳纤维复合材料连续抽油杆
SY/6565—2003
本标准规定了碳纤维复合材料连续拍证杆(杆体、金减端接头)的坚式,判格、装术要求、诚验方法、检验规则、怀志、包装,、阅赖和等,本标牵适用十以燃纤维为主要增强材料、树脂为基体材料制备的碳红维复合材料连续抽油杆,2规范性引用文件
下列文件中的条敏过本标准的引用而成为不标准的余款。凡是注月期的引用文件,其断后所有的整改单(不包括劫误的内案)些修订题均不厚用于本标准,恭而,鼓感报情本标准达成协议的各方研究是否可使用过些文件的最新版本,凡不注百期的引用文件,共其最新版木渣用本标准。GB/T1220—1992不锈钢带
【H/1446-1983纤维增出塑料性能试验方法总则G/11463—1988纤维增渠塑料需度和对对密度试验方法[B/T33541999定间纤维增强塑料拉伸性能试验方法GR/T3355—1999单向纤业增驱塑料肾曲性能试验法单向纤维增强塑料层间剪切螺度试验方法JC:717731996
SY/T 6029—1995
油泊杆(抽油杆短节、光杆、接箍和异径接拖)3型式与规格
3.1型式
领纤维复合材料连续动油杆型式见图1:碳纤维高介财料库续抽油杆杆伙的横做面形状见用2;碳纤维发合材料述续独油杆金属谢接头式见图3。金属据工
我红建复合材注描油杆环位
图1碳纤维总合材料连续抽油杆型式国2磷轩辨合材料连皱抽油杆杆体的横截面形状金属劵替头
SY行65%5—23
3.2规格
图3碳纤维复合材料硅经抽油杆金属燃接头型式红维合材料迁续抽油订肥格的类示方法好下CYGI3XO--
量高使用工作溢度,
坡坏,ky
碘纤维发合材料连续拍油杆杆体标称厚座,TM联纤维忘合料连续拍油析杆休标称宽度,嵌红邹复合忆料连梦州油标代号示:
开体寸宽2、74.21ml、破载荷240kN、最高更用T作温度州的碳纤辨合材料连续油,现表小为:GYGT32×4.2-2090。3.3规格尺寸
炭纤继多介材料准续扯油杆规格尺寸等个图2,图3,表1的规定,表1
CYG汀 ×3 - IG- 二
G 32×: .2 2iG -
GT ax5 ---
碳纤维空合材料连续抽油杆规格尺金而端接义
违实长
2,2+8:3
尺民为全品络接最人外形小,其体当料前当产」家自行通是,M为数教公称A作。
4拉术要求
4.1碳纤维克合材料连续推油杆开体ari (u.)
30.2(K)
$T 50291595
4.11红划复合材料连线油杆体表面速无裂,不号出现大下K宽×深100元m100.2的降、刻离。
4.1.2碳纤维女合材料续灿油杆体的瓷度为1.50g/m--1.65g/m。4.1.3碳纤维复会材料连统抽和机体的强度性能应衍合表2的现定。表?碳纤维复食材料连续抽油杆杆体的静强度性能功
坑:M
伸单积量,(
“当强,VP
学口禅杜类鼠,(:
-I 80n
SY76585—2003
4.1.4磺纤维复个材料注数抽油纤杆体的最高使用T准温度分为90T:12门,150三>等级。4.2金两端核头
4.2.1企网接头材料的力学性能符合SYT5029—1995中第2章D级抽油杆的1关规定,4.2.2金压滑接头财料剂耐腐蚀要水应符合B/T1220—1992的有关规正4.2.3全服端频头的外螺放、成力减轻惜、外拨效接头台阶、板于方预问原度符会SY/个5029199中的期完
4.1连接强虚
企属端度头与微发合材到连续拍法杆本接后,在5.1.4的试验中,微纤维复合材料连统打打体护拉尝度达列4.1.3的要求时、会属端变头与打体车接处不能山现断系,帮脱。S试验方法
5.1碳纤维复台衬料连续抽油杆杆体5.1.1外观:含自续光照下日测。5.1.2培,寸:采马精度0.02mn:前乐1尺及摘度10m的长度测量尺退行测量5.1.3密度按GR.T143—1988进行试验。5.1.4扩拉漏度及拉伸弹性模单:)试样:或段段接纤继复合材料涯续捕油杆朴体作为试样,在州编连接企底端头,保证杆体有效长度大于170mm
b)其饱:按B/T33$4—1999进行诚骏。5.1.5李山也质及学出弹性模量按GR/T3356—1999进行试独,5.1.6层间剪继度做JC/T773—1996进行试验5.1.7最高使比T含温度:
a)仪器:热机械分折设(MA)免费标准下载网bzxz
b)试验件及步骤:频中1Hz,升温速度10t:/mir,则股璃化特安温度T、T,减40C即为品高使用工作温度:
诚样司备:制各一段长×宽×厚%45证×4m2mm的碳纤维复含制料连续插油评计体作为样:
d)其构:投(T144G—1583选行试验5.2底端接头
≤.2.1会展端按头材料耐窗蚀号求的试验报51220一1925实执行5.2.2金满端变头其他性朗要求的试验接5?5129-19951对D级挡油杆的有关规定执行,SY/'0585—2003
5.3连掩强度
金端接头与碳纤维复合材料连抽冲杆托杆体连接强度的试验控5.1.4热行、6检验规则
6.1取样方法
取样方法符合表3的规定:
表3职拌方法
收样方法
磷纤维豆合划科连续油油杆体
规格尺!
金周洲丧头
6.2出厂检险
6.1.1 组抵规则
在接再
腐油要术
随机、·端
按G/12201992规宠执行
拉SYT 5029
1995规定执行
防机,
轩维友合材料额抽油托按批进行拉合、捡隐和跑收,每批成由同种原材料、间一规格、同一工艺例度组成.
6.2.2检验项目
出厂检验且为3.3,4.1.1,4.2.3,4.3规定的项H及4.1.3中规定的抗拉强资和拉伸弹性校盘。
6.2.3判定规
6.2.3.1碳纤灌复合材料连续抽油杆杆体3.3,4.1.1规定的各项技术指标达不到要求时,格不合格处去偿:但应保证剩余续长度符合表1的要求。说位殖度和拉仲弹性模量达到1.1.3魂定的技不指标,则判该托合格,否照为不合格。
6.2.3.2金属端接头
金风端接头符合3.3,4,2.3的规定,则判件会格,否则为不合格,6.2.3.3连接强度
连接强度全部符台4.3的规定,测期该批合落,香则为不合格,6.3型式检验
型式应验项日为技术要求的全部测,避到以上情况之一时,应进行型式检验)新产品试制鉴定:
15)产品配有、材料或T.艺条性发生较大效变时:c)止常上产时、每年至少-次;山)件产半午后,重新牛产时;e出」检与上一次型式检验结有较大差异时:)国家质量监督机构提出要求时。7标志,包装、运输、购存
7.1 标志
sYr 65852003
每根碳纤维复合材料连续抽油杆在杆体和接头上应有明品标识。标识时应求用一种不破环碳纤维复合材料连续插注杆性能的标识方法。在正带装卸和步装内标识应保持消断,标识成色括下列内客:a)生产名称商标;
h)产品规格;
产品标号;
d)生产口期,
了.2包装
每-根碳纤维荒合材料连续抽油杆杆体为一件,以单列金列盘老方式盘凳在有内芯和两侧保护的回盘上:刚盘上应有固定杆体两端的锁累窄保护装量,最小盘绕半径应大干托体序患的150倍。余典端接头螺纹应设计螺纹护丝,所设计的颊教护丝应能防止外螺效及接题耐的携伤、碰伤、潮湿和污移的流取,并做到不需锈击便可拆下。外包吸成有产异标志。包装内应附带产品使用说明书、产战合格证等技术文件。
运输时,破纤维复合材料连抽准托托体不将与其他赖体链撤,与其他物体接触对需用软物垫村,表卸时不得避撞杆体。流属端按头成用木箱装运,运输过程中不得口晒、南。了.4胜存
应些存丁道风度好、十燥清、达消防要求的库房内,不得带近火源履气,并按规格分别存微。
小提示:此标准内容仅展示完整标准里的部分截取内容,若需要完整标准请到上方自行免费下载完整标准文档。
标准图片预览:





- 其它标准
- 热门标准
- 石油天然气行业标准(SY)
- SY/T5127-2002 井口装置和采油树规范
- SY/T0317-1997 盐渍土地区建筑规范
- SY/T5386-2000 石油探明储量计算细则 裂缝性油气藏部分
- SY/T5729-1995 稠油热采井固井作业规程
- SY/T5096-1993 石油钻采设备用气动元件 调压阀试验方法
- SY/T5373-1991 钻井井下工具与作业用图形符号
- SY/T10013-1998 海上砂岩气田开发可行性评价指南
- SY/T0306-1996 滩海石油工程热工采暖技术规范
- SY/T0511-1996 石油储罐呼吸阀
- SY/T4100-1995 滩海工程测量技术规范
- SY/T5280-2000 原油破乳剂通用技术条件
- SY/T5579-2000 碎屑岩油气储层精细描述方法
- SY/T5587.16-1993 油水井常规修井作业 通井、刮削套管作业规程
- SY/T6012-2000 滩海试油作业规程
- SY/T5815-2008 岩石孔隙体积压缩系数测定方法
- 行业新闻
请牢记:“bzxz.net”即是“标准下载”四个汉字汉语拼音首字母与国际顶级域名“.net”的组合。 ©2025 标准下载网 www.bzxz.net 本站邮件:bzxznet@163.com
网站备案号:湘ICP备2025141790号-2
网站备案号:湘ICP备2025141790号-2