- 您的位置:
- 标准下载网 >>
- 标准分类 >>
- 船舶行业标准(CB) >>
- CB/T 3667.3-1995 船舶电缆敷设和电气设备安装附件 接地件
标准号:
CB/T 3667.3-1995
标准名称:
船舶电缆敷设和电气设备安装附件 接地件
标准类别:
船舶行业标准(CB)
英文名称:
Grounding fittings for ship cable laying and electrical equipment installation accessories标准状态:
现行-
发布日期:
1995-12-19 -
实施日期:
1994-07-01 出版语种:
简体中文下载格式:
.rar.pdf下载大小:
1.61 MB
标准ICS号:
造船和海上建筑物>>船舶和海上建筑物综合>>47.020.60船用电气设备中标分类号:
船舶>>船舶电气、观通、导航设备>>U69船用电气安装件
部分标准内容:
中华人民共和国船舶行业标准
CB/T 3667.1~3667. 6--1995
船舶电缆敷设和电气设备安装附件1995-12-19发布
中国船舶工业总公司发 布
1996-08-01实施
中华人民共和国船的行业标准
船舶电缆敷设和电气设备安装附件接地件
主题内容与适用范围
CB/T3667.3-1995
分类号,U06
代誉CB'391--82
CB°392—82
CB'393-76
CB'3228—84
本标准规定了接地件的产品分类、技术要求、检验规则、标志、包装和贮存等,本标准适用于船舶电气设备安全接地用的接地跨接片(以下简称跨接片)、接地板、避雷针、电缆接地夹箍(以下简称夹箍)。
2产品分类
2.1、跨接片
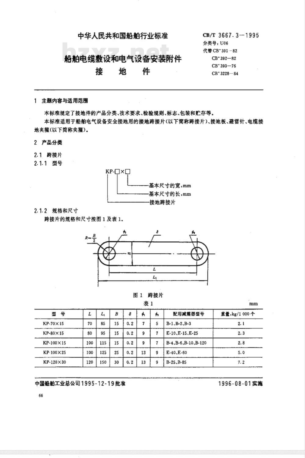
2.1.1型号
基本尺寸的宽,mm
基本尺寸的长,mm
接地跨接片
2.1.2规格和尺寸
跨接片的规格和尺寸按图1及表1。R-B
KP-70×15
KP-80×15
KP-100×15
KP-100X25
KP-120X30
图1跨接片
中国船舶工业总公司1995-12-19批准66
配用减展器型号
B-1、B-2、B-3
E-10、E-15.E-25
B-4、B-6、B-10,B-120
E-40、E-60
B-25、B-85
重量,kg/1000个
1996-08-01实施
KP-140X35
KP-150X40
KP-160X50
2.2接地板
2.2.1型号
CB/T3667.3-1995
续表1
基本尺寸规格用相应接地铜排宽度表示。2.2.2规格和尺寸
接地板的规格和尺寸按图2及表2。2.2.3标记示例
接地铜排宽度为50mm的接地板:接地板JB-50CB/T3667.3-1995
配用减震器型号
E-120、E-160
E-220、E-300
基本尺寸规格
接地板
图2接地板
a铜排厚;—铜排宽:A--接地板长;B一接地板宽mm
重量,kg/1000个
JB-100
JB-150
JB-200
2.3避雷针
2.3.1型式
CB/T3667.3-1995
功率50W及50W以下的发信机
功率500W以下的发信机
功率500W以上及1000W的发
功率1000W以上的发信机
产品按其结构分为1型:钢质直形、焊接在钢枪上2型:铜质弯形、焊接在钢枪上3型:铜质直形、焊接在钢枪上;4型:铜质弯形、焊接在钢榄上5型:钢质直形、铆接在木枪上,6型:钢质弯形、铆接在木枪上;7型:铜质直形、铆接在木榄上;8型:铜质弯形、铆接在木上等八类避雷针。2.3.2型号
2.3.3规格和尺寸
-口xO
直径D,mm
长度L,mm
类型序号
避雷针
避雷针的规格和尺寸按图3及表3。2.3.4标记示例
长度L=650mm,直径D=12mm,焊接在钢上的铜质弯形避雷针避雷针BL4-650X12CB/T3667.3-1995BL1系列避雷针
自由弯度
BL5系列避雷针
CB/T3667.3-1995
BI.2系列避雷针
BL.6系列避葡针
BL1-650X25
BL2-650X25
BL3-650X12
BL4-650X12
BI.3系列避雷针
BL?系列避雷针
图3避雷针
自由弯由
131.4系列避雷针
自由弯度
BL8系列避雷针
2.4夹箍
2.4.1型号
BLS-750X25
BL6-750×25Www.bzxZ.net
BL7-750×10
BL8-750X10
CB/T3667.3-1995
续表3
基本尺寸规格
电缆接地夹箍
基本尺寸规格用夹箍适用的电缆外径表示。2.4.2规格和尺寸
夹箍的规格和尺寸按图4及表4.
捕中滚花
标志处
图4夹箍
夹箍有效长度L
适用电缆外径
公称外径
11.5~13.4
13.5~15. 4
15.5~17.4
17.5~19.4
19.5~21.4
2.4.3标记示例
夹差有效长度L
CB/T3667.3-1995
续表4
适用电缆外径
公称外径
适用于电缆外径20mm的电缆接地夹:夹箍JK-20CB/T3667.3-1995
3技术要求
3.1跨接片
3.1.1跨接片材料为T2纯铜片。
21.5~23.4
23.5~27.4
25.5~27.4
27.5~29.4
29.5~31.4
31.5~33.4
33.5~35.4
35.5~37.4
37.5~39.4
39.5~41.4
41.5~43. 4
43.5~45.4
45.5~47.4
47.5~49. 4
49.5~51.4
51.5~53.4
53.5~55.4
55.5~57.4
57.5~59.4
3.1.2跨接片应顺着板材展延纹路的方向剪裁,不应有裂缝、折纹等缺陷,3.1.3跨接片表面应镀锡或摘锡,镀层厚度为20~30gm。3.2接地板
3.2.1接地板材料为普通碳素钢板Q235-A、F,标
3.2.2接地板用以夹持铜钢排的平面应平整,在镀锡或锡前,其表面粗糙度不低于12.5um,镀层厚度为20~30μm,其他表面应涂防锈漆。3.2.3接地板的紧固零件应镀锌。3.3避雷针
3.3.1钢质避雷针材料为Q235-A。2铜质避雷针材料为H62-10。
CB/T3667.3-1995
3.3.3钢质避雷针应镀锌,镀层厚度不小于30μm。3.3.4铆接式避雷针下端与放电导体连接处的接触表面应平整,并镀锡或摘锡。3.4电缆接地夹箍,
3.4.1夹箍材料为不经退火的纯铜T2。3.4.2夹箍不得有毛刺、裂纹和锐边,4检验规则
产品的检验分出厂检验和型式检验。4.1出厂检验
4.1.1产品应经制造厂检验部门检验并出具合格证书后方可出厂。4.1.2所有产品按第3章要求进行检查。4.1.3每批抽样5%,但每种型号不少于10个,在检套中如发现有一个以上不合格时,应加倍进行复验,若在复验中仍有不合格时,则由质检部门决定返修或报废。4.2型式检验
4.2.1有下述情况之一时,应进行型式检验:新产品或老产品转厂生产的试制定型鉴定;正常生产后,如结构、材料有较大改变,可能影响产品性能时;b.
国家质量监督机构提出要求时;c.
d,产品长期停产后,恢复生产时;e.正常生产时,原则上4年左右进行一次。4.2.2型式检验按3章要求进行检验都合格,则认为型式检验合格,如果试样在某试验中不合格,应允许再以2倍数量的试样进行单项复试,如复试仍不合格,则认为该批产品的型式检验不合格。5标志、包装和贮存
5.1每件产品应有明显的永久性标志,并注明型号、规格、制造厂及商标。5.2产品应按同一规格型号装箱,包装箱内应有包装单和出厂合格证。5.3包装盒、包装箱均应有标志并注明;a.数量;
型号、规格:
制造厂及商标;
d.出厂年月;
e。贮存年限.
5.4产品应贮存在干燥、通风的库房内。附加说明:
本标准由全国海洋船标准化技术委员会造韶工艺分技术委员会提出。本标准由中国船舶工业总公司第十一研究所归口。本标准由武昌造船厂、船舶总公司第十一研究所负责起草。本标准主要起草人倪钰铣、黄菊香。72
小提示:此标准内容仅展示完整标准里的部分截取内容,若需要完整标准请到上方自行免费下载完整标准文档。
CB/T 3667.1~3667. 6--1995
船舶电缆敷设和电气设备安装附件1995-12-19发布
中国船舶工业总公司发 布
1996-08-01实施
中华人民共和国船的行业标准
船舶电缆敷设和电气设备安装附件接地件
主题内容与适用范围
CB/T3667.3-1995
分类号,U06
代誉CB'391--82
CB°392—82
CB'393-76
CB'3228—84
本标准规定了接地件的产品分类、技术要求、检验规则、标志、包装和贮存等,本标准适用于船舶电气设备安全接地用的接地跨接片(以下简称跨接片)、接地板、避雷针、电缆接地夹箍(以下简称夹箍)。
2产品分类
2.1、跨接片
2.1.1型号
基本尺寸的宽,mm
基本尺寸的长,mm
接地跨接片
2.1.2规格和尺寸
跨接片的规格和尺寸按图1及表1。R-B
KP-70×15
KP-80×15
KP-100×15
KP-100X25
KP-120X30
图1跨接片
中国船舶工业总公司1995-12-19批准66
配用减展器型号
B-1、B-2、B-3
E-10、E-15.E-25
B-4、B-6、B-10,B-120
E-40、E-60
B-25、B-85
重量,kg/1000个
1996-08-01实施
KP-140X35
KP-150X40
KP-160X50
2.2接地板
2.2.1型号
CB/T3667.3-1995
续表1
基本尺寸规格用相应接地铜排宽度表示。2.2.2规格和尺寸
接地板的规格和尺寸按图2及表2。2.2.3标记示例
接地铜排宽度为50mm的接地板:接地板JB-50CB/T3667.3-1995
配用减震器型号
E-120、E-160
E-220、E-300
基本尺寸规格
接地板
图2接地板
a铜排厚;—铜排宽:A--接地板长;B一接地板宽mm
重量,kg/1000个
JB-100
JB-150
JB-200
2.3避雷针
2.3.1型式
CB/T3667.3-1995
功率50W及50W以下的发信机
功率500W以下的发信机
功率500W以上及1000W的发
功率1000W以上的发信机
产品按其结构分为1型:钢质直形、焊接在钢枪上2型:铜质弯形、焊接在钢枪上3型:铜质直形、焊接在钢枪上;4型:铜质弯形、焊接在钢榄上5型:钢质直形、铆接在木枪上,6型:钢质弯形、铆接在木枪上;7型:铜质直形、铆接在木榄上;8型:铜质弯形、铆接在木上等八类避雷针。2.3.2型号
2.3.3规格和尺寸
-口xO
直径D,mm
长度L,mm
类型序号
避雷针
避雷针的规格和尺寸按图3及表3。2.3.4标记示例
长度L=650mm,直径D=12mm,焊接在钢上的铜质弯形避雷针避雷针BL4-650X12CB/T3667.3-1995BL1系列避雷针
自由弯度
BL5系列避雷针
CB/T3667.3-1995
BI.2系列避雷针
BL.6系列避葡针
BL1-650X25
BL2-650X25
BL3-650X12
BL4-650X12
BI.3系列避雷针
BL?系列避雷针
图3避雷针
自由弯由
131.4系列避雷针
自由弯度
BL8系列避雷针
2.4夹箍
2.4.1型号
BLS-750X25
BL6-750×25Www.bzxZ.net
BL7-750×10
BL8-750X10
CB/T3667.3-1995
续表3
基本尺寸规格
电缆接地夹箍
基本尺寸规格用夹箍适用的电缆外径表示。2.4.2规格和尺寸
夹箍的规格和尺寸按图4及表4.
捕中滚花
标志处
图4夹箍
夹箍有效长度L
适用电缆外径
公称外径
11.5~13.4
13.5~15. 4
15.5~17.4
17.5~19.4
19.5~21.4
2.4.3标记示例
夹差有效长度L
CB/T3667.3-1995
续表4
适用电缆外径
公称外径
适用于电缆外径20mm的电缆接地夹:夹箍JK-20CB/T3667.3-1995
3技术要求
3.1跨接片
3.1.1跨接片材料为T2纯铜片。
21.5~23.4
23.5~27.4
25.5~27.4
27.5~29.4
29.5~31.4
31.5~33.4
33.5~35.4
35.5~37.4
37.5~39.4
39.5~41.4
41.5~43. 4
43.5~45.4
45.5~47.4
47.5~49. 4
49.5~51.4
51.5~53.4
53.5~55.4
55.5~57.4
57.5~59.4
3.1.2跨接片应顺着板材展延纹路的方向剪裁,不应有裂缝、折纹等缺陷,3.1.3跨接片表面应镀锡或摘锡,镀层厚度为20~30gm。3.2接地板
3.2.1接地板材料为普通碳素钢板Q235-A、F,标
3.2.2接地板用以夹持铜钢排的平面应平整,在镀锡或锡前,其表面粗糙度不低于12.5um,镀层厚度为20~30μm,其他表面应涂防锈漆。3.2.3接地板的紧固零件应镀锌。3.3避雷针
3.3.1钢质避雷针材料为Q235-A。2铜质避雷针材料为H62-10。
CB/T3667.3-1995
3.3.3钢质避雷针应镀锌,镀层厚度不小于30μm。3.3.4铆接式避雷针下端与放电导体连接处的接触表面应平整,并镀锡或摘锡。3.4电缆接地夹箍,
3.4.1夹箍材料为不经退火的纯铜T2。3.4.2夹箍不得有毛刺、裂纹和锐边,4检验规则
产品的检验分出厂检验和型式检验。4.1出厂检验
4.1.1产品应经制造厂检验部门检验并出具合格证书后方可出厂。4.1.2所有产品按第3章要求进行检查。4.1.3每批抽样5%,但每种型号不少于10个,在检套中如发现有一个以上不合格时,应加倍进行复验,若在复验中仍有不合格时,则由质检部门决定返修或报废。4.2型式检验
4.2.1有下述情况之一时,应进行型式检验:新产品或老产品转厂生产的试制定型鉴定;正常生产后,如结构、材料有较大改变,可能影响产品性能时;b.
国家质量监督机构提出要求时;c.
d,产品长期停产后,恢复生产时;e.正常生产时,原则上4年左右进行一次。4.2.2型式检验按3章要求进行检验都合格,则认为型式检验合格,如果试样在某试验中不合格,应允许再以2倍数量的试样进行单项复试,如复试仍不合格,则认为该批产品的型式检验不合格。5标志、包装和贮存
5.1每件产品应有明显的永久性标志,并注明型号、规格、制造厂及商标。5.2产品应按同一规格型号装箱,包装箱内应有包装单和出厂合格证。5.3包装盒、包装箱均应有标志并注明;a.数量;
型号、规格:
制造厂及商标;
d.出厂年月;
e。贮存年限.
5.4产品应贮存在干燥、通风的库房内。附加说明:
本标准由全国海洋船标准化技术委员会造韶工艺分技术委员会提出。本标准由中国船舶工业总公司第十一研究所归口。本标准由武昌造船厂、船舶总公司第十一研究所负责起草。本标准主要起草人倪钰铣、黄菊香。72
小提示:此标准内容仅展示完整标准里的部分截取内容,若需要完整标准请到上方自行免费下载完整标准文档。
标准图片预览:





- 热门标准
- 船舶行业标准(CB)
- CB/T1033-1999 船用油分浓度计
- CB/T3799-1997 船舶液压系统修理清洗技术要求
- CB/T4160-2011 锚修理技术要求
- CB/T3924-2002 船用锅炉原材料入厂检验
- CB/T4405-2014 额定电压6kV Um7.2kV 至30kV Um36kV 船舶和近海设施变频传动用电力电缆
- CB/T3686-1995 电汽热水柜
- CB/T3679-1995 船用往复式液压舵机修理技术要求
- CB/T19-2001 船用人孔盖
- CB/T3921-2001 船用辅锅炉人孔装置
- CB/T3668-1995 电刷镀镍、铜工艺技术要求
- CB/T3752-1995 机械压力式燃烧器
- CB/T3955-2004 法兰不锈钢闸阀
- CB/Z303-1978 长江客货船船模系列试验图谱
- CB/T3837-1998 船舶用气囊上排、下水工艺要求
- CB/T47-1999 船用对焊钢法兰
- 行业新闻
请牢记:“bzxz.net”即是“标准下载”四个汉字汉语拼音首字母与国际顶级域名“.net”的组合。 ©2025 标准下载网 www.bzxz.net 本站邮件:bzxznet@163.com
网站备案号:湘ICP备2025141790号-2
网站备案号:湘ICP备2025141790号-2