- 您的位置:
- 标准下载网 >>
- 标准分类 >>
- 船舶行业标准(CB) >>
- CB/T 3594-1994 船用空气管头
标准号:
CB/T 3594-1994
标准名称:
船用空气管头
标准类别:
船舶行业标准(CB)
标准状态:
现行-
发布日期:
1994-02-01 -
实施日期:
1994-08-01 出版语种:
简体中文下载格式:
.rar.pdf下载大小:
替代情况:
原标准号GB 1858-80
点击下载
标准简介:
标准下载解压密码:www.bzxz.net
本标准规定了法兰连接尺寸按GB 569、GB 2501的船用油、水舱空气管头的产品分类、技术要求、试验方法、检验规则以及标志、包装。本标准适用于各类船舶和海上钻井平台用的油、水舱空气管头。 CB/T 3594-1994 船用空气管头 CB/T3594-1994
部分标准内容:
中华人民共和国船舶行业标准
CB/T 3594—94
船用空气管头
1994-02-01发布
中国船舶工业总公司发 布
1994-08-01实施
中华人民共和国船舶行业标准
气管头
1主题内容与适用范围
CB/T 3594--94
分类号:U54
本标准规定了法兰连接尺寸按GB569,GB2501的船用油、水舱空气管头(以下简称空气管头)的产品分类、技术要求、试验方法、检验规则、标志、包装、运输和贮存。本标准适用于各类船舶和海上钻并平台用的油、水舱空气管头。2引用标准
GB569船用法兰连接尺寸和密封面GB2501船用法兰连接尺寸和密封面(四进位)GB3032船舶管路附件的标志
3产品分类
3.1空气管头的型式规定如下:
A型—法兰连接尺寸按GB569的帽式空气管头;AS型-法兰连接尺寸按GB2501帽式空气管头;B型-
法兰连接尺寸按GB569的鹅颈式空气管头;BS型-
法兰连接尺寸按GB2501的鹅颈式空气管头,C型一法兰连接尺寸按GB569的测深兼透气空气管头;CS型
一法兰连接尺寸按GB2501的测深兼透气空气管头;法兰连接尺寸按GB569的浮简式油舱空气管头;法兰连接尺寸按GB2501的浮简式油舱空气管头;E型一法兰连接尺寸按GB569的浮简式水舱空气管头;ES型-
一法兰连接尺寸按GB2501的浮简式水舱空气管头;FS型—法兰连接尺寸按GB2501的浮球式油、水舱空气管头。3.2空气管头的基本参数按表1。表1
帽式空气管头
鹅颈式空气管头
测深兼透气空气管头
中国船舶工业总公司1994-02-01批准公称通径DN
50~250
50~100
适用范围
油、水舱空气管上端
1994-08-01实施
CB/T-3594—94
续表1
公称通径DN
浮筒式油舱空气管头
浮简式水舱空气管头
浮球式油、水舱空气管头
50~350
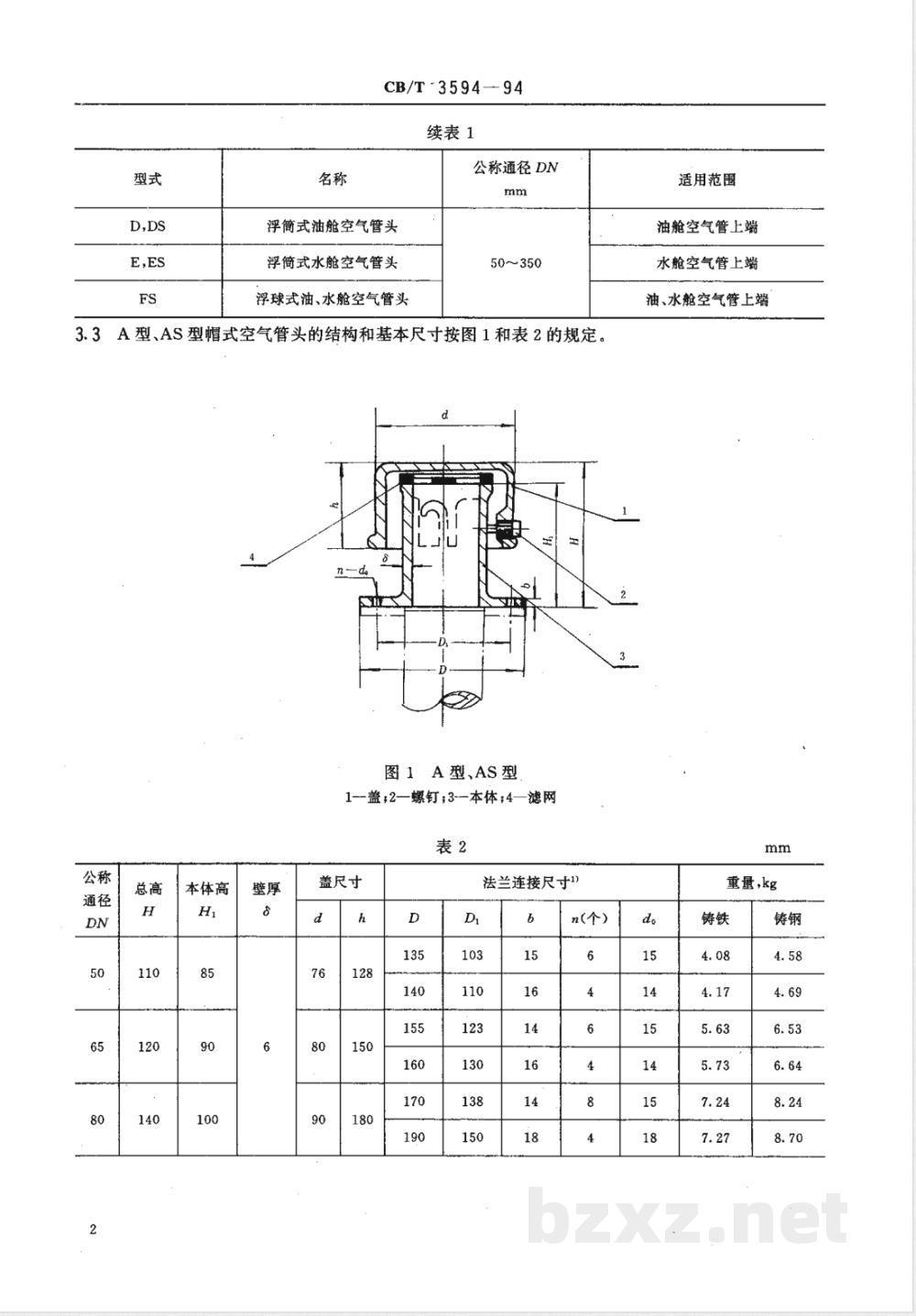
3.3A型、AS型帽式空气管头的结构和基本尺寸按图1和表2的规定。图1A型、AS型
1-盖;2—螺钉;3-本体;4—滤网表2
本体高
盖尺寸
法兰连接尺寸1)
n(个)
适用范围
油舱空气管上端
水舱空气管上端
油、水舱空气管上端
重量,kg
本体高
盖尺寸
CB/T3594--94
续表2
法兰连接尺寸1)
注:1)表中法兰尺寸栏内线上面值按GB569,下面值按GB2501的规定。n(个)
3.4B型、BS型法兰连接鹅颈式空气管头结构和基本尺寸按图2和表3的规定。图2B型、BS型
1头部;2-浮球,3-滤网;4—垫板;5—网孔板mm
重量,kg
公称通
圆球直径s
CB/T3594-94
法兰连接尺寸1)
中心距
螺栓孔
垫板厚
栅板厚
注:1)表中法兰连接尺寸栏内线上面值按GB569,下面值按GB2501的规定,导向筋
3.5C型、CS型测深兼透气空气管头结构和基本尺寸按图3和表4的规定。D
图3C型、CS型
1—链条,2-盖;3-本体
重量,kg
结构尺寸
CB/T3594-~94
法兰连接尺寸)
注:1)表中法兰尺寸栏内线上面值按GB569,下面值按GB2501的规定,n(个)
重量,kg
3.6D型、DS型,DN50、DN65mm浮简式空气管头结构和基本尺寸按图4和表5的规定。6
图4D型、DS型(DN50、DN65mm)o
1-上盖;2—本体,3--罩壳:4—浮子:5—导向螺栓;6—滤网铸钢
CB/T3594—94
D型、DS型,DN80~350mm浮简式空气管头结构和基本尺寸按图5和表5的规定。DA
图5D型、DS型(DN80~350mm)
1—上盖;2—本体,3-罩壳;4—浮子;5—导向螺栓6—滤网表5
结构尺寸
法兰连接尺寸1)
重量,kg
结构尺寸
CB/T3594—94
续表5
法兰连接尺寸1)
注:1)表中法兰尺寸栏内线上面值按GB569,下6
值按GB2501的规定
重量,kg
3.7E型、ES型,DN50、DN65mm浮筒式水舱空气管头结构和基本尺寸按图6和表5的规定。DN
图6E型、ES型(DN50、DN65mm)1—上盖;2-本体;3-罩壳;4-浮子;5—导向螺栓;6—滤网CB/T3594—94
E型、ES型,DN80~350mm浮简式水舱空气管头结构和基本尺寸按图7和表5的规定。DN
图·7E型、ES型(DN80~350mm)1一上盖;2-本体;3-罩壳;4—浮子;5—导向螺栓;6—滤网3.8FS型浮球式油舱、水舱空气管头结构及基本尺寸按图8和表6的规定。DV
图8FS型
1-本体;2—罩壳,3—浮球;4-密封环;5—滤网;6—上盖公称
结构尺寸
CB/T3594-94
法兰连接尺寸1)
注:1表中法兰连接尺寸符合GB2501中PN1.6MPa的规定。3.9标记示例:
公称通径为50mm,按GB569法兰连接尺寸和密封面铸钢帽式空气管头:空气管头A50GCB/T3594-94
重量,kg
公称通径为50mm,按GB2501法兰连接尺寸和密封面(四进位)的铸铁鹅颈式空气管头:空气管头BS50HTCB/T3594-94
公称通径为50mm,按GB2501法兰连接尺寸和密封面(四进位)的球墨铸铁浮简式油舱空气管头:
空气管头DS50QTCB/T3594—94
公称通径为50mm,按GB2501和密封面(四进位)法兰连接尺寸球墨铸铁浮球式油舱、水舱空气管头:
空气管头FS50QTCB/T3594—94
4技术要求
4.1空气管头主要零件的材料按表7的规定。型式
A、AS
B、BS
A、AS
E、ESbZxz.net
D、DS
零件名称
盖及本体
垫板,眼板
本体,上盖
浮子,浮球
导向螺栓
密封座
CB/T 3594-94
灰铸铁
铜丝网GFW
0.475/0.16
灰铸铁
阻燃玻璃钢
铜丝网GFW
0.475/0.16
碳素钢
灰铸铁
球墨铸铁
不锈钢
铝青铜
薄钢板
不锈钢板
铜丝网
丁腈橡胶
4.2空气管头的开关操作应轻便灵活,不得有卡阻现象。材
ZG200-400
QSn4-3
ZG200-400
Q235-A
QSn4-3
ZG200-400
QT400-15
0Cr26Ni5Mo2
QA19-2
Q235-A
0Cr26Ni5Mo2
HN8433
标准号
GB9439---88
GB11352—89
GB5330-—88
GB5233-85
GB 9439-88
GB772--86
GB5330--88
GB700--88
YB147—71
GB772—86
GB9439—88
GB1348-88
GB3280-—94
GB4429-84
GB700—88
GB3280—94
GB5330—88
GB7038—86
4.3铸钢和灰铸铁空气管头不加工的外表面应涂防锈漆,不得有漏涂,流痕和淤积现象。5试验方法和检验规则
5.1按4.1~4.3进行逐项检查合格后进行试验,5.2浮筒或浮球的空气管头,应进行浮球与阀座的密性试验。具体做法F型,FS型是除去网孔板,D型,DS型,E型,ES型,FS型是除去外罩加上盲板,在法兰处接-个容器使容器距地高度3m内灌满水,打开上盖观察浮筒,浮球和阀座接触,持续3min以后不得有成股水流漏出。10
小提示:此标准内容仅展示完整标准里的部分截取内容,若需要完整标准请到上方自行免费下载完整标准文档。
CB/T 3594—94
船用空气管头
1994-02-01发布
中国船舶工业总公司发 布
1994-08-01实施
中华人民共和国船舶行业标准
气管头
1主题内容与适用范围
CB/T 3594--94
分类号:U54
本标准规定了法兰连接尺寸按GB569,GB2501的船用油、水舱空气管头(以下简称空气管头)的产品分类、技术要求、试验方法、检验规则、标志、包装、运输和贮存。本标准适用于各类船舶和海上钻并平台用的油、水舱空气管头。2引用标准
GB569船用法兰连接尺寸和密封面GB2501船用法兰连接尺寸和密封面(四进位)GB3032船舶管路附件的标志
3产品分类
3.1空气管头的型式规定如下:
A型—法兰连接尺寸按GB569的帽式空气管头;AS型-法兰连接尺寸按GB2501帽式空气管头;B型-
法兰连接尺寸按GB569的鹅颈式空气管头;BS型-
法兰连接尺寸按GB2501的鹅颈式空气管头,C型一法兰连接尺寸按GB569的测深兼透气空气管头;CS型
一法兰连接尺寸按GB2501的测深兼透气空气管头;法兰连接尺寸按GB569的浮简式油舱空气管头;法兰连接尺寸按GB2501的浮简式油舱空气管头;E型一法兰连接尺寸按GB569的浮简式水舱空气管头;ES型-
一法兰连接尺寸按GB2501的浮简式水舱空气管头;FS型—法兰连接尺寸按GB2501的浮球式油、水舱空气管头。3.2空气管头的基本参数按表1。表1
帽式空气管头
鹅颈式空气管头
测深兼透气空气管头
中国船舶工业总公司1994-02-01批准公称通径DN
50~250
50~100
适用范围
油、水舱空气管上端
1994-08-01实施
CB/T-3594—94
续表1
公称通径DN
浮筒式油舱空气管头
浮简式水舱空气管头
浮球式油、水舱空气管头
50~350
3.3A型、AS型帽式空气管头的结构和基本尺寸按图1和表2的规定。图1A型、AS型
1-盖;2—螺钉;3-本体;4—滤网表2
本体高
盖尺寸
法兰连接尺寸1)
n(个)
适用范围
油舱空气管上端
水舱空气管上端
油、水舱空气管上端
重量,kg
本体高
盖尺寸
CB/T3594--94
续表2
法兰连接尺寸1)
注:1)表中法兰尺寸栏内线上面值按GB569,下面值按GB2501的规定。n(个)
3.4B型、BS型法兰连接鹅颈式空气管头结构和基本尺寸按图2和表3的规定。图2B型、BS型
1头部;2-浮球,3-滤网;4—垫板;5—网孔板mm
重量,kg
公称通
圆球直径s
CB/T3594-94
法兰连接尺寸1)
中心距
螺栓孔
垫板厚
栅板厚
注:1)表中法兰连接尺寸栏内线上面值按GB569,下面值按GB2501的规定,导向筋
3.5C型、CS型测深兼透气空气管头结构和基本尺寸按图3和表4的规定。D
图3C型、CS型
1—链条,2-盖;3-本体
重量,kg
结构尺寸
CB/T3594-~94
法兰连接尺寸)
注:1)表中法兰尺寸栏内线上面值按GB569,下面值按GB2501的规定,n(个)
重量,kg
3.6D型、DS型,DN50、DN65mm浮简式空气管头结构和基本尺寸按图4和表5的规定。6
图4D型、DS型(DN50、DN65mm)o
1-上盖;2—本体,3--罩壳:4—浮子:5—导向螺栓;6—滤网铸钢
CB/T3594—94
D型、DS型,DN80~350mm浮简式空气管头结构和基本尺寸按图5和表5的规定。DA
图5D型、DS型(DN80~350mm)
1—上盖;2—本体,3-罩壳;4—浮子;5—导向螺栓6—滤网表5
结构尺寸
法兰连接尺寸1)
重量,kg
结构尺寸
CB/T3594—94
续表5
法兰连接尺寸1)
注:1)表中法兰尺寸栏内线上面值按GB569,下6
值按GB2501的规定
重量,kg
3.7E型、ES型,DN50、DN65mm浮筒式水舱空气管头结构和基本尺寸按图6和表5的规定。DN
图6E型、ES型(DN50、DN65mm)1—上盖;2-本体;3-罩壳;4-浮子;5—导向螺栓;6—滤网CB/T3594—94
E型、ES型,DN80~350mm浮简式水舱空气管头结构和基本尺寸按图7和表5的规定。DN
图·7E型、ES型(DN80~350mm)1一上盖;2-本体;3-罩壳;4—浮子;5—导向螺栓;6—滤网3.8FS型浮球式油舱、水舱空气管头结构及基本尺寸按图8和表6的规定。DV
图8FS型
1-本体;2—罩壳,3—浮球;4-密封环;5—滤网;6—上盖公称
结构尺寸
CB/T3594-94
法兰连接尺寸1)
注:1表中法兰连接尺寸符合GB2501中PN1.6MPa的规定。3.9标记示例:
公称通径为50mm,按GB569法兰连接尺寸和密封面铸钢帽式空气管头:空气管头A50GCB/T3594-94
重量,kg
公称通径为50mm,按GB2501法兰连接尺寸和密封面(四进位)的铸铁鹅颈式空气管头:空气管头BS50HTCB/T3594-94
公称通径为50mm,按GB2501法兰连接尺寸和密封面(四进位)的球墨铸铁浮简式油舱空气管头:
空气管头DS50QTCB/T3594—94
公称通径为50mm,按GB2501和密封面(四进位)法兰连接尺寸球墨铸铁浮球式油舱、水舱空气管头:
空气管头FS50QTCB/T3594—94
4技术要求
4.1空气管头主要零件的材料按表7的规定。型式
A、AS
B、BS
A、AS
E、ESbZxz.net
D、DS
零件名称
盖及本体
垫板,眼板
本体,上盖
浮子,浮球
导向螺栓
密封座
CB/T 3594-94
灰铸铁
铜丝网GFW
0.475/0.16
灰铸铁
阻燃玻璃钢
铜丝网GFW
0.475/0.16
碳素钢
灰铸铁
球墨铸铁
不锈钢
铝青铜
薄钢板
不锈钢板
铜丝网
丁腈橡胶
4.2空气管头的开关操作应轻便灵活,不得有卡阻现象。材
ZG200-400
QSn4-3
ZG200-400
Q235-A
QSn4-3
ZG200-400
QT400-15
0Cr26Ni5Mo2
QA19-2
Q235-A
0Cr26Ni5Mo2
HN8433
标准号
GB9439---88
GB11352—89
GB5330-—88
GB5233-85
GB 9439-88
GB772--86
GB5330--88
GB700--88
YB147—71
GB772—86
GB9439—88
GB1348-88
GB3280-—94
GB4429-84
GB700—88
GB3280—94
GB5330—88
GB7038—86
4.3铸钢和灰铸铁空气管头不加工的外表面应涂防锈漆,不得有漏涂,流痕和淤积现象。5试验方法和检验规则
5.1按4.1~4.3进行逐项检查合格后进行试验,5.2浮筒或浮球的空气管头,应进行浮球与阀座的密性试验。具体做法F型,FS型是除去网孔板,D型,DS型,E型,ES型,FS型是除去外罩加上盲板,在法兰处接-个容器使容器距地高度3m内灌满水,打开上盖观察浮筒,浮球和阀座接触,持续3min以后不得有成股水流漏出。10
小提示:此标准内容仅展示完整标准里的部分截取内容,若需要完整标准请到上方自行免费下载完整标准文档。
标准图片预览:





- 其它标准
- 热门标准
- 船舶行业标准(CB)
- CB668-1968 铝质调风门
- CB/T3967-2005 蒸汽雾化式燃烧器技术条件
- CB1158-1986 水声换能器用橡皮电缆技术条件
- CB/T3770-1996 船舶焊接接头维氏硬度试验方法
- CB/Z303-78 长江客货船船模系列试验图谱
- CB/T3924-2002 船用锅炉原材料入厂检验
- CB/T3474.1-1992 船用主辅机钢模锻件 技术条件
- CBM1093-1981 5kgf/cm2船舶管路法兰焊接单面座板
- CB1156-1992 锡基轴承合金金相检验
- CB/T3469-1994 海洋调查船生活舱室及其设施设置要求
- CB1087.7-1988 船舶轮机钳工修理工时定额 轴系舵系及坞修
- CB/T3844-2000 滚轮闸刀掣链器
- CB1082.3-1989 特辅机武备机械加工工时定额 刨工
- CB874-1980 水声设备用电源变压器和滤波阻流圈结构系列
- CB1416-2008 舰船用铜合金锻件超声波检测
- 行业新闻
请牢记:“bzxz.net”即是“标准下载”四个汉字汉语拼音首字母与国际顶级域名“.net”的组合。 ©2025 标准下载网 www.bzxz.net 本站邮件:bzxznet@163.com
网站备案号:湘ICP备2025141790号-2
网站备案号:湘ICP备2025141790号-2