- 您的位置:
- 标准下载网 >>
- 标准分类 >>
- 船舶行业标准(CB) >>
- CB 3545-1994 船舶电气平面图图形符号
标准号:
CB 3545-1994
标准名称:
船舶电气平面图图形符号
标准类别:
船舶行业标准(CB)
标准状态:
现行-
发布日期:
1994-02-01 -
实施日期:
1994-08-01 出版语种:
简体中文下载格式:
.rar.pdf下载大小:
5.93 MB
手机扫码下载更方便
标准ICS号:
综合、术语学、标准化、文献>>图形符号>>01.080.20专用设备用图形符号中标分类号:
船舶>>船舶综合>>U04基础标准与通用方法
替代情况:
CB/Z 93-74
点击下载
标准简介:
标准下载解压密码:www.bzxz.net
本标准适用于船舶电气平面图中电力设备、生活、及其它用电设备员缺仪表以及观通导航设备等的图形符号。本标准适用于船舶电气设备系统图、布置图、电缆敖设图等平面图的图形符号的绘制。 CB 3545-1994 船舶电气平面图图形符号 CB3545-1994
部分标准内容:
http://www.docin.com
中华人民共和国船舶行业标准
CB3545-94
船舶电气平面图图形符号
1994-02-01发布
豆丁网
http://www.docin.com
中国船舶工业总公司·发布
1994-08-01实施
http:www.docin.com
豆丁网
http://www.docin.com
中华人民共和国船舶行业标准
船舶电气平面图图形符号
主题内容与适用范围
CB3545—94
分类号:U04
代替CB*/Z93—74
本标准规定了船舶电气平面图中电力设备、灯具、生活及其他用电设备、电气仪表以及观通导航设备等的图形符号。
本标准适用于船舶电气设备系统图、布置图、电缆敷设图等平面图的图形符号的绘制。2绘制原则
2.1一般符号用于代表某一大类设备。2.2图形符号的大小可变化,但应尽可能按比例放大或缩小,2.3未规定的图形符号,可以根据国家标准GB4728及本标准的组成规律和示例,派生必要的图形符号,但不应与本标准已定出的图形符号相重复。图形符号及说明
3.1电气线路
图形符号
中国船舶工业总公司1994-02-01批准说
用单线表示的多种或多回路线路干线
软电缆和软导线
导线穿过电缆槽敷设
1994-08-01实施
http:www.docin.com
豆丁网
http://www.docin.com/
3.2配电设备
图形符号
图形符号
CB3545—94
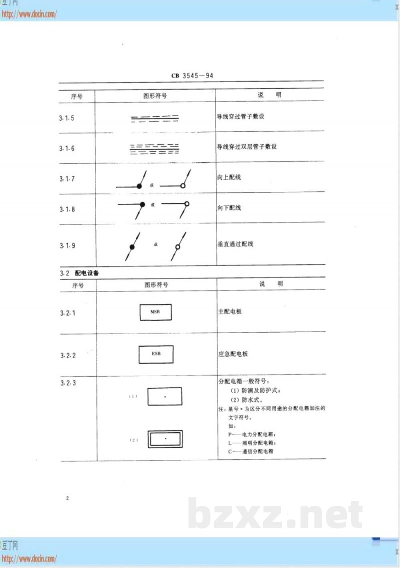
导线穿过管子敷设
导线穿过双层管子敷设
向上配线
向下配线
垂直通过配线
主配电板
应急配电板
分配电箱一般符号:
(1)防滴及防护式;
(2)防水式。
注:星号*为区分不同用途的分配电箱加注的文字符号。
电力分配电箱:
照明分配电箱;
通信分配电箱
http://www.docin.com/
豆丁网
http://www.docin.com
3:3电机、变电设备、蕾电池
图形符号
图形符号
CB3545-94
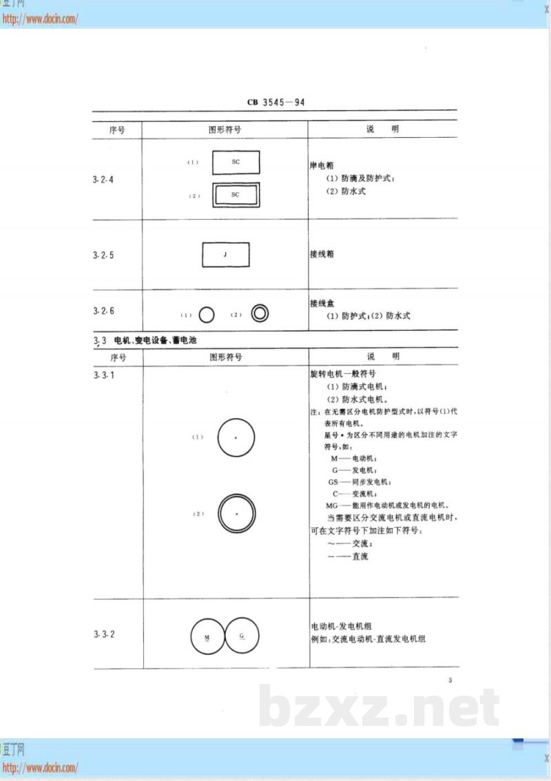
岸电箱
1)防滴及防护式;
(2)防水式
接线箱
接线盒
(1)防护式;(2)防水式
旋转电机一般符号
(1)防滴式电机;
(2)防水式电机。
注:在无需区分电机防护型式时,以符号(1)代表所有电机。
星号*为区分不同用途的电机加注的文字符号,如:
M电动机;
—发电机;
GS—同步发电机;
变流机;
能用作电动机或发电机的电机。当需要区分交流电机或直流电机时,可在文字符号下加注如下符号:交流;
电动机-发电机组
例如:交流电动机-直流发电机组http:www.docin.com
3.4起动及控制设备
豆丁网
http://www.docin.com/
图形符号
CB3545-94
图形符号
变压器
自耦变压器
逆变器
整流设备
变频器
蓄电池一般符号
不间断电源装置
控制设备的一般符号。
注:星号*为区分不同用途的控制设备加注的文字符号。
-机舱集控台
http://www.docin.com
豆丁网免费标准bzxz.net
http://www.docin.comm
图形符号
CB354594
电动机起动器一般符号。
特殊类型的起动器可以在一般符号内加上限定符号
电阻箱
开关箱一般符号
带熔断器的刀开关箱
断路器箱
熔断器箱
隔离开关箱
防护式按钮盒。
注:图形符号内的小圆圈数表示按钮数防水式按钮盒
注:图形符号内的小圆圈数表示按钮数防护式按钮指示灯盒
防水式按钮指示灯盒
http://www.docin.com
http://www.docin.com
图形符号
CB3545-94
火警按钮
单极单投开关:
(1)防护式;(2)防水式
双极单投开关:
(1)防护式;(2)防水式
三极单投开关:
(1)防护式;(2)防水式
单极双投开关:
(1)防护式;(2)防水式
双极双投开关:
(1)防护式;(2)防水式
三极双投开关:
(1)防护式;(2)防水式
单极双控开关:
(1)防护式;(2)防水式
双极防爆开关
双极带指示灯开关:
(1)防护式;(2)防水式
双极插座:
(1)防护式;(2)防水式
三极插座:
(1)防护式;(2)防水式
http:/www.docin.com
豆丁网
http://www.docin.com
图形符号
CB3545--94
双极带接地孔插座:
(1)防护式;(2)防水式
三极带接地孔插座:
(1)防护式;(2)防水式
双极带导向孔插座:
(1)防护式;(2)防水式
双极插头:
(1)防护式;(2)防水式
三极插头:
(1)防护式;(2)防水式
双极带开关插座(防水式有接地孔)双极带开关插座(防水式有导向孔)三极带开关插座(防水式有接地孔)双极带联锁开关插座(防水式)三极带联锁开关插座(防水式)双极带联锁开关插座(防水式有接地孔)三极带联锁开关插座(防水式有接地孔)http:/www.docin.com
豆丁网
http://www.docin.com
图形符号
CB3545-94
双极带联锁开关插座(防水式有导向孔)门开关
位置开关(行程开关)
主令控制器
压力开关(控制器)
液位开关(控制器)
浮子式液位开关(控制器)
温度开关(控制器)
定时开关
钥匙开关
htp:/www.docin.com
豆丁网
http://www.docin.com
图形符号
CB3545-94
注:必要时可在开关、插头、插座图形符号右下角加注额定电流。3.5生活及其他用电设备
图形符号
电磁阀
信号灯电键:
(1)单键;(2)双键
单柄开关
(单柄关闭器)
双柄开关
(双柄关闭器)
刀形单柄开关
(刀形关闭器)
直流电焊机
交流电焊机
洗衣机
电冰箱
hittp:www.docin.com
豆丁网
http://www.docin.com
优选形
图形符号
CB354594
其他形
空调器
电风扇
注:“优选形”中,两种符号均为风扇一般符号;“其他形\中,(1)台式或壁式;(2)顶式风扇调速器
旋转视窗
(雨雪清除器)
刮水器
电热器及烹调器具一般符号。
注:星号*处填入文字符号以表示不同用途。如:
电热器一般符号;
OH-—电气油加热器:
SH-—电暖器:
CR电灶
中华人民共和国船舶行业标准
CB3545-94
船舶电气平面图图形符号
1994-02-01发布
豆丁网
http://www.docin.com
中国船舶工业总公司·发布
1994-08-01实施
http:www.docin.com
豆丁网
http://www.docin.com
中华人民共和国船舶行业标准
船舶电气平面图图形符号
主题内容与适用范围
CB3545—94
分类号:U04
代替CB*/Z93—74
本标准规定了船舶电气平面图中电力设备、灯具、生活及其他用电设备、电气仪表以及观通导航设备等的图形符号。
本标准适用于船舶电气设备系统图、布置图、电缆敷设图等平面图的图形符号的绘制。2绘制原则
2.1一般符号用于代表某一大类设备。2.2图形符号的大小可变化,但应尽可能按比例放大或缩小,2.3未规定的图形符号,可以根据国家标准GB4728及本标准的组成规律和示例,派生必要的图形符号,但不应与本标准已定出的图形符号相重复。图形符号及说明
3.1电气线路
图形符号
中国船舶工业总公司1994-02-01批准说
用单线表示的多种或多回路线路干线
软电缆和软导线
导线穿过电缆槽敷设
1994-08-01实施
http:www.docin.com
豆丁网
http://www.docin.com/
3.2配电设备
图形符号
图形符号
CB3545—94
导线穿过管子敷设
导线穿过双层管子敷设
向上配线
向下配线
垂直通过配线
主配电板
应急配电板
分配电箱一般符号:
(1)防滴及防护式;
(2)防水式。
注:星号*为区分不同用途的分配电箱加注的文字符号。
电力分配电箱:
照明分配电箱;
通信分配电箱
http://www.docin.com/
豆丁网
http://www.docin.com
3:3电机、变电设备、蕾电池
图形符号
图形符号
CB3545-94
岸电箱
1)防滴及防护式;
(2)防水式
接线箱
接线盒
(1)防护式;(2)防水式
旋转电机一般符号
(1)防滴式电机;
(2)防水式电机。
注:在无需区分电机防护型式时,以符号(1)代表所有电机。
星号*为区分不同用途的电机加注的文字符号,如:
M电动机;
—发电机;
GS—同步发电机;
变流机;
能用作电动机或发电机的电机。当需要区分交流电机或直流电机时,可在文字符号下加注如下符号:交流;
电动机-发电机组
例如:交流电动机-直流发电机组http:www.docin.com
3.4起动及控制设备
豆丁网
http://www.docin.com/
图形符号
CB3545-94
图形符号
变压器
自耦变压器
逆变器
整流设备
变频器
蓄电池一般符号
不间断电源装置
控制设备的一般符号。
注:星号*为区分不同用途的控制设备加注的文字符号。
-机舱集控台
http://www.docin.com
豆丁网免费标准bzxz.net
http://www.docin.comm
图形符号
CB354594
电动机起动器一般符号。
特殊类型的起动器可以在一般符号内加上限定符号
电阻箱
开关箱一般符号
带熔断器的刀开关箱
断路器箱
熔断器箱
隔离开关箱
防护式按钮盒。
注:图形符号内的小圆圈数表示按钮数防水式按钮盒
注:图形符号内的小圆圈数表示按钮数防护式按钮指示灯盒
防水式按钮指示灯盒
http://www.docin.com
http://www.docin.com
图形符号
CB3545-94
火警按钮
单极单投开关:
(1)防护式;(2)防水式
双极单投开关:
(1)防护式;(2)防水式
三极单投开关:
(1)防护式;(2)防水式
单极双投开关:
(1)防护式;(2)防水式
双极双投开关:
(1)防护式;(2)防水式
三极双投开关:
(1)防护式;(2)防水式
单极双控开关:
(1)防护式;(2)防水式
双极防爆开关
双极带指示灯开关:
(1)防护式;(2)防水式
双极插座:
(1)防护式;(2)防水式
三极插座:
(1)防护式;(2)防水式
http:/www.docin.com
豆丁网
http://www.docin.com
图形符号
CB3545--94
双极带接地孔插座:
(1)防护式;(2)防水式
三极带接地孔插座:
(1)防护式;(2)防水式
双极带导向孔插座:
(1)防护式;(2)防水式
双极插头:
(1)防护式;(2)防水式
三极插头:
(1)防护式;(2)防水式
双极带开关插座(防水式有接地孔)双极带开关插座(防水式有导向孔)三极带开关插座(防水式有接地孔)双极带联锁开关插座(防水式)三极带联锁开关插座(防水式)双极带联锁开关插座(防水式有接地孔)三极带联锁开关插座(防水式有接地孔)http:/www.docin.com
豆丁网
http://www.docin.com
图形符号
CB3545-94
双极带联锁开关插座(防水式有导向孔)门开关
位置开关(行程开关)
主令控制器
压力开关(控制器)
液位开关(控制器)
浮子式液位开关(控制器)
温度开关(控制器)
定时开关
钥匙开关
htp:/www.docin.com
豆丁网
http://www.docin.com
图形符号
CB3545-94
注:必要时可在开关、插头、插座图形符号右下角加注额定电流。3.5生活及其他用电设备
图形符号
电磁阀
信号灯电键:
(1)单键;(2)双键
单柄开关
(单柄关闭器)
双柄开关
(双柄关闭器)
刀形单柄开关
(刀形关闭器)
直流电焊机
交流电焊机
洗衣机
电冰箱
hittp:www.docin.com
豆丁网
http://www.docin.com
优选形
图形符号
CB354594
其他形
空调器
电风扇
注:“优选形”中,两种符号均为风扇一般符号;“其他形\中,(1)台式或壁式;(2)顶式风扇调速器
旋转视窗
(雨雪清除器)
刮水器
电热器及烹调器具一般符号。
注:星号*处填入文字符号以表示不同用途。如:
电热器一般符号;
OH-—电气油加热器:
SH-—电暖器:
CR电灶
小提示:此标准内容仅展示完整标准里的部分截取内容,若需要完整标准请到上方自行免费下载完整标准文档。
标准图片预览:





- 其它标准
- 热门标准
- 船舶行业标准(CB)
- CB1124-2008 舰船用高强度船体结构钢焊接材料的鉴定、出厂和进货检验规则
- CB/T311-1999 船用内螺纹青铜填料旋塞
- CB3413-1992 船用接线盒
- CB1197-1988 CZJ型船用线簧孔矩形连接器
- CB/T3582-1994 船舶货舱口修理技术要求
- CB/T3542-94 船用柴油机活塞销修理技术要求
- CB1194-1988 水声实用压电陶瓷元件性能参数的测量与计算方法
- CB/T3573-1994 船舶电磁起动器修理技术要求
- CB/T296-1999 鹅颈式通风筒
- CB/T4031-2005 J类青铜2.0MPa压力表旋塞
- CB1198-1988 舰船设备可靠性设计程序
- CB/T315-1993 外螺纹青铜节流阀
- CB/T4157-2011 船用液压控制截止阀
- CB1221-1993 潜艇潜望镜及其装置安装技术条件
- CB/T338-1999 船用电气号灯类型、参数和主要尺寸
- 行业新闻
请牢记:“bzxz.net”即是“标准下载”四个汉字汉语拼音首字母与国际顶级域名“.net”的组合。 ©2025 标准下载网 www.bzxz.net 本站邮件:wymp4wang@gmail.com