- 您的位置:
- 标准下载网 >>
- 标准分类 >>
- 公共安全行业标准(GA) >>
- GA 54-93 消防应急照明灯具通用技术条件
标准号:
GA 54-93 消
标准名称:
应急照明灯具通用技术条件
标准类别:
公共安全行业标准(GA)
标准状态:
现行出版语种:
简体中文下载格式:
.zip .pdf下载大小:
126.56 KB

点击下载
标准简介:
GA 54-93.
1主题内容与适用范围
GA 54规定了消防应急照明灯具的分类、技术要求、试验方法和产品标志。
GA 54适用于一般工业与民用建筑中安装的消防应急照明灯具,其他环境中安装的具有特殊性能的消防应急照明灯具,除特殊要求应由有关标准另行规定外,亦应执行本标准。
2引用标准
GB7000灯具通用安全要求与试验
GB7001灯具 外壳防护等级分类
GB9467室内 灯具光度测量
GB13495消防安全标志
GB2423. 1电工电子产品基本环境试验规程试验A:低温试验方法
GB2423. 2电工电子产品基本环境试验规程试验B:高温试验方法
GB2423.3电 工电子产品基本环境试验规程试验 Ca: 恒定湿热试验方法
GB2423.5电 工电子产品基本环境试验规程试验 Ea:冲击试验方法
GB2423. 10电工电子产 品基本环境试验规程试验Fe:振动(正弦)试验方法
3术语
3.1消防 应急照明灯具
用于消防应急照明而设置的各类应急灯具。
3.2疏散照明灯
为人员疏散提供照明的消防应急照明灯具。
3.3疏散 指示标志灯
用图形、文字指示安全出口及其方向或位置的消防应急照明灯具。
3.4消防 设施标志灯
用于指示灭火器具存放位置或其方向、危险物品存放或危险设施场所或其方向及禁止入内的通道、场所等而设置的有图形、文字显示的消防应急照明灯具。
3.5自带电源型消防应急照明灯具
一种持续式或非持续式的消防应急照明灯具,其蓄电池、控制部件、检验器件同光源一起装在灯具内部或其附近(500mm距离以内)。
3.6集中 电源型消防应急照明灯具
灯具内无独立的应急电源,而由集中供电系统供电的持续式或非持续式消防应急照明灯具。

部分标准内容:
中华人民共和国公共安全行业标准GA54—93
消防应急照明灯具通用技术条件本标准规定了消防应急照明灯具的分类、技术要求、试验方法和产品标志。本标准适用于一般工业与民用建筑中安装的消防应急照明灯具,其他环境中安装的具有特殊性能的消防应急照明灯具,除特殊要求应由有关标准另行规定外,亦应执行本标准2引用标准
GB7000
GB7001
GB9467
GB13495
灯具通用安全要求与试验
灯具外壳防护等级分类
室内灯具光度测量
消防安全标志
GB2423.10
3术语
电工电子产品基本环境试验规程电工电子产品基本环境试验规程电工电子产品基本环境试验规程电工电子产品基本环境试验规程试验A:低温试验方法
试验B:高温试验方法
试验Ca:恒定湿热试验方法
试验Ea:冲击试验方法
电工电子产品基本环境试验规程试验Fc:振动(正弦)试验方法3.1消防应急照明灯具
用于消防应急照明而设置的各类应急灯具。3.2疏散照明灯
为人员疏散提供照明的消防应急照明灯具。3.3疏散指示标志灯
用图形、文字指示安全出口及其方向或位置的消防应急照明灯具。3.4消防设施标志灯
用于指示灭火器具存放位置或其方向、危险物品存放或危险设施场所或其方向及禁止入内的通道、场所等而设置的有图形、文字显示的消防应急照明灯具。3.5自带电源型消防应急照明灯具-种持续式或非持续式的消防应急照明灯具,其蓄电池、控制部件、检验器件同光源起装在灯具内部或其附近(500mm距离以内)。3.6集中电源型消防应急照明灯具灯具内无独立的应急电源,而由集中供电系统供电的持续式或非持续式消防应急照明灯具。
3.7等待状态
灯具从充电完毕到转入应急照明之间的状态。3.8终止电压
过放电保护部分启动,灯具不再起应急照明确作用时,电池的电压。4分类
4.1按应急供电方式分为:
自带电源型:
b、集中电源型;
4.2按用途分为:
疏散指示标志灯:
b、疏散照明灯;
4.3按工作方式分为:
a、持续式:
b、非持续式。
5技术要求
5.1消防应急照明灯具应急转换时间应不大于5s5.2消防应急照明灯具的应急工作时间应不小于30min。5.3自带电源型消防应急照明灯具所用电池必须上全封闭免维护的充电电池,电池的使用寿命不小于4年,或全充、放电循环次数不小于400次。5.4自带电源型消防应急照明灯具应设置等待、充电、故障状态指示灯。等待状态用不着红色,充电状态用绿色,故障状态用黄色。5.5消防应急照明灯具的电池放电终止电压应不低于额定电压的85%,并应有过放电保护。5.6标志灯的表面最小亮度不应小于15cd/m,最大亮度不应大于300cd/m2,且最大亮度与最小亮度比不大于10:1。疏散照明灯从交流电源转到应急电源供电时,其光通量应不低于光源在额定电压时光通量的70%。
5.7消防应急照明灯具应设有短路保护和模拟交流电源供电故障的试验无锁按钮,但不应设其他开关。
5.8电池的再充电时间应不大于24h,并应有过充电保护。5.9消防应急照明灯具应能连续转换照明状态10次。5.10消防应急照明灯具的交流电源输入端与壳体之间的绝缘电阻应不小于500MQ,有绝缘要求的外部带电端子与壳体之间的绝缘电阻应不小于20M?。5.11消防应急照明灯具的交流电源输入端与壳体间应能耐受频率为50Hz、1500V历时60s的耐压试验。试验期间不应产生表面飞弧和击穿现象。试验后应能正常工作。5.12消防应急照明灯具外壳、灯罩应选用非燃烧材料制造。内部连接线宜采用耐温大于105℃的阻燃导线。
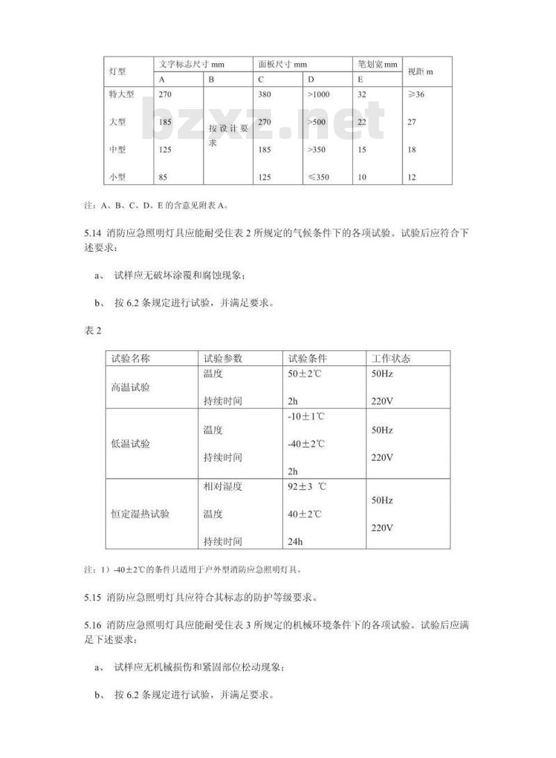
5.13标志灯上的颜色、图形、文字应符合GB13495的要求。尺寸应按表1及附录A(补充件)选用。字宽不宜小于2/3A,字距不小于E。笔划宽度不应小于E,部分笔划可以适当加粗。
特大型
文字标志尺寸mm
按设计要
注:A、B、C、D、E的含意见附表A。面板尺寸mm
≤350
笔划宽mm
视距m
5.14消防应急照明灯具应能耐受住表2所规定的气候条件下的各项试验。试验后应符合下述要求:
试样应无破坏涂覆和腐蚀现象;a、
b、按6.2条规定进行试验,并满足要求。表2
试验名称
高温试验
低温试验
恒定湿热试验
试验参数
持续时间
持续时间
相对湿度
持续时间
试验条件
50±2℃
-10±1℃
-40±2℃
92±3℃
40±2℃
注:1)-40土2℃的条件只适用于户外型消防应急照明灯具。5.15消防应急照明灯具应符合其标志的防护等级要求。工作状态
5.16消防应急照明灯具应能耐受住表3所规定的机械环境条件下的各项试验。试验后应满足下述要求:
试样应无机械损伤和紧固部位松动现象;a、
b、按6.2条规定进行试验,并满足要求。试验名称
振动(正弦)试验
冲击试验
6试验方法
6.1试验的一般要注
试验参数
频率循环范围
驱动振幅
扫频速率
共振点上保持时间
振动方向
加速度
脉冲持续时间
冲击次数
试验条件
10~150~10Hz
1倍频程/min
10±0.5min
X、Y、Z
100—20m
3个面,各3次
半正弦波
6.1.1消防应急照明灯具按表4规定的试验程序进行型式试验。表4
试验程序
项目编号
试验项目
基本功能试验
充、放电试验
重复动作试验
绝缘电阻试验
耐压试验
高温试验
低温试验
振动(正弦)试验
冲击试验
恒定湿热试验
注:O号表示进行该项试验。
试样数三台,并在试验前予以编号6.1.2
试样编号
工作状态
非工作状态
非工作状态
6.1.3如在有关条文中没有说明时,则各项试验均应在下列大气条件下进行。温
度:15~35℃:
相对湿度:
45%~75%
大气压力:
96~106kPa。
6.1.4受试样品在试验前应满足下列要求,方可进行试验:a、外表无腐蚀、涂覆层剥落、起泡现象,无明显划伤、裂痕、毛刺等机械损伤;b、
紧固部位无松动
C、图形、文字以及尺寸应满足本标准表1规定6.2基本功能试验
6.2.1按GB9467要求测量标志灯的表面亮度,其结果应符合5.6条要求6.2.2按GB9467要求测量疏散照明灯的光源在额定电压供电时的光通量和转换到应急工作状态时的光通量,其结果应符合5.6条要求6.2.3用记时器测量应急照灯具由交流电源供电断电到转入应急工作状态的转换时间,试验结果应
符合5.1条要求。
6.3充、放电试验
断开交流供电电源,使消防应急照明灯具处于应急工作状态,并开始记时,待电池6.3.1
放电终止时,测量其工作电压。试验结果应满足5.2、5.5条要求:6.3.2使消防应急照明灯具充电24h,再次放电,试验结果座满足5.2、5.8条要求。6.4重复动作试验
连续10次使消防应急照明灯具由交流电源供电状态转换到应急工作状态。试验结果应满足5.9条要求。
6.5绝缘电阻试验
6.5.1通过绝缘电阻试验装置,分别对试样有绝缘要求的外部带电端予与壳体之间、电源插头(或电源接线端子)与壳体之间施加500土50V直流电压,持续60士5s,测量其绝缘电阻值。试验结果应满足5.10条规定。6.5.2试验设备
满足下列技术要求的绝缘电阻试验装置(在不具备专用测试装置的情况下,也可用兆欧表或摇表测试)。
试验电压500士50VDC:
测量范围
0—500MQ:
最小分度
60土5S。
6耐压试验
6.6.1通过耐压试验装置,对试样交流电源输入端(或电源接线端子)与外壳之间进行耐压试验,以100—500V/s的升压速率升到1500V士10%,持续60士5s,观查记录试验中所发生的现象。然后,以100一500V/s的降压速率使电压逐渐降到零。试验结果应符合5.11条要求。
6.6.2试验设备
耐压试验装置应满足下述技术要求:试验电源:电压0一1500V(有效值)连续可调,频率50Hz,短路电流10A(有效值)。升(降)压速率:100—500V/S:
记时:60士5s。
6.7高温试验
6.7.1将试样在正常大气条件下放置2一4h后放入高温试验箱中,接通电源,使其处于交流电源供电状态。以不大于1℃/min的平均升温速率升到50土2℃,并保持2h。试验结果应满足5.14条要求。
6.7.2试验设备bzxz.net
试验设备应符合国家标准GB2423.2中第4章的规定。6.8
3低温试验
6.8.1将试样在正常大气条件下放置2一4h后,放入低温试验箱中,接通电源,使其处于交流电源供电、状态。以不大干1℃/min的平均降温速率使温度降低到一10主2℃(户外型消防应急照明灯具降低到一40土2℃),并保持2h,试验结果应满足5.14条要求,
6.8.2试验设备
试验设备应符合国家标准GB2423.1中第4章的规定。6.9
9恒定湿热试验
试验设备座符合国家标准GB2423.1中第4章的规定。6.9.1将试样在正常大气条件下放置2一4h后,放人恒定湿热试验箱,接通电源使其处于交流电源供电状态,调节试验箱,使其温度为40士2℃、相对湿度为90%一95%(先调节温度,当温度稳定后再加湿),连续保持24h。试验结果应满足5.14条要求。
6.9.2试验设备
试验设备应符合国家标准GB2423.3中第2章的规定,6.10振动试验
6.10.1将试样在正常大气条件下放置2一4h后,按工作位置将其紧固在振动试验台上,处于非工作状态。启动振动试验台,使其在10一150一10Hz的频率循环范围内,以0.19mm的振幅,1倍频程/min的速率,进行一次扫频循环,检查有无危险频率。上述试验座在试样的三个互相垂直的轴线上进行。并分别按以下三种情况进行试验,每种试验均应在试样的三个互相垂直的轴线上依次进行:a.如危险频率不超过4个,在每一个危险频率上进行振幅为0.19mm,持续时间为10土0.5min的定频振动试验;
b.如危险频率超过4个,在10一150一10Hz的频率循环范围内,进行振幅为0.19mm扫额速率为1倍频程/min,扫频次数为2次的扫频循环试验,c.如无危险频率,在150Hz的频率上进行振幅为0.19mm,持续时间为10土0.5min的定频振动试验。
试验结果应满足5.16条要求:
6.10.2试验设备
试验设备(振动台和夹具)应符合国家标准GB2423.10中第3.1条规定。6.11冲击试验
6.11.1,将试样在正常大气条件下放置2一4h后,按工作位置将其紧固在冲击试验台上,处于非工作状态。启动冲击试验台,对质量为m(kg)的试样,以峰值加速度(100一20m)队脉冲持续时间为11士1ms的半正弦波脉冲,对试样的三个互相垂直的轴线中的每个方向连续冲击3次(共计9次)。试验结果应满足5.16条要求。6.11.2试验设备和测量系统
冲击试验台的特性及测量系统应符合国家标准GB2423.5中第3.1条和3.2条要求。标志
每台消防应急照明灯具应有清晰、耐久的标志,包括产品标志和质量检验标志,2产品标志
产品标志应包括下列内容:
a.制造厂名、厂址;
b.产品名称;
c.产品型号:
d.商标;
e.制造日期及产品编号:
f.产品主要技术参数。
3质量检验标志
质量检验标志应包括下列内容:a.本标准代号及编号:
b.检验部门名称;
c.合格标志。
附录A
疏散标志灯具图形、文字与尺寸(补充件)
A1标志图形中人的奔跑方向与箭头指示方向应一致,见图1、图2A2图4为出口、安全出口、紧急出口的通用图形标志,详细画法见图9。A3双向有出口的指示标志见图5。不得使用图4的图形A4图6为安全出口处的标志。
A5同时有中、英两种文字的标志,应视使用场合选一种文字为主,其字的高度为A:另一种文字高度为A/2,面板高度C按表1加高一级,见图7。A6图8为英文“EXIT”字形图谱,当A不等于125mm时,各相关尺寸按比例放大或缩小。A7图10为箭头长度根据使用情况适当加长,但最短不小于5/7C(由顶尖至尾)。
小提示:此标准内容仅展示完整标准里的部分截取内容,若需要完整标准请到上方自行免费下载完整标准文档。

标准图片预览:





- 热门标准
- GA公共安全标准
- GA/T1074-2013 生物样品中Y-羟基丁酸的气相色谱-质谱和液相色谱-串联质谱检验方法
- GA/T492-2004 城市警用地理信息图形符号
- GA86-2009 简易式灭火器
- GA/T1330-2016 法庭科学吸毒人员尿液中四氢大麻酚和四氢大麻酸气相色谱-质谱检验方法
- GA/T1300-2016 社会消防安全培训机构设置与评审
- GA214.14-2004 常住人口管理信息规范第14部分:居民身份证制作信息数据交换格式
- GA/T704.7-2007 出入境管理信息代码 第7部分:境外人员入境事由代码
- GA/T1529-2018 信息安全技术安全型硬拷贝产品安全技术要求
- GA/T1591-2019 警务智能语音服务平台接口规范
- GA301.2-2001 看守所在押人员信息管理数据交换格式 第2部分:看守所信息数据交换格式
- GA1151-2014 火灾报警系统无线通信功能通用要求
- GA/T16.103-2015 道路交通管理信息代码第103部分:道路交通事故受案编号编码规则
- GA39.2-92泵 消防车通用技术条件
- GA301.3-2001 看守所在押人员信息管理数据交换格式 第3部分:监管业务指导部门信息数据交换格式
- GA/T1285-2015 安防指/掌纹识别应用图像数据交换格式
- 行业新闻
网站备案号:湘ICP备2023016450号-1