- 您的位置:
- 标准下载网 >>
- 标准分类 >>
- 通信行业标准(YD) >>
- YD/T 1360-2005 通信用阀控式密封胶体蓄电池
标准号:
YD/T 1360-2005
标准名称:
通信用阀控式密封胶体蓄电池
标准类别:
通信行业标准(YD)
标准状态:
现行出版语种:
简体中文下载格式:
.zip .pdf下载大小:
469.49 KB
点击下载
标准简介:
YD/T 1360-2005.Valve-regulated colloid battery for telecommunication.
1范围
YD/T 1360规定了通信用阀控式密封胶体蓄电池的要求、检验方法、检验规则、标志、包装、运输和贮存。
YD/T 1360适用于通信用阀控式密封胶体蓄电池。
2规范性引用文件
下列文件中的条款通过本标准的引用而成为本标准的条款。凡是注日期的引用文件,其随后所有的修改单(不包括勘误的内容)或修订版均不适用于本标准,然而,鼓励根据本标准达成协议的各方研究是否可使用这些文件的最新版本。凡是不注日期的引用文件,其最新版本适用于本标准。
GB/T 2408-1996塑料燃烧性能试验
GB/T 2828.1-2003逐批检查计数抽样程序及抽样表(适用于连续批的检查)
GB/T 2829-2002周期检验计数抽样程序及对表(适用于过程稳定性的检验)
HB/T 2692蓄电池用硫酸
JB/T 10053铅酸蓄电池用水
3定义与符号
下列定义和符号适用于本标准。
3.1阀控式密封胶体 电池
蓄电池采用凝胶状的胶体电解质,正常使用时保持气密和液密状态,当内部气压超过预定值时,安全阀自动开启,释放气体,当内部气压降低后,安全阀自动闭合使其密封,防止外部空气进人电池内部。电池在使用寿命期间,正常使用情况下无需补加电解质。
3.2 热失控敏感性
在通常的过压充电条件下,蓄电池对充电电流和温度的感应能力。
3.3低温敏感性
芒由山汉件泪叶安E故穴县玖它性
部分标准内容:
YD/T1360-2005
通信用阀控式密封胶体蓄电池
Valve-regulated colloid battery for tetecornrnurication2005-09-01发布
2005-12-01实施
中华人民共和国信息产业部发布前言·
范围…
规范性引间文件
定义与符号
型号与数
5要求-
检验方达
检验规则
标志、包兼、运输及贮存
1 KAoNirKa
YD/T 1360-2005
YDT1360-2005
本标准呈通信电源储能设备产品的系划标雅之一,该系列标准的名称及结构如下:2通信用阀控式密封维截点电池:1YDT7QQ-2002
2.YD/T1360-2XK15通信用阅控式密势收体脊电遇:本标准非等效果月了正C6期96-21西定型铅酸端电池一第21部分:闪控式——功能特性和试验方法,并结含找国企业产品实际生产能力,技术,重型水及使用要求,增加了:热失控敏感性、低温数感性、循环耐久性能、人电流敢电后电池的恢复能力及过放电试验等响性能要求。车标推由中通信标准化协会偿出并归口:本标准起节单偿:江苏双登朵团有限公司浙江南电源动力股份有限公司
信息产业部回信研究陷
曲良举阳电源实业有限公司
中标准上要起草人:毛书意王质川熊兰英陈俊民张报芳吴德元义京文1范
通信用阀控式密封胶体替电池
YD/T 1360-2005
标准观定了适信用阀恼式密扫胶体器电范的要求、检整厅法、检验规则、标志,包装、举绚和顺存,怀标准适用于通信片所控式案封股体蓄电池2规范性引用文件
下列文件中的条款通过本款准的引用而或为本标准的条款:以最注口期的文性,其随后所有的修改单(不包招勘误的内容)或修订版均不适用丁本标准,然而,鼓励根据本款准达成协议的各方研定是否使用这些文件的最新版个:凡是不注日期的引用文件,其最新版本适用于本标准。GB/E2468-1906
GB/T 2825.12003
GB/T 2829-2002
HB/T26
JB/T 10053
3定文与符号
塑料燃烧性能试验
涵批检变计数轴样程序抽样表(活用丁连续北的检查!周期检验计激抽样程序及对表(活川于过程稳定性的检验:蓄电池有镜酸
铅酸盘电池片水
下列定义和符号适用于本标准
3.1阅控式密封胶体营电池
电泄采用凝胶状的胶体电解质,正需使用时保使气密和液密状态,当内率气正过独是值时,安全阅自动开启,释放气体,当内部气压降瓶后,安全网自动闭合使其密封,防正外部空气逃人电他内部。电沟在用寿命期问,正带使用情况下无需补电解质,3.2热失控敏感性
在通常的过压充电条作下,满电池对充电电流利温要的感应能力:3.3低温敏感性
蓄电池经低湿过病后的穿且稳定性,3.4蓄电池的完全充电
费电池在(2595%)环境1,以单休警电池电压2.35~2.40V进行充电,充电初期电池最,人不应超过2.5I.0,最小不低于I0充电电流,在充电后期连续2~3h电流基不稳定不变,则规为凿电池充全充电。3.5符号
10h率额定容量【Ah,数值为1.MC%Sh率额定容量(Ah),数值为0.8.5Cm3h帝额定容量(Ah),数值为0.75Cm:C
1h率额定容量(Ah),数值为0.50C0:当环境温度为时的密电池实测容量(A)是放电凸流(A)与电时间T(的柔积C一一在基准温度(2S)条件时的蓄电池容(la——10h率放电电流(A、数值为0.1Cip:1
TI1 KANirKa
YD/T1860-2005
[g—5h率放电电流(A)。数为1.7010:T3h率款电电流(A),数值为2.501.0;1-1h牢放电电流(A),数值为5.0U邮—电池或需电油组的充中压(V),数值由制造商规定。4型号与参数
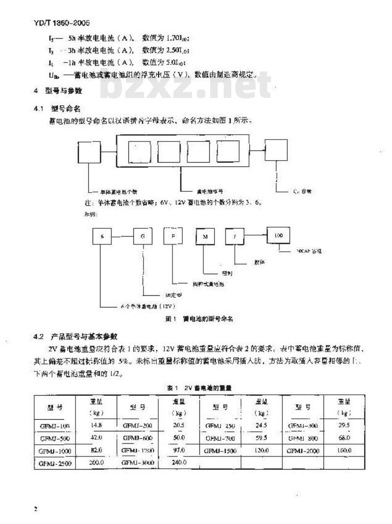
4.1型号命名
电池的型受命名以议语拼骨学母表示,命名方法如图1所示年要电范个效
普生池书号
注:举体苗电池个数省略,6V,[2V器电池的个数分剃为3、6。示树:
单数电池(12V
图 1 窖电池的型号帝名
42产品型号与基本禁数
2V需电池重量应竹合衣1的要求,12V满电池重量应符合表2的要求。表中等电池事量为标称值,其上该差不超过标称值的5%。未标由重显标称值的需电泄采用插人法,方法为取插人容是扣部的「:下两个筹电池重量和的[,
表 1 2V 首电池的重量
GFMT-IUKI
GFMUT-5(G
GFMU-1000
GFMI-2500
GFMI-KI
GFMJ-600
CIFMI-1H
GFMJ-MMA
(FM)2GbZxz.net
GHMI-7UI
GFMU-1S(K)
GFM-5A)
GHMIB0
CFMI-2000
M:FMJ-120
5要求
5.1环境温度
6CFMJ-65
6GIMJ-1,50
表212V面电池的重量
bGFMI85
6GFMU20U
YD/T1380-2005
6GHMH:UG
替电池在环境温度2030么条件下正帝使用,应达到C%额定容量,当温低于上速温度时,截电池的C益随游害下降,不可温度下的究基修正系数见表3。表 3 不同温座下的容量降正累血 ( 参考温度 20℃ 1广高现格
5.2蓄电池结构
5.2.1一般结构
5°℃
106元
格电池由低锯板,隔版,举中池裙,益、胶体电解质,极性及安全润等组成,正/负摄极柱应便十连接,并例宿整控端子,有切显标志,其极性、尺寸定符合“品图纸要求。善电连接条保护罩的材料为阻燃材料
5.2.2隔板
隔板应采用腔体著电池专册VC隔极或符合牛产企业规定的码板:5.2.3蓄电池挡
器电控格、盖、全阀、极杠、极杆封别财料应符合产品图纸要求,5.2.4胶体电解质
胺件电解质所抵的硫酸应符合HGT2692标准规定,去离子水应符合B/10053标准韧定。5.3外观
套电池外现不得有变形、满液,裂效及污迹;标志要清渐,5.4阻燃性能
电池连接涤保护率立符合G月2408-1996中的剪8.3.2FH-1水平级」和第9.1.2TV-0【型直级】的婴求。
5.5气密性
蓄电池应能承受5%Pa的正成负而个破裂,不胶,力程效后完体无残余变形,5.6量
标称值为2V、6V、12V毒电池接6.6条规定的方法试验,10h率容量第三次循环成达到Cm5h,北和率的察单成分别在第四次,五次和六次错环以前达到,放电悠电压成符合表4的要求3
YYKANKA
YD/T1360-2005
5.7大电流施电
壹4、禁止电用
替审池故电单体路止电压
募电泄以301放电3mi,极柱不成熔断、内部汇密非不症塔断。其外业不得出现分常:5.B密量保存率
苯电鸿萨胃28人后其容虽保存宰不低十%%,5.9密封反应效率
券电池密反成效率成不低于5证
5.10防酸雾性能
电池在正常等充工归过程中成无酸案避出:企均充状恋下避酸量<0.025meAh。5.11安全网要求
安余阀其有自动开启和白动关闭的功能,开,闭压力范逝为5~30kPa。5.12耐过充电能力
蓄电池按6.13策要求试验点,其外观应无变形校摔滤。5.13备电池充电管理
5.13.1蓄电池在使用前-般成进行补充充中,需电池最大充电电流不大于2.510,最大补充充电电压不人于2.35V-0cv
-DOSYV
5.13.225%时,蓄电池与衡充电单体电账为2.35V0强-U.U5k
5.13.325么时,蓄电泡充电单体电压为2.23-2.27V。5.14蓄电池端电压的均衡性
5.14.1单休电池和由考下个单体组成-林的组合蒂电池,其各范闻的开路且压最高与最低的差值应不人十20)mV(2V),S0mV(6V)1umV(12V5.14.2新替良池迹人浮充状态24h后各替电池之问的端电压差度不人十120mV(2V】、240mV【6V】350mV(12V,使日一年后斤的资电他浮充状态下电池叫的端电差为60m(2V)120mV【6V)240mV(12V)-
5.15电池间接电压降
电池间连接电降UmV
5.16薄电池内阻
12V满电滤内成符合表5的要求,2V声电池内阳应符合表6的要求5.17防爆性能
6-G1MI-30
GGFM1J-65
6-GU-85
6 GFMI-I100
6GFMI-120
6-GFMJ-150
GFMI-200
GFMT200
GFM250
GFMI 3G
CFMU350
GFMJ 420)
GFMJ49D
CIFME GnO
GFMU-XIK)
GFMJ1000
GFMJ-12M
GFMLI-1500
GFMT-2000
GFMJ-2500
GEMJ-3000
表512V香电池内陷
S2V普电池内阻
电池在充中过程中遇有明火、内部应不引燃、不引燃。5.18封口剂性能
内风()
内阳(M%)
YD/T1360-2005
采用封口剂的需电池,在温度-30%+65它范围内,封口剂不应有裂纹与溢流现象。5.19热失控敏感性
替电池接6.20条试购,应料合下达规定值券电池温升应259,每24h的电流增长率点50%5.20大电流放电后电池恢复能力益电池经过1率效电后,池的充电恢能力必在10h之内达到额定容量的5%以15.21过度放电试验
替电按6.22条试验后,儿奔盛恢安值应=85%。n
YY KANKI
YD/T1360-2005
5.22低湿敏密性
普电他按6.23第试验,10h率放容量应净0.9C10:外观不成有破裂,过度胀胀及楷与盖分声块象,5.23蓄电池寿命
首中池的存前够见表了的既定,齿电激在不同环境温度下浮充使用寿命参见表8的视定。表了 当电池的存
过充命(2030)
高湿加连河充寿帝
循环献久性
产品融格
2V(年)
6V,12V(年
检验方法
V系到过充0折合命
2V列商加逆浮而次折合命年
爸式故报木低1800饮
6和12V系过充240d台寿全
HV12V系列商温加速学充次合胎年禁膏式极证不低干40次
表香电池的浮在使用寿命
谢量传衰要求
14 - 15
所用仪表的量程应随被测电演动电斥的盘值而确定,指针衣议数应在量程内的后1/范制内。6.1.1电压囊要求
测量电压的仪表精度成不低于心.5级或用相应级测的数字表:6.1.2电流录要求
测量电流的没表精度应不低于0.5级,8.1.3 温度计要求
测虽湿度用的温度计应具有适当的量征,其母个分度值不应大下1,温度计的标定精度应不低丁u.st。
6.1.4计时仪变要求
测是时间用的仪表应按时,分,砂分度,其精度应不低丁±,6.1.5压力衰要求
洲盒压方用的仪表粘度应不低于0.25级或用同等精度计量仪表:6.1.8磅秤喜求
称重量用的磷书误差应不超过1,6.2菁电池检验前的预处理
拾验用需电池应足近1个月内生产的个格品,检验前必须将其完全充电8.3垂量试验
不同穿厚的需电池称得的重量应符合4.2的要求,6.4雷电池结构检查
带电池的结构应符合5.2的要求。6
6.5外现检查
目规始查被测费电的外成符合5.3的案求。6.6阻整性能试验
向燃性能试验按以下上暴进行
)拨0B2408-1996标准中的第6章进行取性制备。YD/T 1360-2005
b)被试样品应在温度15℃~35℃,相湿度45%~75%条件下收置24h小始试验)水平法按GBT2408-1996中的第8竞进行,试验后应符合5.4的婴求。!乘克法按GB/2408-199%+的第9竞进行,越验后应符含5.4的妥求6.7气密性试验
6.7.1套出池环境温度(25%±5℃)的条件5临存24h。6.72通过安全间向游电池内充气,当内外正差为50kP时正力请针应稳定5s,6.7.3当±力释效后,费电池先体应无变形、无破费利开胶,应符合5.5的要求。6.8客量试验
6.8.1完全充见的咨电池协置1~24h,在不温弹为(25T:+5T:)的杂件下开始放电:6.8.2放自开能后感测者电池的增电压,放电时应测量电流,电流波动不得超过规定值的1条,6.8.3效负期创应测龄电池的端电压及室湿:测量时山距:10h率试整为1h;5h率试验步0.5h:2h率试监为:20min:Ih率试验为min:在放电末期要随时测量,以便准矿地确定省电池终正电压的刊司。6.8.4格电池放电时,如果温典不是25%,则需将实测容量按公式(1)换算减25T苯准温度时的穿型C:并值应符合5.6的要求
1+r(1- 25T:)
武中:
—放也时的环境度:
K溢度系数,10h本容量试验时K=0.006/C:5h率容试验时K=0.007/C:3率客量试验时k=.008:1h率容量试时=0.0.。注:比公试的际境竭度适应也围为1530°℃。6.9大电流放电试验
完成容量或验片的卷电池轻完全充电后,在(25+54.)的动境下以30,改电3mim.日测极非及资电:其外观成符合57的要求。6.10容量保存率试
6.10.1券电池需轻10h率容量试验合格后,方可进行本试验。6.10.2将完全充电的岛电池在(25±5T:)的坏境中静登28,关保排电池表面清洁十爆。6.10.3器电滤静置284,不经补充电之啦6.8进行10h率容量试,得到需电池静置28d后的穿盘C6.10.4裁公式(2)计算山费电池白放电试验后的容世保存率A、其值应符5.8的费求。R=
YYKANKA
YD/T1960-2005
6.11密封反应效率试验
6.11.1接6.8中10t率容见试验及耐过充电能力法验合格的落电池,在完金充电后进行试验,环境激度为(25+5),以0.1Lc的电流连续充电96h片,改用0.051a电流究电1。热后报图2所示收案气体h,水百
图2收集气体示意
6.11.2根据公式(3)算:将A微出约气体量,小根据公式(4)求出害封反成效率,结平出符含5.9的数求。
将肘反应效率-「
式干:
×100%
每Ah换算成25、1个人气压的效小气林量【mVAh);P
测定时的大气(比a
探准大气压值101.3(ka)
环境温度():
染的气你(ml;
收集气体期间充人的量(Ah)
电池的节许整:
6.12 防酸性能试验
改下两种方法可年选钟泄行试验,推荐采用沉淀法。6.12.1沉淀法
用.5(A)电流对完全充电的差电池再连续充电4h,充电21后立即收集气体,收案时间为2h。将气休通入3只[联装有定量BaC1液的吸收瓶中,使之通气数泡,通气2h后,姚第三只吸收版是否有沉淀心生,如秉没有即表示1A电池单格新出的酸落量<0.025%,反之为不合格,第,二受收舱中应划乃C的量按公式(5)计算:B
Wuna,=
0.025mg/Ah Xn ×Q× Mg1c
不同容量的蓄电池应配制的BaCI。的落量按公式(6)计算:0.15×4×C
式(5)(6)中:
WBaC的质量()
n-电池的单体数;
2—电量(Ah);
Miar——BuCl的分于量;
MmHSO4的分了量。
第三只吸1文瓶1战置1章尔依度的BaC1溶独10ml6.12.2试纸法
YD/T1360-2005
将电池放人Im容解中,容器内I值导中性(pH=7),对完全充电的蕾电池以021(A)电流进行4h的充电,用纯净蒸馅水润态个蒙试纸(pH站纸,并总放丁山气口上方2cm处,历时2h以后检禁容器内的酸度(诚纸应呈性),结果应符合5.10的要求。6.13安全阅动作试验
对安全润逐渐充气训止测定开阀时的爪力,然尽停止充气视定闭图时的压力,结果成符合5.11的费求
6.14耐过充电能力试验
6.14.1找照6.8诚验合格后并完全充电的蓄电池:6.142以0.3Tg电流再充电16nh,6.14.3过允完毕后,静置1h,其外观应符合5.12的要求6.15蓄电池充电管理检查
在动境温度(25%℃±5%℃),检查蓄凸池充电實理,结果虚符合5.13的要求6.16蓄电池端电压的均谢性能试验6.16.1在环宽温度(25%±5时,将完全充电的器电鸿静胃24.测盘儿开路电压,绩果应行合5.14.1的要求,
6.16.2在环境益度(25%±5)时,完全充电的蓄电池选入浮充状态24h后,分别量谷雷电池电压,其值虚符个5.14.2的要求,
6.17电池间连接电压降的试验
者电池接1h电资政电时,测量两!密电他之闻的连法电压降(在替电池的极拍极音测量)其值应符合5.15的要求,
6.18需电池内阻试验
6.18.110h率容量达划规定值的器良池壳全充电片,在(259±5)的环境十,通过两点测定达测定U=(7)放电待性典线,蓄电池以5Tn的电流放电205,精确测互并记录著血退的端电压U和电流值!(改电成长时间持续25s后停止),间晰5min后,薪凸池以20尚的电流放电5s,测呈1记录播电池的端电延和流值..
YYKANKCI
小提示:此标准内容仅展示完整标准里的部分截取内容,若需要完整标准请到上方自行免费下载完整标准文档。
标准图片预览:





- 热门标准
- YD通讯标准
- YD/T1684-2007 数字蜂窝移动通信网点对点短消息业务计费技术要求和检测方法
- YDC029-2003 电信设备和系统的高低频电磁兼容性改善技术要求
- YD/T1108-2001 CDMA 数字蜂窝移动通信网无线同步双模(GPS/GLONASS)接收机性能要求及与基站间接口技术规范
- YD/T1344-2005 IPv6 地址结构协议 —— IPv6 无状态地址自动配置
- YD/T2068.3-2010 2GHz TD-SCDMA 数字蜂窝移动通信网多媒体广播系统(TD-MBMS)网络管理技术要求(第一阶段) 第3部分:基于 CORBA 技术的网络资源模型设计
- YD/T206.4-1997 架空通信线路铁件交叉支架
- YD/T1319-2004 通信电缆 —— 无线通信用 50Ω 泡沫聚乙烯绝缘编织外导体射频同轴电缆
- YD/T1875-2009 800MHz/2GHz cdma2000 数字蜂窝移动通信网设备测试方法传统终端域(LMSD)移动交换子系统
- YD/T1763.3-2008 TD-SCDMA/WCDMA 数字蜂窝移动通信网通用用户识别模块(USIM)与终端间 Cu 接口测试方法 第3部分:通用用户识别模块应用工具箱(USAT)特性
- YD/T5174-2008 2GHz TD-SCDMA 数字蜂窝移动通信网工程验收暂行规定
- YD/T1049-2000 800MHz CDMA 数字蜂窝移动通信网设备总测试规范:交换子系统部分
- YD/T1456.2-2006 900/1800MHz TDMA 数字蜂窝移动通信网业务交换点(SSP)设备测试方法(CAMEL3) 第2部分分组域(PS)
- YD/T1688.3-2011 xPON 光收发合一模块技术条件 第3部分:用于 GPON 光线路终端/光网络单元(OLT/ONU)的光收发合一模块
- YD/T1374.7-2007 2GHz TD-SCDMA/WCDMA 数字蜂窝移动通信网 lu 接口技术要求(第二阶段) 第7部分:服务区广播协议(SABP)
- YD/T1027-1999 800MHz CDMA数字蜂窝移动通信网接口测试规范:移动交换中心与基站子系统间接口
- 行业新闻
网站备案号:湘ICP备2025141790号-2