- 您的位置:
- 标准下载网 >>
- 标准分类 >>
- 通信行业标准(YD) >>
- YD/T 813-1996 透明窗口信封(国际)
标准号:
YD/T 813-1996
标准名称:
透明窗口信封(国际)
标准类别:
通信行业标准(YD)
标准状态:
现行出版语种:
简体中文下载格式:
.zip .pdf下载大小:
2.36 MB

点击下载
标准简介:
YD/T 813-1996.
1范围
YD/T 813规定了透明窗口信封(国际)的规格尺寸、技术要求、糊制要求、试验方法、检验规则、包装、标志和贮存。
YD/T 813适用于邮政通信中交寄国际及港澳台地区信函使用的透明窗口信封。
2引用标准
下列标准所包含的条文,通过在本标准中引用而构成为本标准的条文。本标准出版时,所示版本均为有效。所有标准都会被修订,使用本标准的各方应探讨使用下列标准最新版本的可能性。
GB/T 1416-93信封
YD/T 738-95透明窗口 信封(国内)
QB 1012-91胶版印刷纸
ISO 11180-1993邮政地址
3规格尺寸
3.1 透明窗口信封(国际)的尺寸应符合GB/T 1416-93第4章的规定,应优先选用以下三种。见表1。
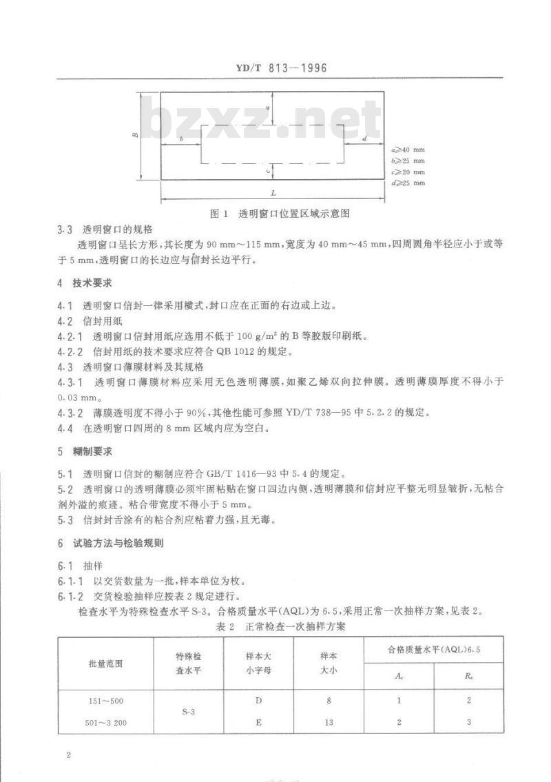
3.2透明窗口的位置
透明窗口在信封的正面。透明窗口应位于图1所示点划线框内,透明窗口的位置不能妨碍加盖日戳。
3.3 透明窗口的规格
透明窗口呈长方形,其长度为90 mm~115 mm,宽度为40 mm~45 mm,四周圆角半径应小于或等于5mm,透明窗口的长边应与信封长边平行。
4技术要求
4.1透明窗口信封一律采用横式,封口应在正面的右边或上边。
4.2 信封用纸
4.2.1 透明窗口信封用纸应选用不低于100 g/m2的B等胶版印刷纸。
4.2.2 信封用纸的技术要求应符合QB 1012的规定。
4.3 透明窗口薄膜材料及其规格
4.3.1 透明窗口薄膜材料应采用无色透明薄膜,如聚乙烯双向拉伸膜。透明薄膜厚度不得小于0.03 mm。
4.3.2 薄膜透明度不得小于90% ,其他性能可参照YD/T 738-95中5.2.2的规定。
4.4 在透明窗口四周的8 mm区域内应为空白。
5糊制要求
5.1 透明窗口信封的糊制应符合GB/T 1416-93中5.4的规定。
5.2透明窗口的透明薄膜必须牢固粘贴在窗口四边内侧,透明薄膜和信封应平整无明显皱折,无粘合剂外溢的痕迹。粘合带宽度不得小于5 mm。
5.3信封封舌涂有的粘合剂应粘着力强,且无毒。

部分标准内容:
YD/T813-1996
透明窗口信封(国际)
1996-03-13发布
中华人民共和国邮电部发布
1996-07-01实施
YD/T813-—1996
本标准是根据由国际标准化组织/万国邮联混合工作组制定的ISO11180-一1993《邮政地址》和1994年汉城万国邮政大会通过的方国邮政联盟公药实施细则,以及中华人民共和国邮电部《国际邮件处理规则》中的相关条文编制的。有关透明窗口信封(国际)的外型尺寸,用纸要求参照GB/T1416—一93《信封》。有关透明窗口信封(国际)的透明窗口薄膜材料、信封糊制、试验方法、检验规则、包装、标志和贮存参照YD/T738—95《透明窗口信封(国内)》。本标准的附录A是标准的附录。
本标准由中华人民共和国邮电部科技司提出。本标准由邮电部邮政科学研究规划院归口。本标准由邮电部第三研究所负责起草。本标准主要起草人:王中元、卡阿巧。HYKAONTKAca
1范围
中华人民共和国通信行业标准
透明窗口信封(国际)
YD/T813-1996
本标准规定了透明窗口信封(国际)的规格尺寸、技术要求、糊制要求、试验方法、检验规则、包装、标志和贮存。
本标准适用于邮政通信中交寄国际及港澳台地区信函使用的透明窗口信封。2引用标准
下列标准所包含的条文,通过在本标准中引用而构成为本标准的条文。本标准出版时,所示版本均为有效。所有标准都会被修订,使用本标准的各方应探讨使用下列标准最新版本的可能性。GB/T1416—93信封www.bzxz.net
YD/T738—95透明窗口信封(国内)QB1012—91胶版印刷纸
ISO11180--1993邮政地址
3规格尺寸
3.1透明窗口信封(国际)的尺寸应符合GB/T1416—93第4章的规定,应优先选用以下三种。见表1。表1透明窗口信封(国际)的尺寸代号
1代号的含义同GB/T1416。
2透明窗口信封(国际)一律不用起墙。3.2透明窗口的位置
信封尺寸长(L)X宽(B)
220×110
230×160
324×229
透明窗口在信封的正面。透明窗口应位于图1所示点划线框内,透明窗口的位置不能妨碍加盖日戳。
中华人民共和国邮电部1996-03-13批准1996-07-01实施
3.3透明窗口的规格
YD/T813-1996
图1透明窗口位置区域示意图
≥40mm
6≥25mm
c>20mm
d≥25mm
透明窗口呈长方形,其长度为90mm~~115mm,宽度为40mm~45mm,四周圆角半径应小于或等于5mm,透明窗口的长边应与信封长边平行。4技术要求
4.1透明窗口信封一律采用横式,封口应在正面的右边或上边。4.2信封用纸
4.2.1透明窗口信封用纸应选用不低于100g/m2的B等胶版印刷纸。4.2.2信封用纸的技术要求应符合QB1012的规定。4.3透明窗口薄膜材料及其规格
4.3.1透明窗口薄膜材料应采用无色透明薄膜,如聚乙烯双向拉伸膜。透明薄膜厚度不得小于0.03mm。
4.3.2薄膜透明度不得小于90%,其他性能可参照YD/T738—95中5.2.2的规定。4.4在透明窗口四周的8mm区域内应为空白。5糊制要求
5.1透明窗口信封的糊制应符合GB/T1416—93中5.4的规定。5.2透明窗口的透明薄膜必须牢固粘贴在窗口四边内侧,透明薄膜和信封应平整无明显皱折,无粘合剂外溢的痕迹。粘合带宽度不得小于5mm。5.3信封封舌涂有的粘合剂应粘着力强,且无毒。6试验方法与检验规则
6.1抽样
6.1.1以交货数量为一批,样本单位为枚。6.1.2交货检验抽样应按表2规定进行。检查水平为特殊检查水平S-3。合格质量水平(AQL)为6.5,采用正常一次抽样方案,见表2。表2正常检查一次抽样方案
特殊检
批量范围
151~500
501~3200
查水平
样本大
小字母
HHYKAONrKAca
合格质量水平(AQL)6.5
批量范围
3201~35000
35001500000
≥500001
特殊检
查水平
YD/T813-1996
表2(完)
样本大
小字母
合格质量水平(AQL)6.5
6.25.2中信封窗口与透明薄膜的粘接强度:用手剥开粘合部位检查被剥开薄膜的粘合部位,粘合部应残存有粘接的纸痕。并允许粘合带上有两处各不超过5mm长的无纸痕区。6.33.1,3.2,3.3,4.1,5.1,5.2采用外观观察和相应量具进行检测。6.44.2按GB/T1416—93中6.3的规定进行试验。6.54.3按QB1012—91标准中7.3相应的规定进行试验。7包装、标志、贮存
透明窗口信封(国际)的包装、标志和贮存应符合GB/T1416—93第8章的规定。YD/T813-1996
附录A
(标准的附录)
收件人名址
使用透明窗口信封(国际)时,透明窗口应清晰、完整地透视收件人的名址。收件人名址的格式要求应符合ISO11180的规定:邮政地址需紧密书写,每个词的字母间不留间距,不得标画重点线。建议用大写字母书写寄达国、投递局和寄达地的名称。地址的名行应于左部取齐。邮政地址的行数限为6行。邮政地址每行的字符数量限为30个。业务说明或标志也可通过透明窗口显示,标志应位于收件人名址的上方。YKAONiKAca
小提示:此标准内容仅展示完整标准里的部分截取内容,若需要完整标准请到上方自行免费下载完整标准文档。

标准图片预览:





- 其它标准
- 热门标准
- YD通讯标准
- YD/T1033-2000 传输性能的指标系列
- YD/T1970.1-2009 通信局(站)电源系统维护技术要求 第1部分:总则
- YD/T1391.1-2005 多协议标记交换(MPLS)测试方法
- YD/T853-1996 速率高达 14400bit/s 传真用二线调制解调器的技术要求
- YD/T1970.1-2009 通信局(站)电源系统维护技术要求 第1部分:总则
- YD/T1970.4-2009 通信局(站)电源系统维护技术要求 第4部分:不间断电源(UPS)系统
- YD/T1654-2007 IPTV业务需求
- YD/T1428.4-2005 900/1800MHz TDMA 数字蜂窝移动通信网CAMEL应用部分(CAP)测试方法(CAMEL3) 第4部分:业务控制点(SCP)短消息业务(SMS)
- YDB078-2012 基于 IP 的虚拟网络动态构建框架
- YD/T809-1996 邮资信封
- YD/T2576.5-2013 TD-LTE 数字蜂窝移动通信网终端设备测试方法(第一阶段) 第5部分:网络兼容性测试
- YD/T1018-1999 使用自适应差分脉冲编码调制(ADPCM)和数字话音插空(DSI)的数字电路倍增设备
- YD/T1584.4-2007 2GHz 数字蜂窝移动通信网网络管理通用技术要求 第4部分:基于 CORBA 技术的接口设计
- YD/T1974-2009 800MHz/2GHz cdma2000数字蜂窝移动通信网 广播多播业务(BCMCS)设备测试方法 接入终端(AT)
- YDB142.1-2013 多媒体终端设备节能参数和测试方法 第1部分:会议电视终端
- 行业新闻
网站备案号:湘ICP备2023016450号-1