- 您的位置:
- 标准下载网 >>
- 标准分类 >>
- 化工行业标准(HG) >>
- HG 21594-1999 不锈钢人、手孔分类与技术条件
标准号:
HG 21594-1999
标准名称:
不锈钢人、手孔分类与技术条件
标准类别:
化工行业标准(HG)
标准状态:
现行出版语种:
简体中文下载格式:
.zip .pdf下载大小:
158.11 KB
点击下载
标准简介:
HG 21594-1999.
1主题内容与适用范围.
HG 21594规定了HG 21595~HG 21604-1999 标准不锈钢人、手孔分类与技术条件。
HG 21594适用于化学、石油化学工业容器上作为出、人口等用途的不锈钢人孔和手孔,其公称压力为常压0. 6~4.0MPa,工作温度为-20~300℃。
与化工、石油化学工业中的容器相类似的容器也可以采用本标准。
2引用标准
下列标准包含的条文在本标准中引用构成本标准条文,本标
准出版后引用下列标准时以最新版本为准。
国家质鼂技术监督局《压力容器安全技术监察规程》
GB 150《钢制压力容器》
JB/T 4735《钢制焊接常压容器》
GB/T 14976 《流体输送用不锈钢无缝钢管》
GB/T 3280《不锈钢冷轧钢板》
GB 4237《不锈钢热轧钢板》
GB 711《优质碳素结构钢热轧厚钢板和钢带》
GB 3274《碳素结构钢和低合金结构钢热轧厚钢板和钢带》
GB 6654《压力容器用钢板》
GB 700《碳素结构钢》
GB 699《优质碳素结构钢技术条件》
GB 5574《工业用硫化橡胶板》
GB/T 3985《石棉橡胶板》
GB 3103. 1《紧固件公差螺栓、螺钉和螺母》
GB 5779. 1《紧固件表面缺陷——螺栓、螺钉和螺柱——般要求》
GB 5779. 2《紧固件表面缺陷——螺母——一般要求》
GB 196 《普通螺纹基本尺寸》
GB 197《普通螺纹公差与配合》
JB/T 4709《钢制压力容器焊接规程》
部分标准内容:
1主题内容与适用范围
本标准规定了HG21595~HG21604一1999标准不锈钢人,手孔分类与技术条件。
本标准适用于化学、石油化学工业容器上作为出,人口等用途的不锈钢人孔和手孔其公称压力为常压0.6~-4.OMPa,工作度为20~~300℃。
与化工,石油化学工业中的容器相类似的容器也可以采用本标准。
2引用标准
下列标准包含的条文在本标准中号用构成本标准条文,本标出版后导用下列标准时以最新版本为准。国家质量技术监督膚
GB 150
JB/T 4735
GB/T 14976
GB/T 3280
GB4237
GB 711
GB3274
GB6654
GB 699
GB5574
GB/T 3985
GB 3103.1
GB 5779. 1
GB 5779. 2
GB 196
JB/T 4709
《压力容器安全技术蓝察规程》《钢制压力容器》
《钢制焊接常压容器》
《流体输送用不锈钢无缝钢管》《不锈钢冷轧钢板》
《不锈钢热轧钢板》
《优质碳素结构钢热轧厚钢板和钢带》《碳素结构钢和低合金结构钢热轧厚钢板和钢带》
《压力容器用钢板》
《碳素结构钢》
《优质碳素结构钢技术条件》
《工业用硫化橡胶板》
《石棉橡胶板》
《紧固件公差一一螺栓、螺钉和螺母》《紧固件表面缺陷螺栓、螺钉和螺柱—般要求》
《紧固件表面缺陷螺母—般
要求》
《普通螺纹基本尺寸》
《普通螺纹公差与配合》
《钢制压力容器焊接规程》
JB4730
JB4726
HG20581
《气焊、手工电弧焊及气体保护焊焊缝坡口的基本型式与尺》
《理孤焊焊缝玻口的基本型式与尺寸》《压力容器无损检测》
《压力容器用碳素钢及低合金钢锻件》《钢制化工容器材料选用规定》HG2059220614《钢制管法兰、垫片、紧固件(欧洲体系)》5
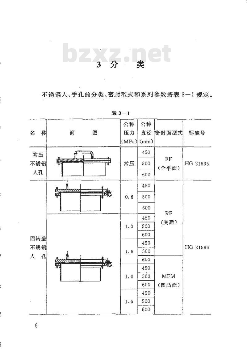
3分类
不锈钢人,手孔的分类,密封型式和系列参数按表3一1规定。表3—1
不锈钢
回转盖
不锈钢
直径密封面型式
(全平面)bzxz.net
(突面)
(凹凸面)
标准号
HG21595
HG21596
回转盖
不锈钢
回转拱
盖快开
不锈钢
不锈钢
续表3—1
直径密封面型式
(突面)
(面)
(突面)
(凸面)
(面)
(凹凸面)
标推号
HG21596
HG 21597
HG21598
不锈钢
不锈钢
续表3—1
密封面型式
(突面)
(凹西面)
(突面)
(凸面)
标准号
HG21598
HG21599
不锈钢
不锈钢
不锈钢
续表3—1
(MPa)(mm)
密封面型式
(突面)
(凹凸面)
(突面)
(面)
标推号
HIG 21599
HG21600
HG 21601
不锈钢
回转盖
不锈钢
续表3—1
直径密封面型式
(MPa)(mm)
突面)
(凹面)
(突面)
(凹凸面)
(突面)
标雅号
HG21602
HG21603
不锈钢
续表3—1
(MPa)
直径密封面型式
(摊槽面)
标准号
HG21604
4技术条件
4.0.1不锈钢人、手孔的制造应符合图样要求和本标准的规定。常压不锈钢人、手孔按JB/T4735《钢制焊接常压容器》,非常压不锈钢人、手孔按GB150《钢制压力容器》和国家质量技术督局《压力容器安全技术监察规程》进行制造,试验和验收,并与所在容器一起进行。
本标准采用的标准零件的技术要求。应按相应标准中的规定。定点制造供应的不锈钢人、手孔的技术条件男议。4.0.2法兰及法兰盖
用于制造法兰及法兰盖的毛虾钢板按GB3274《碳素结构钢和低合金结构钢热轧厚钢板和钢带》及GB6654《压力容器用碳素钢和低合金钢厚钢板》的规定。锻件按JB4726《压力容器用碳素钢及低合金钢锻件》的Ⅱ级验收。尺寸加工精度规定如下:
法兰和法兰盖的尺寸公差按照HG20603《钢制管法兰技术条件(欧洲体系)》标准规定。
密封面表面粗糙度:
非金属软垫片Ra=12.5μm;
柔性石墨复合垫片Ra一6.3um
金属缠绕垫片Ra一6.3pm。
长颈对焊法兰的16Mn钢(轧制或锻造)应进行正火加回火热处理。
平焊法兰允许以板条或条钢拼接,拼接焊缝要求全焊透结构,其焊缝需经100%射线探伤检查,射线探伤按JB4730进行,检查结果1级合格(如有特殊要求应在图样上注明)。拼接法兰应进行12
焊后消除应力热处理。带环衬的法兰,检查孔应通人0.4一0.5MPa的压缩空气检查焊缝质量,所有法兰密封面均在通气检香合格后加工
法兰的密封面不得有裂纹及其它降低强度和密封可靠性的缺陷。
4.0.3筒节
用制造筒节的材料应符合GB4237及GB/T14976的规定,并与所在容器材料致。卷制简节外圆周长的允许偏差为土3mm,焊缝的结构型式按图纸所注。4.0.4紧固件
常压人手孔及公称压力0.6MPa的人、手孔均采用螺栓和螺母连接,公称压力1.OMPa及其以上的人,手孔均采用螺柱和螺妞连接。
4.0.5垫片
公称压力1.6MPa及其以下的不锈钢人、手孔,选用非金属软:垫片;公称压力2.5MPa及4.0MPa的不锈钢人孔,选用金属缠绕垫片,公称压力2.5MPa及4.OMPa的手孔采用柔性石墨复合垫:常压人孔及常压快开手孔采用橡胶垫片。橡胶板垫片应用整张板制成,不得拼接,垫片边缘切割整齐,并保证装配后垫片的密封面平整,不得翘曲变形。橡胶采用GB5574标准代号为4710的中等硬度光面橡胶板。
4.0.6酸洗、钝化处理及试压按容器装配图的要求,并.与容器一起进行。
小提示:此标准内容仅展示完整标准里的部分截取内容,若需要完整标准请到上方自行免费下载完整标准文档。
标准图片预览:





- 其它标准
- 热门标准
- HG化工标准
- HG/T2784-1996 工业用亚硫酸铵
- HG/T2343-2012 硫化促进剂ETU
- HG/T3534-2011 代替 HG/T 3534-2003 工业循环冷却水污垢和腐蚀产物中酸不溶物、磷、铁、铝、钙、镁、锌、铜含量测定方法
- HG/T4519-2013 碱式碳酸钴
- HG/T5699-2020 扩散渗析阳膜
- HG/T20701.12-2000 容器、换热器和特殊设备专业厂商协调会工作程序及说明
- HG2208-1991 甲霜灵可湿性粉剂
- HG21607-1996 异形筒体和封头
- HG/T2058.1-1991 搪玻璃温度计套
- HG/T20510-2014 仪表供气设计规范
- HG/T2959-2000 工业水合碱式碳酸镁
- HG/T3665-2000 内燃机燃油系统输送含氧燃油用纯胶管及橡胶软管
- HG/T20704.3-2000 机泵专业工程设计阶段的工作程序
- HG2975-1989 气体分析 标准混合气 混合物制备证书
- HG3054-1988 胶乳海绵线性尺寸测定
- 行业新闻
网站备案号:湘ICP备2025141790号-2